Memoriu tehnic
TEHNOLOGIA PRELUCRĂRII PE STRUNGUL CU COMANDĂ NUMERICĂ SP 250 CNC
1.1. DOMENIUL DE UTILIZARE
Strungul cu comanda numerica SP 250 CNC este destinat prelucrarilor în regim de comanda numerica, în productia de serie mica si mijlocie a pieselor de revolutie.
Strungul SP 250 CNC permite urmatoarele tipuri de prelucrari: strunjire cilindrica exterioar 212v2119c 9; si interioara, strunjire frontala exterioar 212v2119c 9; si interioara, strunjire conica exterioar 212v2119c 9; si interioara, strunjire filete cilindrice si conice, exterioare si interioare , strunjire melci, strunjire canale exterioare si interioare, strunjire profilata exterioara si interioara, centruire, gaurire, alezare, tarodare etc.
1.2. CARACTERISTICI TEHNICE sl DESCRIERE
1.2.1. Caracteristici tehnice
-diametrul maxim de strunjire 250 mm
-lungimea maxima de strunjire 750 mm
-diametrul alezajului arborelui principal 52 mm
-cursa pe axa X 125 mm
-cursa pe axa Z 750 mm
-domeniul turatiilor la arborele principal
(reglaj continuu) 40-4000 rot/min
-domeniul avansurilor de lucru pe X si Z
(reglaj continuu) 1-3000 mm/min
-avansul rapid pe axa X 5000 mm/min
-avansul rapid pe axa Z 10000 mm/min
-pasul filetelor 0,3-60 mm
-numarul posturilor de lucru din capul revolver
-timpul necesar indexarii cu o pozitie 3 s
-masa maxima a piesei de prelucrat 125 kg
-puterea motorului de curent continuu pentru
actionarea principala 18,2 kW
-forta de strângere din pinola 50-500 daN
- increment minim de deplasare 0,001mm
1.2.2. Descrierea generala a masinii
In figura 1. l se prezinta partile constructive principale ale strungului SP 250 CNC, împreuna cu echipamentul de comanda.
Fig .1.1 Vedere generala a strungului SP 250 CNC.
Batiul 8, de tipul batiu înclinat, sustine în partea stânga papusa fixa 10, în a carei universal hidraulic 11 se prinde piesa 12 pentru prelucrare, iar în partea dreapta suportul de lucru si papusa mobila 1.
Suportul de lucru este constituit din sania longitudinala 3 (axa Z) si sania transversala 4 (axa X). Pe sania transversala se monteaza capul revolver 13, care are 12 posturi de lucru unde se prind sculele 6 si portsculele 5, aferente prelucrarii.
In vederea eliminarii aschiilor care rezulta din procesul de aschiere, masina este dotata cu un transportor de span 7. Strungul este comandat de echipamentul de comanda numerica 9.
Aparatoarea masinii 2 protejeaza operatorul împotriva accidentarilor.
Pentru a putea utiliza masina în conditii normale de lucru, este necesar ca regimurile de exploatare alese sa se încadreze în cele recomandate de constructor. In acest scop, se vor consulta în prealabil din cartea masinii, diagramele de putere functie de turatia motorului, diagramele fortelor de strângere cu vârful papusii mobile, posibilitatile de încarcare ale masinii functie de sculele montate în capul revolver (diametre maxime prelucrabiie), precum si tabelul cu masele maxime prelucrabile pe masina.
1.2.3. Fixarea piesei
In functie de tipul prelucrarii (degrosare, finisare sau degrosare si finisare) si tipul piesei, baza de asezare a semifabricatului se pregateste în prealabil pe o alta masina-unealta.
Fixarea semifabricatului în vederea prelucrarii se poate face:
în universal;
în universal si vârful papusii mobile,
între vârfuri,
în aceasta situatie vârful de antrenare se prinde direct
pe
conul arborelui principal (universalul fund îndepartat) sau în universal,
iar
rotatia piesei se primeste de la o inima de antrenare.
Actionarea universalului si a pinolei papusii mobile se face hidraulic. Cursa bacurilor universalului, reglata pentru un anumit diametru de prindere, este redusa. De aceea, în general nu este posibila prelucrarea unei piese din mai multe prinderi, decât printr-un nou reglaj al bacurilor.
a) Universalul este un dispozitiv prevazut cu trei falci care asigura o strangere concentrica prin deplasarea simultana a falcilor (fig. 1.2).
Falcile universal ului sînt reversibile astfel încat permite strangerea pieselor din exterior sau din interior. Falcile universalului sunt confectionate din otel cu duritate mare, pentru strangerea pieselor brute; pentru prelucrarea pieselor cu rigiditate scazuta sau a caror suprafete de fixare au fost prelucrate se folosesc falci moi confectionate din otel obisnuit.
Fig. 1.2. Universal pentru strung: a -vedere, b - mecanismul pentru actionarea concentrica a falcilor: 1 - corp, 2 - flansa, 3 - gaura patrata pentru cheie, 4 - pinion conic, 5 - coroana conica, 6 - canal spiral.
b) Varfuri de centrare
Varfurile de centrare servesc la orientarea pieselor intre virfuri. Ele pot fi fixe sau rotative.
în fig.1.3 a) este prezentat un varf rotativ tipizat. Se pot observa cei trei rulmenti - doi radiali si unul axial - care preiau sarcinile permitînd antrenarea în miscare de rotatie a vîrfului de centrare propriu-zis.
a)
b)
Fig.1.3. Varfuri de centrare
în fig.1.3.b) apare un varf rotativ prevazut cu aparat indicator al încarcarii. Aparatul este un comparator cu cadran al carui palpator vine în contact cu piesa conica 2. Prin încarcarea axiala a vîrfului de centrare 1 acesta se deplaseaza spre dreapta deformînd elastic arcurile taler 4. Deplasarea este proportionala cu sarcina astfel ca la comparator, care este gradat în unitati de forta, se citeste valoarea acestei sarcini.
In figura 1.4 este prezentata o gaura de centrare.
Fig.1.4. Gaura de centrare
Daca fixarea se face în universal si vârful papusii mobile, este necesara o prelucrare a portiunii ce va fi fixata în universal (fig.1. 5).

Fig.1.5. Pregatirea .semifabricatului.
1.2.4. Scule si portscule
Sculele utilizate la prelucrarile pe strungul SP 250 CNC sunt cutite de strung pentru strunjiri exterioare si interioare, bare de alezat, burghie, alezoare, tarozi etc. Cutitele de strung utilizate sunt armate cu placute din carburi metalice, lipite sau fixate mecanic Se recomanda a se utiliza placute cu fixare mecanica, datorita avantajelor pe care le prezinta.
Sculele si portsculele aferente unei prelucrari se monteaza în capul revolver cu 12 pozitii (fig.1. 6).
Pentru prelucrari exterioare se pot folosi cutitele de strung 8, cu sectiunea de 20x20 mm, fixate pe partea frontala a capului revolver (cu iesire spre exteriorul capului revolver), prin intermediul penei înclinate 9 si a doua suruburi 10 în functie de configuratia piesei supusa prelucrarii, se pot utiliza cele trei tipuri de portscule 5, 6 sau 7, pentru fixarea sculelor. Aceleasi cutite se pot fixa în portsculele de tipul celor din figura 1.7.
Pentru prelucrari exterioare si interioare se pot utiliza cutite de strung cu sectiunea de 25x25 mm, fixate în portscula din figura 1.7,b. surubul l si piulita 2 (fig.1.6) servesc pentru reglarea distantei de iesire a cutitului înafara portsculei si înafara capului revolver.
Tot pentru prelucrari exterioare se pot folosi bare de alezat, fixate în portscula din figura 1.7,c pe alezajul 032mm si pozitionate cu doua suruburi 1. Pentru dimensiuni mai mici de bare de alezat sau burghie, alezoare, tarozi etc., se folosesc reductiile de tipul celor din figura 1.7,d.
Fig.1.6. Vedere frontala si laterala a capului revolver.
Portsculele au sistemul de ghidare pe capul revolver cu pana cilindrica tesita si zimtata 4 (fig.1.6), fixata cu suruburile 4 (fig.1.7).
Cutitele de strung utilizate pentru strunjiri exterioare, fixate direct pe capul revolver, sunt cutite pe stânga si cutite pe dreapta fig.1.8,a).Cutitele pe dreapta sunt utilizate când prelucrarea se face dinspre papusa fixa spre papusa mobila, caz utilizat mai rar.
|
|
|
|
|
|
|
|
|
|
|
|
Fig.1.7. Tipuri de portscule
Pentru prelucrarile cu cutite fixate în capul revolver prin intermediul portsculelor, se folosesc cutite pe dreapta pentru prelucrari exterioare (fig.1.8,b) si cutite pe stânga (fig.1.8,c) pentru prelucrari interioare.
|
|
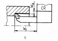
Distantele Wx si Wz , se numesc constante de scula.
|
|

Fig.1.5. Scule si portscule utilizate: a) , b) - strunjire exterioara; c) - strunjire interioara
1.3. ECHIPAMENTUL DE COMANDĂ NUMERICĂ CNC-H645
Echipamentul de comanda numerica CNC-H645 VEM NUMERIK, cu care este dotat strungul S250 CNC, este de tip computerizat. Ca orice calculator, are o memorie externa (caseta racordabila alimentata cu acumulatori) si memorie interna de 8 KO. Programele NC introduse în echipament se pastreaza si dupa întreruperea curentului. Spre deosebire de echipamentele de tip NC, acestea ofera câteva facilitati în programare.
-derularea programului NC în timpul executiei piesei are loc din memoria interna a echipamentului si nu prin citirea benzii perforate ca la echipamentele de tip NC
posibilitatea corectarii în (din) memorie a programului;
utilizarea subprogramelor la alcatuirea programelor;
posibilitatea utilizarii unor parametri în alcatuirea programelor;
accesul la procesorul geometric.
Echipamentul CNC-H645 executa comenzi de deplasare în doua axe (X,Z) si anume: deplasari de pozitionare, liniare si de conturare, cu avans rapid sau de lucru.
|