TRANSFORMATOARE ELECTRICE
Transformatoarele electrice sunt dispozitive electromagnetice statice de curent alternativ, constituite īn principal din doua sau mai multe īnfasurari cuplate magnetic, a caror functie de utilizare consta īn modificarea parametrilor tensiune si curent ai energiei electrice. Īn cazul aplicatiilor de frecventa redusa, sub 10 kHz, cuplajul magnetic dintre īnfasurari se asigura prin intermediul unui miez feromagnetic.
Primul transformator cu miez magnetic si doua īnfasurari a fost construit de M. Faraday n 1831, īn scopul evidentierii experimentale a fenomenului inductiei electromagnetice.
3.1. ELEMENTE CONSTRUCTIVE. PRINCIPIUL DE FUNCŢIONARE.
MĂRIMI NOMINALE. SIMBOLIZARE. INDUCTIVITĂŢI
3.1.1. Elemente constructive
Fie ca sunt mono - , tri - , sau īn general multifazate, transformatoarele sunt constituite īn calitate de subansamble active din doua sau mai multe circuite electrice - īnfasurari, dispuse īn jurul unui circuit magnetic īnchis, denumit miez magnetic
Miezul magnetic poate fi de tip lamelat, constituit din tole de otel electrotehnic, izolate electric īntre ele, sau de tip masiv, din ferite magnetic moi. Īn mod uzual, pentru aplicatii la 50 Hz tolele au grosimea de 0,35 mm pe masura ce frecventa creste, asigurarea unui nivel rezonabil al pierderilor de putere activa īn miez impune utilizarea unor tole de grosime din ce īn ce mai redusa. Sub denumirea de otel electrotehnic se īntelege un aliaj fier siliciu, caracterizat prin pierderi specifice īn curent alternativ cu atāt mai reduse cu cāt continutul de siliciu este mai ridicat. Avānd īn vedere ca orientarea fluxului magnetic este una invariabila īn diversele zone ale miezului magnetic, se utilizeaza īn special īn cazul transformatoarelor de putere medie si mare tole cu proprietati anizotrope, cu pierderi mai mici atunci cānd fluxul magnetic este orientat dupa directia de usoara magnetizare.
Īn cazuri cu totul speciale miezul magnetic se construieste monobloc, de exemplu sub forma toroidala. Īn general, montarea si demontarea facila a īnfasurarilor, impune ca miezul sa se constituie din subansamble separate, cele īn jurul carora se plasează 454i88e ; bobinele fiind denumite coloane, iar celelalte subansamble de legatura īntre coloane, denumite juguri. Desi solutia cea mai simpla referitoare la forma sectiunii transversale a miezului magnetic este aceea patrata sau dreptunghiulara, fig. 3.1 a), se prefera īn cazul transformatoarelor de puteri medii si mari > 1 kVA, la 50 Hz) realizarea īn trepte a coloanelor īn principal, dar si a jugurilor , fig. 3.1 b). Aceasta solutie este īn principal impusa de structura īnfasurarilor, mult mai comod a fi realizate atunci cānd spirele sunt circulare decāt īn cazul spirelor dreptunghiulare.
a) b) a) b)
Fig. 3.1 Fig. 3.2
Īmbinarea dintre coloane si juguri poate fi prin suprapunere, fig. 3.2 a) sau prin ntretesere, fig. 3.2 b). Īn primul caz, rezulta īn lungul liniilor de cāmp magnetic un īntrefier net de 0,1 ..1 mm, zona īn care, pentru a evita producerea unor pierderi suplimentare, este necesara prevederea unei izolatii electrice. Īn cazul īmbinarii prin īntretesere a jugului cu coloana, īn zonele de colt, fig. 3.2 b alterneaza tole ale coloanei, respectiv jugului. Cāmpul magnetic de la o tola a coloanei la tola corespondenta a jugului se īnchide preponderent lateral, prin izolatia dintre tole rezulta astfel un īntrefier echivalent mult mai mic, de numai 0,02..0,06 mm.
Miezul magnetic poate fi de tipul cu coloane, fig. 3.3. a), sau de tipul īn manta, fig. 3.3. b. Īn exemplul pentru transformator monofazat din figura 3.3. avem de-a face cu o solutie cu doua coloane [cazul a)], respectiv cu o coloana [cazul b)].
![]()
Īnfasurarile se construiesc din conductor
izolat de cupru sau aluminiu. Luānd ca exemplu tipic transformatorul cu
doua īnfasurari, se folosesc īn mod uzual denumirile de
īnfasurare primara,
respectiv secundara, dupa
sensul de transfer al energiei electrice, sau īnfasurare de īnalta tensiune ī.t.), respectiv
joasa tensiune (j.t.
dupa valorile tensiunilor nominale ale celor doua
īnfasurari. Se convine sa se noteze cu indicele 1 toate
marimile caracteristice īnfasurarii primare si cu
indicele 2 marimile asociate īnfasurarii secundare.
Īnfasurarile cilindrice concentrice, fig. 3.4 a), b) sunt asezate suprapus pe
Fig. 3.3 aceeasi coloana, de regula
īnfasurarea de joasa tensiune lānga miez, iar īnfasurarea de īnalta tensiune īn exterior. Structura din figura 3.4 b), īn care una dintre īnfasurari este intercalata īntre doua sectiuni ale celeilalte, asigura un cuplaj magnetic mai bun al celor doua īnfasurari, respectiv un flux de dispersie mai redus.
a) b) c)
Fig. 3.4
Plasarea īnfasurarilor primara si secundara pe coloane diferite reduce cuplajul magnetic al acestora, lucru dorit īn cazul unor transformatoare destinate sudurii electrice.
Īn sistemul īnfasurari īn galeti alternati, fig. 3.4. c), īn lungul coloanei se succed bobine (galeti) ale īnfasurarii primare, respectiv īnfasurarii secundare. Se plaseaza de regula spre juguri galeti ai īnfasurarii de joasa tensiune. Cuplajul magnetic dintre īnfasurari este cu atāt mai bun cu cāt numarul de galeti este mai mare.
Īnfasurarile cu numar mare de spire si valori reduse ale curentului, care nu necesita mai multe conductoare īn paralel, se executa sub forma de īnfasurari cilindrice stratificate, sau īnfasurari cu galeti separati, fig. 3.5. a , b). Atunci cānd valoarea ridicata a curentului impune utilizarea mai multor conductoare īn paralel, pentru ca īn fiecare conductor elementar refularea curentului sa fie neglijabila, īn executia īnfasurarilor cilindrice elicoidale sau īn galeti se efectueaza transpozitii ale conductoarelor īn paralel; aceasta solutie tehnica face ca curentul total sa se distribuie uniform pe toate caile de curent īn paralel, fig. 3.6.
Fig. 3.6
Functionarea transformatoarelor este
a) b) īnsotita īn mod inevitabil de dezvoltarea
Fig. 3.5 unei puteri active īn miezul magnetic
(efectul curentilor turbionari indusi īn tole si al histerezisului magnetic si īn īnfasurari (efectul Joule al curentilor). Asigurarea regimului termic īn concordanta cu stabilitatea termica a materialelor izolante utilizate presupune evacuarea acestor pierderi. Se diferentiaza īn acest sens transformatoare uscate si transformatoare īn ulei. Cea de-a doua solutie constructiva are īnca o pondere importanta, deoarece uleiul īndeplineste atāt rol de mediu de racire cāt si pe acela de izolant electric. Eficienta transferului termic prin intermediul mediului lichid care este uleiul este sensibil superioara transferului prin convectia aerului. Constructia si īntretinere transformatoarelor īn ulei ridica probleme mai complexe decāt transformatoarele uscate; aceasta explica evolutia variantei uscate pentru puteri medii si mici, care este sustinuta si de dezvoltarea unor materiale si solutii constructive eficiente, cum ar fi de exemplu īnglobarea īnfasurarilor īn rasini sintetice cu stabilitate termica ridicata.
3.1.2. Principiul de functionare, simbolizare, marimi nominale
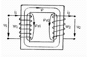
Transformatorul monofazat reprezentat īn figura 3.7 este alimentat cu tensiunea u1 , ce se aplica īnfasurarii primare, care are w1 spire si este parcursa de curentul i1. Parametri corespondenti ai īnfasurarii secundare sunt tensiunea la borne u2 , numarul de spire w2 si curentul i2 , debitat īn cazul functionarii īn sarcina.
Fig. 3.7
Cuplajul magnetic al celor doua īnfasurari nefiind niciodata perfect, rezulta ca fluxul magnetic ce strabate fiecare īnfasurare este constituit din componenta comuna, fluxul principal din miez j si fluxurile specifice de scapari js si js . Īn concordanta cu sensurile curentilor prin cele doua īnfasurari, rezulta ca fluxurile magnetice fasciculare corespondente au expresiile
![]()
Atunci cānd īnfasurarea secundara nu debiteaza curent, transformatorul absoarbe curentul de mers īn gol i10, a carui valoare este mult mai mica decāt valoarea curentului primar la functionarea transformatorului īn regimul de sarcina nominala (cānd i2 = i2n si i1 = i1n) ; īn mod uzual, i10 ( 2.4 %) i1n. Aceasta se explica prin faptul ca transformatoarele se dimensioneaza astfel ca starea de magnetizare a miezului magnetic sa corespunda cotului curbei de magnetizare B(H), ceea ce īnseamna o valoare relativ ridicata a permeabilitatii magnetice, respectiv o valoare considerabila a inductivitatii īn raport cu bornele de alimentare la functionarea īn gol.
Puterea activa absorbita la functionarea īn gol are valori reduse datorita aportului nesemnificativ al pierderilor Joule īn īnfasurarea primara. Pe de alta parte, pierderile īn miezul magnetic au valorii reduse īn raport cu puterea nominala, deoarece acesta este conceput pentru a īndeplini functia de circuit magnetic. Grosimea tolei elementare se alege īntotdeauna astfel īncāt adāncimea de patrundere a cāmpului alternativ corespunzatoare frecventei de lucru sa fie mult mai mare decāt aceasta, ceea ce are ca rezultat o valoare nesemnificativa a curentilor indusi īn tole, respectiv a pierderilor prin curenti turbionari.
Ecuatiile de tensiuni ale celor doua īnfasurari la functionarea īn gol al transformatorului (i10 << i1n , i2 = 0, js = 0) sunt:

S-a tinut cont īn prima relatie de proprietatile R1i10 << u1 , unde R1 este rezistenta īnfasurarii primare, si js << j Prin raportarea celor doua relatii se obtine
![]()
relatie ce exprima proprietatea ca raportul tensiunilor primara si secundara īn regimul de gol al transformatorului, denumit raport de transformare, este egal cu raportul numerelor de spire corespunzatoare.
Atunci cānd transformatorul functioneaza īn sarcina, i2 0 , solenatia de magnetizare a miezului are expresia
![]()
Aproximatiile R1i1 << u1
si js << j ramān
valabile chiar si pentru functionarea la sarcina nominala,
ceea ce īnsemna u1 = w1
, respectiv ca fluxul magnetic
principal j nu este practic influentat de regimul de sarcina drept
consecinta solenatia de magnetizare poate fi exprimata
si īn functie de curentul de mers īn gol, respectiv qm w1i10. Cum solenatia de magnetizare īn gol, w1i10
, este mult mai mica decāt
solenatia īnfasurarii primare īn sarcina, w1 i1 , rezulta
w1 i1 - w2 i2
respectiv,
![]()
Asadar, la functionarea īn sarcina, raportul curentilor prin īnfasurarile primara si secundara este practic egal cu inversul raportului de transformare.
Īntr un regim de sarcina oarecare, transformatorul absoarbe prin īnfasurarea primara puterea instantanee p1 u1 i1 si debiteaza pe sarcina puterea p2 u2 i2. Conform relatiilor de mai sus, rezulta ca īn aproximatia neglijarii pierderilor de putere activa īn miez si īnfasurari si a puterii reactive corespunzatoare fluxurilor de scapari, rezulta
p1 u1 i1 = u2 i2 = p2
Prin urmare, transformatorul electric converteste valoarea u1 a tensiunii de alimentare īn valoarea u2 , convenabila sarcinii, absorbind din reteaua de alimentare puterea solicitata de receptor, daca se face abstractie de pierderi.
Īn cazul particular al functionarii īn regim armonic permanent, se scrie
![]()
ceea ce īnseamna ca tensiunile si curentii primari, respectiv secundari sunt, īn aproximatiile precizate mai sus, īn faza sau īn opozitie de faza. Īn aproximatia neglijarii pierderilor de putere activa se poate scrie egalitatea
![]()
ceea ce īnseamna ca factorul de putere al ansamblului transformator sarcina este egal cu factorul de putere al sarcinii, cos j = cos j
Semnele
conventionale pentru simbolizarea transformatoarelor īn schemele electrice
sunt cele din figura 3.8.
Fig. 3.8
Serviciul nominal de functionare al unui transformator, stabilit prin tema de proiectare, este acela pentru care temperatura maxima īn diferite zone ale acestuia nu depaseste limitele impuse de clasa de izolatie a materialelor utilizate. Regimul nominal de functionare, caracteristic serviciului nominal, se defineste prin urmatoarele date nominale:
puterea nominala Sn este puterea aparenta debitata prin bornele secundare, pentru care nu sunt depasite limitele admisibile ale īncalzirii, īn conditiile alimentarii la parametrii nominali (tensiune si frecventa);
tensiunea nominala primara U1n este tensiunea ce trebuie aplicata īnfasurarii primare īn regimul nominal de functionare al transformatorului;
tensiunea nominala secundara U2n este īn cazul transformatoarele peste 10 kVA tensiunea la bornele īnfasurarii secundare atunci cand transformatorul functioneaza īn gol, fiind alimentat cu tensiunea nominala U1n ; īn cazul transformatoarelor cu puteri sub 10 kVA, este tensiunea la bornele īnfasurarii secundare corespunzatoare regimului de sarcina īn care transformatorul debiteaza curentul secundar nominal;
raportul nominal de transformare este raportul dintre tensiunile nominala primara si secundara la mersul īn gol;
curentii nominali primar I1n si secundar I2n sunt curentii de linie evaluati pe baza puterii si tensiunii nominale;
tensiunea de scurtcircuit nominala usc , exprimata īn procente fata de tensiunea U1n , este tensiunea ce trebuie aplicata īnfasurarii de īnalta tensiune pentru a fi parcursa de curentul nominal, atunci cānd īnfasurarea de joasa tensiune este scurtcircuitata;
frecventa nominala poate fi frecventa industriala, 50 Hz, sau o alta valoare specificata ca data de baza a transformatorului.
3.1.3. Inductivitati ale circuitelor cuplate magnetic, cu aplicatie la
transformatoare
Doua circuite electrice sunt cuplate magnetic īn cazul īn care cāmpul magnetic creat de curentul ce parcurge unul din circuite se īnchide partial, sau la limita īn totalitate, prin celalalt circuit. Cuplajul magnetic al circuitelor se caracterizeaza prin anumite marimi denumite inductivitati, respectiv coeficienti de dispersie.
a) Inductivitati proprii si inductivitati mutuale. Curentul i1 ce parcurge bobina 1-1', fig. 3.9, determina o structura de cāmp magnetic care asigura fluxul magnetic w1j prin bobina 1-1' si fluxul w1j prin bobina 2-2'. Marimile j si j se numesc fluxuri magnetice fasciculare, cu referire la una din cele w1 , respectiv w2 spire ale bobinelor respective.
Marimea
![]()
este inductivitatea proprie a bobinei 1 , iar
![]()
este inductivitatea mutuala dintre bobinele
Fig. 3.9. 1 si 2. Īn mod asemanator se definesc
inductivitatea proprie a bobinei , respectiv inductivitatea mutuala dintre bobinele 2 si 1,
si ![]()
Īn cazul structurilor magnetic liniare si electric filiforme cele doua inductivitati mutuale au aceasi valoare, L21 L12 , denumita inductivitatea mutuala a celor doua bobine.
Inductivitatea mutuala a doua bobine depinde de numerele de spire ale celor doua bobine, al caror cuplaj magnetic īl caracterizeaza
b) Inductivitati utile si inductivitati de dispersie. Fluxul magnetic fascicular j al bobinei se exprima ca suma dintre fluxul fascicular prin bobina si un flux fascicular js , denumit flux de scapari
![]()
Pentru o caracterizare mai riguroasa a cuplajului celor doua bobine vom denumi fluxul j flux util al cuplajului, ju12. Exprimānd fluxul j ca suma a fluxurilor util si de scapari,
![]()
pot fi definite
inductivitatea utila a bobinei 1 īn raport cu bobina 2:
![]()
inductivitatea de dispersie, sau de scapari, a bobinei 1 īn raport cu bobina 2
![]()
Īn mod analog, scriind
,
se definesc inductivitatile utile si de dispersie ale bobinei 2 īn raport cu bobina 1,
, 
Inductivitatea utila si inductivitatea de dispersie ale unei bobine īn raport cu alta depind ambele de numarul de spire al bobinei la care se refera.
Inductivitatilor utile si de dispersie se exprima īn functie de inductivitatile proprii si mutuale prin relatiile
Pe baza acestor relatii rezulta si egalitatile
L11 =
Lu12 + Ls L22 =
Lu21 + Ls ;
.
Exemplu: Fie doua bobine avānd w1 100 spire si w2 = 10 spire, caracterizate prin urmatoarele valori ale inductivitatilor proprii si mutuale: L11 = 1256 mH ; L22 = 12,56 mH ; L12 = L21 = 113 mH.
Coeficientul de cuplaj magnetic al acestor bobine are valoarea:
![]()
Inductivitatile utila si de dispersie au valorile:
bobina 1 Lu12 1130 mH Ls = 1256 - 1130 = 126 mH ;
- bobina 2 Lu21 = 11,3 mH ; Ls = 12,56 - 11,3 = 1,26 mH
Observatii
1) Un cuplaj perfect k nu ar apare ca evident la simpla observare a valorilor inductivitatilor proprii si mutuale, īn timp ce pentru un astfel de cuplaj inductivitatile de scapari sunt nule, Ls Ls
2) Cu cāt inductivitatile de dispersie au valori mai reduse īn raport cu inductivitatile utile, cu atāt cuplajul magnetic este mai bun. Pentru Ls Lu12 rezulta ca bobinele 1 si 2 nu sunt cuplate magnetic.
avānd w1 spire). Circuitul magnetic din figura 3.10 al unui transformator este constituit din trei zone distincte, caracterizate prin valori constante ale inductiei magnetice
- doua coloane de lungime lc si sectiune Sc
- doua juguri de lungime lj si sectiune Sj ;
- o zona modelānd un īntrefier echivalent, de lungime d si sectiune Sd
Relatiile
![]()
si ![]()
Fig. 3.10
exprima
legea circuitului magnetic si legea fluxului magnetic. Folosind dependentele
,
si
dintre inductii
si intensitatile cāmpului magnetic, se deduce expresia
inductiei īn coloane:

Inductivitatea utila are expresia

Se observa urmatoarele proprietati
- inductivitatea Lu este proportionala cu patratul numarului de spire
- inductivitatea Lu este proportionala cu
aria sectiunii transversale
- inductivitatea Lu este invers proportionala cu īntrefierul echivalent d
- inductivitatea
utila depinde de starea de magnetizare a miezului
;
Īn cazul ideal, cānd
si
, rezulta expresia simplificata
,
caz care ar corespunde de unui miez magnetic de permeabilitate infinita, nu exista linii īnchise ale intensitatii cāmpului magnetic, care sa īnconjoare ambele īnfasurari. Ca urmare, cāmpul magnetic creat de cele doua īnfasurari are caracterul exclusiv al unui cāmp magnetic de dispersie.
Fie hb dimensiunea axiala a bobinelor, considerate a avea aceeasi
Fig. 3.11 lungime. Īn aplicarea legii circuitului
magnetic pe conturul īnchis al unei linii
de cāmp magnetic, contributia zonei din
miezul magnetic este neglijabila. Se face ipoteza simplificatoare ca
liniile cāmpului magnetic īn fereastra transformatorului sunt verticale (Hy 0, Hx = 0) si vom echivala integrala
de-a lungul unei linii
de cāmp reale cu produsul
, unde Hy
are variatia din figura 3.11 pe latimea ferestrei, iar kR
este factorul de corectie Rogowsky. Conform acestei ipoteze:
, pentru x [0, a1]
, pentru x [a1, a1 + a12]
, pentru x [a1 + a12 , a1 + a12 + a2]
Calculul inductivitatii de dispersie al bobinei 1 presupune evaluarea fluxului magnetic total de dispersie Fs care īnlantuie spirele acesteia. Se considera bobina desfasurata, de lungime pDm , asezata īn fereastra transformatorului se admite de asemenea ca suprafata cilindrica reala de diametru Dm , fig. 3.11, separa liniile de cāmp ce se īnchid printr-o bobina, respectiv prin cealalta. Fluxul magnetic de dispersie al bobinei 1 se evalueaza cu relatia

Fluxul magnetic
elementar m Hy p Dm dx īn domeniul x [0, a1] īnlantuie numarul
de spirele
. Se obtine
![]()
respectiv expresia inductivitatii de dispersie a īnfasurarii 1
![]()
Īn mod analog se calculeaza inductivitatea de dispersie a īnfasurarii 2



Rezulta
![]()
Inductivitatea
totala de dispersie īn raport cu bornele īnfasurarii
primare 1 depinde de numarul de spire w1 al acestei
īnfasurari, de factorul de geometrie
si de latimea echivalenta a canalului de
scapari (de
dispersie ),
.
Este usor de verificat ca daca īnfasurarea 2 se sectioneaza īn doua bobine de latime a2 2 , care se plaseaza de o parte si de alta a īnfasurari 1, spatiul dintre bobine ramānānd a12 , atunci inductivitatea totala de dispersie are expresia
![]()
mai putin de jumatate īn raport cu valoarea anterioara. Prin urmare, intercalarea īnfasurarilor primare si secundare ale unui transformator face sa scada inductivitatea totala de dispersie , altfel spus īmbunatateste cuplajul magnetic al celor doua īnfasurari.
3.2. TEORIA FIZICĂ A TRANSFORMATORULUI
Teoria fizica a transformatorului face apel la fluxurile, respectiv inductivitatile proprii si mutuale.
3.2.1. Ecuatiile de functionare īn regim tranzitoriu
Se considera miezul magnetic liniar, fara pierderi, īnfasurarea primara este receptor de energie electrica, iar cea secundara genereaza energie electrica pe o sarcina R, L, C serie, fig. 3.12. Aplicānd legea inductiei electromagnetice pentru cele doua circuite ale transformatorului se obtine
![]()
![]()
Fig. 3.12 Fig. 3.13
Schema echivalenta corespunzatoare acestor ecuatii este aceea din figura 3.13. Adaugānd ecuatia circuitului receptor:
,
rezulta un sistem cu necunoscutele u2, i1 si i2, presupunānd ca tensiunea de alimentare u1 si toti parametrii au valori cunoscute.
Īn conditiile cunoasterii conditiilor initiale, la t 0 , referitoare la necunoscutele sistemului, pot fi obtinute pe cale analitica (uneori) sau numerica (practic īntotdeauna solutiile u2(t), i1(t) si i2(t).
Exemplu regimul tranzitoriu la aplicarea unei trepte de tensiune īn primar U, cu secundarul īn gol, i2
Pentru t > 0, curentul instantaneu i1 absorbit de primar satisface ecuatia
![]()
Cu conditia initiala i(0) = 0, rezulta solutia:
unde t = L11 / R1
este
3.2.2. Ecuatiile, schema echivalenta si diagrama de fazori īn regimul armonic
permanent
Daca tensiunea de alimentare are expresia
instantanee
, prin aplicarea reprezentarii īn complex simplificat
rezulta
![]()
![]()

Pornind de la fazorul U2 al tensiunii secundare si
considerānd fazorul I2 ca parametru, rezulta diagrama de
fazori din figura 3.14; constructia diagramei de fazori urmeaza
succesiunea indicata prin cifrele de la 1 la 10. Pornind de la ansamblul
de valori caracteristice circuitului secundar, U2, I2, j , se obtine ca rezultat final al
constructiei diagramei de fazori valorile caracteristice primarului, U1,
I1, j
Pe baza ultimelor doua ecuatii ale sistemului anterior se obtine relatia
![]()
Fie
coeficientul de cuplaj
al curentilor; se observa usor ca
. Cu aceasta notatie
Fig. 3.14
rezulta

Īnlocuind īn prima ecuatie se obtine
![]()
Sistemul transformator - sarcina se caracterizeaza īn raport cu sursa de alimentare prin parametrii echivalenti Re si Xe , care depind atāt de parametrii sarcinii cāt si de parametrii transformatorului.
Īn cazul limita al functionarii īn gol, I2 = 0, p = 0 rezulta
![]()
Curentul de mers īn gol I10 este practic limitat de reactanta proprie a īnfasurarii primare X11, a carei valoare este mult superioara rezistentei R1 .
Īn cazul scurtcircuitarii bornelor secundare, R = 0 , L = 0, C = , rezulta
. Īn cazul unui cuplaj magnetic bun al celor doua
īnfasurari este valabila relatia X122
X11 X22, ceea ce conduce la
. Prin urmare, parametrul rezistenta
echivalenta de scurtcircuit īn raport cu bornele primare are expresia

Parametrul reactanta echivalenta de scurtcircuit īn raport cu aceleasi borne primare are expresia


![]()

Īn succesiunea anterioara s-a neglijat produsul Xs Xs īn raport cu ceilalti doi termeni si s a considerat ca Xu21 X22 .
3.3. TEORIA TEHNICĂ A TRANSFORMATORULUI
Teoria tehnica a
transformatorului face apel la inductivitatile utile si de
dispersie, considera nelinearitatea magnetica a miezului si
pierderile īn acesta. Se adopta aceleasi conventii de semne
pentru tensiuni si curenti ca si īn capitolul anterior, iar
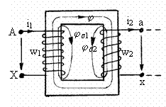
cāmpului magnetic i se asociaza fluxul magnetic principal īn miez j si fluxurile magnetic de dispersie al īnfasurarii
primare js si al īnfasurarii secundare js , ambele īn raport cu cealalta
īnfasurare, fig. 3.15.
Fluxul magnetic principal j este produs de solenatia magnetica rezultanta, denumita solenatie de magnetizare
![]()
Ecuatiile de tensiuni ale celor doua circuite sunt
![]()
Fig. 3.15 ![]()
Cum cāmpul magnetic de dispersie se īnchide īn buna masura prin aer, dependenta dintre fluxurile js js si curentii corespunzatori este practic liniara, ceea ce permite definirea parametrilor inductivitati de dispersie ai celor doua īnfasurari
![]()
Adaugānd la ecuatiile de mai sus ecuatia receptorului, se obtine sistemul
![]()
![]()
![]()
![]()
Acest ansamblu de ecuatii formeaza un sistem neliniar, cu necunoscutele i1, u2, i2, j neliniaritatea este datorata ultimei ecuatii, care reprezinta caracteristica magnetica a miezului.
Īn ipoteza unei caracteristici magnetice liniare a
miezului, definind curentul de magnetizare im prin relatia
, se poate asocia
fluxului magnetic principal j inductivitatea
utila Lu12 definita prin relatia
![]()
Practic
oricare ar fi regimul de sarcina , de la gol pāna la
sarcina nominala, caderile de tensiune R1i1
si
au valori atāt de mici īn raport cu tensiunea de alimentare
īncāt se poate admite ca
![]()
Aceasta relatie evidentiaza proprietatea ca fluxul magnetic principal depinde de tensiunea de alimentare si variaza relativ putin īn raport cu regimul de īncarcare īn sarcina. Rezulta astfel ca daca tensiunea u1 este armonica, cu buna aproximatie si fluxul j are o variatie armonica īn timp.
3.3.1. Ecuatiile de functionare īn regim armonic, schema echivalenta si
diagrama de fazori
Fie
expresia instantanee a
tensiunii de alimentare. Se considera ca miezul este
magnetic liniar. Prin aplicarea reprezentarii īn complex simplificat
ecuatiile de mai sus devin
![]()
![]()
![]()
![]()
![]()
S-au notat cu Ue1, Ue2 tensiunile electromotoare induse īn īnfasurari de fluxul principal F modulul marimii complexe F fiind egal cu amplitudinea fluxului magnetic principal, rezulta expresiile
![]()

Ecuatiilor
īn instantaneu si cele īn complex asociaza transformatorului schemele
echivalente din figurile 3.16 si 3.17.
Fig. 3.16 Fig. 3.17

Pornind de la fazorul U2 al tensiunii secundare si considerānd curentul de sarcina I2 ca parametru, rezulta diagrama de fazori din figura 3.18, care determina succesiv tensiunile electromotoare Ue1, Ue2, fluxul F, curentul de magnetizare Im, curentul I1 si tensiunea de alimentare U1. Curentul Im are expresia
![]()
3.3.2. Raportarea circuitului secundar la primar
Observānd ca:
![]()
Fig. 3.18 se poate scrie
![]()
![]()
![]()
![]()
S-au folosit notatiile

care definesc respectiv tensiunea si curentul secundar raportate la
primar, parametrii rezistenta si reactanta de
scapari ai īnfasurarii secundare raportati la
primar si reactanta de magnetizare reactanta utila) a transformatorului. Cu
acestea, schema echivalenta a transformatorului raportat are structura din
figura 3.19. O diagrama de fazori asemanatoare celei din figura
3.18 poate fi asociata sistemului de ecuatii al transformatorului raportat.
3.3.3. Considerarea pierderilor de putere activa īn miezul magnetic
Fenomenul de histerezis determina, īn conditiile unei magnetizari alternative, cum este cazul miezului transformatorului, transformarea ireversibila a unei parti a energiei electromagnetice īn caldura. Conform relatiei lui Steinmetz, pierderile specifice prin histerezis depind de inductia magnetica locala B si de frecventa cāmpului prin relatia
![]()
Aceste pierderi pot fi exprimate pentru valorile uzuale ale inductiei magnetice īn dispozitivele electrotehnice si īn functie de patratul inductiei prin relatia mai potrivita
![]()
O alta componenta a puterii active dezvoltate īntr un miez magnetic īn alternativ este rezultatul efectului Joule al curentilor turbionari indusi. Se demonstreaza ca īn conditiile prezentei unei tole de grosime D, dintr un material cu rezistivitatea r si densitatea g, īntr-un cāmp magnetic omogen, orientat īn lungul tolei, densitatea de masa a puterii induse are expresia
![]()
Prin urmare, pierderile specifice de putere īn miezul magnetic al unui transformator variaza īn raport cu frecventa si inductia de forma
![]()
Cum inductia magnetica B este proportionala cu fluxul F īn miez, respectiv cu tensiunea electromotoare indusa, rezulta ca poate fi asociata dezvoltarii de putere activa, respectiv pierderilor īn miez o rezistenta echivalenta pe baza relatiei
![]()
Completarea schemei echivalente din figura 3.19 pentru a considera si pierderile īn miez presupune conectarea rezistentei Rm īn paralel cu reactanta utila Xm, , fig. 3.20. Corespunzator acestei scheme, curentul I10 absorbit de transformator la mersul īn gol are o componenta reactiva de magnetizare I10m si o componenta activa I10a , corespunzatoare pierderilor īn miez.
Fig. 3.20
3.3.4. Schema simplificata specifica functionarii īn sarcina. Diagrama Kapp
Cu cāt gradul de īncarcare īn sarcina al unui transformator este mai apropiat de sarcina nominala, inegalitatea I10 << I este mai evidenta. Ca urmare, pentru analiza functionarii īn sarcina este destul de potrivita schema electrica simplificata din figura 3.21, unde

este rezistenta echivalenta a transformatorului, iar

este reactanta echivalenta. Acestea sunt expresii ale parametrilor raportati la primar, care de multe ori se numesc rezistenta respectiv reactanta de scurtcircuit ale transformatorului. Diagrama de fazori pentru acest caz, fig. 3.22 este denumita diagrama Kapp.

Fig. 3.21 Fig. 3.22
3.3.5. Aplicatie numerica
Un transformator monofazat avānd puterea nominala Sn 10 MVA si tensiunile nominale U1n U2n 35 kV absoarbe īn gol curentul I10 10 A si puterea activa P0 22 kW. Atunci cānd secundarul este scurtcircuitat si este alimentat cu tensiunea U1sc = 500V, transformatorul absoarbe curentul nominal si puterea activa Psc = 75 kW. Presupunānd ca cele doua īnfasurari sunt caracterizate prin valori egale ale rezistentelor si reactantelor de dispersie, pentru secundar fiind vorba de valorile raportate la primar sa se determine valorile parametrilor schemei echivalente complete, care considera inclusiv pierderile īn miez
Solutie
a) Factorul de putere la functionarea īn gol are valoarea
![]()
b) Componentele activa si reactiva ale curentului de mers īn gol sunt
![]()
![]()
c) Curentul nominal primar al transformatorului are valoarea
![]()
d) Factorul de putere la īncercarea īn scurtcircuit are valoarea
![]()
e) Impedanta, rezistenta si reactanta echivalente de scurtcircuit ale transformatorului au valorile
![]()
![]()
![]()
f) Parametrii transformatorului au valorile
![]()
![]()
![]()
![]()
Observatie privind importanta practica a raportarii
circuitelor. Rezistentele si reactantele de
scapari ale celor doua īnfasurari primara
si secundara au valori numerice cu atāt mai diferite cu cāt raportul
de transformare w1/w2 are o valoare mai diferita de
unitate. Practic, rapoartele R1/R2, Xs /Xs au aproximativ ordinul de marime al patratului raportului de
transformare
. Prin operatia de raportare, parametrii R1
si
pe de o parte si
Xs si
pe de alta parte
au valori numerice aproximativ de acelasi ordin de marime.
|