UNIVERSITATEA “PETROL-GAZE” PLOIESTI
FACULTATEA INGINERIE MECANICA SI ELECTRICA
FISA FAZELOR DE REALIZARE A PROIECTULUI
|
Lucrari planificate |
Lucrari realizate |
Obs. |
|
Scrise |
Desenate |
|||
|
1 05.03.2002 |
1. Proiectarea schemei cinematice 2. Constructia si functionarea sistemului de transmisii 3. Alegerea motorului electric |
|
|
|
|
2 12.03.2002 |
4. Calculul unor marimi cinematice si dinamice 5. Calculultransmisiei prin curele trapezoidale |
|
|
|
|
3 19.03.2002 |
6, Calculul de rezistenta al organelor de masini ale reductorului 6.1 Calculul angrenajului cilindric cu dinti inclinati treapa a doua |
|
|
|
|
4 26.03.2002 |
6.2Calculu angrenajului conic cu dinti drepti 6.3Calculul fortelor in angrenajele reductorului 6.4Calculul unor dimensiuni ale reductorului |
|
|
|
|
5 02.04.2002 |
6.5 Calculul elementelor subansamblului arborelui de intrare al reductorului 6.5.1 Predimensionarea arborelui 6.5.2 Calculul ansamblurilor cu pana |
Desen de ansamblu |
|
|
|
6 09.04.2002 |
6.5.3 Calculul de alegere al rulmentilor 6.5.4 Proiectarea formei constructive a arborelui 6.5.5 Verificarea la oboseala a arborelui |
Desen de ansamblu |
|
|
|
7 16.04.2002 |
6.6 Calculul elementelor subansambluluui arborelui intermediar 6.6.1 Predimensionarea arborelui 6.6.2 Calculul ansamblurilor cu pana 6.6.3 Calculul de alegere al rulmentilor 6.6.4 Proiectarea formei constructive a arborelui 6.6.5 Verificarea la oboseala a arborelui |
Desen de ansamblu |
|
|
|
8 23.04.2002 |
6.7 Calculul elementelor subansamblului arborelui de iesire al reductorului 6.7.1 Predimensionarea arborelui 6.7.2 Calculul ansamblurilor cu pana 6.7.3 Calculul de alegere al rulmentilor 6.7.4 Proiectarea formei constructive a arborelui 6.7.5 Verificarea la oboseala a arborelui |
Desen de ansamblu |
|
|
|
9 30.04.2002 |
6.8Calculul elementelor constructive ale carcasei reductorului 7. Verificarea reductorului la incalzire |
Desen de ansamblugata |
|
|
|
10 07.05.2002 |
8. Conditii tehnice generale de calitate |
Desen de executie |
|
|
|
11 14.05.2002 |
9. N.T.S.M. |
Desen de executie |
|
|
|
12 21.05.2002 |
10 . Concluzii |
Desen de executie gata |
|
|
|
13 28.05.2002 |
Predare proiect |
|
|
|
INTRODUCERE
Transmisiile mecanice sunt mecanisme elementare care asigura transmiterea energiei mecanice de la masinile motoare la masinile de lucru, precum si adaptarea parametrilor functionali ai masinilor motoare la parametrii functionali ai masinilor de lucru.
Transmisiile mecanice pot fi:
transmisii cu roti dintate(angrenaje);
transmisii cu roti de frictiune;
transmisii prin curele;
transmisii cu lant;
transmisii cu cablu.
Aceste transmisii elementare pot fi cuplate(legate) intre
ele in mod diferit, formand sisteme complexe de transmisie.
Reductoarele de turatie cu roti dintate sunt mecanisme cu raport de transmitere constant, formate din roti dintate montate fix pe arbori intr-o carcasa inchisa.
Clasificarea reductoarelor se face dupa tipul angrenajului, dupa pozitia arborilor si dupa numarul de trepte.
Dupa tipul angrenajului reductoarele pot fi:
- cilindrice (fig. 1.1.a,d,f,i,j,k);
- conice (fig.1.1.b);
- elicoidale;
- melcate (fig.1.1.c);
- pseudoconice;
- combinate - conice-cilindrice (fig.1.1.h,l);
- melcate-cilindrice;
- Planetare (fig.1.1.m).
Dupa pozitia arborilor, reductoarele pot fi:
- orizontale;
- verticale;
- inclinate.
Dupa numarul de trepte reductoarele pot fi:
- cu o treapta;
- cu doua trepte;
- cu mai multe trepte.
Tipul de reductor se alege in functie de pozitia relativa a axelor geometrice ale arborilor de intrare si de iesire din reductor, iar numarul de trepte se alege in functie de raportul de transmitere total, determinat de conditiile de functionare.
Proiectarea reductoarelor se face astfel incat acestea sa respecte urmatoarele conditii:
- rotirea arborilor in ambele sensuri;
- sarcina constanta sau variabila;
- functionare continua sau intermitenta;
- viteza periferica
- max. 20 m/s pentru angrenaje cilindrice;
- max. 16 m/s pentru angrenaje conice.
Obiectul prezentului proiect il constituie proiectarea organelor de masini ale unui sistem de transmisii mecanice cu urmatoarele caracteristici:
- transmisie prin curele trapezoidale inguste STAS 7192/2-83;
- reductor de turatie 2KC 11H-001-00 STAS 6848-87;
- arborii transmisiei prin curele rezemati pe lagare indepen-dente;
- legatura dintre motorul electric si reductor, respectiv reductor si masina de lucru, realizata prin cuplaje elastice cu bolturi ;
- actionarea se va realiza cu un motor electric iar masina de lucru va fi un amestecator de produse petroliere.
Scopul proiectului este formarea, pentru viitorii ingineri mecanici, a deprinderilor de proiectare, precum si aprofundarea cunostintelor dobandite la cursul “Organe de Masini”.
CAPITOLUL 1
PROIECTAREA SCHEMEI CINEMATICE
Prin tema de proiectare se cere sa se proiecteze un sistem de transmisii format din:
a) Transmisie prin curele trapezoidale inguste STAS 7192/2-83;
b) Reductor de turatie 2KC 11H-001-00 STAS 6848-87.
Sistemul proiectat trebuie sa indeplineasca urmatoarele conditii:
a) Arborii transmisiei prin curele vor fi rezemati pe lagare independente.
b) Legatura dintre motorul electric si reductor, respectiv reductor si masina de lucru se realizeaza prin cuplaje elastice cu bolturi STAS 5982/1-84.
Caracteristicile tehnice ale sistemului de transmisii ce urmeaza a fi proiectat sunt urmatoarele:
Actionare cu motor electric;
Masina de lucru: amestecator fluid de foraj;
Puterea motorului: Pm=19 KW;
Turatia motorului: nm=1500 rot/min;
Raportul de transmisie al transmisiei prin curele: ic=1,2;
Raportul de transmisie al reductorului: ir=10.
Din STAS 6848-87 se determina semnificatia simbolului reductorului 2KC 11H-001-00:
2 – reprezinta numarul de trepte al reductorului;
K – reprezinta simbolul primei trepte de angrenare – angrenaj conic;
C – reprezinta simbolul celei de-a doua trepte de angrenare – angrenaj cilindric;
1(primul) – cele doua axe ale rotilor angrenajului conic sunt orizontale (fig. 1.1.a );
1(al doi-lea) – reprezinta pozitia relativa a rotilor angrenajului cilindric (fig. 1.1.b);

Fig.1.1.
H – reductorul are axele arborilor de intrare si de iesire sunt in acelasi plan orizontal;
0(primul) – reprezinta faptul ca lagarele arborilor sunt prevazute cu rulmenti;
01 – flansa de fixare a carcasei pe fundatie este in partea inferioara (fig. 1.2.a);
00 – simbolizarea pozitiei arborilor de cuplare (fig. 1.2.b)

Fig.1.2.
Prin tema de proiectare se cere ca arborii transmisiei prin curele sa fie rezemati pe lagare independente.
Tot prin tema de proiectare se cere ca legatura dintre motorul electric si transmisia prin curele, precum si si dintre aceasta si reductorul de turatie si dintre reductorul de turatie si masina de lucru, sa se faca prin cuplaje elastice cu bolturi.
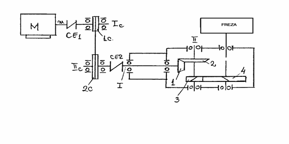
Avand in vedere aceste cerinte, schema cinematica a sistemului de transmisii va fi cea din fig.1.3.
Fig.1.3.
CAPITOLUL 2
CONSTRUCTIA SI FUNCTIONAREA SISTEMULUI DE TRANSMISIE
2.1.Constructia sistemului de transmisie
Sistemul este format din:
Sistemul de transmisie cu curele trapezoidale STAS 7192/2-83;
Reductor cu doua trepte 2 KC 11H-001-00 STAS 6848-87;
Cuplaje elastice intre elemente, realizate cu bolturi STAS 5982/1-84.
Rotile de curea 1c si2c sunt montate pe arborii Ic si IIc. Acestia sunt fixati in lagare independente cu ajutorul rulmentilor. Pinionul conic 1 este fixat pe arborele I si poate fi executat dintr-o bucata cu acesta sau fixat cu pana paralela. Roata conica 2 este fixata cu ajutorul penelor paralele pe arborele II. Pe acelasi arbore este fixat si pinionul cilindric cu dinti inclinati 3. Acesta poate fi executat dintr-o bucata cu arborele sau poate fi fixat cu pene paralele. Roata cilindrica cu dinti inclinati 4 este montata cu pana paralela pe arborele III care este si arbore de iesire. Arborii I, II si III sunt fixati in lagare cu ajutorul.
2.2. Functionarea sistemului de transmisie
Motorul electric produce energia mecanica necesara pentru actionarea masinii de lucru. Energia de la arborele motorului este transmisa la arborele 1c prin intermediul cuplajului elastic CE1. Apoi energia este transmisa prin intermediul curelei trapezoidale la roata de curea 2c. Prin intermediul penei paralele, roata de curea transmite miscarea la arborele IIc , iar acesta la randul sau o transmite la arborele I prin intermediul cuplajului elastic CE2. Arborele I antreneaza pinionul 1 datorita asamblarii cu pana paralela sau, direct, in cazul in care aceasta este executata din aceeasi bucata cu arborele.
Miscarea se transmite mai departe la arborele II prin intermediul angrenajului conic cu dinti drepti , compus din pinionul 1 si roata 2. De la arborele II la arborele III, miscarea este transmisa prin intermediul angrenajului cilindric cu dinti inclinati, compus din pinionul 3, fixat pe arborele II si roata 4, fixata pe arborele III. Arborele III este antrenat prin intermediul penei paralele transmitand astfel mai departe energia catre masina de lucru (in cazul de fata – amestecator de produse petroliere), prin intermediul cuplajului elastic CE3.
CAPITOLUL 3
ALEGEREA MOTORULUI ELECTRIC
Actionarea sistemului de transmisie se realizeaza cu ajutorul unui motor electric asincron, trifazat, curotorul in scurt-circuit, in constructie antiexploziva, antideflagranta, tip ASA-180L-4, care are urmatoarele caracteristici:
-Pm= 22 [kW];
-nm= 1460 [rot/min];
-h= 89,85
-cosj= 0,827;
-In= 46,2 [A];
-
-
=6,6;
-
=2,43;
Schita motorului, cu principalele dimensiuni , este data in figura 3.1.

fig. 3.1.
CAPITOLUL 4
CALCULUL UNOR MARIMI CINEMATICE SI DINAMICE
4.1. Calculul rapoartelor de transmitere.
- Raportul de transmitere al transmisiei prin curele este:
iC=1,2
- Raportul de transmitere al reductorului de turatie este:
iR=10
- Raportul total de transmitere al sistemului de transmisii este:
iT=iC x iR=1,2 x 10=12
Pentru a imparti raportul de transmitere al reductorului de turatie pe treptele de reducere, se pot utiliza diferite criterii de optimizare.
Se admite pentru treapta I-a de reducere (angrenajul conic):
i1,2=2,8
Raportul de transmitere al treptei a II-a de reducere (angrenajul cilindric cu dinti inclinati):
4.2. Determinarea numarului de dinti al rotilor dintate.
La angrenajele conice cu dinti drepti, executate din oteluri de imbunatatire, se recomanda ca numarul de dinti al pinionului sa fie:
Z1=15……25
Se admite: z1=21 dinti;
Numarul de dinti al rotii conice conduse este:
Z2=u1,2 x z1=2,8 x
21=58,8, unde u1,2=
=2,8
Se admite: z2=59 dinti;
Numarul maxim de dinti al pinionului angrenajului cilindric cu dinti inclinati, executat din oteluri de imbunatatire, se calculeaza cu relatia:
; unde
Se admite
b - unghiul de inclinare al dintilor. Pentru roti din oteluri de imbunatatire se recomanda b=10 -20
Se admite b=10
Pentru 35< z3max < 45 se recomanda z3= 26…28
Se admite z3= 28 dinti
Numarul de dinti al rotii cilindrice conduse este:
Se admite z4=100 dinti.
4.3. Recalcularea rapoartelor de transmitere
Raportul de transmitere al angrenajului conic este:
Raportul de transmitere al angrenajului cilindric cu dinti inclinati este:
Raportul de transmitere al reductorului este:
4.4. Calculul turatiilor rotilor sistemului de transmisie
Turatia rotii de curea conducatoare:
Turatia rotii de curea condusa:
Turatia pinionului conic:
Turatia rotii conice conduse:
Turatia rotii cilindrice cu dinti inclinati, conduse:
4.5. Calculul vitezelor unghiulare ale rotilor
Viteza unghiulara se calculeaza cu relatia:
Turatiile si vitezele unghiulare ale rotilor sunt date in tabelul 4.1.
Tabelul 4.1.
|
Roata |
n,1c |
2c,1 |
2,3 |
4 |
|
Marimea |
|
|
|
|
|
n [rot/min] |
1460 |
1217 |
433 |
121 |
|
w [rad/s] |
153 |
127 |
45 |
13 |
4.6. Calculul randamentelor sistemului de transmisii
Randamentul curelei trapezoidale:
Se
recomanda:
Se admite:
Randamentul rulmentilor:
Se recomanda:
Se admite:
Randamentul transmisiei prin curele trapezoidale este:
Randamentul angrenajului conic cu dinti drepti:
Se recomanda:
Se admite:
Randamentul angrenajului cilindric cu dinti inclinati:
Se recomanda:
Se admite:
Randamentul reductorului de turatie va fi:
Randamentul total al sistemului de transmisie va fi:
unde
- randamentul cuplajului elastic cu bolturi
4.7. Calculul puterilor nominale la rotile sistemului de transmisie
Puterea la roata conducatoare:
Puterea la roata de curea condusa:
Puterea la pinionul conic:
Puterea la roata dintata conica:
Puterea la pinionul cilindric cu dinti inclinati:
Puterea la roata dintata cilindrica:
4.8. Determinarea puterilor de calcul la rotile sistemului de transmisie
Puterea de calcul se determina cu relatia:
unde
- coeficient de suprasarcina
si soc.
Pentru
masina de lucru utilizata, si anume amestecator de produse petroliere, datorita
functionarii fara socuri, se recomanda
Datorita acestui fapt valorile puterilor de calcul vor fi egale cu valorile puterilor nominale.
4.9. Calculul momentelor de torsiune nominbale la roti
Momentele de torsiune se calculeaza cu relatia:
4.10. Determinarea momentului de torsiune de calcul la roti
Momentul de torsiune de calcul se determina cu relatia:
Pentru masina de lucru data (amestecator de produse
petroliere) se admite
In acest caz valoarea momentelor de torsiune de calcul va fi egala cu valoarea momentelor de torsiune nominale.
Puterile nominale si de calcul sunt date in tabelul 4.2.
Tabelul 4.2.
|
Roata |
m1 |
1c |
2c |
1 |
2 |
3 |
4 |
|
Marimea |
|||||||
|
Pc=P[Kw] |
22 |
21,67 |
20,8032 |
20,39 |
19,78 |
19,68 |
19,385 |
|
Mt=Mtc [Nm] |
143,904 |
141,745 |
163,25 |
160 |
436,26 |
434,051 |
1529,973 |
CAPITOLUL 5
CALCULUL TRANSMISIEI PRIN CURELE TRAPEZOIDALE
Calculul transmisiei prin curele trapezoidale se executa conform STAS 1163-71.
5.1. Date initiale de proiectare
1. Puterea nominala la roata conducatoare:
2.Turatia rotii de curea conducatoare:
3. Raportul de transmitere:
4. Regimul de lucru al transmisiei:
Actionarea este asigurata de un motor electric asincron;
Masina de lucru este un amestecator de produse petroliere;
Numarul de schimburi de lucru in 24 ore – 1 schimb de 8 ore.
5.2. Calculul elementelor constructive si functionale ale transmisiei
1. Tipul curelelor:
Din STAS 1163-71, pentru P1c=21,67 [KW} si n1c=1460[rot/min], se alege curea trapezoidala ingusta tip SPA cu Dp1=90…250 [mm].
2. Diametrul primitiv al rotii de curea conducatoare :
Se admite Dp1=200 [mm]
3.Diametrul primitiv al rotii de curea conduse:
Schema cinematica a transmisiei prin curele, cu principalele elemente geometrice este data in figura 5.1.

Fig.5.1.
4. Distanta dintre axe:
Se recomanda:
Se admite:
5. Unghiul dintre ramurile curelei:
Acesta se calculeaza cu formula:
6. Unghiul de infasurare la roata mica de curea:
8. Lungimea primitiva a curelei:
Din STAS 1163-71 se
alege:
9. Recalcularea distantei dintre axe:
10. Viteza periferica a curelei:
11. Coeficientul de functionare:
Se admite: cf= 1,5 conform STAS1163-71;
Coeficientul de lungime:
Se admite: cl=0,95 conform STAS1163-71;
Coeficientul de infasurare:
Se admite: cb=0,99 conform STAS1163-71;
12. Puterea nominala transmisa de o curea:
Pentru: - Dp1=200 [mm];
n1=1460 [rot/min];
c=1,2
Prin interpolare liniara se obtine: P0=8,5 [kW].
13. Numarul de curele preliminar:
14. Numarul definitiv de curele:
; Se admite: z=5.
15. Coeficientul numarului de curele: se alege conform STAS 1163-71.
cz= 0,9
16. Numarul de roti ale transmisiei: 2 roti.
17. Frecventa incovoierilor curelei:
18. Forta periferica transmisa:
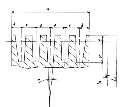
Schita rotilor de curea, impreuna cu principalele dimensiuni este data in fig. 5.2. si in tabelul 5.3.(conform STAS 1162-84):

Fig. 5.2.
Tabelul 5.3.
|
Diametrul |
Roata |
|
|
|
1c |
2c |
|
Dp |
250 |
400 |
|
De |
256,6 |
406,5 |
|
Di |
228 |
378 |
CAPITOLUL 6
CALCULUL DE REZISTENTA AL ORGANELOR DE MASINI ALE REDUCTORULUI
6.1. Calculul angrenajului cilindric cu dinti inclinati
1. Date de proiectare:
1.1. Puterea nominala la roata conducatoare:
P3=19,68[kW]
1.2. Turatia pinionului:
n3=433[rot/min]
1.3. Raportul de angrenare:
1.4. Numarul de dinti al:
- pinionului: z3=28 dinti
- rotii: 100 dinti
1.5. Unghiul de inclinare al dintilor:
b= 10
1.6. Durata minima de functionare a angrenajului:
Se recomanda: Lh=15000…..20000 ore
Se admite Lh=19000 ore
1.7. Conditiile de functionare ale angrenajului:
masina motoare – motor electric asincron cu rotorul in scurt-circuit;
masina de lucru – amestecator de fluid de foraj;
caracterul sarcinii – uniforma.
1.8. Numarul de roti cu care angreneaza:
pinionul: c3=1
roata: c4=1
1.9. Profilul cremalierei de referinta:
- unghiul de presiune de referinta normal:
an=20
coeficientul normal al inaltimii de referinta a dintelui:
h*an=1.0
coeficientul normal al jocului la capul dintelui:
c*n=0,25
3. Alegerea materialelor si a tensiunilor limita:
3.1. Pentru executia rotilor dintate se alege ca material otelul OLC45, care are urmatoarele caracteristici mecanice:
HB=170 200.
Se admite HB=HB3=HB4=185
sr=610 730 [N/mm2].
Se admite sr3 sr4=685[N/mm2]
s02 sc=370[N/mm2]
3.2. Tensiunile limita ale materialului vor fi:
Tensiunea limita pentru solicitarea de contact:
sHlim3 sHlim4=570[N/mm2]
Tensiunea limita pentru solicitarea de incovoiere a dintilor:
sFlim3 sFlim4=460[N/mm2]
3. Calculul de predimensionare a angrenajului
3.1. Numarul de dinti al :
pinionului: z3=28
rotii: z4=100
3.2. Raportul de angrenare:
3.3.Numarul critic de dinti al pinionului:
Se admite:
3.3.1. Factorul de elasticitate al materialului rotilor:
Din
anexa 25 (pag. 412):
3.3.2. Factorul de inclinare a dintilor pentru solicitarea de contact:
3.3.3. Factorul zonei de contact:
3.3.4. Tensiunea admisibila pentru solicitarea de incovoiere:
Numarul de cicluri de functionare:
- al
pinionului:
- al
rotii:
Factorul durabilitatii pentru solicitarea de incovoiere
YN3=YN4=1, pentru NL3=NL4>NBF=3x106 cicluri
Numarul de dinti ai rotilor de inlocuire
Factorul de corectie a tensiunii de incovoiere de la baza dintelui
Din anexa 18 (pag. 411),
pentru zn3=28,87 si xn3=0 T YSa3=1,58
pentru zn4=104,7 si xn4=0 T YSa4=1,8
Factorul relativ de sensibilitate al materialului la concentratorul de tensiuni de la baza dintelui
Din anexa 14 (pag. 402),
pentru YSa3=1,58 si s02=690[N/mm2] TYd3=0,97
Tensiunea admisibila la solicitarea de incovoiere este:
3.3.5. Tensiunea admisibila la solicitarea de contact a flancurilor
, unde:
Factorul raportului duritatii flancurilor Zw (anexa 12, pag. 402):
Pentru ambele roti, cu duritatea flancurilor HB 350
T Zw=1
Factorul durabilitatii pentru solicitarea de contact (anexa 13, pag. 406)
Pentru oteluri de imbunatatire, si NL3,NL4>NBH=5x107
T ZN3=ZN4=1
T
T sHP=495,9 [N/mm2]
Din anexa 6, pag. 389, pentru xn3=0 si zn3crYFa3YSa3=467,906
T Numarul critic de dinti al rotii echivalente:
zn3cr=107,51
T Numarul critic de dinti al pinionului va fi:
3.4. Criteriul sigurantei in functionare a angrenajului
Deoarece z3=28<z3cr=102,68, solicitarea la presiune de contact a flancurilor este mai restrictiva decat solicitarea la incovoiere a dintilor.
3.5. Distanta dintre axe
Din conditia de rezistenta la presiune de contact a flancurilor se calculeaza:
coeficientul de latime al danturii (din anexa 19 pag. 413 pentru reductoare cu doua trepte):
pentru treapta a II-a: ya= 0,35….0,45
Se admite: ya= 0,45
coeficientul regimului de functionare (din anexa 1, pag. 372, pentru amestecator produse petroliere, actionat electric):
KA=1,25
Din STAS 6055-80 se alege distanta dintre axe standardizata :
aw= 250 mm
Modulul danturii este :
se admite mn=4 mm
Se admite Xn3=0,4 ; Xn4=0,6.(varianta B)
4.Calculul elementelor geometrice ale angrenajului
4.1. Date initiale privind definirea geometrica a danturilor angrenajului:
1. Numerele de dinti:
Z3=28
Z4=100
2. Modulul normal:
Mn=4 [mm]
3. Unghiul de inclinare de divizare:
b=10
4. Elementele profilului de referinta (conform STAS 821-82)
unghiul de presiune de referinta normal: an=20
coeficientul normal al capului de referinta: han*=1,0;
coeficientul normal al jocului la capul dintelui:c*=0,25.
5.Coeficientii normali ai deplasarilor de profil:
xn3=0,4
xn4=0,6
6. Coeficientul frontal al deplasarii profilului:
7. Coeficientul normal al deplasarilor de profil insumate:
8. Coeficientul frontal al deplasarilor de profil insumate:
9. Distanta intre axe de referinta:
10. Unghiul de presiune de referinta frontal:
11. Involuta unghiului de presiune de referinta frontal:
12. Involuta unghiului de angrenare frontal:
13. Unghiul de angrenare frontal:
14. Distanta dintre axe:
4.3. Calculul elementelor geometrice ale rotilor si angrenajului
15. Modulul frontal:
16. Diametrele de divizare:
17. Diametrele de rostogolire:
18. Coeficientul normal de modificare a distantei dintre axe
19. Coeficientul normal de modificare a jocului la capul dintelui:
20. Diametrul de picior:
21. Inaltimea de referinta a dintelui:
22. Inaltimea dintelui scurtat:
23. Diametrul de cap de referinta:
24. Diametrul de cap scurtat:
25. Diametrul cercului de baza:
26. Unghiul de inclinare pe cilindrul de baza:
27. Unghiul de inclinare pe cilindrul de rostogolire:
28. Unghiul de angrenare normal:
29. Pasul normal:
30. Pasul frontal:
31. Latimea rotilor:
se admite: b4=120[mm]
b3=b4+(5…10)mm;
se admite: b3=120+6=126[mm]
`Schita angrenajului este data in fig.6.1, iar schitele pinionului si rotii dintate sunt date in fig. 6.2.

fig. 6.1

fig.6.2.
4.4. Calculul gradelor de acoperire:
1. Gradul de acoperire frontal:
2. Gradul de acoperire suplimentar:
3. Gradul de acoperire total:
4.5. Calculul elementelor geometrice ale angrenajului echivalent:
1. Numerele de dinti ale rotilor echivalente:
2. Diametrele de divizare:
3. Diametrele cercurilor de cap:
4. Distanta dintre axe:
5. Diametrele cercurilor de baza:
6. Gradul de acoperire:
5. Calculul de verificare a tensiunilor:
1. Viteza periferica pe cercul de divizare:
2. Alegerea treptei de precizie si a tehnologiei de executie a rotilor dintate:
Din anexa 21(pag. 44), pentru reductoare de uz general, dantura inclinata si 2<v<5 m/s, se alege treapta a 8-a de precizie.
3. Alegerea rugozitatii flancurilor si a zonei de racordare:
Din anexa 22 (pag, 415), pentru frezarea ingrijita a danturii, cu freza melc, rugozitatea flancurilor se alege:
Ra3=Ra4=0,8 mm
Rugozitatea zonei de racordare va avea o valoare imediat superioara, adica:
Ra3=Ra4=1,6 mm
4. Alegerea lubrefiantului:
Din anexa 23 (pag,415), pentru otel cu sr<1000 N/mm2 si 2,5<v<5, se alege uleiul TIN 125 EP,care are viscozitatea n=125 mm2s-1.
5. Tensiunea efectiva de contact dintre flancuri:
Factorul de elasticitate al materialului rotilor (din anexa 25,pag. 412, pentru otel laminat):
ZE=189,8
Factorul zonei de contact pentru verificare (tabelul 1.1, pag. 357)
Factorul gradului de acoperire (tabelul 1.1, pag.358), pentru:
solicitarea de contact, pentru eb=1,6582
solicitarea de incovoiere, pentru dinti inclinati
Factorul inclinarii dintilor (tabelul 1.1, pag.356), pentru solicitarea:
de contact:
de incovoiere:
Deoarece
, se admite
Intrucat
, se admite
Factorul regimului de functionare:
KA=1,25
Factorul dinamic (anexa 2, pag. 357):
Daca eb 1, se alege din figura A 2.2, pag. 374, pentru
si treapta a 8-a de precizie, rezulta:
KV=1,05
Factorul de forma al dintelui (anexa 17, pag.408):
YFa3=2,18, pentru zn3=29,21 si xn3=0,4
YFa4=2,06, pentru zn4=104,32 si xn4=0,6
Factorul de corectie a tensiunii de incovoiere de la baza dintelui (anexa 18, pag. 411):
YSa3=1,8, pentru zn3=29,21 si xn3=0,4
Ysa4=1,94, pentru zn4=104,32 si xn4=0,6
Factorul de repartizare a sarcinii pe latimea dintilor (anexa 3 pag.381), pentru:
solicitarea de contact:
Pentru
si duritatea flancurilor <350 HB,
Din fig. A.3.2.a, curba 4, rezulta: KHb=1,05.
solicitarea de incovoiere:
Din
fig. A.3.2.b, curba 4, pentru
rezulta: KFb=1,1.
Factorul de repartizare a sarcinii in plan frontal pe perechile de dinti aflati simultan in angrenare (anexa 4, pag. 385), conform DIN 3990-70 pentru:
solicitarea de contact:
unde qa este un factor auxiliar. Pentru roti cu duritati < 350HB:
Din anexa 2, pag. 377, pentru treapta a 8-a de precizie, diametrul d4=406,1706, modulul mn=4 mm, abaterea efectiva a pasului de baza este: fbpr=fpb4=26 mm.
Forta tangentiala este :
. Se admite
solicitarea de incovoiere:
KFa=qa x ea pentru ea=1,4736 < 2 si
qa=1 >
KFa=1 x 1,4736= 1,4736
Tensiunea efectiva de contact este:
6.Tensiunea efectiva de incovoiere de la baza dintilor:
- pinionului:


rotii:
![]()
7. Tensiunea admisibila (tabelul 1.2, pag. 389), pentru solicitarea:
- de contact:
![]()
- de incovoiere:
![]()
Factorul raportului duritatilor flancurilor (anexa 12, pag, 402)
Zw=1, pentru ambele roti cu duritati 350HB
Factorul rugozitatii flancurilor pentru solicitarea:
- de contact:
, unde
![]()
![]()

Din anex 10, pag. 400, pentru Rz100=3,8 si sHlim < 850[N/mm2], rezulta:
ZR=1
- de incovoiere:
Rugozitatea zonei de racordare Ra3=Ra4=1,6 mm
Rz3=Rz4=6Ra3=6x1,6=9,6 mm
Pentru Rz3=Rz4=9,6 mm si oteluri imbunatatite vom avea
YR3=YR4=1
Factorul de viteza pentru solicitarea de contact (anexa 11, pag. 401), pentru v = 2,578 m/s si duritatea flancurilor sHlim1 sHlim2< 850 N/mm2:
ZV=0,95
Factorul de marime pentru solicitarea:
- de contact (tab. 1.2, pag. 360):
ZX=1
- de incovoiere (anexa 15, pag. 401, pentru mn= 3,5mm siotel imbunatatit):
YX3=YX4=1
Factorul relativ de sensibilitate a materialului la concentratorul de tensiuni de la baza dintelui (anexa 14, pag. 402):
Yd3=1,01, pentru YSa3=1,8 si otel cu s02=370 N/mm2
Yd4=1,03, pentru YSa4=1,94 si otel cu s02=370 N/mm2
Factorul durabilitatii (anexa 13, pag. 404), pentru:
- solicitarea de contact:
ZN3=ZN4=1, pentru NL3,NL4 > NBH=5x107 cicluri
- solicitarea de incovoiere:
YN3=YN4=1, pentru NL3,NL4 > NBF=3x106 cicluri
Factorul de ungere(anexa 9, pag. 400)
ZL=1,03,pentru otel cu sHlim < 850 N/mm2 si viscozitatea
n = 125 mm2s-1
Coeficientii de siguranta pentru solicitarea:
- de contact: SHmin=1,15
- de incovoiere: SFmin=1,25
Tensiunea admisibila pentru solicitarea de contact:
![]()
![]()
![]()
Tensiunea admisibila pentru solicitarea de incovoiere:
- a pinionului:
![]()
- a rotii:
![]()
sH=439,101 [N/mm2] < sHP=484,996 [N/mm2]
sF3=70,64 [N/mm2] < sFP3=371,68 [N/mm2]
sF4=75,54 [N/mm2] < sFP4=379,04 [N/mm2]
6.2. Calculul angrenajului conic cu dinti drepti
1. Date de proiectare:
1.1. Puterea nominala la roata conducatoare:
P1=20,39 [kW]
1.2.Turatia pinionului:
n1=1217 [rot/min]
1.3. Raportul de angrenare:
u1,2=2,81
1.4. Numarul de dinti al:
- pinionului: z1=21 dinti
- rotii: z2= 59 dinti
1.5. Durata minima de functionare a angrenajului:
Se recomanda Lh=15000….20000 [ore]
Se admite Lh=19000 [ore]
1.6. Conditiile de functionare ale angrenajului:
- masina motoare: motor electric asincron cu rotorul in scurt-circuit;
- masina de lucru: amestecator fluid de foraj;
- caracterul sarcinii: uniforma.
1.7. Numarul de roti cu care angreneaza roata:
- conducatoare: c1=1
- condusa: c2=1
1.8. Profilul cremalierei de referinta:
unghiul de presiune de referinta: a=20
coeficientul inaltimii capului de referinta: ha*=1,0;
coeficientul jocului la capul dintelui: c*=0,25.
2. Alegerea materialelor si a tensiunilor limita:
2.1. Pentru executia rotilor dintate se alege ca material otelul OLC45, cu urmatoarele caracteristici mecanice:
HB=170…200; Se admite HB=185=HB1=HB2=185
sr=610…730[N/mm2]; Se admite sr1 sr2=685[N/mm2]
2.2.Tensiunile limita ale materialului vor fi:
- Tensiunea limita pentru solicitarea de contact:
sHlim1 sHlim2=570 [N/mm2]
- Tensiunea limita pentru solicitarea de incovoiere a dintilor:
sFlim1 sFlim2=460 [N/mm2]
3. Calculul de predimensionare a angrenajului
3.1. Numarul de dinti al:
pinionului: z1=21 dinti
rotii: z2=59 dinti
3.2. Raportul de angrenare:
u1,2=2,81
3.3. Numarul critic de dinti al pinionului:

Factorii din relatia de mai sus se iau conform tabelului 1.1, pag. 356.
3.3.1.
Factorul de elasticitate al materialului rotilor (anexa 25, pag. 412):![]()
3.3.2. Factorul zonei de contact:
![]()
3.3.3. Factorul de repartizare a sarcinii pe latimea dintelui pentru solicitarea:
- de contact:
KHb=1,15….1,35 (tab.1.1, pag. 358)
Se admite KHb=1,25
- de incovoiere:
KFb=1,2….1,45
Se admite KFb=1,35
3.3.4. Tensiunea admisibila pentru solicitarea de incovoiere a dintilor, pentru calculul de predimensionare, se calculeaza cu relatia:
![]()
numarul de cicluri de functionare:
- al pinionului:
cicluri
- al rotii:
cicluri
factorul durabilitatii pentru solicitarea de incovoiere:
YN1=YN2=1, pentru NL1,NL2 > NBF=3x106 cicluri
semiunghiul conului de rostogolire:
![]()
![]()
numarul de dinti al rotilor virtuale:
![]()
![]()
Factorul de corectie a tensiunii de incovoiere de la baza dintelui. Din anexa 18, pag. 411, pentru zn1=22,29 T YSa1=1,56, iar pentru zn2= 175,975 T YSa2=1,84.
Factorul relativ de sensibilitate a materialului la concentratorul de tensiuni de la baza dintelui.
Din anexa 14, pag. 402, pentru YSa1=1,56 si s02=370 N/mm2
T Yd1=0,97.
Pentru YSa2=1,84 si s02=370 N/mm2
T Yd2=1,01.
Tensiunea admisibila la solicitarea de incovoiere este:
![]()
![]()
3.3.5. Tensiunea admisibila la solicitarea de contact a flancurilor:
, unde:
![]()
Factorul raportului duritatii flancurilor (anexa 12, pag. 402):
ZW=1, pentru HB 350
Factorul durabilitatii pentru solicitarea de contact. Din anexa 13, pag.406, pentru oteluri de imbunatatire si NL1,NL2 > NBH=5x107 cicluri:
ZN1=ZN2=1
=![]()

![]()
Din anexa 6, pag. 389, pentru x1=0 si Zn1crYSa1YFa1=339,46
T numarul critic de dinti al rotii virtuale.
zn1cr=87,189
Numarul critic de dinti al pinionului este:
![]()
3.4. Criteriul sigurantei in functionare a angrenajului
Deoarece Z1=21 < Z1cr=82,142 T solicitarea la presiune de contact a flancurilor este mai restrictiva decat solicitarea la incovoiere a dintilor.
3.5. Generatoarea exterioara a conului de divizare
Din conditia de rezistenta la presiune de contact a flancurilor se calculeaza astfel:

Coeficientul de latime al danturii(anexa 19, pag 413)
Pentru danturi conice drepte, supuse la solicitari cu socuri mici, se recomanda YR=0,25….0,3
Se admite YR= 0,25
Coeficientul regimului de functionare (anexa 1, pag. 372):
Pentru amestecator fluid de foraj, actionat de motor electric:
KA=1,25
Factorul dinamic(tabelul 1.1, pag. 358):
KV=1,1…1,2;Se admite KV=1,13
T
Modulul danturii va fi:

Din STAS 822-82 se admite mn=6 [mm].
4. Calculul elementelor geometrice ale angrenajului.
4.1. Date intiale privind definirea geometrica a danturilor si angrenajului:
1. Numerele de dinti:
Z1=21
Z2=59
2. Modulul:
m=6[mm]
3. Elementele profilului de referinta:
- unghiul de presiune de referinta: a=20
- coeficientul capului de referinta: ha*=1,0;
- coeficientul jocului la capul dintelui: c*=0,25.
4.2. Calculul elmentelor geometrice ale angrenajului:
4. Diametrele cercurilor de divizare:
![]()
![]()
5. Lungimea exterioara a generatoarei conului de divizare:
![]()
6. Inaltimea capului dintelui:
![]()
7. Inaltimea piciorului dintelui:
![]()
8. Inaltimea dintelui:
![]()
9. Diametrele cercurilor de cap:
![]()
![]()
10. Diametrele cercurilor de picior:
![]()
![]()
11. Unghiul capului dintelui:
![]()
![]()
12. Unghiul piciorului dintelui:
![]()
![]()
13. Semiunghiul conului de cap:
![]()
![]()
14. Semiunghiul conului de picior:
![]()
![]()
15. Inaltimea exterioara a conului de cap:
![]()
![]()
16. Distanta de asezare:
L1 si L2 se stabilesc constructiv, prin desenarea angrenajului:
L1=
L2=
17. Distanta de cap:
![]()
![]()
18. Lungimea dintilor rotilor:
![]()
Se admite b1=b2=48 [mm]
19. Lungimea generatoarei exterioare medii:
![]()
20. Diametrul de divizare mediu:

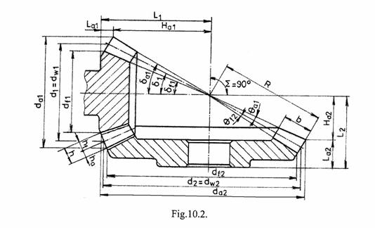
Schita angrenajului este data in figura 6.3, iar schitele pinionului si a rotii dintate sunt date in figura 6.4.
fig.
6.3


fig. 6.4.
Dimensiunile angrenajului sunt urmatoarele:
R=186,4785 [mm];
ha=6 [mm];
hf=7,5 [mm];
b1=b2=48 [mm];
a1= [mm];
a=52 [mm];
d1=(1,6…1,8)d; se admite d1=1,8d =94 [mm];
d=m z2=316 [mm];
Se admite D1=102 [mm];
d2=40 [mm];
s= (3-4)m; se admite s=3,5m=3,5x4=14 [mm]
4.4. Calculul elementelor geometrice ale angrenajului de inlocuire
1. Numarul de dinti al rotilor virtuale (de inlocuire)
![]()
![]()
2. Diametrele de divizare
dv1=m zv1=6x22,29=133,74 mm
dv2=m zv2=6x175,975=1055,85 mm
3. Diametrele cercurilor de cap
dav1=dv1+2 m ha*=133,74+2x6x1,0=145,74 mm
dav2=dv2+2 m ha*=1055,85+2x6x1,0=1067,85 mm
4. Diametrele cercurilor de baza
dbv1=dv1 cosa=133,74 cos20 o=125,6745 mm
dbv2=dv2 cosa=1055,85 cos20 o=992,1745 mm
5. Distanta dintre axe
![]()
6.Gradul de acoperire al angrenajului virtual

![]()
![]()
7. Distanta dintre axe a angrenajului virtual mediu

5. Calculul de verificare a tensiunilor
1.Viteza periferica pe cercul de divizare
![]()
2. Alegerea treptei de precizie si a tehnologiei de executie a rotilor dintate
Din anexa 21 pag. 414 pentru reductoare de uz general , dantura dreapta si viteza v=7,025 m/s se alege treapta a 6-a de precizie.
Prelucrarea se face prin rectificare.
3. Alegerea rugozitatii flancurilor si a zonei de racordare
Din anexa 22 pag. 415 pentru mortezarea danturii, rugozitatea flancurilor se alege:
Ra1=Ra2=0,4 mm
Rugozitatea zonei de racordare are o valoare imediat superioara, adica este:
Ra1=Ra2=0,8 mm
4. Alegerea lubrefiantului
Lubrifiantul treptei a I-a este acelasi cu cel al treptei a II-a, deci va fi uleiul TIN 125 EP, care are vascozitatea:
n=125 mm2s-1.
5. Tensiunea efectiva de contact dintre flancuri este:

Factorul de elasticitate al materialului rotilor:
ZE=189,8, pentru otel laminat.
Factorul zonei de contact pentru verificare (tabelul 1.1 pag.357) pentru dinti drepti:
![]()
Factorul regimului de functionare:
KA=1,25 (anexa 1 pag. 372).
Factorul dinamic:
Pentru
si treapta a 6- a de precizie se alege KV=1,05
(anexa 2 pag.373).
Factorul de forma al dintelui(anexa17 pag. 408):
YFa1=2,7 pentru ZV1=22,29 si X1=0
YFa2=2,12 pentru ZV2=175,975 si X2=0
Factorul de corectie a tensiunii de incovoiere de la baza dintelui:
YSa1=1,55 pentru ZV1=22,29 si X1=0
YSa2=1,83 pentru ZV2=175,975 si X2=0
(anexa18 pag. 411).
Factorul de repartizare a sarcinii pe latimea dintilor pentru:
solicitarea de contact:
Din anexa 3 pag. 381 pentru oteluri imbunatatite si HB≤350
![]()
se alege KHb=1,01.
solicitarea de incovoiere:
se alege KFb=1,03.
Tensiunea efectiva de contact este:

6. Tensiunea efectiva de incovoiere la baza dintilor
pinionului este:
rotii este:
![]()
7. Tensiunea admisibila pentru solicitarea
de contact:
![]()
de incovoiere:
![]()
(tabelul 1.2 pag. 389)
Factorul raportului duritatii flancurilor
Zw=1 pentru ambele roti cu duritati ≤350 HB (anexa 12 pag. 402).
Factorul rugozitatii flancurilor pentru solicitarea :
de contact:
, unde Rz1=6 Ra1=6x0,4=2,4
mm
Rz2=6 Ra2=6x0,4=2,4mm

Din anexa 10 pag.400 pentru Rz100=1,052 si sH lim=800 N/mm2
Se alege ZR=1,2.
de incovoiere:
Rugozitatea zonei de racordare este Ra1=Ra2=0,8mm
Rz1=Rz2=6Ra1=6x0,8=4,8mm
Pentru Rz1=Rz2=4,8mm si oteluri imbunatatite din anexa 10 pag. 400 se alege YR1=YR2=1,05.
Factorul de viteza pentru solicitarea de contact:
Pentru v=7,025 m/s si sH lim 1 sH lim 2<800 N/mm2 se alege din anexa 11 pag. 401 Zv=0,98.
Factorul de marime pentru solicitarea:
de contact (tab. 1.2 pag.360, pct.2.4)
se alege Zx=1
de incovoiere(anexa 15 pag. 401)
pentru mn=6 mm si OLC 45 se alege Yx1=Yx2=1.
Factorul relativ de sensibilitate al materialului la concentratorul de tensiuni de la baza dintelui(anexa 14 pag. 402)
Yd1=0,96 pentru YSa1=1,55 si otel cu s0,2=370N/mm2
Yd2=1, pentru YSa2=1,83 si otel cu s0,2=370N/mm2
Factorul durabilitatii( anexa 13 pag. 404, tabele A13.1 si A.13.2) pentru oteluri de imbunatatire:
- pentru sollicitarea de incovoiere:
YN1=YN2=1, pentru NL1=NL2 > NBF=3x106 cicluri
- pentru solicitarea de contact:
ZN1=ZN2=1, pentru NL1=NL2 > NBF=5x107 cicluri
Factorul de ungere(anexa 9, pag.400):
ZL=1,03, pentru otel cu sHlim <800 N/mm2 si n=125mm2s-1
Coeficientii de siguranta pentru solicitarea:
- de contact:
SHmin=1,15
- de incovoiere:
SFmin=1,25
Tensiunea admisibila pentru solicitarea de contact va fi:
![]()
Tensiunea admisibila pentru solicitarea de incovoiere:
- a pinionului:
![]()
- a rotii:
![]()
sH=417,305 [N/mm2] < sHP= 600,37[N/mm2]
sF1=65,57 [N/mm2] < sFP1= 370,944[N/mm2]
sF2=60,875 [N/mm2] < sFP2= 386,4[N/mm2]
6.3. Calculul fortelor in angrenajele reductorului
Fortele ce actioneaza asupra angrenajelor reductorului
sunt date in fig.6.5. 
Fig. 6.5.
- Momentele de torsiune la rotile conducatoare sunt:
Mtc1=160 x 103 [N*m]
Mtc3=434,051 x 103 [N*m]
- Fortele in angrenajul conic cu dinti drepti:
Forta normala de angrenare:
, unde:
forta tangentiala ![]()
![]()
Forta radiala:
![]()
Forta axiala:
![]()
Daca se neglijeaza frecarea in cupla cinematica superioara T
Fn2 = Fn1= 3090 N;
Ft2 = Ft1= 2903 N;
Fa2 = Fr1 = 355 N;
Fr2 = Fa1 = 3090 N.
- Fortele in angrenajul cilindric cu dinti inclinati:
Forta tangentiala:
![]()
Forta radiala:
![]()
Forta axiala:
![]()
Forta normala de angrenare:
![]()
Neglijand frecarea in cupla cinematica superioara, dintre dintii rotilor dintate se poate considera:
Fn4 =Fn3 = 8244 [N];
Ft4 = Ft3 = 7536 [N];
Fr4 = Fr3 = 3066 [N];
Fa4 = Fa3 = 1263 [N].
6.4. Calculul unor dimensiuni ale reductorului
Schita sectiunii prin planul de separatie al carcasei reductorului este data in figura 6.6.

fig. 6.6
Principalele dimensiuni ale reductorului sunt:
Distanta de la roata dintata la peretele carcasei:
a = 10…15 [mm]
Se admite a = 15mm
Latimile rotilor:
A1,A2, rezulta constructiv prin desenarea rotilor conice, considerand grosimea obadei:
a1 = (1,5…2,5)m [mm]
Se admite a1=1,5m=1,5x6=9 [mm]
TA1=57 [mm]
A2=36 [mm]
Distanta dintre rotile montate pe acelasi arbore:
c= 10…15 [mm]
Se admite: c= 15 [mm]
Distanta de la marginea rulmentului la marginea carcasei:
l2= 5…10 [mm]
Se admite: l2= 10 [mm]
Grosimea carcasei:![]()
Se admite: ![]()
Diametrul suruburilor de fundatie:
d= (1,5…2)d
Se admite:d=2d=26 [mm]
Diametrul suruburilor de fixare a lagarelor:
d1=0,75d=0,75x26=20 [mm]
Diametrul suruburilor de imbinare a flanselor:
d2=0,5d=0,5x26=13 [mm] se admite M16
Latimea totala a flanselor carcasei:
Schita imbinarii cu surub a flanselor este data in figura 6.7.

Fig. 6.7.
Kt=a+b+d
Pentru suruburi M10 se alege a=30 mm.
b=26 mm
T Kt=30+26+13=69 mm
distanta de la periferia rotii la carcasa:
D=1,2d=1,2x13>15,6
Se admite: D= 20 mm
Latimea rulmentilor arborilor se stabileste facand un calcul de predimensionare a arborilor de intrare si de iesire al reductorului. Astfel:
Pentru arborele de intrare :
Mtc1=Mt1=160x103 [Nxmm]
Din conditia de rezistenta la torsiune :
, unde: ta=(0,6….0,65)sa
Arborele se executa din otelul OLC45, cu:
sc=370 [N/mm2]
sr=670 [N/mm2]
Pentru sr=670 [N/mm2], se admite sa=105,5 [N/mm2]
Se admite ta=0,6sa=0,6x105,5=63,3 [N/mm2]
T
Se admite d=25 [mm]
Din STAS 3920-68 se alege rulmentul radial-axial cu role conice, seria 30305, cu urmatoarele dimensiuni:
T=18,25 [mm];
D=62 [mm];
d=25 [mm];
C=3000 [daN];
C0=2700m [daN];
Se admite B1=T=19 [mm].
Pentru arborele de iesire:
M tc4=M t4=1529,973 [Nm]
Arborele se executa din OLC 45, cu urmatoarele caracteristici:
sc=370[N/mm2]
sr=670[N/mm2]
sa=105,5[N/mm2]
Se admite ta=0,6sa=0,6x105,5=63,3N/mm2.

se admite d=50 mm.
Din STAS 3920 – 68 se alege rulmentul radial axial cu role conice, seria 30310 cu urmatoarele dimensiuni:
d=50 mm
T=29,25 mm
D=110 mm
C=11000 da N
C0=8500 da N.
Se admite B3 T 30mm.
Rulmentii arborelui intermediar au latimea B1< B2 < B3.
Se admite T2=25,25 mm, B2=26 mm, D=90, d=40 mm cu seria 30308.
6.5. Calculul elementelor subansamblului arborelui de intrare al reductorului
6.5.1.Calculul de predimensionare al arborelui:
1. Date initiale:
Mtc1=Mt1=160 [Nm]
![]()
Fr1=Ft1tgacosd1=996 N
Fa1=Ft1tgasind1=355 N
n1= 1217 rot/min
dw1=110,25 mm.
2. Calculul diagramelor de eforturi
l`=2,5…3d. Se admite l`=3x25=75 mm.
a=63 mm.
Schita arborelui impreuna cu diagramele de eforturi este prezentata mai jos in fig. 6.8.
MzB=-(-Ft1xa)=2903x63x10-3=182,889 [Nm]
![]()
SMB=0 -VA l - Ft1 a =0 ![]()
VA=-2438,52 N
![]()
Pr 0YVA+VB+Ft1=0
VB= - Ft1-VA= - 5341,52N
![]()
MBy=HA l`=575,715x75x10-3=43,18 [Nm]
![]()
SMB=0
-Fr1 a + Fa1 dm1/2 +HA l` =0

Din Pr 0zHB= -Fr1 – HA =
-996 –575,715=1571,715N
![]()

Fig.6.8
3.Calculul momentului incovoietor rezultant:
![]()
![]()
3. Calculul momentelor echivalente
Momentul echivalent in B:
![]()
![]()
Arborele se executa din otelul OLC45 care are:
sr=670 N/mm2
sc=370 N/mm2
4. Predimensionarea arborelui
Pe portiunea CA arborele este supus la solicitarea simpla de torsiune.
, ta=40,3[N/mm2]
Se adauga 4% pentru slabirea produsa de canalul de pana.
dc=1,04d=1,04x27,243424=28,33316 mm.
Se admite dc=30 mm.
Pe portiunea AD arborele este supus la solicitarea compusa de incovoiere cu torsiune.
In sectiunea B diametrul este:
, se admite dB=35
mm.
sa=62[ N/mm2].
In sectiunea D, diametrul este:
,
se adauga 4% pentru slabirea produsa de canalul de pana.
dD=1,04 d=1,04x29,8=30,992 mm
Se admite dD=31 mm.
1,8 dD=1,8x31=55,8< da1=137,305 mm.
Pinionul se monteaza cu pana pe arbore.
Se admite dA=dB= 35 mm.
6.5.2. Calculul de dimensionare al penelor paralele
1.Calculul penei in sectiunea C:
Diametrul arborelui in sectiunea C are valoarea dC=24 mm.
Din STAS 1004/81 se alege pana paralela cu urmatoarele dimensiuni:
b=8 mm
h=7 mm
t1=4 mm
t2=3,3 mm.
Schita asamblarii cu pana paralela, cu principalele dimensiuni este data in fig. 6.9.

Fig.6.9.
Din conditia de rezistenta la presiune de contact, se determina lungimea de calcul a penei.
Pana se executa din otelul OL70 cu urmatoarele caracteristici:
sr=700 N/mm2
sc=360 N/mm2
unde c este coeficient de siguranta.
Pentru sarcini dinamice c=34. Se admite c=3,5 .
![]()
![]()
Lungimea totala a penei( pentru pana de forma A) va fi :
l=lc+b=37,03+8=45,03 mm.
Din STAS1004 – 81 se alege lungimea standardizata a penei
lSTAS=50 mm.
Verificarea penei se face la solicitarea de forfecare:
![]()
taf= [0,2 …0,3 ]sc
Se admite taf= 0,2sc=0,2x360=72[N/mm2].
33,333= tf<taf=72 N/mm2.
2. Calculul penei in sectiunea D (la pinionul conic)
Diametrul arborelui in sectiunea D are valoarea dd=31 [mm]
Din STAS1004-81, se alege pana paralela cu urmatoarele dimensiuni:
b=10 [mm]
h=8 [mm]
t1=5 [mm]
t2=3,3 [mm]
Pana se executa din otelul OL 70, cu urmatoarele caracteristici:
sc=360 [N/mm2]
sr=700 [N/mm2]
se admite c=3,5
![]()
Din conditia de rezistenta la presiune de contact se calculeaza lungimea de calcul a penei:
![]()
Lungimea totala a penei va fi:
![]()
Din STAS 1004-81 se alege lungimea standardizata a penei:
lSTAS=40 [mm]
6.6. Calculul elementelor subansamblului arborelui intermediar.
6.6.1. Predimensionarea arborelui.
Date initale:
Ft2=Ft1=2903 [N]
Fr2=Fa1=355 [N]
Fa2=Fr1=996 [N]
Ft3=7536 [N]
Fr3=3066 [N]
Fa3=1329 [N]
Mtc2=Mt2=436,26 437 [N]
dw3=115,2065 [mm]
dm2=i1,2xdm1=2,81x110,25=309,8025 [mm]
n2=433 [rot/min].
Schita arborelui, impreuna cu schema de calcul este data in figura 6.10.

Fig.6.10.
Pentru calculul lui Mz:
![]()
T ![]()
Din proiectia pe OY TVA=Ft3+Ft2-VB=5632,5934 [N]
![]()
![]()
Pentru calculul lui My:
![]()
T
Din proiectia pe OZ T HA=Fr3-Fr2-HB=3066-355-12,72=2698,28 [N]
![]()
![]()
![]()
![]()
Momentele incovoietoare se calculeaza cu relatiile:
![]()
![]()
![]()
![]()
Momentele echivalente vor fi:
![]()
![]()
Momentele maxime vor fi:
![]()
![]()
Arborele se executa din otelul aliat de imbunatatire OLC 45
pentru care :
sr=670 [N/mm2]
sc=370 [N/mm2]
sa=62 [N/mm2]
Pe portiunea CD arborele este supus la solicitarea compusa de incovoiere cu torsiune:
![]()
![]()
Se adauga 4 pentru slabirea produsa de canalul de pana:
; se admite: dC=52
[mm]
; se admite dD=48
[mm]
T pinionul cilindric cu dinti inclinati se va monta pe
arborele intermediar cu ajutorul unei pene paralele.
6.6.2. Calculul de dimensionare a penelor
6.6.2.1. Calculul de dimensionare a penei de fixare a pinionului cilindric.
Pana paralela se executa di otelul carbon OL70 cu urmatoarele caracteristici:
sc=360 [N/mm2]
sr=700 [N/mm2]
sas=102,857 [N/mm2]
Din STAS 1004-81, pentru arbore cu diametrul dc=52 mm, se alege pana paralela cu urmatoarele dimensiuni:
b=16 [mm]
h=10 [mm]
t1=6 [mm]
t2=4,3 [mm]
Din conditia de rezistenta la presiunea de contact se determina lungimea de calcul a penei:
![]()
l=lc+b=32,626+16=48,626 [mm]
Din STAS 1004-81 se alege lungimea standardizata a penei:
lSTAS=50 [mm]
Verificarea penei se face la solicitarea de forfecare:
![]()
6.6.2.2. Calculul de dimensiopnare a penei pentru fixarea rotii conice cu dinti drepti:
Pana se executa din OL70 cu :
sc=360 [N/mm2]
sr=700 [N/mm2]
sas=102,857 [N/mm2]
Din STAS 1004-81, pentru arbore cu diametrul dc=48 mm, se alege pana paralela cu urmatoarele dimensiuni:
b=14 [mm]
h=9 [mm]
t1=5,5 [mm]
t2=3,8 [mm]
Din conditia de rezistenta la presiunea de contact se determina lungimea de calcul a penei:
![]()
l=lc+b=39,07+14=53,07 [mm]
Din STAS 1004-81 se alege lungimea standardizata a penei:
lSTAS=56 [mm]
Verificarea penei se face la solicitarea de forfecare:
6.7. Calculul elementelor subansamblului arborelui de iesire.
6.7.1. Predimensionarea arborelui:
Date initiale:
Ft4=7536 [N]
Fr4=3066 [N]
Fa4=1263 [N]
dw4=387,1801 [mm]
n4=121 [rot/min]
Mtc4=1529,973 [Nm]
Schita arborelui impreuna cu schema de calcul a diagramelor de moment este data in figura 6.11.

Fig.6.11.
Pentru calculul lui Mz:
![]()
![]()
din Pr pe OYT ![]()
![]()
Pentru calculul lui My:
![]()

din Pr pe OZ T ![]()
![]()
![]()
Calculul momentelor incovoietoare:
![]()
![]()
Calculul momentelor echivalente:
![]()
Pe portiunea CA, arborele este supus numai la torsiune:

Arborele este executat din otelul carbon de calitate OLC45, cu urmatoarele caracteristici:
sc=370 [N/mm2]
sr=670 [N/mm2]
sa=62 [N/mm2]
Se admite ta=0,6xsa=0,6x62=40,3 [N/mm2]
T
Se adauga 4 pentru slabirea produsa de canalul de pana:
T
; Se admite dCA=60
[mm].
Pe portiunea AD arborele este supus la solicitarea compusa de incvoiere cu torsiune:

Se adauga 4 pentru slabirea produsa de canalul de pana:
T
; Se admite dD=68
[mm]
Pe portiunea DB arborele este supus la incovoiere simpla:

se admite dDB=48 [mm]
se admite dA=dB=65 [mm]
6.7.2. Calculul de dimensionare a penelor paralele.
6.7.2.1. Calculul penei de fixare a rotii cilindrice cu dinti inclinati.
Pana se executa din OL70 cu :
sc=360 [N/mm2]
sr=700 [N/mm2]
sas=100 [N/mm2]
taf=72 [N/mm2]
Din STAS 1004-81, pentru diametrul arborelui dD=68 [mm], se alege pana paralela cu urmatoarele dimensiuni:
b=20 [mm]
h=12 [mm]
t1=7,5 [mm]
t2=4,9 [mm]
Din conditia de rezistenta la presiunea de contact se determina lungimea de calcul a penei:
![]()
l=lc+b=77,449+20=97,449 [mm]
Din STAS 1004-81 se alege lungimea standardizata a penei:
lSTAS=100 [mm]
Verificarea penei se face la solicitarea de forfecare:
![]()
6.7.2.2. Calculul penei pentru transmiterea momentului de torsiune la masina de lucru:
Pana se executa din OL70 cu :
sc=360 [N/mm2]
sr=700 [N/mm2]
sas=102,857 [N/mm2]
Din STAS 1004-81, pentru arbore cu diametrul dCA=60 mm, se alege pana paralela cu urmatoarele dimensiuni:
b=18 [mm]
h=11 [mm]
t1=7 [mm]
t2=4,4 [mm]
Din conditia de rezistenta la presiunea de contact se determina lungimea de calcul a penei:
![]()
l=lc+b=90,15+18=108,15 [mm]
Din STAS 1004-81 se alege lungimea standardizata a penei:
lSTAS=110 [mm]
Verificarea penei se face la solicitarea de forfecare:
![]()
6.7. Calculul de alegere al rulmentilor.
6.7.1. Calculul de alegere a rulmentilor pentru arborele de intrare:
Date initiale:
dA=35 [mm]
dB=35 [mm]
n=1217 [rot/min]
![]()
![]()
Schita asezarii rulmentilor pe arbore este data in fig. 6.12.

Fig.6.12.
Se aleg rulmenti radial-axiali cu role conice pe un rand, cu urmatoarele dimensiuni:
d=35 [mm]
D=80 [mm]
T= B=32,75 [mm]
C=83000 [N]
e=0,31
seria: 32307
![]()
KA=355 [N] >0
T ![]()
![]()
![]()
![]()
Calculul sarcinii
![]()
![]()
Se admite durabilitatea Lh=25000 ore
![]()
![]()
![]()
6.7.2 Calculul de alegere al rulmentilor arborelui intermediar
1. Date initiale
dA=dB=45 [mm]
n=433 [rot/min]
KA=333 [N]
![]()
![]()
Se aleg rulmentii axial-radiali cu role conice pe un rand seria 30309 care au dimensiunile:
d=45 [mm]
D=100 [mm]
B=T=27,75 [mm]
C=93000 [N]
Simbolul rulmentilor este 30210
Schita asezarii rulmentilor pe arbore este data in fig.6.13.
eA=eB=0,34
Y0=1
![]()
![]()
si 
![]()
![]()
![]()
![]()
Lh= 10000…..25000 [ore]
Se admite Lh=18000 [ore]
Calculul sarcinii dinamice echivalente :
![]()
![]()
![]()
![]()
![]()
6.7.3 Calculul de alegere al rulmentilor arborelui de iesire
1. Date initiale
dA=dB=65 [mm]
VA=4811 [N]
VB=2726 [N]
HA=1036 [N]
HB=2030 [N]
![]()
![]()
Pentru montaj in X si:
![]()
![]()
![]()
![]()
![]()
![]()
![]()
![]()
Admitem: Lh=25000 [ore]
![]()
![]()
![]()
Din STAS se aleg rulmentii radial-axiali cu bile seria 6213N, cu urmatoarele caracteristici:
d=65 [mm]
D=120 [mm]
B=23 [mm]
C=44000 [N]
6.8. Verificarea arborilor la oboseala.
6.8.1. Verificarea la oboseala a arborelui de intrare:
Date intiale:
DD=30 [mm] sc=370 [N/mm2]
DC=30 [mm] s-1=200 [N/mm2]
N=355 [N] tc=350 [N/mm2]
MID=19569 [Nmm] t-1=300 [N/mm2]
Mt=160000 [nmm]
bD=10 [mm]
bC= 8 [mm]
tD= 5 [mm]
tC= 4 [mm]
In sectiunea D arborele este solicitat la incovoiere cu torsiune si forta axiala. Modulul de rezistenta la incovoiere se calculeaza cu expresia:

![]()
, unde:
![]()
T ![]()
T ![]()
Caracteristica ciclului va fi:
![]()
Coeficientul efectiv de concentrare: bk=1,8
Coeficientul dimensional: ek=0,85
Coeficientul de prelucrare a suprafetei piesei: gk=0,8
Coeficientul de reducere la solicitari variabile va fi:
pentru s-1=200 [N/mm2]
Coeficientul de siguranta va fi:
![]()
Pentru solicitarea la torsiune vom avea:
![]()

Avem:
Coeficientul efectiv de concentrare: bk=1,8
Coeficientul dimensional: ek=0,85
Coeficientul de prelucrare a suprafetei piesei: gk=0,88
Coeficientul de reducere va fi:

Coeficientul de siguranta la solicitarea de torsiune va fi:
![]()
Coeficientul total va fi:

In sectiunea D arborele este solicitat la torsiune. Modulul de rezistenta polar va fi:
![]()
Coeficientul efectiv de concentrare: bk=1,8
Coeficientul dimensional: ek=0,85
Coeficientul de prelucrare a suprafetei piesei: gk=0,88

![]()
Valoarea coeficientului de siguranta va fi:

6.8.2. Verificarea la oboseala a arborelui intermediar.
Date intiale:
DD=48 [mm] sc=370 [N/mm2]
DC=52 [mm] s-1=200 [N/mm2]
N=1329 [N] tc=350 [N/mm2]
MID=406100 [Nmm] t-1=300 [N/mm2]
Mt=437000 [nmm] MIC=725710 [Nmm]
bD=16 [mm]
bC= 16 [mm]
tD= 6 [mm]
tC= 6 [mm]
In sectiunea C arborele este solicitat la incovoiere cu torsiune si forta axiala. Modulul de rezistenta la incovoiere se calculeaza cu expresia:

![]()
, unde:
![]()
T ![]()
T ![]()
Caracteristica ciclului va fi:
![]()
Coeficientul efectiv de concentrare: bk=1,8
Coeficientul dimensional: ek=0,73
Coeficientul de prelucrare a suprafetei piesei: gk=0,8
Coeficientul de reducere la solicitari variabile va fi:
pentru s-1=200 [N/mm2]
Coeficientul de siguranta va fi:
![]()
Pentru solicitarea la torsiune vom avea:
![]()

Avem:
Coeficientul efectiv de concentrare: bk=1,8
Coeficientul dimensional: ek=0,73
Coeficientul de prelucrare a suprafetei piesei: gk=0,88
Coeficientul de reducere va fi:

Coeficientul de siguranta la solicitarea de torsiune va fi:
![]()
Coeficientul total va fi:

In sectiunea D arborele este solicitat la incovoiere cu torsiune si forta axiala. Modulul de rezistenta la incovoiere se calculeaza cu expresia:

![]()
, unde:
![]()
T ![]()
T ![]()
Caracteristica ciclului va fi:
![]()
Coeficientul efectiv de concentrare: bk=1,8
Coeficientul dimensional: ek=0,75
Coeficientul de prelucrare a suprafetei piesei: gk=0,8
Coeficientul de reducere la solicitari variabile va fi:
pentru s-1=200 [N/mm2]
Coeficientul de siguranta va fi:
![]()
Pentru solicitarea la torsiune vom avea:
![]()

Avem:
Coeficientul efectiv de concentrare: bk=1,8
Coeficientul dimensional: ek=0,75
Coeficientul de prelucrare a suprafetei piesei: gk=0,88
Coeficientul de reducere va fi:

Coeficientul de siguranta la solicitarea de torsiune va fi:
![]()
Coeficientul total va fi:

6.8.3. Verificarea la oboseala a arborelui de iesire:
Date intiale:
DD=68 [mm] sc=370 [N/mm2]
DC=60 [mm] s-1=200 [N/mm2]
N=2325 [N] tc=350 [N/mm2]
MID=612400 [Nmm] t-1=300 [N/mm2]
Mt=1529973 [nmm]
bD=20 [mm]
bC=18 [mm]
tD= 7,5 [mm]
tC= 7 [mm]
In sectiunea D arborele este solicitat la incovoiere cu torsiune si forta axiala. Modulul de rezistenta la incovoiere se calculeaza cu expresia:

![]()
, unde:
![]()
T ![]()
T ![]()
Caracteristica ciclului va fi:
![]()
Coeficientul efectiv de concentrare: bk=1,4
Coeficientul dimensional: ek=0,78
Coeficientul de prelucrare a suprafetei piesei: gk=0,85
Coeficientul de reducere la solicitari variabile va fi:
pentru s-1=200 [N/mm2]
Coeficientul de siguranta va fi:
![]()
Pentru solicitarea la torsiune vom avea:
![]()
![]()
Avem:
Coeficientul efectiv de concentrare: bk=1,8
Coeficientul dimensional: ek=0,78
Coeficientul de prelucrare a suprafetei piesei: gk=0,91
Coeficientul de reducere va fi:

Coeficientul de siguranta la solicitarea de torsiune va fi:
![]()
Coeficientul total va fi:

In sectiunea C arborele este solicitat la torsiune. Modulul de rezistenta polar va fi:
![]()
Coeficientul efectiv de concentrare: bk=1,8
Coeficientul dimensional: ek=0,78
Coeficientul de prelucrare a suprafetei piesei: gk=0,91
![]()
![]()
Valoarea coeficientului de siguranta va fi:

CAPITOLUL 8.
CONDITII TEHNICE GENERALE DE CALITATE
Conditii de functionare
in timpul functionarii nu se admite ca reductorul sa prezinte scurgeri de ulei sau patrunderi de praf si impuritati , in locurile de etansare sau la imbinari
reductorul trebuie sa functioneze normal atit la mersul in gol cit si in sarcina , la turatia nominala , rotile rotindu-se lin fara frecari, franari sau blocari
in timpul functionarii in sarcina , reductorul trebuie sa indeplineasca urmatoarele conditii :
- temperatura uleiului nu trebuie sa depaseasca 85
reductorul trebuie sa fie etans
instalatia de ungere trebuie sa fie etansa
Conditii pentru montare
inainte de operatia de montare piesele vor fi curatate, spalate, uscate si suflate cu aer comprimat
la montare se vor respecta toate cotele indicate in documentatia de executie
Conditii de protectie si aspect
suptafetele neprelucrate mecanic ale pieselor turnate care se gasesc la interiorul carcasei reductorului trebuie sa fie curatate, grunduite si vopsite cu vopsea rezistenta la ulei
toate suprafetele exterioare ale reductorului,cu exceptia suprafetelor de asezare si a capetelor de arbore,se vor grundui si se vor acoperi cu vopsea de culoarea stabilita in documentatia de executie sau prin intelegere intre producator si beneficiar.
Conditii de rodare
se admite rodarea cu pasta abraziva a angrenajelor in afara reductorului,in scopul obtinerii rapide a calitatii suprafetei flancurilor dintilor si a petei de contact corespunzatoare clasei de precizie prescrise
dupa montare se admite numai rodarea cu ulei a angrenajelor.
CAPITOLUL 9.
NORME DE TEHNICA SECURITATII MUNCII
utilizarea reductorului se va face numai cind acesta a fost montat corect si este in stare buna de functionare
uleiul din baie trebuie sa fie in cantitate si calitate corespunzatoare
cuplajele vor fi prevazute cu aparatori de protectie pentru evitarea accidentelor
standurile de proba vor fi echipate cu sisteme de protectie corespunzatoare iar in interiorul lor se va afisa vizibil modul de utilizare a aparaturii destinata efectuarii probelor cit si riscurile care rezulta din nefolosirea lor corecta
personalul care deserveste standul de proba va fi special autorizat in acest sens si i se va face periodic instructajul pentru respectarea normelor de tehnica securitatii muncii
personalul neautorizat are acces in incinta standului numai dupa ce i sa facut instructajul corespunzator
in timpul probelor cu grad mare de periculozitate incinta standului va fi evacuata,probele urmarindu-se prin vizoare special amenajate.
|