Variator de tensiune alternativa cu tiristoare
Introducere
Multe dintre guvernele lumii spun ca luminile fluorescente (CFL) trebuie sa inlocuiasca becurile electrice traditionale, in urmatorii ani, in ciuda faptului ca ele contin mercur, nu pot fi usor de reciclat, iar productia lor afecteaza mediul. Peste 40 de tari, in frunte cu Australia si printre care se numara Canada si Statele Unite ale Americii, au inceput o retragere treptata de pe piata a becurilor traditionale. Planul presupune oprire 121e45b a vanzarii lor pana in 2011-2012 si elaborarea unei legislatii pentru trecerea la CFL.
Luminile fluorescente folosesc doar 75% din energia necesara becurilor standard, prin aceasta diminuand gazele de sera, reducand in mare masura cererea de energie pentru iluminat si generand cheltuieli mai mici cu electricitatea.
Dar becurile economice cu forme ciudate care sunt disponibile intr-o gama larga de stiluri si tipuri au avut parte de ceva reclama proasta in ultima vreme, criticii spunand ca luminile trebuie sa fie tinute aprinse mai mult timp pentru a functiona eficient, ca nu sunt ecologice si ca prezinta riscuri serioase de afectare a sanatatii anumitor persoane.
Ministerul Sanatatii din Canada a inceput un studiu in luna decembrie in legatura cu ingrijorarile potrivit carora becurile care economisesc energie emit radiatie ultravioleta. Rezultatele preliminare vor fi date publicitatii la sfarsitul verii sau inceputul toamnei.
In Marea Britanie, Agentia pentru Protectia Mediului a anuntat, in luna octombrie, ca, aflate in imediata apropiere, becurile CFL emit raze ultraviolete similare cu energia produsa de soare in zilele insorite de vara. Potrivit Agentiei, cand lumina se afla la mai mult de 30 de cm departare sau cand aceasta este acoperita de un abajur de sticla, nu exista nici un fel de pericol. Spectrum, o alianta a institutiilor filantropice din Marea Britanie care lucreaza cu oameni sensibili la lumina, aduce acuze spunand ca lumina emisa de becurile CFL este mai intensa, ca declanseaza migrene si eruptii pe piele si ca agraveaza boli precum cele de ochi, lupusul si epilepsia.
Ca raspuns la decizia Guvernului Marii Britanii de a interzice becurile traditionale pana in 2011, Spectrum a demarat o campanie pentru informarea populatiei in legatura cu efectele becurilor CFL asupra sanatatii. Membrii Spectrum spun ca ar putea fi afectati nu mai putin de 340.000 de oameni. Intre timp, locuitorii din sudul Angliei isi fac rezerve de becuri traditionale. Magazine precum John Lewis, Sainsbury si Homebase raporteaza o criza a becurilor de 100 de wati deoarece consumatorii le cumpara inainte ca acestea sa dispara pentru totdeauna de pe rafturile magazinelor.
Alte plangeri referitoare la CFL constau in faptul ca majoritatea nu functioneaza cu intrerupatoare tip variator de tensiune sau la lampile de securitate declansate cu senzor electronic, lumina lor este prea slaba pentru citit si ofera o lumina de tip mai rece, nu se potrivesc cu majoritatea abajururilor, dureaza pana se incalzesc si le creste intensitatea iar majoritatea nu pot fi folosite in frigidere sau cuptoare cu microunde pentru ca acestea sunt fie prea reci, fie prea fierbinti pentru ca becurile sa functioneze.
Apoi, mai exista problema spinoasa a mercurului. Cele cinci miligrame de mercur - o cantitate mica precum varful unui stilou - pe care fiecare bec fluorescent le contine, sunt sub forma de vapori, lucru care inseamna ca el se imprastie in aer in momentul in care un astfel de bec se sparge. "Cand mercurul se afla in stare de vapori si cineva il inhaleaza, acesta poate patrunde foarte usor in creier. Daca o femeie este insarcinata, mercurul ajunge in placenta sau in laptele mamei. Deci, exista intr-adevar o problema in legatura cu starea in care se afla mercurul in bec", afirma Magda Havas, profesor asociat la studii de mediu si resurse de la Universitatea Trent.
Atat Agentia Resurselor Naturale din Canada cat si Agentia pentru Protectia Mediului din Statele Unite ale Americii sfatuiesc ca, in cazul in care se sparge un bec CFL, camera respectiva sa fie evacuata si aerisita imediat, iar cioburile sa nu fie adunate cu aspiratorul. Potrivit spuselor lui Havas, vaporii ar ramane in aspirator si s-ar imprastia de fiecare data cand aparatul este utilizat.
Magda Havas, care preda si face cercetari in legatura cu efectele biologice ale campurilor magnetice, ale electricitatii impure si ale hipersensibilitatii electrice, mai spune ca guvernul canadian nu s-a interesat cu adevarat inainte de trecerea la becurile CFL. "In nici un caz guvernul nu a facut suficiente cercetari. Ei pur si simplu au acceptat acest lucru ca fiind cel mai bun pas urmator. Cred ca au facut o greseala."
Theo Paradise-Hirst este
responsabil de designul corpurilor de iluminat produse de compania britanica
Max Fordham, o companie premiata, formata din tehnologi de design care se
specializeaza in sisteme eficiente si sustenabile energetic pentru spatiile de
serviciu ale cladirilor si pentru spatiile exterioare largi. Paradise-Hirst
declara ca exista multe "costuri uitate" in producerea becurilor CFL,
majoritatea acestora fiind fabricate in
"Aprovizionandu-ne cu produse in acest mod noi transferam, pentru profit comercial, responsabilitatile noastre legate de mediu comunitatilor iresponsabile." Desi unele magazine precum Canadian Tire, Home Depot si Ikea primesc becurile CFL pentru reciclare, atat Paradise-Hirst, cat si Havas se tem ca multe dintre ele vor ajunge la gropile de gunoi, introducand in mediu mercur si alte substante chimice.
Paradise-Hirst mai spune ca procesul de indepartare a deseurilor de becuri CFL folosite este "foarte complex si consumator de energie".
Cu toate astea, organizatiile de mediu sustin ca reducerea emanatiilor de dioxid de carbon cu cinci milioane de tone pe an compenseaza neajunsurile pe care le-ar putea avea becurile CFL. Keith Stewart, analist de schimbari climatice la World Wildlife Fund, considera ca becurile CFL isi au locul lor.
El declara ca, in ciuda existentei mercurului, "becurile CFL raman o alternativa buna pentru ca mercurul poate fi strans si reutilizat, in timp ce, daca acesta ajunge sa iasa pe cosul de fum nu mai poti face nimic pentru a-l recupera. Mai mult mercur se degaja in mediu prin arderea carbunilor pentru energia suplimentara necesara functionarii unui bec normal, decat exista in becurile CFL".
El afirma ca becurile CFL au fost mult imbunatatite in ultimii 10 ani si prefigureaza ca pana in 2012 vor fi disponibile alte optiuni.
Havas declara ca un studiu la care a participat si care va fi dat publicitatii in acest an, a descoperit ca mai eficiente decat becurile CFL sunt diodele care emit lumina (LED).
Pentru a furniza aceeasi cantitate de lumina precum un bec traditional de 60 de wati, un CFL foloseste 15 wati, in timp ce un LED utilizeaza doar 3 wati si nici nu contine mercur. Deocamdata, diodele LED sunt noi pe piata si destul de scumpe, la fel cum erau si becurile CFL acum cativa ani.
Stewart afirma ca in prezent, in Canada sunt promovate becurile pe baza de silicon care nu contin mercur si folosesc mai putina energie decat un CFL sau un LED.
Pentru ca tuburile fluorescente exista ca tehnologie din secolul trecut, Paradise-Hirst considera ca a venit momentul sa fie sprijinite noile tehnologii, inclusiv LED-urile, lampa cu plasma inventata de Nikola Tesla, si un bec ecologic produs de Ceravision, cu o eficienta energetica ridicata, care foloseste tehnologia microundelor.
Intre timp, noi ar trebui sa reducem pur si simplu intensitatea luminilor.
|
Scheme de variatoare de ca |
Pentru a intruni cerintele de compatibilitate electromagnetica, este de dorit ca variatoarele de putere cu control de faza, cum sunt si cele prezentate in continuare, sa se alimenteze la retea prin intermediul unor filtre, dimensionate la curentul maxim absorbit, reducandu-se astfel nivelul perturbatiilor introduse in retea la valori acceptate de standarde.
Aplicatia se
refera la reglarea intensitatii luminoase a unor becuri incandescente prin
varierea puterii aplicate acestora, in curent alternativ la tensiunea si
frecventa retelei.
O metoda raspandita de comanda a tiristoarelor conventionale la variatoarele de
tensiune alternativa este cea care utilizeaza oscilatoare de relaxare realizate
cu componente electronice de mica putere cu caracteristica curent-tensiune cu
rezistenta negativa, cum este si tranzistorul unijonctiune (TUJ).
Pentru sincronizarea unghiului de comanda al tiristorului cu tensiunea retelei
de alimentare se foloseste frecvent schema in care tensiunea de polarizare a
TUJ este obtinuta prin redresarea dubla alternanta si limitarea tensiunii
retelei prin intermediul unei diode zener.
Schema se preteaza mai putin la miniaturizare, care ar fi de dorit de exemplu
atunci cand vrem sa montam variatorul intr-o doza de aparat in locul clasicului
intrerupator ST, din cauza rezistentei de putere care polarizeaza dioda zener.
Circuitele de
curent alternativ care permit controlul puterii dezvoltate in sarcina prin
comanda unghiului de intarziere in conductie a tiristorului, se pot configura
si astfel incat oscilatorul de relaxare sa fie alimentat chiar cu tensiunea de
pe tiristor, deci o sincronizare nu cu tensiunea retelei ci cu tensiunea
anodica a tiristorului.
O astfel de schema, care nu necesita rezistente de putere, e prezentata in
continuare, fiind executata practic in 5 variante de cablaj (PCB).
Rezistenta R4 s-a calculat astfel incat la valoarea maxima a tensiunii de retea
sa nu se depaseasca tensiunea maxima interbaza ce poate fi suportata de TUJ.
Dioda D5 preintampina circulatia curentului in elementele circuitului de
comanda in timpul alternantelor negative. Intrucat pe tiristor avem deja
tensiunea redresata, ea ar putea lipsi in aplicatia de fata. Am lasat-o,
totusi, pentru a proteja TUJul daca puntea D1-D4 se defecteaza.

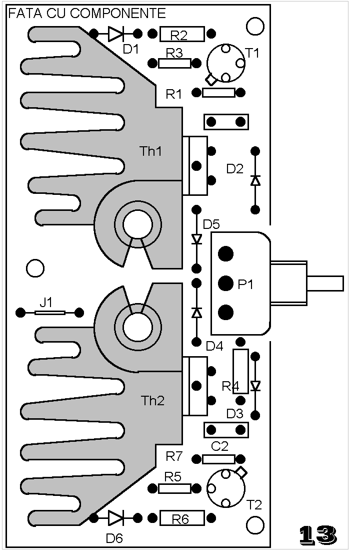
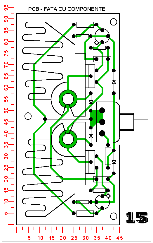
In prima
varianata constructiva, placa de circuit imprimat simplu placat are
dimensiunile 63x30mm. Tiristorul e montat orizontal. Radiatorul tiristorului
(nefigurat) se alage in functie de puterea cosumatorului si se executa din
tabla de aluminiu in forma de U, cu aripioare verticale.
Potentiometrul, montat direct pe PCB va avea axul din plastic.
Pentru conectare cu exteriorul se foloseste o regleta CL cu 3 borne, avand
pasul de 10mm.

Urmatoarea varianta de cablaj, avand aceleasi dimensiuni, difera de precedenta prin montajul vertical al tiristorului, beneficiind de conditii de racire mai bune si o mai mare libertate in alegerea radiatorului. Se preteaza pentru comanda unor becuri de putere mai mare.

Reducerea dimensiunilor PCB la 55x30mm, folosind acelasi tip de borne cu pas de 10mm pentru conectare cu exteriorul, este posibila asa cum se vede in configuratia urmatoare, versiune in care spatiul aferent radiatorului e mai restrans, tiristorul montandu-se tot vertical.

Folosind regleta TBS in locul bornelor CL, dimensiunile PCB se reduc in continuare la 50x30mm, in conditiile in care se asigura acelasi pas de 10mm intre contacte.

In fine, varianta cu dimensiunile minime, 45x30mm, utilizeaza un terminal-block cu 3 borne, de dimensiuni mai mici, cu pini de implantare in cablaj.

O schema asemanatoare, care difera de precedenta prin circuitul de polarizare al TUJului, este prezentata in continuare:


Montajul s-a
realizat practic pe o placa de circuit imprimat simplu placat cu dimensiunile
55x30mm, respectandu-se distantele corecte de izolatie, avand in vedere ca
circuitele opereaza la tensiunea retelei de 230Vca.
Regleta la cre se conecteaza alimentarea cu 230V si sarcina este compusa din 3
borne, fiind de tip CL cu pasul de 10mm.
Fata de schema precedenta, potentiometrul utilizat are o valoare mult mai ridicata , 2.2MOhmi, din punct de vedere constructiv fiind
tot cu ax din material izolant.
Pentru comandarea unui bec de 150W, tiristorul se monteaza pe un mic radiator
din tabla de aluminiu, care se executa conform cu desenul alaturat.

Pornind de la schema precedenta, ne punem problema folosirii a doua circuite de comanda cu TUJ, identice, pe care se le conectam astfel incat sa putem conecta doua tiristoare antiparalel. In acest caz dispare puntea redresoare in diagonala caruia se monta tiristorul din schemele precedente.

Placa imprimata s-a executat practic conform cu desenele urmatoare, in care se prezinta:







Radiatoarele cu forma 'ciudata' din desenele de mai sus provin de la punti redresoare 45PT2 dezafectate, recuperate din alternatoarele care echipau automobilele romanesti 'Dacia', punti echipate cu cunoscutele diode 'RAG' fabricate la fostul IPRS Baneasa.
|