Traductoare si interfete de achizitie
În cadrul proceselor lente se pot întâlni diferite marimi care trebuie masurate si controlate, cum ar fi: temperatura, presiunea, debitul, nivelul, pHul si c 717v2113h onductivitatea. Fiecare din aceste marimi poate fi masurata cu mai multi senzori sau traductoare în functie de anumite conditii impuse, de domeniul si de precizia de masura, ceea ce impune cunoasterea modului de utilizare a senzorilor si traductoarelor si a problemelor specifice pentru fiecare în parte.
Senzorul este un dispozitiv ce detecteaza o schimbare întrun stimul fizic si returneaza un semnal electric care poate fi masurat sau înregistrat, iar traductorul este un dispozitiv ce transfera semnalul de la un sistem la altul în aceeasi forma sau diferit. Senzorul este elementul sensibil, iar traductorul contine elementul sensibil si circuitele asociate (adaptoare de semnal).
Traductoare de masurare a presiunii:
pastila semiconductoare lipita pe o diafragma din siliciu (piezorezistiv);
pastila semiconductoare lipita pe o diafragma din otel inoxidabil;
timbru tensiometric lipit pe o diafragma din otel inoxidabil.
Motorola a dezvoltat familia de traductoare de presiune piezorezistivi care sunt foarte bine adaptati pentru masurarea presiunilor si nivelelor.

Figura 1.1. - Element de baza, capsula pentru presiune absoluta si diferentiala
Sensorul piezorezistiv are ca principiu de masurare modificarea rezistentei unei pastile de siliciu datorita tensiunilor rezultate în urma curbari acestei pastile. Deoarece variatia rezistentei este foarte mica masurarea se face în punte.

Figura 1.2. - Schema interna echivalenta
În figurile urmatoare se poate observa carcasa traductorului din material plastic, pastila de siliciu si gelul siliconic cu rol de protectie a pastilei de siliciu. Elementul absolut fata de cel diferential are partea de jos închisa si vidata.

Figura 1.3. - Structura elementului de masurare a presiunii absolute si diferentiale
Seria MPX2xxx de senzori de presiune au calibrare interna a offsetului, cu ajutorul unor rezistoare semireglabile si compensare de temperatura. Elementul activ de masurare a presiunii este de tip piezorezistiv.

Figura 1.4. - Seria MPX2xxx de senzori de presiune
Seria MPX5xxx de senzori de presiune au calibrare interna a offsetului, cu ajutorul unor rezistoare semireglabile, compensare de temperatura si amplificare de semnal.

Figura 1.5. - Seria MPX5xxx de senzori de presiune
În tabelul urmator sunt prezentate domeniile de masura si sensibilitatea pentru fiecare tip de traductor:
|
Dispozitiv |
Interval de presiune |
Sensibilitate |
Tensiune generata |
|
MPX2010DP |
0 10 KPa |
±0.01 KPa (1 mmH2O) |
25 mV |
|
MPX5010DP |
0 10 KPa |
±0.01 KPa (1 mmH2O) |
4.7 V |
|
MPX5050DP |
0 50 KPa |
±0.05 KPa (5 mmH2O) |
4.7 V |
|
MPX2100AP |
15 115 KPa |
±0.1 KPa (10 mmH2O) |
40 mV |
|
MPX5100AP |
15 115 KPa |
±0.1 KPa (10 mmH2O) |
4.7 V |
|
Figura 1.6. - Schema electrica de amplificare În cazul unui dispozitiv MPX5xxx acesta genereaza la iesire o tensiune de 4.7 V pentru capatul de scala si nu necesita circuite de amplificare suplimentare.
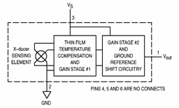
Figura 1.7. - Schema electrica de utilizare 1.3. Masurarea temperaturiiTraductoare de masurare a temperaturilor: termocuple; termorezistenta; termistorul; senzor integrat de temperatura; masurarea temperaturii în infrarosu. Senzorul integrat LM35 - Este un senzor de temperatura de precizie, cu iesire analogica de tensiune proportionala liniar cu temperatura masurata în grade Celsius. Iesirea are impedanta scazuta, este liniara si precizia implicita de calibrare simplifica interfata de citire a iesirii. Caracteristici generale Calibrat direct în C; factor de scala liniar +10 mV/ C; masurarea temperaturii în intervalul 55 C C; tensiune de alimentare între 4 30 V si un curent de 60 µV; impedanta de iesire 0.1 Ω pentru un curent de încarcare de 1 mA; propria încalzire introdusa este de 0.08 C în aer.
Figura 1.8. Schema interna a senzorului integrat Nu necesita calibrare externa si furnizeaza o precizie de C la temperatura de 25 C si C pe tot domeniul de temperatura. LM35 poate fi aplicat în mod usor în interiorul altor senzori integrati de temperatura. Prin lipire sau cimentare pe o suprafata temperatura citita poate fi diferita cu 0.01 C de temperatura suprafetei. Aceasta presupune ca temperatura aerului înconjurator este aproape identica cu temperatura suprafetei; daca temperatura aerului este mult mai mare sau mai mica decât temperatura suprafetei, temperatura indicata de senzorul integrat LM35 va fi una intermediara între cea a suprafetei si cea a mediului. Este valabil în special pentru capsula de plastic TO92, unde terminale din cupru reprezinta calea principala de evacuare a caldurii din circuit. Problema poate fi rezolvata prin mentinerea traseului firelor de legatura ale circuitului LM35 la aceeasi temperatura cu cea a suprafetei masurate; firele pot fi mentinute la aceeasi temperatura cu suprafata prin lipirea lor de suprafata cu rasina epoxidica. 1.4. Masurarea umiditatiiPoate fi realizata prin masurarea: diferentei de temperatura, modificarii capacitatii (cu ajutorul higristoarelor), sau a modificarii rezistentei. Punctul de roua Temperatura la care umiditatea începe sa se formeze pe o suprafata, si indica saturarea în proportie de 100% a aerului cu umiditate. Umiditatea absoluta Exprima o masura reala a cantitatii de vapori de apa în aer. Umiditatea relativa - Procentul de umiditate în aer comparat cu o cantitate anterioara pe care o poate contine aerul.
Figura 1.9. - Schema electrica de utilizare Traductorul realizat masoara umiditatea relativa 0÷100 %. Schema electrica contine un amplificator diferential realizat cu circuitul LM308 si genereaza la iesire o tensiune între 2.9÷3.9 V. 1.5. Utilizarea interfetelor de achizitie native NIÎn cazul utilizarii unor interfete de achizitie analogice realizate de National Instruments (NI) accesarea acestor interfete se realizeaza prin functii dedicate (intrari analogice, iesiri analogice, buffere de date, generatoare de semnal, intrari si iesiri digitale, timere si numaratoare, autocalibrare) puse la dispozie sub forma unui pachet numit NIDAQ.
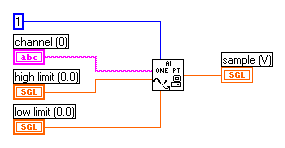
Figura 1.10. - Paleta cu functii analogice (NIDAQ) 1.5.1. Caracteristicile placii LabPC12001. Intrari analogice: - 8 canale de intrare analogice cu o rezolutie de 12 biti; - rata de esantionare de 100 KHz; - tensiune de intrare 5 V pentru intrare bipolara, 0 V sau -5÷0 V pentru intrare unipolara si protectie pâna la 35 V; - amplificare reglabila cu 1, 2, 5, 10, 20, 50, 100; - o precizie de citire de 0.02 %; 2. Iesiri analogice: - 2 canale de iesire cu o rezolutie de 12 biti; - rata de memorare de 1 KHz; - tensiune de iesire 5 V pentru iesire bipolara si 0 10 V pentru iesire unipolara; - o precizie de 0.002 %; 3. Intrari si iesiri digitale: - 24 de linii de intrare iesire digitale compatibile TTL; - 3 numaratoare cu o rezolutie de 16 biti si frecventa de baza de 2 MHz. Pentru citirea placii Lab-PC-1200 este necesara specificarea: numarului de placi utilizate: 1; canalul utilizat: 0...7; limita superioara a semnalului de intrare: 5 V, 2.5 V, 1 V, 0.5 V, 0.25 V, 0.1 V, 0.05 V; limita inferioara a semnalului de intrare: 5 V, 2.5 V, 1 V, 0.5 V, 0.25 V, 0.1 V, 0.05 V; Diagrama pentru citirea unui canal al placii Lab-PC-1200 este prezentata în figura urmatoare:
Figura 1.11. - Diagrama pentru citirea placii Lab-PC-1200 1.6. Utilizarea unor interfetelor de achizitie diferite de NIUtilizarea unor placi de achizitie care nu sunt produse NI poate fi facuta prin scrierea unor drivere în C si apelarea lor prin intermediul CIN-urilor.
Figura 1.12. - Paleta cu functii realizate de utilizator 1.6.1. Caracteristicile placii AD5101. Intrari analogice: - 8 canale de intrare analogice cu o rezolutie de 12 biti; - rata de esantionare de 7,5 sau 30 Hz; - tensiune de intrare V pentru intrare bipolara; - amplificare reglabila cu 1, 10, 100; 2. Intrari si iesiri digitale: - 9 linii de intrare iesire digitale compatibile TTL; Citirea placii AD510 presupune doua etape: initializarea placii de achizitie: se realizeaza în cadrul 0 al structurii secventiale; citirea placii de achizitie: se realizeaza în cadrul 1 al structurii secventiale. Pentru ambele etape este necesara specificarea: adresei placii: 512; canalul utilizat: 1...8; amplificarea selectata: 1, 10, 100; initializare (0) sau citire (1). Diagrama pentru citirea unui canal al placii AD510 este prezentata în figura urmatoare:
Figura 1.13. - Diagrama pentru citirea placii AD510 1.6.2. Caracteristicile placii Super 12 Bit1. Intrari analogice: - 16 canale de intrare analogice cu o rezolutie de 12 biti; - rata de esantionare de 20 KHz; - tensiune de intrare V pentru intrare bipolara, 0 0 V pentru intrare unipolara; 2. Iesiri analogice: - 2 canale de iesire cu o rezolutie de 12 biti; - rata de memorare de 1 KHz; - tensiune de iesire V pentru iesire bipolara si 0 0 V pentru iesire unipolara; Utilizarea placii Super 12 Bit se face simplu, fiind necesara numai specificarea canalului utilizat. Diagrama pentru citirea placii Super 12 Bit este prezentata în figura urmatoare:
Figura 1.14. - Diagrama pentru citirea placii Super 12 Bit Document InfoAccesari: 5440 Apreciat: Comenteaza documentul:Nu esti inregistratTrebuie sa fii utilizator inregistrat pentru a putea comenta Creaza cont nou A fost util?Daca documentul a fost util si crezi ca meritasa adaugi un link catre el la tine in site in pagina web a site-ului tau.
Copyright © Contact (SCRIGROUP Int. 2025 ) |