Sisteme fixe de stingere a incendiilor – sisteme automate tip sprinkler – proiectare, instalare si intretinere
Cuvant inainte
Introducere
1. Scop
2. Referinte normative
3. Termeni si definitii
4. Caiet de sarcini si documentatie
4.1 Generalitati
4.2 Consideratii initiale
4.3 Etapa preliminara
4.4 Etapa de proiectare
4.4.1. Generalitati
4.4.2. Opis
4.4.3. Piese desenate
4.4.3.1. Generalitati
4.4.3.2 Predimensionarea conductelor
4.4.3.3 Dimensionarea conductelor
4.4.4. Alimentarea cu apa
4.4.4.1 Piese desenate
4.4.4.2 Calculul hidraulic
4.4.4.3 Bransamentul
4.4.4.4 Grupul de pompare
4.4.4.5 Rezerva de apa
4.4.4.6 Hidrofor
5. Aria protejata de instalatia sprinkler
5.1. Cladiri si arii protejate
5.1.1 Exceptii permise
5.1.2 Interdictii
5.2 Depozite in aer liber
5.3 Compartimentari antiincendiu
5.4 Protectia tavanelor false si a pardoselilor false
5.5 Diferenta de inaltime intre cel mai inalt si cel mai jos cap sprinkler
6. Clasificarea riscului de incendiu si a gradului de ocupare
6.1 Generalitati
6.2 Riscul de incendiu
6.2.1 Risc mic – LH
6.2.2 Risc mediu – OH
6.2.3 Risc mare – HH
6.2.3.1 Procese tehnologice cu risc mare – HHP
6.2.3.2 Depozite cu risc mare – HHS
6.3 Depozite
6.3.1 Generalitati
6.3.2 Tipuri de depozitare
7. Criteriul de proiectare hidraulic
7.1 LH, OH si HHP
7.2 Depozite cu risc mare de incendiu – HHS
7.2.1 Generalitati
7.2.2 Protectia cu sprinklere de tavan sau acoperis
7.2.3 Sprinklere de raft
7.3 Presiunea si debitul utilizate pentru predimensionarea instalatiei
7.3.1 Sisteme risc mic si mediu
7.3.2 Sisteme HHP si HHS cu exceptia sprinklerelor de raft
8. Alimentarea cu apa
8.1 Generalitati
8.1.1 Durata de functionare
8.1.2 Continuitate
8.1.3 Protectia la inghet
8.2 Presiunea maxima a apei
8.3 Conexiuni cu alte servicii
8.4 Camera echipamentelor de alimentare cu apa
8.5 Aparate de masura si control
8.5.1 La supapa de control si semnalizare
8.5.2 La compresor
8.6 Testarea sursei de alimentare cu apa
8.6.1 Generalitati
8.6.2 Rezervoare si hidrofoare
8.6.3 Reteaua orasului, pompe, rezervoare inaltate de apa si rezervoare gravitationale
9. Tipuri de alimentare cu apa
9.1 Generalitati
9.2 Reteaua localitatii
9.2.1 Generalitati
9.2.2 Pompe de suprapresiune
9.3 Rezervoare
9.3.1 Generalitati
9.3.2 Volumul de apa
9.3.2.1 Generalitati
9.3.2.2 Sisteme predimensionate
9.3.2.3 Sisteme dimensionate
9.3.3 Rata de reumplere pentru rezervoarele de capacitate mare
9.3.4 Rezervoare de capacitate redusa
9.3.5 Capacitatea efectiva a rezervoarelor si dimensiunile camerei de aspiratie
9.3.6 Site
9.4 Surse naturale – camere de decantare si aspiratie
9.5 Hidrofor
9.5.1 Generalitati
9.5.2 Amplasare
9.5.3 Capacitatea minima
9.5.4 Presiunea aerului
9.5.4.1 Generalitati
9.5.4.2 Calcularea presiunii aerului
9.5.5 Umplerea cu apa si aer
9.5.6 Echipamente de control si siguranta
9.6 Alegerea sursei de apa
9.6.1 O sursa de alimentare cu apa
9.6.2 Surse de alimentare superioare
9.6.3 Doua surse de alimentare cu apa
9.6.4 Surse combinate de alimentare cu apa
9.7 Izolarea alimentarii cu apa
10 Pompe
10.1 Generalitati
10.2 Grupuri de pompare
10.3 Camera pompelor
10.3.1 Generalitati
10.3.2 Protejarea cu instalatii sprinkler
10.3.3 Temperatura
10.3.4 Ventilare
10.4 Temperatura maxima a apei de alimentare
10.5 Robinete si accesorii
10.6 Conditii de aspiratie
10.6.1 Generalitati
10.6.2 Conducte de aspiratie
10.6.2.1 Generalitati
10.6.2.2 Presiuni pozitive
10.6.2.3 Pompe de vid
10.6.2.4 Rezervoare de amorsare
10.7 Caracteristicile pompei
10.7.1 Sisteme precalculate – risc mic si risc mediu
10.7.2 Sisteme predimensionate de tip HHP si HHS fara sprinklere de raft
10.7.3 Sisteme dimensionate
10.7.4 Presiunea si rezerva de apa a retelei localitatii
10.7.5 Presostate
10.7.5.1 Numarul de presostate
10.7.5.2 Pornirea pompelor
10.7.5.3 Testarea presostatelor
10.8 Pompe actionate electric
10.8.1 Generalitati
10.8.2 Alimentarea cu energie electrica
10.8.3 Panoul de comanda
10.8.4 Instalatia de alimentare dintre panoul de control si motorul pompei
10.8.5 Dispozitiv de control al pompei
10.8.6 Monitorizarea actiunilor pompelor
10.9 Grupuri de pompare actionate de motoare Diesel
10.9.1 Generalitati
10.9.2 Motoare
10.9.3 Sistemul de racire
10.9.4 Filtrarea aerului
10.9.5 Instalatia de exhaustare
10.9.6 Combustibilul, rezervorul de combustibil si teava de alimentare cu combustibil
10.9.7 Mecanismul de pornire
10.9.7.1 Generalitati
10.9.7.2 Sistemul de pornire automata
10.9.7.3 Sistemul de pornire manuala de urgenta
10.9.7.4 Testarea sistemului de pornire manuala
10.9.7.5 Starter
10.9.8 Bateriile starterului
10.9.9 Incarcarea bateriilor
10.9.10 Amplasarea acumulatorilor si incarcatoarelor
10.9.11 Controlul starterului
10.9.12 Unelte si piese de rezerva
10.9.13 Teste si exercitii ale motorului
10.9.13.1 Testele furnizorului si fisa tehnica
10.9.13.2 Darea in exploatare a sistemului
11. Tipurile si dimensiunile instalatiei
11.1 Instalatia apa-apa
11.1.1 Generalitati
11.1.2 Protectia impotriva inghetului
11.1.2.1 Protectia cu lichid anti-inghet
11.1.2.2 Protectia cu ajutorul curentilor electrici
11.1.3 Dimensiunile instalatiei
11.2 Instalatii apa-aer
11.2.1 Generalitati
11.2.2 Dimensiunea instalatiei
11.3 Instalatii mixte
11.3.1 Generalitati
11.3.2 Dimensiunea instalatiei
11.4 Instalatii preactionate
11.4.1 Generalitati
11.4.1.1 Instalatii preactionate de tipul A
11.4.1.2 Instalatii preactionate de tipul B
11.4.1.3 Sisteme sprinkler cu una sau mai multe instalatii preactionate
11.4.2 Sistemul automat de detectie
11.4.3 Dimensiunea instalatiei
11.5 Conducte auxiliare sau extensii alternative
11.5.1 Generalitati
11.5.2 Dimensiunile extensiilor
11.6 Instalatii auxiliare cu apa pulverizata
12. Amplasarea capetelor sprinkler
12.1 Generalitati
12.2 Aria maxima protejata de un cap sprinkler
12.3 Distanta minima dintre capetele sprinkler
12.4 Amplasarea sprinklerelor in functie de configuratia cladirii
12.4.6 Stalpi si grinzi transversale
12.4.7 Grinzi si arcade
12.4.8 Sarpante
12.4.9 Coloane
12.4.10 Platforme, conducte etc.
12.4.11 Scari rulante si casele scarilor
12.4.12 Stalpi verticali si jgheaburi
12.4.14 Tavane suspendate cu sectiuni deschise
12.5 Capete sprinkler intermediare in sisteme HH
12.5.1 Generalitati
12.5.2 Distanta maxima verticala dintre sprinklerele intermediare
12.5.3 Amplasarea pe orizontala a capetelor sprinkler intermediare
12.5.4 Numarul de randuri de capete sprinkler pentru fiecare nivel
12.5.5 Sprinklere intermediare conform sistemului HHS in stelaje neetajate
12.5.6 Sprinklere intermediare conform sistemului HHS in rafturi (ST5 si ST6)
13 Dimensiunea si configuratia conductelor
13.1 Generalitati
13.1.1 Dimensiunea conductei
13.2 Calculul pierderilor de presiune in conducte
13.2.1 Pierderea de presiune liniara
13.2.2 Diferenta de presiunea statica
13.2.3 Viteza
13.2.4 Pierderile de presiune locale
13.2.5 Precizii de calcul
13.3 Sisteme predimensionate
13.3.1 Generalitati
13.3.2 Amplasarea punctelor de referinta
Cuvant inainte
Acest standard (EN 12845:2003) a fost elaborat de Comitetul Tehnic CEN/TC 191, „Sisteme fixe de stingere a incendiilor”, al carui secretariat este detinut de BSI.
Acest standard trebuie adoptat ca standard national, prin publicarea unui text asemanator sau prin andorsare, pana cel tarziu in februarie 2004 si standardele nationale care intra in conflict cu acesta trebuie abrogate pana cel tarziu in august 2006.
Un sistem automat tip sprinkler este proiectat pentru detectia unui incendiu si stingerea cu lui apa in fazele initiale sau pentru limitarea incendiului, pana la stingerea lui prin alte mijloace.
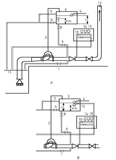
Un sistem tip sprinkler este alcatuit din una sau mai multe surse de apa si una sau mai multe instalatii de sprinklere; fiecare instalatie este alcatuita dintr-un set de vane de control principale si o retea de conducte pe care sunt fixate capetele sprinkler. Capetele sprinkler sunt amplasate in locatii stabilite sub acoperisuri sau tavane si acolo unde este necesar intre rafturi, sub rastele etc. Principalele elemente care compun o instalatie tip sunt prezentate in figura 1.

Nu trebuie presupus ca sistemul de sprinklere inlatura in totalitate nevoia de alte sisteme de stingere si este important ca prevenirea incendiului sa fie considerata ca un tot unitar.
La proiectarea sistemelor de sprinklere trebuie tinut cont de rezistenta la foc a structurii, caile de evacuare, sistemele de alarma la incendiu, alte pericole specifice care necesita alte metode de protectie la incendiu, prevederea de hidranti interiori, stingatoare, etc, metode pentru securitatea muncii si manipularea bunurilor, controlul managementului si buna intretinere a incintei.
Cerintele si recomandarile acestui standard se aplica, de asemenea, oricaror adaugari, extinderi, reparari sau orice alta modificare a sistemului de stingere de tip sprinkler. Ele nu se aplica pulverizatoarelor si sistemelor cu inundare.
EN 54-1, Fire detection and fire alarm systems — Introduction.
EN 54-2, Fire detection and fire alarm systems — Control and indicating equipment.
EN 54-3, Fire detection and fire alarm systems — Fire alarm devices - Sounders.
EN 54-4, Fire detection and fire alarm systems — Power supply equipment.
EN 54-5, Fire detection and fire alarm systems — Heat detectors – Point detectors.
EN 54-10, Fire detection and fire alarm systems — Flame detectors – Point detectors.
EN 54-11, Fire detection and fire alarm systems — Manual call points.
EN 287-1, Approval testing of welders — Fusion welding — Part 1: Steels.
EN 1057, Copper and copper alloys — Seamless, round copper tubes for water and gas in sanitary and heating applications.
EN 1254, Copper and copper alloys - Plumbing fittings.
EN 12259-1, Fixed firefighting systems - Components for sprinkler and water spray systems - Part 1: Sprinklers.
EN 12259-2, Fixed firefighting systems - Components for sprinkler and water spray systems - Part 2: Wet alarm valve assemblies.
EN 12259-3, Fixed firefighting systems - Components for sprinkler and water spray systems - Part 3: Dry alarm valve assemblies.
EN 12259-4, Fixed firefighting systems - Components for sprinkler and water spray systems - Part 4: Water motor alarms.
EN 12259-5, Fixed firefighting systems - Components for sprinkler and water spray systems - Part 5: Water flow detectors.
prEN 12259-12, Fixed firefighting systems - Components for sprinkler and water spray systems - Part 12:Pumps.
EN 12723, Liquid pumps — General terms for pumps and installations — Definitions, quantities, letter symbols and units.
EN 50342, Lead-acid starter batteries — General requirements, methods of test and numbering.
EN 60529, Degrees of protection provided by enclosures (IP code) (IEC 60529:1989).
EN 60623 , Secondary cells and batteries containing alkaline or other non-acid electrolytes - Vented nickel cadmium prismatic rechargeable single cells (IEC 60623:2001).
EN 60947-1, Low-voltage switchgear and controlgear – Part 1: General rules (IEC 60947-1:1999, modified).
EN 60947-4, Low-voltage switchgear and controlgear - Contactors and motor-starters; Electromechanical contactors and motor-starters (IEC 60947-4-1:2000).
ISO 65, Carbon steel tubes suitable for screwing in accordance with ISO 7-1.
ISO 3046 (All parts), Reciprocating intern 212d33c al combustion engines.
ISO 3677, Filler metal for soft soldering, brazing and braze welding — Designation.
3. Termeni si definitii
Pentru utilizarea acestui standard se folosesc urmatorii termeni si definitii:
Manometru A
Manometru amplasat la bransamentul principal cu orasul, intre vana de alimentare si supapa de sens.
Dispozitiv care reduce timpul de raspuns al unui sistem apa-aer sau a unui sistem mixt, prin detectia timpurie a depresiunii aerului sau a unui gaz inert existente in instalatie.
Robinet prin care apa poate fi trecuta pentru a verifica functionarea supapei de control si semnalizare si/sau a alarmei electrice asociate.
Robinet de alarma
O supapa de sens unic, de tip apa-aer, apa-apa sau mixte, care de asemenea initiaza turbina hidraulica atunci cand instalatia de sprinklere functioneaza.
Robinet de alarma, alternativ
Robinet de alarma montat pe supapele de control apa-aer, apa-apa sau mixte.
Robinet de alarma uscat
Robinet de alarma cu preactionare
Robinet de alarma montat la o instalatie cu preactionare.
Robinet de alarma ud
Robinet de alarma montat pe supapele de control apa-apa.
Aria protejata
Aria maxima, asumata prin proiectare, pe care actioneaza un cap sprinkler in cazul unui incendiu.
Aria protejata, cea mai favorabila din punct de vedere hidraulic
Zona retelei de sprinklere dintr-o anumita zona protejata, la care presiunea necesara asigurarii densitatii specifice este maxim la presiunea nominala masurata la supapa de control si semnalizare.
Conducta sprinklerului
O conducta de maxim 0,3 m lungime, alta decat ultima sectiune sau conducte secundare, care alimenteaza un singur cap sprinkler.
Autoritati
Organizatiile responsabile pentru autorizarea instalatiilor de stingere a incendiilor cu capete sprinkler, a echipamentelor si procedurilor, de exemplu autoritatea de control a cladirilor, societatile de asigurari, societatea de alimentare cu apa a localitatii sau alte autoritati publice.
Manometru B
Manometru conectat la supapa de control si semnalizare la acelasi nivel cu robinetul de alarma, care indica presiunea in aval de aceasta.
Pompe de suprapresiune
Pompe automate, alimentate dintr-un rezervor sau de la sursa de alimentare a orasului, care asigura presiunea necesara functionarii in bune conditii a sistemelor sprinkler.
Manometru C
Manometru conectat la supapa de control si semnalizare la acelasi nivel cu robinetul de alarma, care indica presiunea in amonte de aceasta.
Supapa de control si semnalizare
Ansamblu format dintr-un robinet de alarma, o vana de oprire si toate vanele asociate si accesoriile necesare controlului unei singure instalatii de sprinklere.
Sprinkler perdea
Cap sprinkler care protejeaza o usa sau o fereastra intre doua zone, doar pe partea care este protejata de o instalatie sprinkler.
Densitatea proiectata
Densitate minima de descarcare specifica, in milimetri/minut de apa, pentru care este proiectata instalatia de sprinklere,.
Punct de referinta
Punct amplasat pe o conducta de distributie dintr-o instalatie predimensionata, la care, in aval conductele sunt dimensionate cu ajutorul tabelelor si in amonte dimensiunile conductelor sunt determinate prin calcule hidraulice.
Conducta de distributie
Conducta care alimenteaza fie o conducta secundara fie un singur sprinkler cu o conducta mai mare de 300mm.
Ramificatia conductei de distributie
Conducta care leaga o conducta de alimentare principala cu o retea de sprinklere.
Drencer
Cap de pulverizare a apei pe o suprafata utilizat pentru a asigura protectia impotriva incendiului.
Conducta descendenta
Conducte verticale care alimenteaza o retea de distributie sau conducte secundare aflate sub ea.
Retea de tip End-centre
Retea de conducte formata din conducte secundare amplasate de o parte si de alta a unei conducte de distributie.
Retea de tip End-side
Retea de conducte formata din conducte secundare amplasate numai pe a unei conducte de distributie.
Exhaustor
Dispozitiv care scoate aerul sau gazul inert dintr-o instalatie apa-aer sau mixta pentru a micsora timpul de refulare al apei.
Compartiment rezistent la foc
Volum inchis al unei cladiri capabil sa-si mentina etanseitatea la foc un timp minim specificat.
complet calculat
Termen aplicat unei instalatii ale caror dimensiuni de conducte sunt determinate prin calcule hidraulice.
Configuratie sub forma de grila
Retea de conducte la care un cap sprinkler este alimentat din mai mult de o directie.
Elemente suspendate
Ansamblu format dintr-o retea de conducte suspendate de elemente de structura ale cladirii.
Sistem de inaltime mare
Sisteme sprinkler la care cel mai inalt cap sprinkler este la mai mult de 45m deasupra celui mai de jos sprinkler sau deasupra pompelor, oricare distanta este mai mica.
Surse neepuizabile
Surse de alimentare cu apa naturale sau artificiale, ca de exemplu rauri, canale si lacuri, care teoretic nu pot seca.
Instalatii (instalatii sprinkler)
Parte a unui sistem sprinkler compus din supapa de control si semnalizare, conductele asociate din aval si capetele sprinkler.
Instalatii, alternativ
Instalatii a caror retea de conducte este umpluta fie cu apa fie cu aer/gaz inert, in functie de temperatura ambianta.
Instalatie (conducta) uscata
Instalatie a carei retea de conducte este umpluta cu aer sau gaz inert sub presiune.
Instalatii cu preactionare
Una sau mai multe instalatii uscate sau mixte, a caror supapa de control si semnalizare poate fi actionata de un sistem independent de detectare si semnalizare a incendiului.
Instalatie (conducta) uda
Instalatii a caror retea de conducte este umpluta intotdeauna cu apa.
Pompa pilot
Pompa mica utilizata pentru compensarea pierderilor minore de apa pentru a evita declansarile accidentale ale instalatiei.
Sisteme pentru securitatea vietii
Termen aplicat sistemelor sprinkler luate ca o parte integranta a masurilor impuse pentru protectia vietii.
Configuratie inchisa
Retea de conducte in care o conducta secundara este alimentata de la doua conducte de distributie.
Conducta principala de alimentare
Conducta care alimenteaza conductele de distributie
Debitul maxim necesar (Qmax)
Debitul la punctul de intersectie a caracteristicilor debit/presiune a celei mai favorabile zone si caracteristicile debit/presiune cand sursa de alimentare cu apa are nivelul minim.
Imbinari mecanice ale conductelor
Imbinari ale conductelor, altele decat capete tubulare, flanse etc., utilizate pentru imbinarea conductelor si componentelor.
Cladiri multi-etajate
Cladiri formate din doua sau multe nivele, deasupra sau sub nivelul solului.
Nod
Punct al retelei de conducte in care sunt calculate presiunea si debitul; fiecare nod reprezinta un punct de referinta in calcul hidraulic al instalatiei.
Nivelul normal al apei
Nivelul apei la sursa de alimentare cu apa necesar pentru asigurarea cantitatii de apa necesara instalatiei, in relatie cu nivelul minim, incluzand si un nivel de siguranta, de exemplu pentru gheata.
Retea de conducte
Conducte care alimenteaza un grup de capete sprinkler. Pot fi inchise, sub forma de grila sau ramificate.
Predimensionate
Termen aplicat instalatiilor a caror dimensiune de conducte, in aval de punctul de referinta, au fost precalculate hidraulic. Tabele cu diametre sunt prezentate in acest standard.
Hidrofor
Un rezervor sub presiune umplut cu apa care poate fi refulata in instalatie la presiunea necesara.
Conducte secundare
Conducte care alimenteaza un cap sprinkler, fie direct, fie prin intermediul unui brat.
Conducte ascendente
Conducte verticale care alimenteaza o retea de distributie sau conducte secundare aflate deasupra ei.
Pulverizator
Duza de refulare a apei sub forma conica.
Sprinkler (automat)
Duza cu un element termosensibil de obturare cu se deschide pentru a refula apa pentru stingerea incendiului.
Sprinkler de tavan sau la acelasi nivel
Sprinkler cu deflectorul in jos montat partial deasupra celui mai jos plan al tavanului si cu elementul de declansare sub acesta.
Sprinkler ascuns
Sprinkler acoperit cu o placuta metalica care se desprinde la atingerea unei anumite temperaturi.
Sprinkler, normal
Sprinkler care are o forma sferica a jetului de apa.
Sprinkler cu deflectorul uscat in jos (sprinkler antigel cu deflectorul in jos)
Sistem alcatuit dintr-un cap sprinkler si o conducta uscata descendenta cu un robinet, la baza conductei, mentinut inchis de un dispozitiv actionat de elementul termic al capului sprinkler.
Sprinkler cu deflectorul uscat in sus (sprinkler antigel cu deflectorul in sus) Sistem alcatuit dintr-un cap sprinkler si o conducta uscata ascendenta cu un robinet, la baza conductei, mentinut inchis de un dispozitiv actionat de elementul termic al capului sprinkler.
Sprinkler, cu jet plat
Sprinkler care refuleaza apa numai deasupra nivelului deflectorului.
Sprinkler, cu element fuzibil
Sprinkler care se deschide atunci cand o componenta se topeste.
Sprinkler, cu bulb de sticla
Sprinkler care se deschide atunci cand un bulb de sticla plin cu lichid se sparge.
Sprinkler, orizontal
Sprinkler care refuleaza apa orizontal.
Sprinkler, deschis
Sprinkler neobturat de un element termosensibil.
Sprinkler, cu deflectorul in jos
Sprinkler care refuleaza apa in jos.
Sprinkler, incastrat
Cap sprinkler al carui element termosensibil este, fie partial, fie total, deasupra nivelului cel mai de jos al tavanului.
Deflectorul
Placa ce acopera orificiul dintre shank sau corpul sprinklerului proiectat printr-un tavan suspendat, si tavan.
Sprinkler, mural
Sprinkler care refuleaza apa sub forma unei jumatati de paraboloid.
Sprinkler, tip spray (cu pulverizare medie)
Sprinkler care refuleaza apa in jos.
Sprinkler, cu deflectorul in sus
Sprinkler care refuleaza apa in sus.
Set sprinkler
Ansamblu de doua sau mai multe componente, care, atunci cand sunt instalate, alcatuiesc o parte a unui sistem de stingere cu sprinklere (mai mult decat un set poate fi utilizat pentru a realiza un sistem) si care este comercializat de un singur furnizor.
Sistem de sprinklere
Toate componentele care ofera protectie cu capete sprinkler, alcatuite din una sau mai multe instalatii sprinkler, reteaua de conducte care alimenteaza instalatia si sursa(ele) de apa.
Cadrul capului sprinkler
Parte a unui cap sprinkler care incadreaza elementul termosensibil, in contact direct cu acesta.
Staggered (sprinkler) layout
Amplasarea standard (sprinklere)
Montarea standard cu capetele sprinkler perpendiculare pe conducta secundara.
Extensii auxiliare mixte (conducte uscate sau ude)
O parte a unei instalatii apa-apa care, in functie de temperatura ambianta, este umpluta cu apa sau aer/gaz inert si care este controlata de o supapa de control si semnalizare apa-aer sau mixta.
Extensie auxiliara uscata
O parte a unei instalatii apa-aer sau mixta care este umpluta permanent cu aer/gaz inert.
Potrivit a se utiliza pentru instalatiile sprinkler
Termen aplicat echipamentelor si componentelor acceptate de autoritati ca adecvate pentru a face parte dintr-un sistem de sprinklere, fie in conformitate cu standardele EN acolo unde sunt disponibile, fie, in caz contrar, in concordanta cu criterii specifice.
Conducta de alimentare
Conducta care conecteaza sursa de apa cu o conducta principala sau cu supapa de control si semnalizare; sau o conducta care alimenteaza un rezervor sau un rezervor de acumulare.
Tavane suspendate deschise
Tavane suspendate care prin constructie ofera goluri prin care apa poate refulata liber.
Configuratie principala finala
Retea de conducte alimentate de la o singura sursa pentru fiecare conducta secundara.
Configuratie secundara finala
Retea de conducte alimentate de la o singura sursa de la o conducta de distributie.
Conducta principala
Conducta care alimenteaza supapa de control si semnalizare cu una sau mai multe surse de apa.
Punct de referinta in alimentarea cu apa
Punct din reteaua de conducte in care caracteristicile privind presiunea si debitul sunt impuse si monitorizate.
Zona
Subdiviziune a unei instalatii cu un debit specific de alarma si prevazuta cu monitored subsidiary stop.
4. Caiet de sarcini si documentatie
4.1 Generalitati
a) numele utilizatorului si al proprietarului, unde sunt cunoscute;
b) adresa si locul de amplasare;
c) gradul de ocupare al cladirii;
d) numele proiectantului;
e) numele verificatorului de proiect (proiectantul nu poate fi si verificator de proiect);
f) data si numarul de inregistrare.
4.2 Consideratii initiale
a) o descriere generala a sistemului;
b) un studiu care sa contina:
tipul (-rile) de instalatie (-i) si riscul (-rile) de incendiu si modul de depozitare in compartimentele de incendiu;
intinderea sistemului cu detalii asupra oricarei zone neprotejate;
constructia si utilizatorii cladirii principale si modul de comunicare cu constructiile invecinate;
sectiunea transversala a intregii constructii, in care se specifica inaltimea maxima de montaj a capetelor sprinkler, in raport cu un plan de referinta bine stabilit;
c) informatii generale privind alimentarea cu apa, incluzand presiunea la conducta de bransament, data si ora reviziei instalatiei si graficul acestor revizii;
d) o declaratia privind proiectarea si montarea instalatiei conform prevederilor acestor standard. Daca exista prevederi care nu pot fi respectate, in declaratie se vor mentiona detaliile privind aceste cazuri speciale si motivele pentru care nu pot fi indeplinite aceste cerinte.
4.4 Etapa de proiectare
4.4.1. Generalitati
instalatie LH – 225 l/min;
instalatie OH – 1000 l/min;
instalatie HH – debitul este precizat in tabelul 7 sau punctul 7.3.2.2 din acest standard.
c) in urma calculelor de la punctul 13.3, se obtine:
in instalatiile LH si OH, pentru fiecare conducta, pf-ph nu trebuie sa depaseasca valoarea specificata in 13.3.3 sau 13.3.4; si/sau
in
instalatiile HHP si HHP proiectate conform tabelelor ![]()
unde
pd – presiunea specificata in tabelul 7, in bar;
pf – pierderea de presiune in reteaua de distributie, intre punctul de referinta si punctul C al supapei de control si semnalizare;
ph– presiunea statica intre nivelul punctului de referinta cel mai inalt din nivelul considerat si nivelul punctului de referinta cel mai inalt al materialului depozitat
ps – pierderea de presiune corespunzatoare celui mai inalt cap sprinkler din reteaua dimensionata, deasupra punctului C al supapei de control si semnalizare.
4.4.3.3 Dimensionare completa a conductelor
aria maxima protejata, in m2;
numarul de sprinklere din aria protejata;
diametrul nominal al sprinklerelor;
aria maxima protejata de un cap sprinkler;
piese desenate cu detalii si dimensionari, in care sunt precizate:
i. nodul sau conducta de referinta utilizat pentru identificarea conductelor, jonctiunilor, capetelor sprinkler si armaturilor, care intervin in calculul hidraulic;
ii. cea mai defavorabila zona din punct de vedere hidraulic;
iii. cea mai favorabila zona din punct de vedere hidraulic;
iv. cele patru sprinklere pe care se bazeaza determinarea densitatii specifice;
v. inaltimea de deasupra punctului de referinta a fiecarui punct identificat printr-o valoare a presiunii.
e) pentru fiecare cap sprinkler:
numarul nodului sau numarul de referinta al capului sprinkler;
factorul k (conform SR EN 12259-1/2003);
debitul nominal, in l/min;
presiunea nominala a capului sprinkler sau a sistemului, in bar;
f) pentru fiecare conducta principala:
numarul nodului sau numarul de referinta al conductei;
sectiunea de trecere;
constanta Hazen-Williams;
debitul, in l/min;
viteza de curgere, in m/s;
lungimea, in m;
numarul, tipul si lungimea echivalenta a armaturilor si a componentelor acestora;
raza de curbura a cotului, in m;
presiunea la intrare si iesire din conducta, in bar;
pierderea de presiune, in bar;
directia de curgere.
4.4.4. Alimentare cu apa
4.4.4.1 Piese desenate
Piesele desenate trebuie sa contina reteaua de conducte de la sursa de apa pana la supapa de control si semnalizare. O legenda cu simbolurile utilizate trebuie atasata desenului. De asemenea, trebuie indicate pozitia si tipul robinetelor, a vanelor, apometrelor, supapelor de sens si a altor racordari la aceasta conducta.
4.4.4.2 Calcul hidraulic
Calculul hidraulic trebuie sa arate ca caracteristicile minime ale sursei de alimentare asigura presiunea si debitul necesare functionarii in bune conditii a instalatiei de sprinklere
4.4.4.3 Bransament principal
Acolo unde reteaua de alimentare a localitatii reprezinta una din sursele de alimentare sau chiar amandoua sau ofera o solutie de micsorare a rezervorului de incendiu, urmatoarele detalii trebuie precizate:
a) diametrul nominal al retelei localitatii in punctul de bransament;
b) daca conducta de alimentare este
c) graficul caracteristic presiune/debit al localitatii trasat in perioada de consum maxim. Trebuie determinate cel putin 3 puncte presiune/debit. Graficul trebuie ajustat cu pierderile de presiune intre locatia unde a fost testat sistemul de alimentare si fie punctul C de la supapa de control si semnalizare fie conducta de absorbtie a rezervorului de incendiu, dupa caz;
d) data si ora prevazuta pentru revizia retelei de alimentare cu apa a localitatii;
e) amplasarea punctului de testare al sistemului de alimentare cu apa fata de supapa de control si semnalizare;
Acolo unde reteaua de conducte este dimensionata mai trebuie precizate urmatoarele detalii:
f) un grafic presiune/debit din care sa reiasa debitul si presiunea disponibila la cererea maxima;
g) grafic presiune/debit pentru fiecare instalatie pentru cel mai defavorabil, din punct de vedere hidraulic, cap sprinkler (si daca este solicitat si pentru ce mai favorabil) cu presiunea punctului C al supapei de control si semnalizare.
4.4.4.4 Grup automat de pompare
Urmatoarele informatii trebuie precizate pentru fiecare grup automat de pompare:
a) curba caracteristica a pompelor pentru nivelul minim X (figura 4 si figura 5), aratand performantele estimate ale acestora, cand sunt instalate la manometrul C al supapei de control si semnalizare;
b) caracteristicile pompei, oferite de producator, care trebuie sa contina:
graficul pierderii de presiune;
graficul puterii absorbite;
graficul NPSH;
o declaratie privind puterea dezvoltata de fiecare starter (motor la pornire).
c) grafic cu caracteristicile presiune/debit la manometrul C al supapei de control si semnalizare pentru nivelul normal al apei din rezervor si pentru nivelul minim X (figura 4 si figura 5) si presiunea la iesirea din grupul de pompare pentru nivelul normal;
d) diferenta de inaltime intre manometrul C al supapei de control si semnalizare si iesirea pompei;
e) numarul de inregistrare si clasa de protectie;
f) NPSH valabil si specific pentru debitul maxim;
g) adancimea minima a apei, pentru pompele submersibile.
Acolo unde reteaua de conducte este dimensionata mai trebuie precizate:
h) caracteristicile presiune/debit pentru zona cea mai defavorabila si zona cea mai favorabila din punct de vedere hidraulic, calculata la manometrul C al supapei de control si semnalizare.
4.4.4.5 Rezerva de apa
Urmatoarele informatii trebuie precizate:
a) locul de amplasare;
b) volumul total al rezervorului;
c) volumul efectiv si durata;
d) debitul de intrare pentru rezervoarele mici;
e) inaltimea dintre axul pompelor si nivelul minim X al apei din rezervor;
f) detalii structurale ale acoperisului;
g) perioada recomandata intre reparatiile care necesita golirea rezervorului;
h) protectia impotriva inghetului;
i) nivelul minim X si normal N al apei in rezervor (figura 4).
j) diferenta de inaltime intre rezervorul gravitational si cel mai inalt cap sprinkler.
4.4.4.6 Hidrofor
Urmatoarele detalii trebuie oferite:
a) amplasarea hidroforului;
b) volumul total al hidroforului;
c) volumul total de apa;
d) presiunea pernei de aer;
e) inaltimea celui mai inalt si/sau defavorabil din punct de vedere hidraulic cap sprinkler avand ca punct de referinta fundul vasului hidrofor;
f) distanta verticala intre cel mai jos cap sprinkler si fundul vasului hidrofor;
g) detalii privind completarea cu apa.
5. Arie protejata de sprinklere
5.1. Cladiri si arii protejate
Daca se doreste ca o cladire sa fie protejata de sprinklere, aceasta instalatie trebuie sa acopere toate ariile acesteia, inclusiv cladirile care comunica cu ea, exceptand cazurile prezentate la punctele 5.1.1, 5.1.2 si 5.3.
O atentie deosebita trebuie acordata protectiei grinzilor metalice.
5.1.1 Exceptii permise in interiorul cladirii
Protectia cu sprinklere trebuie luata in considerare in urmatoarele cazuri, dar poate fi omisa dupa o analiza aprofundata a sarcinii termice in fiecare caz:
a) bai si toalete (cu exceptia garderobelor) din materiale incombustibile si care nu sunt utilizate pentru depozitarea materialelor combustibile;
b) case de scari inchise si puturi verticale (lifturi) construite din materiale incombustibile ce constituie un compartiment de incendiu (a se vedea punctul 5.3);
c) camere protejate de alte sisteme de stingere (gaze inerte, pulbere sau apa pulverizata);
d) procese tehnologice umede cum ar fi fabricatia hartiei.
5.1.2 Exceptii necesare
Protectia cu sprinklere nu trebuie utilizata in urmatoarele zone ale unei cladiri sau fabrici:
a) silozuri sau hambare in care sunt depozitate materiale care in contact cu apa pot expanda;
b) in vecinatatea cuptoarelor industriale sau a cuptoarelor de var, a bailor de sare, oale de turnare sau echipamente similare daca riscul ar creste prin utilizarea apei la stingerea incendiilor;
c) zone, camere sau locuri unde refularea apei poate prezenta un risc.
Nota: In aceste cazuri, alte sisteme automate de stingere trebuie luate in considerare (gaze inerte, pulbere).
5.2 Depozite in aer liber
Distanta dintre materialele combustibile depozitate in aer liber si cladirea ce urmeaza a fi protejata de instalatia sprinkler trebuie sa corespunda normelor in vigoare.
Unde nu este reglementata, distanta dintre materialele combustibile depozitate in aer liber si cladirile protejate de instalatia sprinkler trebuie sa fie de 1,5 ori inaltimea materialului depozitat dar nu mai mica de 10m.
Nota: O separare antiincendiu poate fi obtinuta printr-un zid rezistent la foc sau printr-un sistem de protectie corespunzator.
5.3 Compartimentari antiincendiu
Peretii care despart compartimente protejate cu instalatii sprinkler si compartimente neprotejate trebuie sa aiba rezistenta la foc specificata de legislatia in vigoare sar nu mai putin de 60 minute. Usile trebuie sa aiba un dispozitiv de inchidere automata sau sa se inchida automat in caz de incendiu.
Nota: Nici o zona a cladirii care nu este protejata de instalatii sprinkler trebuie sa fie amplasata sub o zona protejata de instalatia sprinkler, cu exceptia zonelor mentionate la punctele 5.1.1 si 5.1.2.
5.4 Protectia tavanelor false si a pardoselilor false
Daca inaltimea spatiului fals este mai mare de 0,8m, masurat intre partea interioara a tavanului si marginea superioara a tavanului fals sau intre pardoseala si partea interioara a pardoselii false, acestea trebuie protejate cu instalatii sprinkler.
Daca inaltimea spatiului fals este mai mica de 0,8m, acestea trebuie protejate cu instalatii sprinkler numai daca contin materiale combustibile sau sunt construite cu materiale combustibile. De asemenea, este permisa utilizarea instalatiilor sprinkler la cabluri electrice monofazate, sub 250V cu maxim 15 cabluri pe jgheab.
Protectia in spatiile false trebuie sa fie pentru LH cand riscul de incendiu este LH si OH1 pentru celelalte spatii. Montajul conductelor este descris la punctul 17.3.
5.5 Diferenta de inaltime intre cel mai inalt si cel mai jos cap sprinkler
Acolo unde aceasta diferenta de inaltime dintr-un sistem sau o cladire depaseste 45m trebuie aplicate cerintele anexei E din acest standard.
Diferenta de inaltime a capetelor sprinkler (montate la o singura supapa de control si semnalizare) nu trebuie sa depaseasca 45m.
6. Clasificarea a utilizatorilor si a riscului de incendiu
6.1 Generalitati
Riscul de incendiu trebuie determinat inainte de inceperea proiectarii instalatiei sprinkler.
Cladirile si spatiile care urmeaza a fi protejate de sisteme automate de sprinklere trebuie incadrate la risc mic de incendiu – LH, risc mediu de incendiu – OH si risc mare de incendiu – HH.
Clasificarea tine cont de materialele depozitate si sarcina termica. Exemple sunt prezentate in anexa A.
Acolo unde zone cu risc de incendiu diferit comunica intre ele, criteriile de proiectare pentru zona cu riscul mai mare trebuie aplicate si cel putin primelor 2 ramuri din zona cu risc mai mic.
6.2 Clase de risc de incendiu
Cladirile si spatiile protejate care indeplinesc una sau mai multe conditii prezentate mai jos, trebuie clasificate ca apartinand unui risc de incendiu, dupa cum urmeaza:
6.2.1 Risc mic – LH
Utilizari cu materiale cu sarcina termica mica, combustibilitate mica si cu nici un compartiment de incendiu mai mare de 126m2 cu o rezistenta la foc de cel putin 30 minute. Pentru exemple trebuie consultata anexa A.
6.2.2 Risc mediu – OH
Utilizari unde sunt procesate sau fabricate materiale combustibile cu o sarcina termica medie si combustibilitate medie. Pentru exemple trebuie consultata anexa A.
Riscul mediu se imparte in 4 subgrupe:
risc mediu grupa 1 – OH1;
risc mediu grupa 2 – OH2;
risc mediu grupa 3 – OH3;
risc mediu grupa 4 – OH4.
Anexa B
Metodologia clasificare Anexa C
lista alfabetica cu produse
Figura 2 – Algoritm de determinare a criteriilor de proiectare pentru depozitare
Nota: Atunci cand nici una din aceste anexe nu este in totalitate aplicabila si exista date reale obtinute din experimente, acestea pot fi utilizate pentru a stabili cerintele de proiectare.
6.3.2 Tipuri de depozitare
Legenda
vrac sau bloc (ST1);
stelaje (ST4);
paleti pe un singur rand (ST2);
paleti pe mai multe randuri (ST3);
rafturi (ST5/6).
Figura 3 Moduri de depozitare
7. Criterii de proiectare hidraulice
7.1 LH, OH si HHP
Q1 – debitul conform tabelului 7, l/min;
a1 – aria protejata cu densitatea specifica, m2;
a2 – aria protejata sau in cazul descris la 7.3.2.2 la 7.3.2.5 aria deservita de fiecare conducta de distributie, m2.
8. Alimentarea cu apa
8.1 Generalitati
8.1.1 Durata de functionare
Alimentarea cu apa trebuie sa fie capabila sa asigure automat cel putin caracteristicile debit/presiune ale instalatiei. Daca sursa de apa este utilizata si de alte sisteme de stingere, conform 9.6.4, exceptand hidrofoarele, fiecare sursa de apa trebuie sa asigure aceste caracteristici pe o perioada egala cu:
LH: 30 minute;
OH: 60 minute;
HHP: 90 minute;
HHS: 90 minute.
Nota: In cazul alimentarii cu apa de la reteaua orasului, a unei surse inepuizabile si a tuturor sistemelor predimensionate, durata de asigurare a cantitatii de apa este implicit dedusa din cerintele acestui standard.
a) reteaua de alimentare a localitatii;
b) reteaua de alimentare a localitatii cu pompe de ridicare de presiune;
c) hidrofor (numai pentru sistemele LH si OH1);
d) rezervoare gravitationale;
e) rezervor cu una sau mai multe pompe;
f) o sursa neepuizabila cu una sau mai multe pompe.
9.6.2 Surse de alimentare de nivel superior
Sursele de alimentare de nivel superior sunt acele surse care prezinta un grad mai mare incredere. Ele includ:
a) reteaua de alimentare a localitatii, alimentata pe doua cai, care indeplineste urmatoarele conditii:
fiecare cale trebuie sa asigure presiunea si debitul necesare sistemului de stingere;
trebuie alimentata de la 2 sau mai multe surse de apa;
trebuie sa fie independente in orice punct al retelei;
daca sunt necesare pompe de ridicare a presiunii trebuie montate 2 sau mai multe.
b) rezervor gravitational fara pompe sau un rezervor de stocare cu una sau mai multe pompe, unde rezervorul indeplineste urmatoarele conditii:
rezervorul trebuie sa fie tot timpul plin;
nu trebuie sa patrunda in rezervor raze de lumina sau suspensii aduse de vant;
trebuie umplute cu apa potabila;
rezervorul trebuie protejat impotriva coroziunii care sa mareasca perioada dintre reparatiile care implica golirea rezervorului la mai mult de 10 ani;
c) sursa neepuizabilaa cu 2 sau mai multe pompe.
9.6.3 Doua surse de alimentare cu apa
Consta din 2 surse de alimentare cu apa independente. Fiecare sursa, fiind parte a unui intreg, trebuie sa asigure debitul si presiunea necesare date in capitolul 7.
Orice combinatie de o singura sursa de alimentare poate fi folosita (inclusiv surse superioare de alimentare cu apa), cu respectarea urmatoarelor:
a) sistemelor OH le va fi alocat un hidrofor;
b) poate fi utilizat un rezervor de capacitate redusa (a se vedea punctul 9.3.4);
9.6.4 Surse combinate de alimentare cu apa
Surse combinate de alimentare trebuie sa fie superioare celor prezentate mai sus si sunt proiectate sa alimenteze mai multe instalatii de stingere a incendiilor, ca de exemplu alimentarea hidrantilor exteriori, hidrantilor interiori si a instalatiei sprinkler.
Nota: Unele state pot sa nu permita alimentarea instalatiei sprinkler de la o sursa combinata de alimentare cu apa.
o cladire separata;
o cladirea adiacenta unei cladiri protejata cu instalatii sprinkler cu acces direct din exterior;
un compartiment dintr-o cladire protejata cu instalatii sprinkler cu acces direct din exterior;
10.3.2 Protectie cu instalatii sprinkler
Camera pompelor trebui protejata cu instalatii sprinkler. Unde camera este separata, poate fi nepractica montarea instalatiei sprinkler de la supapa de control si semnalizare. Protectia poate fi oferita de la cel mai accesibil punct din aval de vana de sens a pompei, printr-un robinet deschis permanent, impreuna cu un detector de curgere (conform EN 12259-5), pentru a alarma, audibil si vizibil, starea de incendiu. Echipamentul de alarmare trebuie instalat fie la supapa de control si semnalizare fie la un dispecerat cu supraveghere permanenta (a se vedea anexa I).
Un robinet de testare si o conducta cu diametrul nominal de 15mm trebuie montate in aval de alarma pentru a permite testarea acestui dispozitiv.
10.3.3 Temperatura
In camera pompelor trebuie mentinuta o temperatura de minim:
40C pentru pompele actionate electric;
100C pentru pompele actionate cu motor diesel;
10.3.4 Ventilare
Camera pompelor actionate de motoare diesel trebuie prevazute cu ventilare adecvata, in concordanta cu recomandarile producatorului.
10.4 Temperatura maxima a apei de alimentare
Temperatura maxima a apei de alimentare trebuie sa fie de 400C. Unde sunt utilizate pompe submersibile, apa nu trebuie sa depaseasca 250C, doar daca piesele motorului au fost prevazute pentru temperaturi mai mari de 400C, in concordanta cu prEN 12259-12.
10.5 Robinete si accesorii
Un robinet de oprire trebuie montat pe conducta de aspiratie a pompei si o supapa de sens si un robinet de oprire pe conducta de refulare.
Orice cot al conductei de refulare nu trebuie sa depaseasca 150 pe directia de curgere a apei. Robinete trebuie montate pe conductele de refulare, dupa fiecare schimbare de directie.
De asemenea trebuie prevazute posibilitati de ventilare a pieselor pompei, doar daca aceasta nu are prevazute din constructie aceste posibilitati.
Trebuie luate toate masurile pentru asigurarea unui debit continuu prin pompa, suficient pentru a preveni supraincalzirea pompei cand aceasta refuleaza catre un robinet inchis. Acest debit trebuie luat in calculul sistemului hidraulic si alegerea pompei. Conducta de refulare trebuie sa fie vizibila si acolo unde sunt mai multe pompe, refularile acestora trebuind sa fie separate.
Instalatia de racire a motoarelor diesel utilizeaza aceeasi apa. Oricum, daca este utilizata apa suplimentara, si acesta trebuie luata in calcul.
Inregistrarile presiunii de intrare si iesire trebuie sa fie usor accesibile.
10.6 Conditii de aspiratie
10.6.1 Generalitati
Oriunde este posibil trebuie utilizate pompe centrifugale orizontale, instalate in presiune pozitiva, in concordanta cu urmatoarele:
cel putin 2/3 din cantitatea nominala de apa a rezervorului trebuie sa fie deasupra axului pompei;
axul pompei trebuie sa fie la cel mult 2m sub nivelul minim al apei (nivelul X din 9.3.5).
Daca nu este economic, pompa poate fi montata inecat sau cu ax vertical.
Nota: Pompele inecate si pompele submersibile trebuie evitate si sunt utilizate doar daca nu este posibila alta solutie.

1 Conducta si robinetul de testare
2 Conducta de purjare a aerului din pompa
3 Rezervor de amorsare
4 Plutitor
5 Conducta de preaplin
6 Conducta de golire a rezervorului de amorsare
7 Detector de nivel minim pentru actionarea pompei
8 Robinet de oprire de la rezervorul de amorsare
9 Supapa de sens de la rezervorul de amorsare
10 Dispozitivul de pornire a pompelor
11 Rezervorul de aspiratie
12 Conducta principala de alimentare a instalatiei
13 Nivelul minim la care pornesc pompele
14 Butoane de pornire a pompelor
15Manometru
Figura 6 – Dispozitivul de amorsare a pompelor
Tipul de risc
Inaltimea maxima a sprinklerului, deasupra supapei de control si semnalizare, [m]
Date nominale
Caracteristici
Presiune [bar]
Debit
[l/min]
Presiune [bar]
Debit
[l/min]
Presiune [bar]
Debit
[l/min]
LH – apa-apa sau cu preactionare
![]()
![]()
![]()
OH1 – apa-apa sau cu preactionare
![]()
![]()
![]()
OH1 – apa-aer sau mixte
OH2 – apa-apa sau cu preactionare
![]()
![]()
![]()
OH2 – apa-aer sau mixte
OH3 – apa-apa sau cu preactionare
![]()
![]()
![]()
OH3 – apa-aer sau mixte
OH4 – apa-apa sau cu preactionare
![]()
![]()
![]()
Nota 1: Presiunea prezentata este masurata la supapa de control si semnalizare
Nota 2: in cazul instalatiilor inalte trebuie demonstrat ca caracteristicile pompei sunt conforme cu debitul si presiunea specificata la punctul 7.3.1.
10.7.2 Sisteme predimensionate de tip HHP si HHS fara sprinklere de raft

ALIMENTARE POMPE SPRINKLERE – A NU SE INCHIDE IN CAZ DE INCENDIU
Literele trebuie sa fie albe pe fond rosu si trebuie sa aiba cel putin 10mm inaltime. Intreruptorul trebuie protejat impotriva intemperiilor.
10.8.4 Instalatia de alimentare dintre panoul de control si motorul pompei
a) sa porneasca motorul de actionare la primirea unui semnal de la presostate;
b) sa porneasca motorul de actionare manual;
c) sa opreasca motorul de actionare numai printr-o actiune manuala.
Dispozitivul trebuie echipat si cu un ampermetru.
In cazul pompelor submersibile o placuta cu caracteristicile acesteia trebuie montata pe dispozitivul de control.
Cu exceptia pompelor submersibile, dispozitivul de control al pompelor trebuie amplasat in aceeasi incapere cu pompele si motoarele de actionare.
Contactele trebuie sa fie conform categoriei de utilizare AC-4 din EN 60947-1 si EN 60947-4.
10.8.6 Supravegherea functionarii pompelor
Trebuie supravegheate urmatoarele conditii:
![]()
10.9.3 Sistemul de racire
Sistemul de racire trebuie sa fie unul din urmatoarele tipuri:
a) racirea cu apa provenita din instalatia sprinkler pompata direct pe camasile cilindrilor motorului, printr-un dispozitiv de reducere a presiunii, daca este cazul, in concordanta cu indicatiile furnizorului. Conducta de evacuare trebuie sa fie deschisa astfel incat deversarea apei sa fie vizibila;
b) un schimbator de caldura, unde apa este luata din instalatia sprinkler, pompata printr-un reductor de presiune, daca este cazul, in concordanta cu prevederile producatorului. O pompa auxiliara actionata de motor trebuie sa circule apa in circuit inchis. Daca pompa auxiliara este actionata printr-o curea de transmisie, trebuie montate un numar suficient de curele, astfel incat, daca un numar de pana la jumatate din ele s-ar rupe, celelalte sa poata actiona pompa. Capacitatea circuitului inchis trebuie sa fie conforma cu valoarea specificata de furnizorul motorului;
c) un radiator racit cu aer, cu un ventilator actionat prin curele multiple de catre motor. Daca jumatate din curele s-ar rupe, celelalte trebuie sa fie capabile sa actioneze ventilatorul. O pompa auxiliara actionata de motor trebuie sa circule apa in circuit inchis. Daca pompa auxiliara este actionata printr-o curea de transmisie, trebuie montate un numar suficient de curele, astfel incat, daca un numar de pana la jumatate din ele s-ar rupe, celelalte sa poata actiona pompa. Capacitatea circuitului inchis trebuie sa fie conforma cu valoarea specificata de furnizorul motorului;
d) racirea cu aer directa a motorului prin intermediul unui ventilator actionat de curele de transmisie multiple. Daca jumatate din curele s-ar rupe, celelalte trebuie sa fie capabile sa actioneze ventilatorul.
10.9.4 Filtrare aer
Priza de aer a motorului trebuie prevazuta cu un filtru de aer.
10.9.5 Instalatie de exhaustare
Conducta de evacuare trebuie montata cu un amortizor de zgomot iar presiunea totala interna nu trebuie sa depaseasca recomandarea furnizorului.
Acolo unde conducta de evacuare este amplasata la un nivel superior fata de motor, conducta principala trebuie sa fie prevazut un dispozitiv care sa previna intoarcerea condensului in motor.
Teava de evacuare trebuie pozitionata astfel incat sa previna reintrarea gazelor evacuate, in casa pompelor. Ea trebuie sa fie izolata si instalata astfel incat sa nu existe riscul aprinderii.
10.9.6 Combustibil, rezervor de combustibil si teava de alimentare cu combustibil
Calitatea combustibilului utilizat trebuie sa fie in conformitate cu recomandarile furnizorului. Rezervorul de combustibil trebuie sa contina suficient combustibil pentru a asigura o functionare la nivel maxim a motorului astfel:
3 ore pentru LH;
4 ore pentru OH;
6 ore pentru HHP si HHS.
Rezervorul de combustibil trebuie sa fie din otel sudat. Acolo unde exista mai mult decat un motor, trebuie sa existe un rezervor de combustibil si o teava de transport a combustibilului pentru fiecare motor.
Rezervorul de combustibil trebuie sa fie fixat la un nivel superior pompei pentru a asigura o presiune hidrostatica pozitiva, dar nu direct deasupra motorului. De asemenea el trebuie echipat cu un indicator al nivelului de combustibil aflat in rezervor.
Orice robinet montat pe conducta de alimentare, aflata intre rezervorul de combustibil si motoare trebuie amplasat adiacent conductei, sa fie marcat si sa fie pe pozitia normal deschis. Armaturile nu trebuie sudate. Pentru conductele de combustibil trebuie sa folosite conducte metalice.
Conducta de alimentare trebuie situata la cel putin 20mm deasupra partii de sus a rezervorului de combustibil. Un robinet de evacuare de cel putin 20mm diametru trebuie fixat la baza rezervorului.
Nota: Orificiul de ventilare al rezervorului de combustibil trebuie sa se afle in afara cladirii.
ACTIONEAZA BUTONUL DE VERIFICARE A PORNIRII MANUALE DACA LAMPA ESTE APRINSA
Nota
1: Incarcatoarele pentru acumulatori cu acid trebuie sa
furnizeze o tensiune electrica de ![]()
Nota
2: Incarcatoarele pentru acumulatorii nichel-cadmiu trebuie sa
furnizeze o tensiune electrica de ![]()
10.9.10 Amplasarea acumulatorilor si incarcatoarelor
HH, incluzand instalatiile sprinkler LH si OH
11.2 Instalatii apa-aer
11.2.1 Generalitati
Instalatiile apa-aer sunt incarcate in mod normal cu aer sau gaz inert sub presiune in aval de supapa de control si semnalizare si cu apa in amonte de aceasta.
Trebuie asigurata o rezerva de aer/gaz inert pentru mentine presiunea necesara functionarii instalatiei. Instalatia trebuie presurizata la o valoare stabilita de furnizorul supapei de control si semnalizare.
Instalatiile apa-aer se monteaza trebuie instalate doar acolo unde exista pericol de inghet sau temperatura mediului ambiant depaseste 700C (ex. etuve de uscare).
11.2.2 Dimensiunea instalatiei
Volumul net al instalatiei, masurat de la supapa de control si semnalizare, nu trebuie sa depaseasca valorile din tabelul 18, doar daca din calcule si incercari se demonstreaza ca timpul maxim intre declansarea capului sprinkler si refularea apei nu depaseste 60 secunde. Incercarea trebuie efectuata folosind robinetul de incercare la o distanta specificata la punctul 15.5.2.
Nota: Este recomandat ca instalatiile apa-aer si cele mixte sa nu fie folosite pentru zone cu risc HHS, din moment ce intarzierea cu care apa ajunge la capul sprinkler declansat, poate diminua performantele sistemului.
Tabelul 18 – Volumul maxim al instalatiei – sisteme apa-aer si mixte
|
Tipul instalatiei |
Volumul maxim al instalatiei [m3] |
|
|
LH si OH |
HH |
|
|
Cu accelerator sau exhaustor |
|
|
11.3 Instalatii mixte
11.3.1 Generalitati
Instalatiile mixte incorporeaza fie o supapa de control si semnalizare altenativa fie un sistem format dintr-o supapa de control si semnalizare apa-apa fie apa-aer. Pe timpul lunilor de iarna instalatia aflata in aval de supapa de control si semnalizare este umplut cu aer sau gaz inert sub presiune, iar in amonte instalatia este umpluta cu apa. In celelalte perioade ale anului instalatia functioneaza apa-apa.
11.3.2 Dimensiunea instalatiei
Volumul net al sistemului de instalatii aflat in aval de supapa de control si semnalizare nu trebuie sa depaseasca valorile prevazute in tabelul 18.
11.4 Instalatii cu preactionare
11.4.1 Generalitati
Instalatiile cu preactionare pot fi din urmatoarele tipuri:
11.4.1.1 Instalatii cu preactionare de tipul A
Aceasta este un alt tip de instalatie apa-aer in care supapele de control si semnalizare sunt activate de un sistem automat de detectare si semnalizare a incendiului si nu de declansarea capetelor sprinkler.
Presiunea aerului/gazului inert trebuie monitorizata tot timpul (a se vedea anexa I). Pentru actionarea supapei cu preactionare in caz de urgenta, trebuie asigurat si un robinet de pornire rapida a instalatiei.
Nota: Instalatiile cu preactionare de tipul A trebuie instalate doar in zone unde pot avea loc pagube importante in cazul unei scurgeri accidentale de apa.
11.4.1.2 Instalatii cu preactionare de tipul B
Aceasta este un alt tip de instalatie apa-aer in care supapele de control si semnalizare sunt activate fie de un sistem automat de detectare si semnalizare a incendiului, fie de declansarea capetelor sprinkler. Independent de raspunsul detectorilor, o diferenta de presiune in instalatie provoaca deschiderea supapei de control si semnalizare.
Instalatiile cu preactionare de tip B pot fi instalate oriunde sistemul de conducte uscate este necesar si unde se preconizeaza o dezvoltare rapida a incendiului. Totodata poate fi utilizata in locul instalatiilor apa-aer cu sau fara accelerator sau exhaustor.
11.4.1.3 Sisteme sprinkler cu una sau mai multe instalatii cu preactionare
Acolo unde un sistem de sprinklere include una sau mai multe instalatii cu preactionare, trebuie realizata o evaluare a riscului pentru a stabili daca pot actiona simultan mai multe instalatii cu preactionare. Acolo unde este posibil acest lucru urmatoarele aspecte trebuie luate in considerare:
a) volumul rezervelor de apa trebuie marit cu volumul instalatiilor cu preactionare;
b) timpul dintre declansarea instalatiilor multiple cu preactionare si refularea apei la oricare robinet de incercare din instalatie, nu trebuie sa depaseasca 60 de secunde;
11.4.2 Sistem automat de detectie
Sistemul de detectie trebuie instalat in toate compartimentele protejate de sistemul cu preactionare si trebuie sa corespunda cu partile relevante ale SR EN 54 sau, in absenta lor, cu prevederile corespunzatoare in vigoare in locul de utilizare al sistemului sprinkler.
11.4.3 Dimensiune instalatie
Numarul de capete sprinkler aferente unei supape de control si semnalizare nu trebuie sa depaseasca valorile prezentate in tabelul 17.
11.5 Conducte auxiliare sau extensii alternative
11.5.1 Generalitati
Conductele auxiliare sau extensiile alternative trebuie sa respecte punctele 11.2 si 11.3, cu exceptia celor care celor care ating limitele unei instalatii apa-apa.
Ele trebuie montate respectand urmatoarele:
a) ca o conducta uscata sau extensie alternativa la o instalatie apa-apa in arii reduse, acolo unde exista pericol de inghet;
b) ca o extensie de conducta uscata la o instalatie apa-apa sau instalatie mixta in depozite cu temperaturi scazute si etuve cu temperaturi ridicate.
11.5.2 Dimensiuni ale extensiei
Numarul de capete sprinkler din orice extensie, nu trebuie sa depaseasca 100 de bucati. Acolo unde doua astfel de extensii sunt controlate de aceeasi supapa de control si semnalizare, numarul total de capete sprinkler nu va depasi 250 de bucati.
11.6 Instalatii auxiliare cu apa pulverizata
Aceste extensii utilizeaza drencere sau pulverizatoare conectate la o instalatie sprinkler avand aceeasi supapa de control si semnalizare (supapa pentru sistemele cu inundare sau control multiplu).
Extensiile cu apa pulverizata pot fi conectate la o instalatie sprinkler daca conexiunea nu depaseste 80mm si cererea aditionala de apa este luata in considerare atunci cand este proiectata rezerva de apa (a se vedea punctul 8).
Aceste instalatii sunt montate acolo unde se preconizeaza incendii violente cu o propagare rapida sau se doreste inundarea rapida cu apa a unei zone.
12. Amplasare a capetelor sprinkler
12.1 Generalitati
Toate masuratorile privind modul de amplasare a capetelor sprinkler trebuie facute in plan orizontal, facand exceptie cazurile care prevad anume alt mod de masurare.
Sub deflectorul sprinklerelor trebuie pastrat un spatiu de cel putin:
a) pentru LH si OH:
0,3m pentru sprinklere cu jetul apei sub forma de semicerc;
0,5m pentru celelalte tipuri;
b) pentru HHS si HHP: 1,0m.
Capetele sprinkler trebuie montate conform specificatiilor furnizorului.
Cu exceptia sprinklerelor experimentale cu deflectorul in jos, la instalatiile apa-aer, mixte sau cu preactionare se vor folosi capete sprinkler cu deflectorul in sus. Acestea trebuie montate pe o ramificatie de la conducta principala.
Nota 1: Sprinklerele cu deflectorul in sus sunt mai putin expuse deteriorarilor mecanice si la obturarea orificiilor cu impuritati. Totodata ele faciliteaza drenajul complet al apei din conductele de alimentare cu apa.
Nota 2: Sprinklerele cu deflectorul in sus au posibilitatea de a realiza o densitate mai mare de stropire la o viteza mai mare imediat sub si adiacent axei sprinklerului, totodata ele putand control incendiile mult mai eficient in cazul protectiei structurii interioare si a zonelor de depozitare.
Nota: Exemplele sunt date in figura 8 unde dimensiunile S si D sunt distantele intre sprinklerele aflate in planuri opuse.
Tabelul 19 – Aria maxima de protectie si distante intre capete sprinkler,
cu exceptia celor de perete
|
Riscul de incendiu |
Aria maxima de protectie, [m2] |
Distanta maxima conform figurii 8, [m] |
|||||
|
Dimensiunile standard S si D |
Zig-zag |
||||||
|
S |
D |
||||||
|
LegendaRiscul de incendiu |
Aria maxima a sprinklerului [m2] |
Distante |
Latime camera [m] |
Lungime camera [m] |
Randuri de-a lungul peretelui |
Mod de amplasare |
|
|
Intre capetele sprinkler |
Intre capul sprinkler si perete |
||||||
|
LH |
|
|
|
|
Orice lungime |
|
O singura linie |
|
|
|
|
|
|
|
Standard |
|
|
|
|
|
>9,2 |
|
Zig-zag |
||
|
|
|
|
w>7,4 |
Orice lungime |
2 (a se vedea nota 1) |
Standard |
|
|
OH |
|
|
|
|
Orice lungime |
|
O singura linie |
|
|
|
|
|
|
|
Standard |
|
|
|
|
|
>6,8 |
|
Zig-zag |
||
|
|
3,4 (a se vedea nota 2) |
|
w>7,4 |
Orice lungime |
|
Standard (a se vedea nota 1) |
|
|
Nota 1: Trebuie adaugat un rand suplimentar cu sprinklere de tavan sau acoperis. Nota 2: Valoarea poate fi majorata pana la 3,7m daca tavanul are o rezistenta la foc de cel putin 120 minute. Nota 3: Deflectorul trebuie sa aiba intre 0,1 si 0,15m sub tavan si intre 0,05 si 0,15m fata de perete. Nota 4: Nu trebuie sa fie nici un obstacol pe tavan imprejurul sprinklerului 1m de-a lungul peretelui si 1,8m perpendicular pe acesta. |
|||||||
12.3 Distanta minima dintre capetele sprinkler



Legenda
1 tavan
2 perete
Figura 11 – Amplasarea in spatiu grinzilor si arcadelor
(grinzi intr-o singura directie)

Legenda
1 tavan
2 perete
Figura 12 - Amplasarea in spatiu grinzilor si arcadelor
(grinzi pe doua directii)
12.4.8 Sarpante
Puturile verticale din materiale combustibile trebuie protejate cu capete sprinkler instalate la fiecare nivel alternativ si la varful fiecarei sectiuni inchise.
12.4.13 Tavane suspendate
Folosirea tavanelor suspendate sub capetele sprinkler nu este permisa, cu exceptia cazurilor cand materialul nu este recomandat a intra in contact cu apa. Acolo unde capul sprinkler este montat sub tavane suspendate, materialul tavanului trebuie sa fie dintr-un tip stabil in conditii de incendiu.



![]()
![]()
![]()
13 Dimensiunea si configuratia conductelor
13.1 Generalitati
13.1.1 Dimensiunea conductei

unde:
p pierderea de presiune, bar;
Q debitul de curgere prin conducte, l/min;
d diametrul conductei, mm;
C constanta functie de tipul si uzura conductei (a se vedea tabelul 22);
L lungimea echivalenta a conductei si armaturilor, m.
Trebuie utilizate valorile lui C indicate in tabelul 22
Tabelul 22 – Valoarea lui C in functie de tipul si uzura conductei
|
Tipul conductei |
C |
|
Fonta turnata |
|
|
Fonta ductila |
|
|
Otel moale |
|
|
Otel galvanizat |
|
|
Ciment armat |
|
|
Fonta protejata in ciment |
|
|
Otel inoxidabil |
|
|
Cupru |
|
|
Fibra de sticla consolidata |
|
|
Nota: lista nu este exhaustiva |
|
Pierderea de presiune datorata vitezei de curgere poate fi neglijata.
13.2.2 Diferenta de presiunea statica
![]()
unde:
p diferenta de presiune statica, bar;
h distanta pe verticala intre cele doua puncte, m;
13.2.3 Viteza
Armaturi si robinete
Lungimea echivalenta pentru o valoare C=120a [m]
Diametrul nominal [mm]
Cot continuu 900 standard
Cot sudat la 900 (r/d=1,5)
Cot continuu 450 standard
Ramificatie sub forma de T sau cruce (curgere prin ramificatie)
Robinet de oprire
Robinet de alarma sau de sens (tip oscilant)
Robinet de alarma sau de sens (tip ciuperca)
Robinet tip fluture
Robinet cu sfera
a aceste lungimi echivalente pot fi aplicate si conductelor cu alt coeficient C inmultind valorile din tabel cu urmatorii factori:
|
C |
|
|
|
|
|
|
Factorul de amplificare |
|
|
|
|
|
13.2.5 Precizia calculelor
Calculele trebuie facute in unitatile de masura si cu precizia date in tabelul 24.
Tabelul 24 – Precizia calculelor hidrulice
|
Calculele trebuie sa respecte urmatoarele conditii:
13.3 Sisteme predimensionate 13.3.1 Generalitati Dimensiunile instalatiei vor fi determinate partial din tabelele urmatoare si partial prin calcule hidraulice. Valorile diametrelor instalatiei nu trebuie sa creasca in directia de curgere a apei. Dimensiunile conductelor secundare si numarul maxim de capete sprinkler alimentate trebuie sa fie cele din tabelul 30, cu exceptia sistemelor LH, unde tabelul 27 specifica doar dimensiunile conductei care alimenteaza ultimele trei sau patru capete sprinkler. Dimensiunile conductelor aflate in aval de punctul de referinta trebuie calculate conform punctului 13.3.3.2 pentru sistemul LH si punctul 13.3.4.2 pentru sistemele OH. 13.3.1.4 Conductele ascendente si descendente care fac legatura intre conducte principale si conducte secundare, conducte care alimenteaza sprinklere izolate, altele decat cele de legatura, trebuie considerate conducte de distributie si tratate ca atare. 13.3.2 Amplasarea punctelor de referinta Punctele de referinta trebuie sa fie reprezinte punctele de conexiune a unei conducte de distributie orizontala cu una din urmatoarele: Clasa de risc |
Numarul de sprinklere pe un rand , intr-o incapere |
Amplasarea punctelor de referinta in aval pentru n sprinklere , unde n este |
|
LH |
|
|
|
|
|
In cazul instalatiilor pentru risc mediu si mare punctul de referinta trebuie amplasat in aval de jonctiunea conductelor de distributie in conformitate cu Tabelul 26 coloana 3.
Cand numarul sprinklerelor pe o retea, intr-o singura incapere sau pe o singura conducta de distributie, este mai mic sau egal cu numarul sprinklerelor pentru care conductele de distributie sunt proiectate (vezi Tabelul 26, coloana 2), punctul de referinta trebuie sa fie amplasat fie in aval de punctul de conectare cu conducta de distributie sau conducta secundara sau a retelei hidraulice, cat mai aproape de supapa de control si semnalizare.
NOTA 1 Figura 16 ilustreaza o amplasare tipica de conducte secundare
NOTA 2 Figura 17 ilustreaza schema amplasarii conductelor pentru (LH), figura 18 pentru instalatii obisnuite (OH), iar 19,20,21 pentru HHP si HHS.
Tabelul 26 - Amplasarea punctelor de referinta OH HHP si HHS
|
Clasa de risc |
Numarul de sprinklere pe o conducta de distribuitie,intr-o incapere |
Amplasarea punctelor de referinta pentru n sprinklere , unde n este |
Trasee secundare |
|
OH |
> 16 |
|
Doua la capat |
|
> 18 |
|
Toate celelalte |
|
|
HHP and HHS |
> 48 |
|
Toate |
Risc mic – LH
Dimensiunile conductelor secundare, si terminalul conductelor de distributie in aval de punctele de referinta trebuie sa fie conforme Tabelului 27.
Este permisa instalarea conductelor cu diametrul de 25mm intre punctul de referinta si supapa de control si semnalizare, daca calculul hidraulic arata ca acest lucru este posibil. Oricum, daca din doua sprinklere unul este determinant, conducta de 25mm nu trebuie instalata intre al treilea si al patrulea sprinkler.
|
Conducte |
Diametrul in mm |
Numarul maxim de sprinklere pe conductele secundare |
|
Toate conductele secundare si terminalul conductelor de distributie |
|
|
Toata reteaua de conducte intre supapa de control si semnalizare si punctul de referinta la fiecare extremitate a unei retele trebuie sa fie dimensionata prin calcule hidraulice utilizand valorile din tabelele 28 si 29.
Tabelul 28 - Pierderea liniara maxima intre supapa de control si semnalizare si orice punct de referinta - LH
|
Numarul de sprinklere pe o conducta secundara sau intr-o incapere |
Pierderea liniara maxima incluzand schimbarile de directie (vezi Nota) Bar |
Pierderile prin conducte secundare si de distributie |
|
|
|
Tabelul 29 coloana 2 si 3 |
|
|
|
Tabelul 29 coloana 3 |
|
≥ 3 pe o singura linie in apropierea unei camere sau pe randul de langa acoperis |
|
Tabelul 29 coloana 3 |
|
Nota : In cladiri mai inalte de un etaj, pierderea de presiune poate fi marita printr-o valoare egala cu presiunea statica masurata intre nivelul sprinklerelor in cauza si nivelul sprinklerelor de la cel mai inalt nivel. |
||
Daca sunt mai mult de doua sprinklere pe o conducta secundara, pierderea de presiune intre sprinklerul 2 si conducta de distribuitie trebuie sa fie determinata folosind pierderea de presiune data in coloana 2 din tabelul 29. Pierderea de presiune in conductele de distributie intre aceasta conexiune si supapa de control si semnalizare trebuie determinata prin pierderea de presiune pe metru data in coloana 3 din tabelul 29.
Nota Figura 17 ilustreaza un exemplu de sistem de conducte intr-o instalatie LH cu puncte de referinta pentru care conductele trebuie calculate complet.
Tabelul 29 - Pierderea de presiune pentru debitele calculate pentru sistemele - LH
|
Diametrul mm |
Pierderea de presiune in conducta mbar/m |
|
|
Coloana 1 |
Coloana 2 (100l/min) |
Coloana 3 (225l/min) |
|
|
|
|
13.3.4 Riscuri medii - OH
Diametrele conductelor secundare trebuie sa fie conform Tabelului 30, diametrele conductelor de distributie trebuie sa se incadreze in valorile din Tabelul 31.
|
Conducte secundare |
Traseu |
Diametrul mm |
Numarul maxim de sprinklere alimentate |
|
Conducte secundare in cel mai indepartat capatul al conductelor de distribuite 2 conducte secundare Ultimele 3 conducte secundare Ultima conducta secundara |
2 trasee finale de o parte 3 trasee finale de o parte toate celelalte trasee |
|
|
|
Toate celelalte conducte secundare |
Toate |
|
|
|
Conducte de distributie |
Trasee |
Diametrul mm |
Numarul maxim de sprinklere alimentate |
|
La extremitatea instalatiei |
2 trasee finale de o parte toate celelalte |
|
|
|
Intre punctele de referinta si supapa de control si semnalizare |
Toate |
A se calcula in concordanta cu pct 13.3.4.2 |
|
Cand conductele secundare sunt amplasate longitudinal sub unghiul plafonului, la un unghi mai mare de 6 grade, numarul sprinklerelor pe conducta secundara nu trebuie sa fie mai mare de 6.
NOTA: Figura 18 prezinta un exemplu de schema a unui sistem OH cu puncte de referinta de unde conductele trebuie calculate complet.
Diametrele conductelor, intre punctul de referinta cel mai indepartat al instalatiei si supapa de control si semnalizare, trebuie astfel calculate incat sa asigure faptul ca pierderea de presiune liniara la un debit de 1000l/min nu depaseste 0,5 bar, exceptie facand 13.3.4.3 si 13.3.4.4.
In cladirile cu mai mult de un etaj, sau unde sunt un numar de niveluri diferite, de exemplu platforme sau planuri inclinate, pierderea de presiune de 0,5 bar de la punctul de referinta poate fi crescuta cu echivalentul dintre presiunea statica datorata diferentei de inaltime dintre cel mai inalt sprinkler din cladire si cel mai indepartat punct de referinta al nivelului in cauza.
In aceste cazuri, diferenta de inaltime intre sprinklerul situat pe cel mai inalt nivel si presiunea masurata in instalatie trebuie indicata in documentatia de receptie, impreuna cu presiunea de lucru a instalatiei.
In cazurile in care acelasi sistem contine impreuna zone OH 3 sau OH 4 si HHP sau HHS, toate fiind conectate la o sursa comuna de alimentare cu apa, pierderea liniara maxima de 0,5 bar poate fi marita cu 50% din suprapresiunea disponibila, ca cea indicata in urmatorul exemplu OH3.
Exemplu (pentru un sistem OH3):
|
Presiunea ceruta la supapa de control si semnalizare, excluzand presiunea statica ( Tabelul 6 pentru OH3): |
1,4 bar |
|
Diferenta de presiune datorata diferentei de inaltime dintre cel mai inalt sprinkler si supapa de control si semnalizare |
1,2 bar |
|
|
|
|
Presiunea ceruta de supapa de control si semnalizare |
2,6 bar |
|
Presiunea disponibila la nivelul supapei de control si semnalizare pentru debitul specific HH |
6,0 bar |
|
Suprapresiunea care poate fi folosita: 50% din (6,0 – 2,6)= |
1,7 bar |
|
Reteaua de conducte ce trebuie dimensionate pentru a permite o pierdere de presiune maxima de: 0,5 + 1,7 (1000/1350)2 |
1,43 bar |
13.3.5 Risc mare HHP si HHS (exceptand sprinklerele de pe nivelurile intermediare)
13.3.5.1 Conducta trebuie dimensionata tinand cont de:
densitatea specifica
distanta dintre sprinklere
factorul K al sprinklerului folosit
caracteristica presiune/debit a sursei de alimentare cu apa.
Nici o conducta nu trebuie sa aiba un diametru nominal mai mic de 25 mm.
Pentru instalatiile cu surse de alimentare cu apa conforme tabelului 7 (1) si cu sprinklere cu factor k 80, dimensiunea conductei pentru conductele secundare si de distributie trebuie sa fie in conformitate cu Tabelele 32 si 33.
Nu mai mult de patru sprinklere trebuie instalate pe o conducta secundara. Conductele secundare nu trebuie conectate la conducte de distributie avand un diametru mai mare de 150 mm.
NOTA Figura 19 exemplifica o schemade conducte in conformitate cu Tabelul 32 si 33 si punctele de referinta de la care diametrele conductelor trebuie calculate complet.
Tabelul 32 Diametrele conductelor secundare pentru sistemele HH cu presiune si debit caracteristic Tabelului 7 (1 sau 2)
|
Conducte secundare |
Trasee |
Diametru mm |
Numar maxim de sprinklere alimentat de conducta |
|
Conducte secundare din cel mai indepartat capat al conductelor de distributie |
2 trasee finale, ultimele doua conducte secundare 3 trasee finale, ultimele trei conducte secundare toate celelalte trasee, numai ultima conducta secundara |
|
|
|
Celelalte conducte secundare |
oricare |
|
|
Tabelul 33 - Diametrele conductelor de distributie in aval de punctul de referinta in sistemele HH cu presiune si debit caracteristic conform tabelului 7 (1)
|
Conducte de distributie |
Diametrul mm |
Numarul maxim de sprinklere alimentate de catre conductele de distributie |
|
Conductele de la la extremitatea instalatiei |
|
|
|
Conductele dintre punctele de referinta si supapa de control si semnalizare |
A se calcula in concordanta cu pct 13.3.5 |
|
Pentru instalatiile cu sursa de alimentare cu apa, care conform Tabelului 7 (2) sau modificat cu punctul 7.3.2.6 si cu sprinklerele avand un factor K 80, dimensiunea conductelor secundare si a conductelor de distributie trebuie determinata conform Tabelelor 32 si 34.
Pe o conducta secundara nu trebuie instalate un numar mai mare de 4 sprinklere. Nici o conducta secundara nu trebuie conectata la o conducta de distributie cu diametrul mai mare de 150 mm. Nu trebuie amplasate conducte de distributie cu diametrul mai mic de 65 mm in sisteme cu 4 parti (linii) finale end-side.
NOTA Figura 20 exemplifica o schema in concordanta cu Tabelele 32 si 34 si punctele de referinta de la care diametrul conductei trebuie sa fie complet calculat.
Tabelul 34 - Diametrele conductelor de distributie in aval de punctul de referinta in sistemele HH cu presiune si debit caracteristice, conform Tabelului 7 (2,3 sau 4)
|
Conductele de distributie |
Diametrul mm |
Numarul maxim de sprinklere pe conductele de distributie |
|
Conductele de la la extremitatea instalatiei |
|
|
|
Conductele dintre punctele de referinta si supapa de control si semnalizare |
A se calcula in concordanta cu pct 13.3.5 |
|
Pentru instalatiile cu sursa de alimentare cu apa, care conform cerintelor Tabelului 7 (3) si cu sprinklerele avand un factor K 80, si asa cum reiese din Tabelul 7 (4) cu sprinklere avand un factor K de 115, dimensiunea conductelor secundare si a conductelor de distributie trebuie determinate ca in Tabelele 34 si 35.
In capatul instalatiei, nu trebuie amplasate un numar mai mare de sase sprinklere pe o conducta secundara. La capatul (2-end-center) celui de-al doilea rand din centru, nu trebuie amplasate un numar mai mare de patru sprinklere pe orice conducta secundara. Conductele secundare nu trebuie conectate la o conducta de distribuitie cu un diametru mai mare de 150 mm. Conductele de distributie cu un diametru mai mic de 65 mm nu trebuie utilizate intr-un sistem cu 4 linii finale (4-end-side).
NOTA Figura 21 exemplifica un sistem de conducte in conformitate cu Tabelele 34 si 35 si punctele de referinta de la care diametrele conductelor trebuie complet calculate.
Tabelul 35 Diametrele conductelor secundare pentru sisteme HH cu presiune si debit caracteristice Tabelului 7 (3 sau 4)
|
Conducte secundare |
Trasee |
Diametru mm |
Numar maxim de sprinklere alimentat de conducta |
|
Conducte secundare din cel mai indepartat capat al conductelor de distributie Alte conducte secundare |
capat final, ultimele trei conducte secundare |
|
|
|
Conducte secundare din cel maiiindepartat capat al conductelor de distributie Alte conducte secundare |
Capatul randului 2 din centru, ultimele trei conducte secundare |
|
|
|
Toate conductele secundare |
Capatul randurilor 3 si 4 |
|
|
Pierderea de presiune intre punctul de referinta si supapa de control si semnalizare trebuie sa fie determinata prin calcul. Pierderea de presiune pentru debitele descrise in Tabelul 7, plus presiunea necesara in punctul de referinta, plus presiunea statica egala cu diferenta maxima de inaltime dintre cel mai inalt sprinkler si supapa de control si semnalizare, care nu trebuie sa depaseasca presiunea nominala.
In cazul in care cel mai inalt sprinkler este situat in amonte fata de punctul de referinta, portiunea care necesita cea mai mare presiune statica trebuie sa aiba propria conducta de distributie.
Pierderea de presiune in conductele de distributie ce alimenteaza fiecare sectiune de risc poate fi echilibrata printr-o dimensionare corespunzatoare a conductei de distributie

Legenda:
1 2 capat de rand al alimentarii principale (retea de conducte secundare amplasata pe o parte a conductei de distributie)
2 3 capat de rand al capatului alimentarii
3 3 retea de conducte amplasata de o parte si de alta a conductei de distributie
4 2 retea de conducte amplasata de o parte si de alta a capatului alimentarii

Legenda:
A = supapa de control si semnalizare
Pierderea de presiune intre supapa de control si semnalizare si:
1 (2 sprinklere) = 0,7 bar
2 (3 sprinklere) = 0,7 bar
3,4,5,7,8,9, si 10 (2 sprinklere)=0,9 bar
Dimensiunile notate ca 20, 25, 32 indica dimensiunea probabila rezultata din calcul a conductelor
Dimensiunile conductelor sunt in milimetri
Figura 17 – Exemplu de amplasare a punctelor de referinta in sistemele LH
Dimensiuni in milimetri

Legenda:
1 supapa de control si semnalizare
1 (2 sprinklere)
2 (3 sprinklere)
3, 5, 6 si 7 (2 sprinklere)
Figura 18 - Exemplu de amplasare a punctului de referinsa (de la 1 la 7) in sistemele OH
Legenda:
1 48 sprinklere
2 ramificatiile conductelor de distributie
3 supapa de control si semnalizare
Figura 19 - Exemplu de amplasare a punctelor de referinsa in sistemele cu risc mare cu conducte dimensionate conform Tabelelor 32 si 33.

Legenda:
1 48 sprinkle
2 ramificatiile conductelor de distributie
3 supapa de control si semnalizare
Figura 20 - Exemplu de amplasare a punctelelor de referinta in sistemele cu risc mare cu conducte dimensionate conform Tabelelor 32 si 34.

Legenda:
1 48 sprinkle
2 ramificatiile conductelor de distributie
3 supapa de control si semnalizare
13.4 Sisteme complet calculate
13.4.1 Densitate proiectata
Densitatea refularii trebuie calculata ca debitul total in litri pe minut a grupului de patru sprinklere care sunt cel mai apropiate, impartit prin suprafata acoperita de catre cele patru sprinklere in metri patrati, sau acolo unde mai putin de patru sprinklere sunt in comunicatie deschisa, densitatea refularii trebuie considerata ca valoarea cea mai joasa a debitului oricarui sprinkler impattit la de aria acoperitaa de sprinklerul respectiv.
Densitatea de refulare a fiecarei arii protejate, sau a intregii zone, oricare este mai mica, continand grupul relevant al celor patru sprinklere, cu fiecare sursa de alimentare cu apa sau combinatie de alimentare disponibila, nu trebuie sa fie mai mica decat densitatea proiectata specificata in punctul 7.
Aria acoperita de fiecare sprinkler trebuie sa fie definita de mediana distantei dintrele sprinklerele adiacente, masurata in unghi drept la linia de unire a sprinklerelor si de limita ariei acoperita sau la jumatatea distanttei de cel mai apropiat sprinkler, oricare este mai mare ( vezi Figura 22). Acolo unde sprinklerele de raft sunt instalate, debitul si presiunea trebuie calculate tinand cont de functionarea simultana a sprinklerele de tavan sau de acoperis si sprinklerele de pe nivelul intermediar.

13.4.2 Locatii ale ariei protejate
13.4.2.1 Locatia cea mai nefavorabila din punct de vedere hidraulic
Trebuie luate in considerare, cand se determina locatia cea mai nefavorabila din punct de vedere hidraulic pentru aria protejata, variatia distantei dintre sprinklere, dispunerea randurilor, inaltimea, centrele conductelor secundare, marimea orificiilor sprinklerelor si dimensiunile conductelor, ca si toate locatiile posibile, daca pe conductele de distributie sau intre conductele de distributie sunt conectate conducte secundare,
Pozitionarea corecta a locatiei celei mai nefavorabile din punct de vedere hidraulic pentru aria protejata in instalatiile sub forma de grila trebuie demonstrata prin dispunerea ariei protejate prin pozitionarea unui sprinkler in fiecare directie de-a lungul conductelor secundare pana cand este identificata aria cu cea mai ridicata presiune necesara.
Pozitionarea corecta a locatiei celei mai nefavorabile din punct de vedere hidraulic pentru aria protejata in instalatiile inchise trebuie demonstrata prin dispunerea ariei protejate prin pozitionarea unui sprinkler in fiecare directie de-a lungul conductelor de distributie pana cand este identificata aria cu cea mai ridicata presiune necesara.
13.4.2.2 Locatia cea mai favorabila din punct de vedere hidraulic
Toate locatiile posibile, daca pe conductele de distributie sau intre conductele de distributie sunt conectate conducte secundare, trebuie considerate cand se determina locatia cea mai favorabila din punct de vedere hidraulic a ariei de operare.
13.4.3 Forma ariei protejate
13.4.3.1 Locatia cea mai nefavorabila din punct de vedere hidraulic
Aria protejata trebuie sa fie pe cat posibil rectangulara, simetrica fata de asezarea sprinklerelor (vezi figura 23), dupa cum urmeaza:
a) in cazul configuratiilor inchise si terminale cea mai indepartata parte a suprafetei trebuie sa fie definita de conducta secundara sau de o pereche de conducte secundare cand este vorba de end center layout Sprinklerele care nu constituie o conducta secundara intreaga sau o pereche de conducte secundare trebuie grupate cat mai aproape de conducta de distributie in aval de urmatorului rand de conducte secundare din aria rectangulara (vezi Figura 23 si 25);
b) in cazul configuratiilor sub forma de grila unde conductele secundare merg paralel cu marginea acoperisului cu o inclinatie mai mare de 6 grade, sau de-a lungul niselor formate de grinzi mai mari de un metru grosime, cea mai indepartata arie trebuie sa aiba o lungime L paralela cu conductele secundare, astfel incat L este mai mare sau egal cu de doua ori radacina patrata din suprafata ariei protejate.
c) in cazul tuturor celorlalte configuratii sub forma de grila, cea mai indepartata arie trebuie sa aiba o lungimea L paralela cu conductele secundare, astfel incat L este egal cu 1,2 inmultit cu radacina patrata din suprafata ariei protejate.
13.4.3.2 Locatia cea mai favorabila din punct de vedere hidraulic
Aria de operare trebuie sa fie pe cat posibil patrata, dupa cum urmeaza:
a) in cazul configuratiilor inchise si terminale, suprafata trebuie sa includa numai sprinklerele de pe o singura conducta de distributie. Numarul de sprinklere calculat a opera pe conductele secundare, sau pe o pereche de conducte in cazul instalatiilor end- center; trebuie amplasate pe fiecare conducta secundara in cea mai cea mai favorabila locatie din punct de vedere hidraulic. Sprinklerele care nu constituie o conducta secundara intreaga sau o pereche de conducte secundare trebuie grupate pe urmatoarea conducta secundara in apropierea locatiei favorabile. (a se vedea figurile 24 si 26)
b) In cazul configuratiilor in forma de retea, aria trebuie sa fie localizata pe conductele secundare in cea mai favorabila locatie din punct de vedere hidraulic. Sprinklerele care nu constituie o conducta secundara intreaga sau o pereche de conducte secundare trebuie grupate pe urmatoarea conducta secundara in apropierea locatiei favorabile.

Figura 23 – Cele mai nefavorabile arii protejate in retele de conducte amplasate pe o parte sau pe doua parti.

Figura 24 – Cele mai favorabile arii protejate in retele de conducte amplasate pe o parte sau pe doua parti.

Legenda:
1 Cea mai nefavorabila arie
2 Cea mai favorabila arie
3 Conducta ascendenta
4 Patru sprinklere luate in consideratie
Figura 25 – Cea mai favorabila si nefavorabila arie protejata in instalatia de tip retea

Legenda:
1 Cea mai nefavorabila arie
2 Cea mai favorabila arie
3 Conducta ascendenta
4 Patru sprinklere luate in consideratie
Figura 26 - Cea mai favorabila si nefavorabila arie protejata in retele inchise
13.4.4 Presiunea minima de descarcare a sprinklerelor
Presiunea in sprinklerul situat in locatia cea mai putin favorabila din punct de vedere hidraulic, cand toate sprinklerele din aria protejata sunt active, nu trebuie sa fie mai mica decat cea necesara pentru a atinge densitatea specificata la 13.4.1 ori presiunile de mai jos, oricare este mai mare:
Tabelul
36 -Diametrele minime ale conductelor
|
Clasa de risc |
Diametrul mm |
|
LH |
|
|
OH si HH conducte orizontale si ascendente care alimenteaza un sprinkler avand un factor K mai mic de 80 |
|
|
Toate celelalte |
|
Diametrele conductelor pe partea cu supapa de control si semnalizare pot descreste numai in directia curgerii apei, exceptand configuratiile in forma de retea sau inchise.
Sprinklerele cu deflectorul in sus nu trebuie sa fie conectate la o conducta cu diametru mai mare de 65 mm, sau 50 mm, daca nu este independent.
Sprinklerele cu deflectorul in jos nu trebuie conectate direct la o conducta cu diametrul mai mare de 80 mm. Pentru diametre mai mari, o conducta a sprinkelrului trebuie montata astfel incat distanta de la deflectorul sprinklerului la marginea conductei principale sa nu fie mai mica decat 1,5 ori diametrul acestei conducte.
14. Caracteristici de proiectare ale sprinklerelor si mod de utilizare
14.1. Generalitati
NOTA: Acest standard acopera numai tipurile de sprinklere specificate in EN 12259-1.
Numai sprinklerele nou fabricate (neutilizate) trebuie folosite. Acestea nu trebuie inscriptionate decat in conformitate cu EN 12259-1. Sprinklerele nu trebuie modificate in nici un fel sau sa aiba ornamente aplicate sau cu suprafata vopsita, ulterior livrarii efectuate de producator, exceptand specificatiile punctului 14.9.
14.2. Tipuri de sprinklere si utilizare
14.2.1. Generalitati
Sprinklerele trebuie utilizate in functie de clasele de risc prezentate in Tabelul 37, si specificate la punctele 14.2.2. si 14.2.4.
Tabelul 37 - Tipuri de sprinklere si factorul K aferent diferitelor tipuri de clase de risc
|
Clase de risc |
Densitatea proiectata mm/min |
Tip de sprinklere |
Valori nominale ale factorului K |
LH |
|
Conventional, spray (cu pulverizare medie), de tavan, la acelasi nivel, cu refulare plata, incastrat, ascuns, mural |
|
|
OH |
|
Conventional, spray (cu pulverizare medie), de tavan, la acelasi nivel, cu refulare plata, incastrat, ascuns, mural |
|
|
HHP si HHS sprinklere pentru tavane si acoperisuri |
<=10 |
Conventional, spray |
80 sau 115 |
|
> 10 |
Conventional, spray |
|
|
|
HHS sprinklere intermediare pentru depozite inalte |
|
Conventional, spray si cu refulare plata, |
80 sau 115 |
14.2.2 Amplasarea sprinklerelor de tavan, la acelasi nivel, incastrat si ascuns
Sprinklerele de tavan, la acelasi nivel, incastrate si ascunse nu trebuie instalate iin cazul claselor de risc OH4, HHP sau HHS. Sprinklerele fara deflectoare fixe, de exemplu cu deflectoare care se retrag (retracted) care picura in momentul punerii in functiune, nu trebuie fixate (amplasate) in urmatoarele situatii:
Sprinklerele trebuie alese astfel incat temperatura nominala de declansare sa fie cu cel putin 300 C mai mare decat temperatura anticipata a mediului ambiant.
In spatiile inchise neventilate, sub luminatoare sau acoperisuri de sticla, poate fi necesara montarea unor sprinklere cu temperatura nominala de declansare cuprinsa intre 930C si 1000 C. O atentie deosebita trebuie acordata sprinklerelor aflate in vecinatatea cuptoarelor de uscare, aparate de incalzit si alte echipamente, care furnizeaza caldura radianta.
NOTA 1 In conditii normale de clima temperata este de preferat un interval de temperatura intre 680 C si 740 C.
NOTA 2 Sprinklerele au un cod al colorilor in concordanta cu standardul EN 12259-1 pentru a indica temperatura nominala de declansare, dupa cum urmeaza:
|
Bulb |
C |
Element fuzibil |
C |
|
Portocaliu |
|
|
|
|
Rosu |
|
Incolor |
|
|
Galben |
|
|
|
|
Verde |
|
Alb |
|
|
Albastru |
|
Albastru |
|
|
Mov |
|
Galben |
|
|
Negru |
|
Rosu |
|
14.5 Sensibilitatea termica a sprinklerului
14.5.1 Generalitati
Sprinklerele cu diverse sensibilitati trebuie utilizate in concordanta cu Tabelul 38. Unde sprinklerele sunt montate in rafturi, sprinklerele de tavan trebuie sa aiba o sensibilitate egala sau un timp de raspuns mai mic decat sprinklerele montate in rafturi.
Tabelul 38 – Clase de sensibilitate pentru sprinklere
|
Clase de sensibilitate |
Sprinkler de raft |
Sprinklerele de tavan, deasupra sprinklerelor de raft |
Sisteme tip apa –ser cu preactionare tip A |
Toate celelalte |
|
Standard A |
NU |
DA |
DA |
DA |
|
Special |
NU |
DA |
DA |
DA |
|
Rapid |
DA |
DA |
NU |
DA |
|
Nota: Cand sprinklere noi sunt adaugate unei instalatii de sprinklere existente, diferenta de sensibilitate poate fi necesara luarea in considerare a efectelor pe care le poate avea diferenta de sensibilitate pentru a evita declansarea accidentala. |
||||
NOTA: Majoritatea sprinklerelor sunt clasificate, in ordinea descrescatoare a sensibilitatii, prin unul din urmatoarele tipuri (EN 12259-1):
raspuns rapid;
raspuns special;
raspuns standard A
14.5.2 Interactiunea cu alte masuri:
Trebuie luata in considerare posibila interactiune intre sistemele de sprinklere si alte masuri. Ca urmare sensibilitatea sistemelor de sprinklere nu trebuie inhibata.
Functionarea efectiva a altor masuri de securitate impotriva incendiilor poate depinde de cea mai eficienta actiune a sistemului de sprinklere, si in aceste cazuri totalitatea masurilor de securitate nu trebuie influentate. O atentie deosebita trebuie acordata cazurilor in care sunt implicate sisteme cu risc mare.
Functionarea efectiva a sistemelor de sprinklere depinde de suprimarea initiala sau controlul focarului in stadiul initial. Cu exceptia sprinklerelor amplasate in rafturi, sprinklerele sunt actionate in mod normal prin debitul de curgere a gazelor de ardere fierbinti provenite de la focarul orizontal printre sprinklere. Ca urmare, nimic nu trebuie sa interfereze cu aceasta curgere orizontala a gazelor de ardere.
14.6 Protectia sprinklerelor
Atunci cand sprinklerele, altele decat cele pentru tavan sau cele de la acelasi nivel, sunt instalate intr-o pozitie care poate genera un risc accidental prin deteriorari mecanice, acestea trebuie protejate adecvat printr-un cadru metalic.
14.7. Sprinklere cu ecran contra apei
Sprinklerele instalate pe rafturi sau sub rasteluri perforate, platforme, pardoseli sau locatii similare, unde apa de la un sprinkler mai inalt sau sprinklere poate influenta temperatura de declansare a elementului fuzibil, trebuie echipate cu un ecran metalic pentru apa cu un diametru intre 0,075m si 0,15m.
Ecranul contra apei de pe sprinklerele cu deflectorul in sus nu se monteaza direct pe deflector sau pe cadrul sprinklerului, si orice incastrare trebuie proiectata astfel incat sa micsoreze influenta distributiei apei
14.8 Deflectoarele sprinklerelor
Deflectoarele trebuie sa fie confectionate din metal sau plastic
termorezistent
Deflectoarele nu trebuie sa fie utilizate pentru a sustine tavane sau alte structuri.
Nici o parte a deflectorului nu trebuie construit dinspre tavan in jos catre portiunea vizibila a elementului sensibil la caldura al sprinklerului.
14.9 Protectia la coroziune a sprinklerelor
Sprinklerele montate in atmosfera coroziva, trebuie protejat in unul dintre urmitoarele moduri:
a) printr-o protectie anticoroziva aplicata de catre producator in conformitate cu standardul EN 12259-1
b) un ulei pe baza de petrol care trebuie aplicat o data inainte si dupa instalare.
Tratamentul anticoroziv nu trebuie aplicat pe bulbul sprinklerului.
15. Robinete
15.1 Supapa de control si semnalizare
Fiecare instalatie trebuie sa aiba o supapa de control si semnalizare in conformitate cu EN 12259-2 si EN 12259-3
15.2 Robinet de oprire
Toate robinetele de oprire care stopeaza alimentarea cu apa catre sprinklere trebuie sa:
se inchida in directia acelor de ceasornic
sa aiba clar marcat din constructie pozitia normal deschis si normal inchis
sa fie asigurate in pozitia corecta de functionare printr-un dispozitiv de inchidere sau securizat printr-o alta metoda echivalenta
Robinetele de oprire nu trebuie instalate in aval de supapa de control si semnalizare decat daca este specificat in acest standard.
Trebuie luate masuri suplimentare pentru a se asigura ca robinetele de oprire, testare, golirea si spalare sunt potrivite pentru presiunile sistemului, in special in locatii precum cladirile inalte, unde presiunea statica este mare
15.3 Robinetele inelului principal de alimentare
Cand sistemul de sprinklere este alimentat printr-o retea inelara, robinetele de oprire trebuie astfel instalate pentru a izola inelul in sectiune incat nici o sectiune sa nu includa mai mult de 4 supape de control si semnalizare.
15.4 Robinete de golire a instalatiei
Robinetele de golire trebuie montate in concordanta cu Tabelul 39, pentru a permite golirea instalatiei, astfel:
a) imediat in aval de supapa de control si semnalizare sau robinetul de oprire, daca este montata;
b) imediat in aval de orice robinet de alarma auxiliara;
c) imediat in aval de orice robinet de oprire auxiliar;
d) intre o conducta tip apa-aer sau supapa de control si semnalizare auxiliara si orice robinet de oprire instalat pentru testare;
e) in orice conducta, cu exceptia conductelor descendente catre un singur sprinkler intr-o instalatie tip apa-apa, care nu pot fi golite printr-o alta vana de golire.
Robinetele trebuie montate la cel mai jos capat al retelei de conducte si sunt dimensionate in Tabelul 39. Capatul nu trebuie sa fie mai mare de 3 m deasupra podelei si trebuie sa fie prevazute cu obturator din alama.
Tabelul 39 – Dimensiunile minime ale robinetelor de golire
|
Robinete de golire: |
Diametrele minime ale robinetelor si conductelor mm |
|
Sisteme LH |
|
|
Sisteme OH sau HHP sau HHS |
|
|
Instalatii auxiliare |
|
|
Zona A |
|
|
Conducte de distribuitie incastrate cu diametre mai mici de 80 |
|
|
Conducte de distribuitie incastrate cu diametre mai mari de 80 |
|
|
Conducte secundare incastrate |
|
|
Retele de conducte tip apa-aer si vane de alarmare auxiliare si vanele de oprire auxiliare instalate in scopul testarii |
|
15.5 Robinete de verificare
15.5.1 Robinet de verificare a alarmei si a pornirii pompelor
Robinetele de verificare cu dimensiunea de 15mm trebuie montate, pentru a verifica urmatoarele:
a) alarma hidraulica si orice presostat conducand apa in aval de:
o supapa de control si semnalizare apa-apa, si orice robinet de oprire principal in aval;
un robinet de alarmare alternativ;
b) alarma hidraulica si orice presostat conducand apa in aval de sursa de alimentare si in amonte de:
o supapa de control si semnalizare mixta;
un robinet pentru o conducta uscata;
o supapa de control si semnalizare cu preactionare;
c) orice turbina de semnalizare instalata in avalul supapei de control si semnalizare………in avalul turbinei de semnalizare
d) Un dispozitiv de pornire a pompei automat
e) Orice pompa sau rezervor sub presiune instalat in amonte de supapa de control si semnalizare.
15.5.2. Robinete de verificare actionate de la distanta
Trebuie prevazuta o facilitate de verificare, prin incorporarea unui robinet de verificare asociat cu fitingurile si reteaua de conducte care alimenteaza cu debitul echivalent cu cel refulat printr-un singur sprinkler, conectat la locatia cea mai izolata din punct de vedere hidraulic pe o conducta de distributie.
Racorduri
Racordurile, cu sau fara robinete instalate permanent, trebuie prevazute la capatul ramificatiilor instalatiei de conducte de distributie.
Racordurile trebuie sa aiba aceleasi dimensiuni nominale ca si conductele de distributie si trebuie sa fie montate cu garnituri de etansare sau obturator de alama.
Este de preferat ca in anumite cazuri sa se prevada racordurile pe conductele secundare, de exemplu in forma de teu.
Aditional folosirii lor periodice pentru reteaua de conducte, racordurile pot fi folosite pentru a verifica daca apa este furnizata sau pentru a asigura incercari de presiune si de curgere.
Reteaua de conducte, care este complet plina cu apa, poate fi deteriorata de cresterea presiunii datorata cresterii temperaturii. Daca este asigurata ventilarea aerului in instalatie …. , de exemplu in cazul aranjamentului tip grila cu racorduri la capete, consideram ca trebuie montat la fitinguri un robinet de scadere a presiunii.
15.7. Manometre de presiune
15.7.1. Generalitati
Scala de diviziuni a manometrului de presiune nu trebuie sa depaseasca:
a) 0,2 bar pentru o scala maxima de valori mai mica sau egala cu 10 bar;
b) 0,5 bar pentru o scala maxima de valori mai mare decat 10 bar.
Scala maxima trebuie sa fie de ordinul a 150% din presiunea maxima.
15.7.2 Conexiunile cu retaua de alimentare cu apa
Fiecarea conexiune principala cu alimentarea cu apa a orasului trebuie sa fie prevazuta cu un manometru intre robinetul de oprire a alimentarii si supapa unisens (manometre “A”).
Fiecare pompa de alimentare trebuie prevazuta cu un manometru de joasa presiune pe conducta de alimentare, situat in avalul iesirii supapei unisens si in amonte de iesirea robinetului de oprire.
15.7.3 Supapa de control si semnalizare
Un manometru de masurare a presiunii trebuie prevazut in fiecare dintre aceste locatii:
a) in amonte de fiecare supapa de control si semnalizare (manometru “B “)
b) in aval de fiecare supapa de control si semnalizare (manometru “C”)
c) in aval de fiecare supapa de control si semnalizare tip apa-aer auxiliara sau alternativa auxiliara, dar in amonte de orice robinet de oprire.
Manometru de tip B montat pe robinetele de alarma uscate trebuie sa aiba un indicator care sa arate presiunea maxima atinsa.
15.7.4 Schimbarea
Schimbarea manometrelor trebuie efectuata prin mijloace eficiente care sa nu afecteze alimentarea cu apa sau cu aer a instalatiei.
Alarme si dispozitive de alarmare
16. 1 Alarme de semnalizare a debitelor
Fiecare supapa de control si semnalizare va fi prevazuta cu un dispozitiv de alarma cu motor hidraulic in concordanta cu EN 12259-4 si un dispozitiv electric pentru inlaturarea indicatiilor alarmei, ambele localizate cat mai aproape de robinetul de alarmare. Un singur dispozitiv de alarma cu motor hidraulic si un gong pot fi instalate intr-un grup comun cu robinetele de alarmara umede, acestea fiind situate in aceeasi camera a robinetelor, iar sistemul trebuie prevaazut cu un indicator care sa arate cand acestea functioneaza.
Fiecare gong al dispozitivului de alarma cu motor hidraulic trebuie marcat proieminent (in relief) cu numarul instalatiei pe care este amplasat.
Dispozitivului de alarma cu motor hidraulic trebuie instalat in asa fel incat gongul sa fie in afara pe peretele exterior si centrul sau sa nu fie dispus la mai mult de 6 m deasupra punctului de conexiune cu robinetul de alarmare. Un filtru, usor accesibil pentru curatare, trebuie sa fie instalat intre conductele dispozitivului de alarma cu motor hidraulic si conexiunea la robinetul de alarma. Iesirea apei trebuie astfel pozitionata incat orice debit de apa sa fie vizibil.
16.1.3 Sistemul de conducte catre dispozitivului de alarma cu motor hidraulic
Sistemul de conducte trebuie sa aiba un diametru de 20mm si sa fie din otel galvanizat sau materiale metalice neferoase. Lungimea echivalenta a conductelor intre robinetul de alarmare si motorul hidraulic nu trebuie sa fie mai mare de 25 m incluzand si lungimea echivalenta de 2 m pentru fiecare schimbare de directie.
Conductele trebuie sa fie prevazute cu un robinet de inchidere amplasat in apropiere si prevazute cu o flansa permanenta de drenaj cu un diametru de cel mult 3 mm. Flansa trebuie integrata in sistemul de conducte si trebuie executata din otel inoxidabil sau material metalic neferos.
16.2. Presostate electrice de debit si presiune
16.2.1 Generalitati
Dispozitivele electrice necesare pentru a detecta functionarea sistemelor de sprinklere trebuie sa fie prevazute fiecare cu presostate de debit in conformitate cu EN 12259-5 sau cu presostate de presiune.
16.2.2 Presostate de alarma de debit
Presostate de alarma de debit trebuie folosite numai in instalatiile de tip apa-apa. Trebuie prevazuta o conexiune de verificare in avalul fiecarui presostat pentru a simula operarea unui singur cap sprinkler. Aceasta trebuie prevazuta cu drenaj. Conducta de drenaj trebuie sa fie din otel sau cupru galvanizat.
Presiunea sau debitul caracteristice robinetului de verificare deschis la maximum si a conductei de drenaj trebuie sa fie egala cu cea mai mica presiune nominala intr-un sprinkler alimentat prin presostat de debit. Orice diafragma trebuie sa fie dispusa la iesirea conductei de drenaj si trebuie sa fie din otel inoxidabil sau materiale metalice neferoase.
Conducta de verificare a drenajului trebuie pozitionata la sistemul de drenare in asa fel incat debitul de apa sa fie vizibil in timpul verificarilor.
16.2.3 Sisteme de tip apa-aer si cu preactionare
Fiecare instalatie va fi prevazuta cu o alarma pentru scaderea presiunii aerului/gazului si care sa poata furniza atentionari audibile-vizibile, ca in anexa 1.
16.3 Conectarea alarmei la Unitatea de Pompieri si la Statia centrala de alarma
Echipamentul electronic pentru transmiterea automata a semnalelor de alarma de la instalatia de sprinklere la Unitatetea de pompieri sau la Statia centrala de alarma prevazuta cu personal trebuie sa fie capabil sa fie verificat pentru:
a) continuitatea conexiunii
b) continuitatea conexiunii intre comutatorul de alarma si unitatea de control
NOTA Daca exista conexiune directa la Unitatea de Pompieri, procedura de verificare trebuie agreata impreuna cu autoritatile, pentru a evita apelurile false.
Reteaua de conducte
Conductele trebuie asezate in concordanta cu recomandarile furnizorului si trebuie sa aiba o rezistenta suficienta la coroziune.
NOTA Sunt recomandate urmatoarele tipuri de conducte: fonta, fier ductil, fibre de sticla armata, polietilena de mare densitate. Trebuie avute in vedere precautii adecvate pentru a preveni deteriorarea lor, de exemplu trecerea vehiculelor.
Conducte de suprafata
Sistemul de conducte din amonte de supapa de control si semnalizare trebuie sa fie confectionat din otel sau cupru (vezi 17.1.9) sau din alte materiale in concordanta cu specificatiile valide locului unde sistemul este utilizat. Cand conductele de otel cu diametre egale sau mai mici de 150 mm sunt filetate, au caneluri sau sunt altfel prelucrate, trebuie sa aiba un perete de grosime minima in concordanta cu ISO 65 M. Pentru diametre mai mari, grosimea minima a peretelui diametrului trebuie sa fie in concordanta cu ISO 65 L2.
Conductele de cupru trebuie sa fie conforme EN 1057.
NOTA Pentru sisteme apa-aer, alternative sau cu pre-actiune, este de preferat sa fie utilizate conductele din otel galvanizat.
17.1.3 Sudarea conductelor de otel
Conductele si racordurile cu diametre mai mici de 50 mm nu trebuie sudate la fata locului, cu exceptia cand acestea sunt sudate prin intermediul unei instalatii automate de sudura. In nici un caz nu se sudeaza, nu se taie cu falcara nu se lipeste si nu se executa nici o alta operatiune care necesita temperaturi ridicate.
Sudarea conductelor pentru sprinklere trebuie sa fie desfasurata cu atentie pentru :
a asigura ca toate imbinarile beneficiaza de o sudura continua
interiorul sudurii nu interfereaza cu debitul de apa
conducta este debavurata si bavurile sunt inlaturate.
Sudurile trebuie realizate in conformitate cu EN 287 – 1.
17.1.4 Conducte flexibile si racorduri
Daca intre diferite sectiuni ale conductelor si instalatia de sprinklere vor exista miscari relative, de exemplu datorita expansiunii racordurilor sau in cazul unor tipuri de etajari, o sectiune flexibila sau un racord trebuie sa fie prevazut la punctul de conexiune cu conducta de distributie principala. Trebuie indeplinite urmatoarele cerinte:
a) Inainte de instalare, trebuie sa reziste la un test de presiune de 4 ori maximum presiunii de lucru sau 40 bar, oricare este mai mare, si nu trebuie sa includa parti care, cand sunt atinse de incendiu, sa afecteze integritatea sau performanta sistemului de sprinklere.
b) Conductele flexibile trebuie sa contina (presiune remanenta contiunua) armate cu otel sau materiale metalice neferoase in interior;
conductele flexibile nu trebuie asamblate in pozitie extinsa
conductele flexibile si racordurile nu trebuie utilizate pentru a acoperi abaterea de coaxialitate dintre conducta principala de distributie si conductele intermediare catre sprinklere.
17.1.5 Mascarea
Conductele trebuie instalate in asa fel incat sa poata fi usor accesibile in cazul reparatiilor sau modificarilor. Acestea nu ar trebui incastrate in plansee de ciment sau tavane.
NOTA Pe cat posbil, conductele nu vor fi instalate in spatii inchise, care ar face dificila inspectia, repararea si modificarea.
17.1.6 Protectia impotriva focului si a deteriorarii mecanice
Sistemele de conducte trebuie instalate in asa fel incat sa nu fie expuse deteriorarii mecanice. Acolo unde conductele au fost instalate deasupra pasajelor, in incaperi joase, sau la nivele intermediare, sau in orice alte situatii similare, se vor lua masuri impotriva deteriorarii mecanice.
Acolo unde este imposibil de realizat ca sistemul de conducte de alimentare cu apa sa treaca printr-o cladire neasigurata cu un sistem de sprinklere, acesta trebuie instalat la parter si trebuie protejat impotirva deteriorarilor mecanice, si sa aiba o rezistenta adecvata la foc.
17.1.7 Vopsirea
Reteaua de conducte feroase negalvanizate trebuie vopsite daca conditiile de mediu inconjuratoare o cer. Conductele gavanizate trebuie vopsite acolo unde protectia a fost deteriorata, de exemplu prin filetare.
NOTA Protectia suplimentara poate fi necesara in conditii corozive neobisnuite.
17.1.8 Drenajul
Trebuie prevazute mijloace prin care toata reteaua de conducte sa fie drenata. Unde acest lucru nu se poate realiza prin robinetul de drenaj al supapei de control si semnalizare, trebuie sa fie prevazut un robinet suplimentar in conformitate cu 15.4.
In cazul instalatiilor apa-aer, alternative si cu preactionare, conductele secundare pot sa aiba o panta fata de conducta de distributie cu cel mult 0,4 %, iar conductele de distributie trebuie sa aiba o panta de cel putin 0,2% fata de robinetul de drenaj.
Conductele secundare trebuie conectate pe o parte sau deasupra conductelor de distributie.
17.1.9 Conductele de cupru
Conductele de cupru vor fi utilizate in instalatii de tip apa-apa pentru sisteme LH, OH1, OH2 si OH3, in aval de orice conducta de otel. Conductele de cupru trebuie imbinate prin imbibari mecanice ori prin sudare, utilizand garnituri in conformitate cu EN 1254.
Pentru sudare, cupru pe cupru este necesar un aliaj din cupru si zinc, cositor si zinc in concordanta cu ISO 3677. Realizarea imbinarilor prin sudare se va efectua numai de personal specializat.
Imbinarile cupru otel trebuie realizate prin flanse, utilizand bolturi din otel inoxidabil. Conductele nu trebuie indoite la fata locului.
Trebuie aplicate masuri suplimentare pentru a evita coroziunea galvanica.
17.2 Suporturile conductelor
17.2.1 Generalitati
Suporturile conductelor trebuie fixate direct pe cladire sau daca este necesar, pe dispozitive, rafturi de depozitare sau alte structuri. Nu vor fi utilizate pentru a sustine alte instalatii. Acestea trebuie sa fie de tip reglabil, capabile pentru a asigura o sarcina portanta uniforma. Suportul trebuie sa inconjure complet conducta si nu trebuie sudat de conducte sau de fitinguri.
Partea structurii pe care suportii sunt securizati trebuie sa fie capabila sa suporte reteaua de conducte. Conductele cu un diametru mai mare de 50mm nu vor fi sustinute cu foi de otel ondulat sau cu placi din beton aerat (BCA).
Conductele de distributie si conductele ascendente trebuie sa aiba un numar suficient de puncte fixe pentru a face fata fortelor axiale.
Nici o parte a vreunui suport nu va fi confectionata din material combustibil. Nu vor fi folosite cuiele.
Suporturile pentru conductele din cupru trebuie prevazute cu captusala potrivita (suitable lining) cu rezistenta electrica pentru a preveni coroziunea de contact.
17.2.2 Amplasarea si localizarea
Suporturile trebuie plasate la nu mai mult de 4 m distanta de conductele de otel si 2 m distanta de conductele de cupru. Pentru conductele cu un diametru mai mare de 50 mm aceste distante pot creste cu 50% cu indeplinirea urmatoarelor conditii:
doua suporturi independente sunt asamblate in aceeasi structura
suportul va fi folosit in conditiile in care va putea sustine o presinue de contact cu 50% mai mare decat cea afista in tabelul 40.
Cand sunt utilizate imbinari mecanice:
trebuie folosit cel putin un suport situat la un metru de fiecare imbinare
trebuie folosit cel putin un suport pentru fiecare sectiune de conducta
Distanta dintre orice sprinkler terminal si suport nu trebuie sa depaseasca:
0,9m pentru conducte de diametru de 25mm
1,2 m pentru conducte cu diametru mai mare de 25 mm
Distanta de la orice sprinkler montat cu deflectorul in sus la suport nu trebuie sa fie mai mica de 0,15m.
Conductele verticale trebuie sa aiba suporti aditionali in urmatoarele cazuri:
conducte mai lungi de 1 m care alimenteaza un singur sprinkler.
Conductele care sunt dispuse pe nivelul de jos sau sunt vulnerabile la impactul mecanic trebuie sustinute prin suporti separati, cu exceptia urmatoarelor cazuri:
conducte orizontale cu lungimi mai mici de 0,45m alimentand sprinklere individuale
conducte de drenaj sau ascendente cu lungimi mai mici decat 0,6 m alimentand sprinklere individuale
17.2.3 Proiectare
Conductele suport trebuie proiectate in concordanta cu cerintele Tabelului 40 si Tabelului 41
|
Diametrul nominal al conductei |
Capacitatea de incarcare minima la 200C (vezi nota 1) kg |
Sectiunea minima de trecere (vezi nota 2) mm2 |
Sageata minima intre bolturile de ancorare (vezi nota 3) mm |
|
d 50<d 100<d 150<d |
|
30(M8) 50(M10) 700(M12) 1250(M16) |
|
|
NOTA 1 Cand materialele sunt incalzite la 2000C capacitatea de incarcare nu trebuie sa se deterioreze mai mult de 25% NOTA 2 Sectiunea nominala de trecerea a filetului barei trebuie crescuta astfel incat sa fie obtinuta sectiunea minima de trecere NOTA 3 Marimea sagetii dintre bolturile de ancorare depinde de tipul utilizat si de calitatea si tipul materialului in care vor fi fixate. Valorile date sunt pentru beton. |
|||
|
Diametrul nominal al conductei (d) mm |
Platbande din otel |
Scoabe pentru conducte |
||
|
galvanizate mm |
negalvanizate mm |
galvanizate mm |
negalvanizate mm |
|
|
d 50<d |
|
|
25x1,5 25x1,5 |
25x3,0 25x3,0 |
17.3 Conducte in spatii inchise
Acolo unde este necesara protectia sprinklerelor prin spatii inchise ca tavane false si podele, conductele trebuie proiectate astfel:
17.3.1 Tavane false amplasate in amenajari OH
Sprinklerele amplasate deasupra tavanelor trebuie alimentate din aceleasi conducte secundare ca si sprinklerele de sub tavan. In sistemele precalculate, sprinklerele trebuie luate in calcul cumumlativ pentru determinarea diametrului conductei.
17.3.2 Toate celelalte cazuri
Sprinklerele in spatii inchise trebuie alimentate din conducte secundare separate. In cazul sistemelor precalculate, diametrele de distribuite ale conductelor de alimentare a sprinklerelor din interiorul si exteriorul spatiilor inchise nu trebuie sa fie mai mici de 65 mm.
1.8 Indicatoare, avertizari si informare
Un plan al situatiei trebuie plasat cat mai aproape de intrarea principala sau oriunde in alta parte, unde poate fi usor vizualizat de catre Unitatea de Pompieri sau alte persoane responsabile cu alarmarea. Planul va trebui sa contina:
Fiecare parte a verificarii saptamanale trebuie efectuata la intervale nu mai mari de 7 zile.
20.2.2.2 Verificari
Urmatoarele aspecte trebuie verificate si inregistrate:
Fiecare dispozitiv de alarma cu motor hidraulic trebuie sa sune nu mai putin de 30s.
20.2.2.4 Verificarea de pornire al pompei automate
Verificarea pompelor automate va include urmatoarele:
Fiecare sursa de alimentare cu apa trebuie verificata cu supapa de control si semnalizare aferenta sistemului. Pompele, daca acestea sunt furnizate, vor porni automat la alimentare si presiunea de alimentare a debitului corespunzator nu trebuie sa fie mai mica decat nivelul corespunzator valorii in conformitate cu art 10, recunoscand orice modificare ceruta de 20.3.2.2
Orice sursa secundara de alimentare cu energie electrica de la generatoarele diesel trebuie verificata pentru functionare satisfacatoare.
Toate robinetele de oprire care controleaza debitul de apa catre sprinklere trebuie utilizate astfel incat sa asigure functionarea normala si ca realizeaza oprirea rapida intr-un mod corect. Acestea vor include si robinetele de oprire a alimentarii cu apa, roninetul(ele) de alarmare si toate zonele sau alte robinete de oprire auxiliare.
Debitmetrele vor fi verificate pentru functionare corecta.
Verificarea semestriala
20.3.3.1 Generalitati
Urmatoarele verificari si inspectii vor fi efectuate la un interval nu mai mare de 6 luni.
20.3.3.2 Robinetele de alarma uscate
Partile mobile ale robinetelor de alarma usacatea si oricare din acceleratoare si exhaustoare in instalatiile de conducte uscate si extensiile auxiliare trebuie utilizate in conformitate cu instructiunile furnizorului.
NOTA Instalatiile alternative nu vor fi verificate in acest fel deoarece acestea sunt utilizate de doua ori pe an ca urmare a schimbarilor de la functionarea tip apa-apa la cea apa-aer si inapoi.
Alarmarea Unitatii de Pompieri si statiei centrale de alarmare
Trebuie verificata instalatia electrica.
Verificarea anuala
20.3.4.1 Generalitati
Urmatoarele verificari si inspectii vor fi efectuate la un interval nu mai mare de 12 luni.
20.3.4.2 Verificarea debitului pompei automate
Fiecare pompa de alimentare cu apa a instalatiei trebuie verificata la incarcarea maxima (prin intermediul liniei de verificare conectata la maneta de alimentare a pompei situate in aval de iesirea robinetului unisens) si trebuie sa asigure presiunea si debitul inscris pe placuta indicatoare.
Ajustari corespunzatoare vor fi efectuate pentru pierderile de presiune in conducta de alimentare si robinetele dintre sursa de alimentare si fiecare supapa de control si semnalizare.
Verificari de repornire al motorului diesel
Alarma de repornire (failed-to-start) trebuie testata in concordanta cu 10.9.7.2.
Imediat dupa aceasta verificare motorul trebuie sa porneasca utilizand modul manual de pornire al sistemului.
Robinete cu plutitoare din rezervoarele cu apa
Robinetle cu plutitoare din rezervoarele cu apa trebuie verificate in scopul de a asigura functionarea lor corecta.
20.3.4.5 Camerele pompelor de absorbtie si filtrele
Filtrele pompelor de absorbtie si camerele de decantare trebuie inspectate cel putin anual si curatate cand este necesar.
Verificarea efectuata la 3 ani
20.3.5.1 Generalitati
Urmatoarele verificari si inspectii trebuie efectuate la un interval nu mai mare de 3 ani.
20.3.5.2 Rezervoarele de stocare si presiune
Toate rezervoarele trebuie examinate extern pentru a verifica coroziunea. Acestea trebuie drenate, curatate si examinate pentru coroziunea interna.
Daca este necesar, toate rezervoarele trebuie revopsite si/sau restaurate in ceea ce priveste protectia la coroziune,.
20.3.5.3 Robinetele de oprire ale surselor de alimentare cu apa, robinete de alarma si unisens
Toate robinetele de oprire ale surselor de alimentare, robinete de alarma si unisens vor fi examinate si inlocuite sau reparate daca este necesar.
20.3.6 Verificarea efectuata la 10 ani
La intervale nu mai mari de 10 ani toate rezervoarele trebuie curatate si examinate intern si inspectate de producator daca este necesar.
21 Evaluarea conformitatii
21.1. Setul de sprinklere
21.1.1 Generalitati
Conformitatea unui set de sprinklere va fi realizata prin:
- evaluarea de tip initial
- controlul productiei de fabrica de catre furnizorul setului de sprinklere
21.1.1.1 Incercari de tip initial
Se va verifica daca schita-proiect a setului de sprinklere este in concordanta cu prevederile acestui standard.
Se va verifica daca executia componentelor folosite in set este in concordanta cu cerintele schitei-proiect.
Acolo unde furnizorul setului foloseste componente in conformitate cu standardele europene, sau in absenta lor, alte specificatii tehnice relevante valide in tara de utilizare, pentru a raspunde acestei cerinte se va putea folosi executia mentionata de furnizorul setului. Totusi, furnizorul setului nu va fi scutit de responsabilitatea de a selecta corect componentele.
Controlul productiei de fabrica de catre furnizorul setului de sprinklere
Furnizorul de seturi va stabili, documenta si mentine un sistem de control al productiei de fabrica pentru a se asigura ca seturile plasate pe piata sunt conforme cu caracteristicile de executie mentionate.
Sistemul de control al productiei de fabrica va include proceduri, inspectii regulate si teste si/sau evaluari si utilizarea rezultatelor pentru a verifica materiile prime si alte materiale sau componente, echipamente, procesul de productie si setul. Va fi suficient de detaliat pentru a se asigura conformitatea a setului, si detectarea neregularitatilor in cel mai timpuriu stadiu.
Se va considera ca un sistem de control al calitatii staisface cerintele de mai sus daca este in conformitate cu cerintele EN ISO 9001 si daca este adaptat cerintelor acestui standard.
Se vor inregistra rezultatele inspectiile, testelor si evaluarilor care vor implica luarea unor masuri, precum si masurile luate. Se vor inregistra masurile de luat atunci cand valorile sau criteriile controlului nu sunt satisfacute.
Procedura de control al productiei va fi redactata ca un manual.
Furnizorul setului va duce la indeplinire si va inregistra rezultatele testelor de productie ca parte a controlului productiei.
21.2 Sistemul de sprinklere
Generalitati
Conformitatea unui sistem de sprinklere cu cerintele din acets standard va fi demonstrata de:
evaluarea indeplinita in 21.1.1
testul la darea in exploatare (a se vedea clauza 19)
ANEXA A
(normativ)
Clasificarea riscurilor tipice (Typical Hazard)
Tabelele A1, A2 si A3 contin listele cu clasificarea riscurilor minime. Vor fi folosite ca si ghid pentru locatiii nementionate in mod special. Se vor citi impreuna cu 6.2.
|
Scoli si alte institutii educationale (anumite zonei) Birouri (anumite zone) Inchisori |
Tabelul A.2 – Spatii de risc obisnuit
|
Spatiu |
Grupul de risc obinuit |
|||
|
OH 1 |
OH 2 |
OH 3 |
OH 4 |
|
|
Sticla si ceramica |
|
|
Fabrici de sticla |
|
|
Chimicale |
Lucrari de ciment |
Laboratoare fotografice Fabrici de fil fotografic |
Lucrari de vopsire Fabrici de sapun |
Fabrici de ceara de lumanari Fabrici de chibitre Magazine de vopseluri |
|
Lucrari de inginerie |
Fabrici de foi de metal |
Ateliere de masini Fabrici de motoare |
Fabrici de elctronice Fabrici de echipamente radio Fabrici de frigidere Fabrici de masini de spalat |
|
|
Mancare si bautura |
Abatoare |
Panificatii Fabrici de biscuiti Fabrici de bere Fabrici de ciocolata Cofetarii |
Fabrici de hrana de manimale Mori de porumb Fabrici de supe si legume deshidratate Fabrici de zahar |
Distilerii de alcool |
|
Diverse |
Spitale Hoteluri Biblioteci (excluzand depozitele de carti) Restaurante Scoli Birouri |
Laboratoare Spalatorii Parcuri de masini Muzee |
Sudiorui de transmisie Gari Incaperi cu flori |
Teatre si cinematografe Sali de concert Fabrici de tutun |
|
Hartie |
|
|
Fabrici de legat carti Fabrici de carton Fabrici de hartie Tipografii |
Procesarea deseurilor de hartie |
|
Cauciuc si plastic |
|
|
Fabrici de cablu Modelare prin injectare (plastic) Fabrici de plastic si marfuri de plastic (excluzand plastic spuma) Fabrici de marfuri din cauciuc Fabrici de fibre sintetice (excluzand acril) lucrari de vulcanizare |
Fabrici de franghii |
|
Birouri si magazine |
Procesare a datelor (camera calculatoarelor, excluzand depozitarea benzilor) Birouri |
|
Magazine Centre de cumparaturi |
Sali de expozitii |
|
Textile si imbracaminte |
|
Fabrici de marfuri de articole de piele |
Fabrici de covoare (exluzand cauciucul si plasticul spuma) tesaturi si fabrici de tesaturi fabrica de mase fibroase fabrici de incaltaminte fabrici de tricotaje fabrici de lenjerii fabrici de saltele (excluzand plasticul spuma) fabricile de cusut mori de tesaturi mori de lana si postav |
Mori de bumbac Fabrici de tratatare a inului Fabrici de tratate a canepii |
|
Cherestea si lemne |
|
|
Fabrici de lucrari din lemn Fabrici de mobila (fara plastic spuma) Expozitii de mobila Tapaiterii (fata plastic spuma) |
Fabrica de fierastraie, fabrici de placa aglomerata Fabrici de placaj |
|
NOTA In cazul in care la spatiile din OH 1 si OH 2 se gasesc vopsea sau alte zone de risc similar ridicat de incendiu, trebuie tratate in OH 3. |
||||
Tabel A.3 – spatii de risc de incendiu ridicat
|
HHP 1 |
HHP 2 |
HHP 3 |
HHP 4 |
|
Imbracaminte de podea si fabrici de linoleu Fabrica de vopsea, culori si email fabrici de rasina, negru de fum si de terebentina Fabirici de inlocuitor de cauciuc Fabrici de rumegus |
Fabrica de mecanisme de aprindere a focului Fabrica de factor material M3 (vezi TabelulB.1) plastic spuma, cauciuc spuma si bunuri din cauciuc spuma (excluzand M4 – vezi Tabelul B.1) Distilarea gurdonului Depouri de autobuze, camioane si vagoane de cale ferata |
Fabrica de nitrat de celuloza |
Fabricia de artificii |
(normativa)
Metodologie de incadrare pe categorii a marfurilor depozitate
NOTA Riscul general de incendiu al marfurilor depozitate (definite ca produs si ca ambalajul sau) este o functie a ratei de degajare a caldurii (kw) care la randul ei este o functie a temperaturii de ardere (kj/kg) si a vitezei de ardere (kg/sec).
Temperatura de ardere este determinata de materia sau de amestecul de materii din care este facuta marfa. Viteza de ardere este determinata atat de materialele implicate, cat si de configuratia materialului.
Materialul va fi analizat pentru a determina factorul material. Acolo unde va fi necesar, factorul material va fi modificat in conformitate cu configuratia marfurilor pentru a determina categotia. Daca nu se cere nici o modificare, factorul material va fi singurul determinant al categoriei.
B.2 Factorul material (M)
Graficul B1. va fi fi folosit pentru a determina factorul material cand marfurile sunt facute dintr-un amestec de materiale. Daca de foloseste Graficul B.1, se va considera ca marfurile depozitate includ toate materialele de ambalaj si paletii suport. Pentru scopul acestei evaluari, cauciucul va fi tratat in acelasi fel ca si plasticul.
Pentru determinarea categoriei se vor folosi urmatorii 4 factori materiali:
Produse ne-combustibile in ambalaj combustibil si produse de combustibiltate redusa sau medie in ambalaje combustibile/necombustibile. Produse cu continut redus de plastic ca cele definite mai jos:
- continut de plastic neexpandat mai mic de 5% din masa (incluzand box paletii)
- continut de plastic expandat mai mic de 5% din volum.
Exemple:
- parti metalice cu/fara ambalaj de carton pe paleti de lemn
- hrana pudra in saci
- hrana conservata
haine nesintetice
marfuri din piele
marfuri din lemn
ceramica in cutii de carton sau de lemn
unelte de metal in ambalaj de metal sau de lemn
plastic cartonat sau sticle din sticla pentru lichide neinflamabile
aparatura eletrica de mare volum (sumar ambalate).

Grafic nr.1
Legenda
1 Factor material 1
2 Factor material 2
3 Factor material 3
4 Factor material 4
x % din volumul plasticului expandat
y % din masa plasticului neexpandat
Figura B1 Factorul material
Marfurile care au un continut energetic mai ridicat decat marfurile cu factor material 1, de exemplu marfurile ce contin plastic in cantitate mai mare cum arata Graficul B.1.
Exemplu
- mobilier de lemn sau metal cu scaune de plastic
- echipament electric cu componente sau ambalaj din plastic
- cabluri electrice pe mosor sau in cartoane
- materiale sintetice
Materialele care sunt predominant din plastic neexpandat (vezi Graficul B.1.) sau materiale cu un continut energetic similar.
Exemplu:
baterie de masina fara electrolit
serviete de plastic
computere
cani din plastic neexpandat si cutitarie
Materialele care sunt predominant din plastic expandat (mai mult de 40% din volum) sau materiale cu un continut energetic similar (vezi Graficul B.1.).
Exemplu
saltele de spuma
ambalaj din polistirena expandata
capitonare cu spuma
B.3. Configurarea depozitarii
B.3.1. Efectul configurarii depozitarii
Dupa determinarea factorului material, pentru a se determina cea mai buna incadrare pe categorii, se va face referire la planificarea depozitarii prezentata in Coloana 1 a Tabelului B.1.
Daca o alta categorie este in categoria C1, cea mai mare valoare dintre cele 2 va fi aleasa.
|
Configurarea depozitarii |
Factorul material |
|||
|
|
|
|
|
|
|
Container expus de plastic cu continut neinflamabil |
Cat. I, II, III |
Cat. I, II, III |
Cat. I, II, III |
Cat. IV |
|
Suprafata de plastic expusa– neexpandata |
Cat. III |
Cat. III |
Cat. III |
Cat. IV |
|
Suprafata de plastic expusa - expandata |
Cat. IV |
Cat. IV |
Cat. IV |
Cat. IV |
|
Structuri deschise |
Cat. II |
Cat. II |
Cat. III |
Cat. IV |
|
Materiale solide |
Cat. I |
Cat. I |
Cat. II |
Cat. IV |
|
Material pudra sau granular |
Cat. I |
Cat. II |
Cat. II |
Cat. IV |
|
Nici o configurare speciala |
Cat. I |
Cat. II |
Cat. III |
Cat. IV |
|
NOTA A se vedea B.3.2. pana la B.3.8. pentru explicatii ale planificarii depozitarii |
||||
Configuratia depozitarii din tabele sunt explicate dupa cum urmeaza:
B.3.2. Container de plastic expus cu continut neinflamabil
Se aplica doar recipientelor de plastic care contin lichide sau solide neinflamabile si care nu sunt in contact direct cu recipientul de plastic
NOTA Aceasta configuratie nu se aplica partilor metalice din cutii de depozitare din plastic
Categoria I: recipiente cu lichide neinflamabile
Categoria II: recipiente mici (< 50l) cu solide neinflamabile
Categoria III: recipiente mari (>50 l) cu solide neinflamabile
Exemple
sticle de plastic sau bauturi usoare sau lichide cu mai putin de 20% continut in alcool
cuve sau cilindri de plastic cu pudra inerta ca pudra de talc
NOTA Continutul neinflamabil actioneaza ca un mediu absorbant de caldura si reduce viteza de ardere a containerelor. Lichidele sunt mai eficiente decat solidele deoarece conduc caldura mai usor.
B.3.3 Suprafata de plastic expusa– neexpandata
Categoria va fi marita la III sau IV in cazul marfurilor la care suprafata de plastic expusa se intinde pe una sau mai multe parti sau pe mai mult de 25% din suprafata.
Exemple:
parti metalice depozitate in recipiente de PVC
hrana uscata ambalata in conserve metalice
Pentru recipiente de depozitare din polipropilena si polietilena, a se vedea G.8.
B.3.4. Suprafata expusa de plastic – expandata
Plasticul expus expandat este mai dur decat plasticul neexpus. Va fi tratata in Categoria IV.
Materialele cu structura deschisa prezinta in general un risc mai mare decat materialele cu o structura inchisa. Suprafata mare impreuna cu accescul mai usor al aerului maresc riscul de ardere.
Cresterea riscului poate fi sucbtantiala mai ales cu combustibilii obisnuiti.
Exemple
cartonul are factor material de 1
fatete de carton sunt de catgoria I
cutiile goale asamblate sunt de categoria II (din cauza accesului aerului)
rolele stocate vertical sunt fie de Categoria III sau mai mare (Risc Special) in functie de metoda de stocare (stivuite strand, legate sau nelegate)
B.3.6. Materiale solide
Exemplu:
blocuri compacte de cauciuc,
pardoseala de vinilin stocata in blocuri
NOTA Aceasta configurare nu se aplica blocurilor de plastic expandat (Categoria IV)
B.3.7. Materiale sub forma de granule sau pudra
NOTA 1 Materialele granulare exclusiv plasticul expandat care se vor imprastia in timpul unui incendiu tind sa domoleasca focul si sunt astfel mai putin riscante decat coponentele de baza.
Exemplu
granulele de plastic folosite pentru modelare prin injectare depozitate in cutii de carton
NOTA 2: Aceasta configuratie nu se aplica in cazul rafturilor de depozitare
B.3.8. Nici o configuratie speciala
Marfurile care nu au nici una din caracterisiticile de mai sus, de ex marfurile cartonate.
Anexa C
(normativa)
Lista alfabetica a produselor si categoriilor depozitate
Tabelul C.1 se va folosi pentru a determina categoria produselor depozitate pentru care orice fel de ambalaj, cu sau fara paleti, nu este mai riscanta decat o cutie de carton sau un singur strat de de impachetare in carton ondulat
|
Produs |
Categorie |
Comentarii |
|
Adezivi |
I |
Se cere protectie speciala pentru solventi flamabili |
|
Hartie de asfalt |
II |
In role orizontale |
|
Hartie de asfalt |
III |
In role verticale |
|
Baterii, celule uscate |
II |
|
|
Baterii, celule ude |
II |
Se cere protectie speciala pentru acumulatori vizi de plastic |
|
Bere |
I |
|
|
Bere |
II |
Containere in cutii de lemn |
|
Carti |
II |
|
|
Lumanari |
III |
|
|
Panza impregnata cu gudron |
III |
|
|
Carbon negru |
II |
|
|
Carton (toate tipurile) |
II |
Depozitat plat |
|
Carton (cu exceptia celui ondulat) |
II |
Role depozitate orizontal |
|
Carton (cu exceptia celui ondulat) |
III |
Role depozitate vertical |
|
Carton ondulat |
III |
Role depozitate orizontal |
|
Carton ondulat |
IV |
Role depozitate verticale |
|
Cutii de carton |
III |
Cutii goale, grele si asamblate |
|
Cutii de carton |
II |
Cutii goale, usoare si asamblate |
|
Pavele textile |
III |
|
|
Covoare neizolate |
II |
Stocarea pe stative necesita sprinklere de raft |
|
Carton, parafinat,plat |
II |
|
|
Cartons,parafinat |
III |
|
|
Celuloza |
III |
Fara nitrit sau acetat |
|
Pasta de celuloza |
II |
|
|
Ceramica |
II |
|
|
Cereale |
II |
In cutii |
|
Mangal |
II |
Excluzand mangalul impregnat |
|
Tesaturi, sintetice |
I |
Depozitate plat |
|
Tesaturi, lana sau bumbac |
II |
|
|
Haine |
II |
|
|
Matisare |
III |
|
|
Dulciuri de cofetarie |
II |
|
|
Pluta |
II |
|
|
Bumbac, baloti |
ii |
Se cer masuri speciale, ca acelea pentru a mari aria de operare, in cazul cand este necesar |
|
Olarie |
I |
|
|
Electronice |
I |
Predominant construcite metalica |
|
Cablu sau sarme elctrice |
II |
Stocarea pe stative necesita sprinklere de raft |
|
Iarba |
III |
Vrac sau baloti |
|
Fertilizator, solid |
II |
Poate cere masuri speciale |
|
Masa fibroasa |
II |
|
|
Mecanisme de aprindere a focului (gratar) |
III |
|
|
In |
Ii |
Masuri speciale, ca o arie mai mare de functionare, cand e necesar |
|
Faina |
Ii |
In saci sau pungi de hartie |
|
Hrana in cutii |
I |
In cutii de carton si tavi |
|
Ingrediente de mancare |
II |
In saci |
|
Mobila, netapitata |
Ii |
Cu fibre naturale si materiale dar excluzand plasticul |
|
Mobila, de lemn |
Ii |
|
|
Blanuri |
Ii |
In cutii |
|
Fibra de sticla |
I |
neprelucrata |
|
Sticlarie |
I |
Goala |
|
seminte |
I |
In saci |
|
canepa |
Ii |
Masuri speciale, ca o arie mai mare de functionare |
|
Piele netabacita |
Ii |
|
|
Iuta |
Ii |
|
|
Impletituri |
Ii |
Vezi haine |
|
Carton laminat |
Ii |
|
|
Obiecte din piele |
Ii |
|
|
Panza |
Ii |
|
|
Linoleu |
Iii |
|
|
Chibrite |
Iii |
|
|
Saltele |
Ii |
|
|
Carne |
I |
Racita sau inghetata |
|
Bunuri de metal |
I |
|
|
Lapte pudra |
II |
In saci sau pungi |
|
Rechizite |
II |
|
|
Vopseluri |
I |
Pa baza de apa |
|
hartie |
II |
For stocate pe orizontala |
|
hartie |
III |
Masa < 5kg/100 metru patrat (de ex hartie igienica), role stocate pe orizontala |
|
hartie |
IV |
Masa < 5kg/100 metru patrat (de ex hartie igienica), role stocate pe verticala |
|
hartie |
III |
Masa 5 kg/100 metru patrat (de ex ziare), role stocate pe verticala |
|
hartie |
II |
Masa 5kg/100 metru patrat (de ex ziare), role stocate pe orizontala |
|
Hartie, bituminata |
III |
|
|
Hartie, pasta |
II |
Role, baloti |
|
Hartie, deseu |
III |
Masuri speciale, ca o arie mai mare de functionare |
|
Perne |
II |
Pene sau puf |
|
Rogojina |
II |
Vrac sau baloti |
|
Rasina |
II |
Excluzand lichidele flamabile |
|
Acoperis in role |
II |
Stocat pe orizontala |
|
Acoperis in role |
III |
Stocat pe verticala |
|
Franghie, fibre naturale |
I |
|
|
Pantofi |
I |
|
|
Sapun, solubil in apa |
II |
|
|
Bauturi spirtoase |
I |
Sticle din sticla in cutii |
|
Ate, fibre naturale |
I |
|
|
zahar |
II |
In pungi sau saci |
|
textile |
|
Vezi tesaturi |
|
Cherestea, taiata cu fierastraul |
III |
In saci cu ventilatie |
|
Cherestea, taiata cu fierastraul |
II |
Nu in saci cu ventilatie |
|
Cherestea, netaiata cu fierastraul |
II |
|
|
tutun |
II |
Foi si produse finite |
|
Cauciucuri depozitate pe orizontala |
IV |
Cele depozitate pe verticala nu fac obiectul acestui standard |
|
Fibre vegetale |
II |
Masuri speciale, ca o arie mai mare de functionare |
|
Ceara (parafina) |
IV |
|
|
Impletituri de rachita |
III |
|
|
lemn |
|
Vezi cherestea |
|
Lemn, placa aglomerata, furnir |
II |
Depozitata plat, excluzand stativele ventilate |
|
Pasta de lemn |
II |
Baloti |
|
Foi de furnir din lemn |
IV |
|
|
Rumegusl |
IV |
Baloti |
Anexa D
(normativa)
Amplasarea in spatiu a instalatiilor de sprinklere
D.1.Generalitati
Anexa specifica cerintele referitoare la protejarea cladirilor cu sprinklere cand se alege locul in care acestea vor fi instalate. Se aplica doar instalatiilor de sprinklere OH de tip apa-apa.
Nota Plasarea in spatiu a sprinklerelor este optionala cu exceptia cazului in care acest standard cere o anlta locatie. )a se vedea Anexele E si F).
D.2. Plasarea in spatiu a instalatiilor
Instalatiile de sprinklere OH de tip apa-apa pot fi impartite pe zone sau nu.
Numarul sprinklerelor care pot fi controlate de supapa de control si semnalizare pentru instalatia apa-apa in OH poate depasi 1000 (vezi Tabel 17), cu urmatoarele restrictii:
a) Numarul sprinklerelor care pot fi controlate de un set de valve de control pe orice podea nu poate depasi 1000
b) Instalarea va fi efectuata in conformitate cu D.3
c) Impartirea pe zone nu va include un risc mai mare de OH3
d) Parcurile de masini si ariile care implica descarcare si depozitare de marfuri vor avea o instalatie separata
e) Caldirea va fi protejata de sprinklere pe toata suprafata podelelor
f) Numarul total de sprinklere controlate de o supapa de control si semnalizare nu va depasi 10.000
D.3. Cerinte pentru amplasarea instalatiilor
Nici o zona:
a) nu va include mai mult de 500 de sprinklere
b) nu va acoperi mai mult de nivelul unui etaj, care poate include un mezanin nu mai mare de 100 metri patrati.
Fiecare zona va fi controlata independent de o singura valva de inchidere complementare, instalata intr-o pozitie usor accesibila la nivelul etajului zonei pe care o controleaza. Fiecare valva va fi asigurata de deschidere si va fi etichetata pentru a se identifica aria de protectie pe care o controleaza.
Instalatiile de sprinkele vor fi prevazute cu sigilii de siguranta inviolabile pentru a monitoriza starea:
a) fiecarei valve de inchidere (i.e. fie complet deschisa fie complet inchisa), incluzand valvele de inchidere complementare, capabile sa intrerupa fluxul de apa catre sprinkler;
b) debitului de apa in fiecare zona imediat in avalul fiecarei valve de inchidere auxiliare, pentru a indica functionarea in fiecare zona, prin intermediul unei turbine de semnalizare capabil sa detecteze orice flux egal sau mai mare decar cel dintr-un cap de sprinkler;
c) debitul de apa prin fiecare supapa de de control si semnalizare a instalatiei.
Se vor prevedea teste permanente si facilitati de drenaj imediat in aval de turbina de alarma si semnalizare a fluxului de apa din fiecare zona. Facilitatea de test va simula functionarea unui cap de sprinkler. O prevedere adecvata se va face si pentru apa reziduala.
Supapele de control si semnalizare ale unei instalatii de sprinklere va avea doua valve de inchidere, cate una pe fiecare parte a vanei unice de semnalizare cu bypass intre cele trei valve ale aceleiasi supape, prevazuta cu o valva de inchidere pe pozitia inchisa normal (a se vedea Graficul D.1.). Fiecare din cele trei valve de inchidere va fi prevazuta cu mecanisme de inchidere inviolabila (sigilii) pentru a monitoriza starea lor.
Mecanismele de monitorizare solicitate de D.3.4 si D3.6. vor fi conectate electric la un panou indicativ de control, instalat in sediu intr-o locatie accesibila, unde se vor preciza urmatoarele indicatii si avertismente:
a) indicatori vizuali de culoare verde pentru a indica ca fiecare valva de inchidere este in pozitia operationala corecta;
b) mecansime auditive si indicatori vizuali de chihlimbar pentru a indica ca una sau mai multe supape de control semnalizare nu sunt complete deschise;
c) mecansime auditive si indicatori vizuali de chihlimbar pentru a indica ca una sau mai multe supape de inchidere din zone auxiliare nu sunt complet deschise;
d) mecanisme auditive si indicatori vizuali de chihlimbar pentru a indica daca presiunea statica din orice conducta principala de alimentare care aprovizioneaza sistemul a scazut la 0,5 bari sau mai mult fata de presiunea statica normala;
e) mecansime auditive si indicatori vizuali de culoare rosie pentru a indica faptul instalatia este alimentata cu apa;
f) mecanisme auditive si indicatori vizuali de culoare rosie pentru a indica ca apa curge intr-una sau mai multe zone;.
Panoul indicative va fi furnizat cu facilitati pentru oprirea alarmei sonore dar indicatoii vizuali vor continua sa functioneze pana cand instalatia isi revine la conditia normala de asteptare.
Semnalele de foc si semnalizarea defectelor vor fi indicate in permanenta intr-o locatie in care se afla oameni. (a se vedea anexa I).
Orice schimbare in panoul de alarma sau o semnalizare a defectelor dupa oprirea alarmei sonore va duce la reluarea sunteului pana cand este din nou oprit sau cand panoul va fi resetat la conditia de asteptare normala.
Cand instalatiile sunt dispuse pe zone, planul blocului va arata suplimentar si pozitiile valvelor de control zonale.

Figura D.1 - Vana de control bypass pentru instalatii amplasate in cladiri
Anexa E
(normativa)
Cerinte speciale pentru sistemele instalate la mare inaltime
Cerintele acestei anexe se vor aplica la protectia cladirilor cu mai multe etaje cu o diferenta de inaltime intre sprinklerul cel mai de sus si cel mai de jos de mai mare de 45 metri.
Cerintele sunt aplicabile cladirilor care se intentioneaza a fi folosite cu spatii la care riscul este clasificat a nu fi mai mare de OH3. Pentru sisteme de mare inaltime cu risc mai mare de OH 3 este nevoie de solutii de tehnologie a focului si se va avea in vedere parerea unui specialist.
E.2. Criterii de proiectare
E.2.1. Grupul de risc
Sistemele de sprinklere pentru inaltime mare vor fi conforme cu cerintele de protectie OH Grup III.
Subdiviziunea sistemelor de sprinklerelor de mare inaltime vor fi impartite in instalatii de sprinklere astfel incat diferenta de inaltime intre sprinklerul cel mai de jos si cel mai de sus pe oricare dintre instalatii sa nu depaseasca 45 de metri (a se vedea Graficul E1 si E.2).
E.2.3. Presiuni stationara (de lucru) si supape unisons
Presiunea minima la orice valva unisons sau la intrarea in valva de alarma nu va fi mai mica de 1,25 ori diferenta statica dintre valva si cel mai inalt sprinkler al instalatiei Supapele unisens de control al fluxului instalatiei vor functiona corect cu un indicator al presiunii de serviciu la presiunea instalatiei ce nu va depasi 1,16: 1, masurata de cursa ventilului si presiunea egalizatoare a valvei unisens.
E.2.4. Calculul conductelor de distributie pentru sisteme pre-calculate
Principalele conducte de distributie, inclusiv cele care urca si cele care coboara, intre cel mai inalt punct de proiectare dintr-o instalatie si valva de inchidere auxiliara de pe acelasi nivel vor fi calculate hidraulic. Pierderea din frecare maxima nu va depasi 05,bari la un flux de 1000 litri/minut (a se vedea 13.3.4.2.).
Acolo unde protectia prin sprinklerei este la nivele diferite intr-o instalatie, pierderea de presiune permisa intre punctele de proiectare si valvele de inchidere auxiliare de pe nivele mai joase poate sa creasca cu o valoare egala cu diferenta dintre cresterea presiunii statice dintre sprinklere la nivelul care ne intereseaza si cel mai inalt sprinkler din instalatie.
Conductele, imbinarile, valvele si alte echipamente vor fi capabile sa sustina presiunea maxima care se va produce.
Pentru a face fata presiunii mai mari de 12 bari, alarme hidraulice pot fi actionate prin vana de reducere a presiunii sau dintr-o sursa secundara de apa ca de exemplu reteaua de canalizare a orasului, controlata de o vala cu diafragma conectata la deschiderea valvei de control si semnalizare a instalatiei principale.
E.3. Surse de alimentare cu apa
E.3.1.Tipuri de surse de alimentare cu apa
Sistemul va avea cel putin o singura sursa principala de alimentare cu apa.
E.3.2. Presiunea si debitele necesare pentru instalatii pre-calculate
Sursa de alimentare cu apa va fi proiectata sa atinga o presiune minima si conditie de debit la valva de inchidere auxiliara dupa cum se specifica in Tabelul 6, considerandu-se ca Ps este diferenta de presiune echivalenta inaltimii celui mai inalt sprinkler de deasupra valvei de inchidere auxiliare.
E.3.3. Caracteristicile sursei de alimentare cu apa pentru instalatii precalculate
Cracteristicile sursei de alimentare cu apa vor fi determinate printr-un calcul hidraulic al retelei de conducte in amonte de valava de inchidere auxiliara, la valorile cele mai joase si cele mai inalte ale debitului specificate in Tabelul 6, si va include calculele la cota initiala a rezervei de apa.
E.3.4. Functionarea pompei pentru instalatiile precalculate
Caracteristicile pompelor automate vor fi conforme cu Tabelul 16.
NOTA Presunile se masoara la pompa sau la un nivel semnificativ al pompelor pe mai multe nivele, pe partea cu flanse.

Figura E.1 – Schema tipica pentru sisteme de instalatii la mare inaltime prevazute cu pompe de alimentare

Anexa F
(normativ)
Cerinte specilale pentru sisteme de siguranta a vietii
F.1. Subdivizarea pe zone
Instalatiile vor fi impartite pe zone, in conformitate cu anexa D, cu un maximum de 200 de sprinklere pe zona.
Instalatiile de sprinklere pentru siguranta vietii vot fi de tip apa-apa si orice conducta uscata auxiliara sau extensie alternativa vor fi in conformitate cu 11.5.
Se vor folosi sprinklere cu raspuns rapid, cu exceptia standardului A iar raspunsul special va fi folosit in camere nu mai mici de 500 metri patrati si nu mai putin inalte de 5 metri.
In timpul functionarii si intretinerii valvelor de control si semnalizare ale intalatiei, instalatia de sprinklere va fi operationala in intregime si sub toate aspectele.
NOTA In unele tari se cer seturi duplicat de valve de control semnalizare ale instalatiei.
Sistemul va avea cel putin o sursa superioara de alimentare cu apa.
NOTA In unele tari se cer rezerve duplicat de apa pentru sistemele de siguranta a vietii.
F.6. Teatrele
In teatre cu scene separate de auditoriu prin cortina (unde exista o cortina de siguranta intre scena si auditoriu), cortina va fi prevazuta cu o linie de drencere controlate de o valva cu deschidere rapida plasata intr-o pozitie potrivita. Sursa de alimentare cu apa pentru drencere va fi condusa in amonte de orice set de valve de control. Scena va fi protejata printr-o instalatie de imprastiere a apei cu activare automata si manuala. Alternativ, scenele cu o inaltime nu mai mare de 12 metri pot fi protejate de sprinklere.
Toate atelierele, cabinele de proba, decorurile, magaziile si spatiile de desubt vor fi prevazute cu sprinklere.
Se va inchide pe rand doar cate o zona a instalatiei divizata in zone. O instalatie sau zona vor fi inchise pe o durata minima necesara pentru intretinere.
Se va evita pe cat posibil inchiderea partiala sau totala a intalatiei de sprinklere de siguranta a vietii. Va fi izolata doar cea mai mica parte din instalatie care necesita reparatii.
Cand o zona (sau zone) este incarcata sau reincarcata cu apa dupa drenare, vor fi folosite valvele de drenare pentru a se verifica daca in zona exista apa (a se vedea D.3.3).
Valvele de alarma individuale dintr-un set de valve de control si semnalizare duplicat vor fi folosite separat, cu conditia intretinerii furnizarii de apa catre instalatie.
Inainte de folosirea seturilor duplicat de valve de control si semnalizare se va respecta urmatoarea procedura:
- se vor deschide valvele de inchidere la valvele duplicat de alarma. Se vor inchide valvele de inchidere la valva de alarma care urmeaza a se folosi si se va efectua imediat un test de alarma pe cealalta valva de alarma (a se vedea 20.2.2.3.);
- daca nu exista apa, valva de inchidere va fi imediat deschisa si inainte de a continua se va rectifica greseala.
Anexa G
(normativ)
Protectia riscurilor speciale (de tip Special Hazard)
Cerintele suplimentare ale acestei anexe vor fi folosite pentru protectia produselor specificate.
Urmatorul proiect de protectie (vezi Tabelul G.1.) se va folosi cand produsele pe baza de aerosoli sunt separate de alte tipuri de produse si sunt continute in celule.
NOTA Daca asemenea produse nu sunt stocate in celule, este posibil ca protectia prin sprinklere sa nu functioneze.
Tabelul G.1 – Criterii de protectie pentru depozitarea aerosolului
|
|
Depozitare maxima sau inaltimea maxima de depozitare pe rand |
Temperatura sprinklerei de tavan Grade Celsius |
Densitate Mm/min |
Aria de functionare Metri patrati |
|
|
Baza alcool |
Baza hidrocarbon |
||||
|
ST 1 Pozitie libera si depozitare in bloc |
|
|
|
|
|
|
|
|
|
|
|
|
|
ST 4 Stativ paletizat |
randuri <1,8 |
|
|
12,5 plus sprinklere in stativ |
|
|
|
randuri <1,8 |
|
25 plus sprinklere in stativ |
|
|
Sprinklerele de raft trebuie sa fie de tip raspuns rapid cu o temperatura in conformitate cu 14.4.
Aceasta anexa contine cerinte speciale pentru protectia depozitelor de haine stocate prin atarnare pe mai multe randuri sau a stativelor de haine pe 2 sau mai multe nivele. Pot avea distribuire a hainelor automatica sau semi-automatica, sisteme de ridicare si transportare. Accesul la nivelele mai ridicate de stocare a hainelor din depozite se face de obicei prin rampe sau alei. O trasatura comuna a depozitelor de stocare a hainelor prin atarnare este accea ca nu exista o separare a focarelor de foc intre platforme. Aleile, coridoarele, rampele si stativele pentru haine obstructioneaza sprinklerele de la nivelul tavanului. Protejarea hainelor stocate prin atarnare in carusele sau blocuri verticale fara coridoare nu fac obiectul acestei anexe.
Cerintele acestei anexe se vor aplica tuturor tipurilor de haine, indiferent de metoda de stocare.
Protectia prin sprinklere trebuie sa fie in conformitate cu cerintele pentru sprinklerele de raft.
Fiecare stativ pentru haine va fi limitat la doua randuri paralele si o inaltime de stocare de 3,5 metri intre nivelurile intermediare de sprinklerei. Stativele vor fi separate printr-un coridor de cel putin 0,8 metri latime. Stativele vor fi protejate printr-un singur rand de sprinklere. Spatiul dintre randurile de ssprinklere nu va depasi 3 metri.
Sprinklerele instalate direct deasupra stativelor de haine vor fi amplasate in zigzag pe verticala, la intervale orizontale nu mai mari de 2,8 metri de-a lungul lungimii stativului. Sprinklerul va fi amplasat la nu mai mult de 1,4 de la capatul stativului. Intre partea superioara a hainelor si deflectorul sprinklerului va fi o distanta de cel putin 0,15 metri. (vezi Graficul G.1).
Cu exceptia modificarii de mai jos, fiecare rand protector de sprinklere ce protejeaza depozitarea hainelor va fi invelit cu un ecran solid orizontal continuu egal cu cel putin lungimea si latimea randului de haine. Ecranul va fi din material agreat de Euroclass A1 sau A2 sau dintr-un echivalent existent in clasificarea nationala existenta.
Nivelul superior al protectiei stativului de sprinklere si ecranul pot fi omise cu conditia ca spatiul dintre partea de sus a hainelor si deflectorii sprinklerelor din tavan sa nu depaseasca 3 metri inaltime.
Sprinklerele vor fi amplasate sub toate rampele de acces, sub coridoarele principale, alei si rute de trasnport, cu exceptia coridoarelor, care nu depasesc 1,2 metri in latime, intre randurile de haine protejate de sprinklere.
Numarul sprinklerelor functionale de raft este dupa cum urmeaza:
Randuri 3
Nivele 3 sau mai putine
Sprinklere pe rand 3
Daca exista mai mult de 3 nivele de protectie prin sprinklere, vor fi functionale 3 randuri de 3 sprinklere pe 3 nivele protejate. Daca sub protectia sprinklerelor se afla 3 randuri sau mai putin de 3 randuri, vor fi functionale 3 randuri de 3 sprinklere.
G.3.5. Sprinklere de tavan
Sprinklerele de tavan vor fi proiectate pentru a asigura o densitate de 7,5 mm/min la o suprafata de functionare de 260 metri patrati, cu conditia ca nivelul superior al stativului sa fie izolat si protejat de sprinklere de raft. Daca nivelul superior al stativului sau izolatia sunt omise, sprinklerele de tavan vor fi proiectate cel putin pe baza marfurilor de categoria III. Inaltimea stivei se va masura de la sprinklerele de nivel intermediar superior pana la partea de sus a hainelor care stocate prin atarnare.

Legenda
1 Tavan
2 Ecran
3 Coridor
4 Capatul stativului
5 Distanta maxima dintre doua sprinklere consecurive
6 Capul sprinklerului
7 Imaginea de sfarsit
8 Imaginea coridorului
Figura G.1 - Protectia tipica prin sprinklere a stativelor de haine
Functionarea sistemului de sprinklere va opri automat toate sistemele de distribuite din depozit.
G.3.7. Setul de valve de control
Toate instalatiile vor fi de tip apa-apa.
Lichidele inflamabile se vor clasifica in 4 clase in functie de tempertura de ardere (TA) si de punctul de fierbere (PF), dupa cum se vede in Tabelele G.2, G.3 si G.4.
Tabel G.2. – Lichide inflamabile in cilindri metalici (ST1) cu o capacitate > 20 litri si 208 litri
|
Clasa |
Proprietati Grade Celsius |
Orientarea cilindrului |
Depozitarea permisa |
Sprinklere de tavan |
|
|
Densitate Mm/min |
Aria de functionare Metri patrati |
||||
|
|
FP ≥ 100 |
Pe o parte Spre capat |
≤ 12 cilindri inaltime ≤ 6 cilindri inaltime |
|
|
|
|
PF < 100 |
Pe o parte Spre capat |
≤ 6 cilindri inaltime ≤ 2 cilindri inaltime |
|
|
|
|
PF < 35 |
Pe o parte Spre capat |
≤ 3 cilindri inaltime ≤ 1 cilindri inaltime |
|
|
|
|
PF < 21 si TA < 35 |
Pe o parte sau Spre capat |
1 cilindru inaltime |
|
|
Tabel G.3. – Lichide inflamabile in cilindri metalici (ST4) cu o capacitate > 20 litri si 208 litri
|
Clasa |
Proprietati Grade Celsius |
Orientarea cilindrului |
Depozitarea permisa |
Sprinklere de tavan |
|
|
Densitate Mm/min |
Aria de functionare Metri patrati |
||||
|
|
PF ≥ 100 |
Pe o parte Spre capat |
La fiecare al 12-lea rand La fiecare al 6-lea rand |
|
|
|
|
PF < 100 |
Pe o parte Spre capat |
La fiecare al 6-lea rand La fiecare rand |
|
|
|
|
PF < 35 |
Pe o parte Spre capat |
La fiecare al 3-lea rand La fiecare rand |
|
|
|
|
PF < 21 si TA < 35 |
Pe o parte sau Spre capat |
La fiecare rand |
|
|
|
NOTA Acest tabel se aplica cilindrilor stocati la o inaltime de un cilindru pe rand |
|||||
Tabel G.4. – Lichide inflamabile in cilindri metalici (ST1, ST5, ST6) cu o capacitate 20 litri
|
Clasa |
Proprietati Grade Celsius |
Tip de stocare |
Inaltimea maxima de depozitare permisa |
Sprinklere de tavan |
|
|
Densitate Mm/min |
Aria de functionare Metri patrati |
||||
|
|
PF ≥ 100 |
ST 1 ST 5/6 |
|
|
|
|
|
PF < 100 |
ST 1 ST 5/6 |
|
|
|
|
|
PF < 35 |
ST1 ST 5/6 |
|
|
|
|
|
FP < 21 si BP > 35 |
ST1 ST5/6 |
|
|
|
Paletii de rezerva stocati in teancuri mari vor protejati cu sprinklere de tavan in conformtate cu Tabelul G.5. Paletii stocati in stative vor fi protejate cu sprinklere de tavan si sprinklere de raft in conformitate cu Tabelul G.6.
Tabelul G.5 – protectia paletilor de rezerva (ST4, ST5, ST6)
|
Tip palet |
Inaltimea maxima de depozitare permisa |
Sprinklere de tavan |
Cerinte speciale |
|
Paleti si lemn sau celuloza |
|
In categoria IV |
|
|
Paleti din politilena neexpandata de mare densitate cu platfoma solida |
|
In categoria IV, cu sprinklere de 93s C sau 100sC |
Depozitare in compartiment rezistent la foc de 60 de minute |
|
Orice alti paleti din plastic |
|
25 mm/min peste 300 m² |
Depozitare in compartiment rezistent la foc de 60 de minute |
Tabelul G.6 – protectia paletilor de rezerva (ST1)
|
Tip palet |
Sprinklere in stative |
Sprinklere de tavan |
Cerinte speciale |
|
Paleti si lemn sau celuloza. Paleti din politilena neexpandata de mare densitate cu platfoma solida |
In categoria IV |
In categoria IV, cu sprinklere de 93s C sau 100sC In categoria IV. |
Depozitare in compartiment rezistent la foc de 60 de minute cand inaltimea de stocare este mai mare de 3,8 metri |
|
Orice alti paleti din plastic |
In categoria IV, incluzand un nivelde sprinklere deasupra nivelului superior al stocului, sprinklere cu K = 115 si presiune minima de functionare de 3 bari |
25 mm/min peste 300 m² |
Depozitare in compartiment rezistent la foc de 60 de minute |
Recipientele pot fi stocate la o inaltime nu mai mare de 4,6 fata sprinklerele de tavan. Pentru inaltimi de stocare mai mari vor fi montate sprinklere intermediare, in conformitate cu cerintele Categoriei III/IV. In amble cazuri sprinklerele de tavan vor fi amplasate astfel incat sa asigure o densitate de stropire de 15mm/min pe o suprafata de 360 metri patrati.
NOTA 1 Se vor prevedea (bunding?) drenajul sau colectarea pentru preintampinarea imprastierii licidelor.
NOTA 2 Pentru scopurile acestui standard, vor fi considerate bauturi spirtoase cele care un continut de alcool mai mare de 20%.
G.7 Materiale sintetice care nu contin lana
G.7.1. Depozitare pe verticala
Sprinklerele de tavan vor fi instalate folosind criteriile prezentate in Tabelul G.7.
NOTA Pentru inaltimile de depozitare mai mari de 4,1 metri se poate lua in considerare folosirea sprinklerelor cu tehnologie speciala, cum ar fi asa numitele “picatura mare” sau sprinklere “ESFR” (vezi anexa L).
Tabelul G.7 – Material sintetic care nu contine lana: criterii de proiectare doar cu protectie din tavan sau acoperis
|
Planificarea depozitarii |
Inaltimea maxima de depozitare (vezi nota 1) Metri |
Densitatea minima proiectata Mm/min |
Suprafata de acoperire (sistem ud sau pre-actiune) (vezi nota 2) metri patrati |
|
ST 1 Pe verticala sau in bloc |
|
|
|
|
|
|
|
|
|
NOTA 1 Cea mai mica valoare dintre distanta pe verticala de la podea la deflectorul sprinklerului, minus 1 m, sau cea mai mare valoare prezentata in tabel NOTA 2 Se vor evita instalatiile uscate sau alternative |
|||
Sprinklerele de raft se vor folosi in conformitate cu cerintele Categoriei IV. Sprinklerele de tavan vor asigura o densitate minima proiectata de 12,5 mm/min la o suprfata de 260 metri patrati.
Se vor indeplini urmatioarele cerinte daca testele de protectie contra focului nu indica ca valide si alte tipuri de sprinklere.
Containerele de polipropilena sau politilena trebuie sa fie clasificate ca HHS in Categoria IV.
G.8.3. Depozitare pe stativi din paleti (ST 4)
Sprinklerele de raft vor fi amplasate pe orizontala la distanta nu mai mare de 1,5 metri. Pe verticala distanta nu va depasi 2 metri. Sprinklerele de tavan vor fi incadarate ca sensibilitate ca “speciale” iar sprinklerele de raft vor fi incadrate ca sensibiltate la “speciale” sau “rapide”.
Inaltimea maxima de depozitare nu va depasi 3 metri. Se vor folosi doar paletii neinlfamabili, ca paletii de otel. Inaltimea de stiva nu va fi mai mare de 1 metru si cel mai de sus container de pe fiecare palet va fi inchis cu un capac. Sprinklerele vor fi incadrate ca sensibiltate la “speciale” sau “rapide”.
La sprinklerele tip apa se va aduaga film de spuma folosit in conformitate cu recomandarile furnizorului.
NOTA Testele de foc la scara intreaga s-a aratat ca AFFF (aqueous film forming foam) sunt eficiente.
Anexa H
(normativ)
Monitorizarea sistemelor de sprinklere
Scopul monitorizarii sistemelor de sprinklere este supervizarea continua a principalelor functii ale sistemului, i.e. acelea care in caz de avarie impedica corecta functionare automatica a sistemului in caz de incendiu si declansarea alarmei de supervizare pentru a permite luarea de masuri corective. Anexa specifica anumite cerinte care sunt suplimentare fata de celelalte cerinte din standard. Se vor respecta ori de cate ori monitorizarea este specificata.
Toate dispozitivele folosite in monitorizare vor avea cel putin protectia IP 54 cum este specificat in N 60529. La o singura indicatie nu vor fi legate mai mult de 15 mecanisme de alarma de supervizare adresabile.
Toate circuitele de alarma si de semnalizare vor fi supervizate in intregime iar alarma falsa va fi pornita in cazul unui circuit deschis sau in cazul unui scurt circuit.
Echipamentul de control si cel indicativ vor fi conforme cu prevederile valabile in tara in cauza.
H.2 Functiile care se monitorizeaza
H.2.1.Generalitati
In afara de functiile mentionate oriunde altundeva in standard (vezi anexa I), urmatoarele functii vor fi monitorizate:
Pozitia tuturor vanelor de inchidere care in mod normal stau deshise, prin inchiderea carora fluxul de apa este impiedicat sa ajunga la sprinklere, inclusiv vanele de furnizare a apei, seturile de valve de control, valvele subsidiare si valvele sectionale. Se va indica daca vana nu este in pozitia corect deschisa.
Pozitia tuturor vanelor de inchidere care in mod normal stau deschise, a caror oprire poate impiedica functionarea corecta a vreunui mecanism indicativ sau de alarma, de ex. manometru, alarma hidraulica, debitmetru. Se va indica daca vana nu este in pozitia corect deschisa.
Toate nivele lichide critice, inclusiv rezervoarele (tancurile) de stocare a apei si tancurile cu combustibil pentru motor. Se va avertiza inainte ca nivelul de stocare a apei sa scada la mai mult de 10% sub nivelul nominal de umplere, sau inainte ca nivelul combustibilului sa scada la mai mult de 25% sub nivelul nominal de umplere. In cazul tancurilor de presiune se va da o indicatie in plus inainte ca nivelul sa ajunga la 10% deasupra nivelului nominal de umplere.
Presiunile, incluzand rezervoarele de alimentare cu apa si in aval de toate valvele de control alternative si de uscat. La reteaua de canalizare se va indica daca presiunea statica scade sub presiunea calculata de curgere a apei. In toate celelalte cazuri, se va indica daca presiunea statica va scada cu mai mult de 20% sub nivelul testat.
Sursa de curent a seturilor de pompe electrice sau a altor echipamente electrice critice. Se va indica caderea uneia sau a mai multor faze din sursa principala, sau in circuitul de control sau intr-un controlor de pompa diesel sau orice alt echipament critic de control.
Temperatura minima a valvei sprinklerului si a camerei pompelor. Se va indica scaderea temperaturii sub nivelul minim admis.
Anexa I
(normativ)
Transmiterea alarmelor
Dupa cum se specifica in acest standard, alarmnele vor fi conctate la un panou de alarma din camera de control a sprinklerelor sau din camera pompelor si vor fi fi transmise mai departe in functie de importanta alarmei. Alarmele vor fi transmise catre o locatie frecventata in permanenta, sau din cadrul sau din afara sediului, sau catre o persoana in asa fel raspunzatoare incat sa se ia imediat masurile de rigoare.
I.2. Nivele de alarama
Semnalele ca indicarea debitului de apa, care pot insemna incendiu, vor fi prezentate ca alarme. (Nivelul alarmei in Tabelul I.1). Greselile tehnice, precum cadrea de curent, care poate impiedica sistemul sa functioneze corect in caz de incendiu, vor fi prezentate ca alarme de avarie.
Tabelul I.1. –Tipul de alarma pentru transmisie
|
Alarma |
Clauza |
Tipul de alarma |
|
Presiune scazuta in reteaua de conducte |
|
B |
|
Detector de flux de apa in camera pompelor |
|
A |
|
Set de pompe electrice - la cerere - caderea de inceput - functionare - putere neaccesibila |
|
B B A B |
|
Set de pompe diesel - modul automatic oprit - caderea de inceput - functionare - eroare in controlor |
|
B B A B |
|
Circuite de detectare a caldurii |
|
B |
|
Presiune scazuta - sistem de pre-actiunede tip A - sisteme apa-aer si de pre-actiune |
|
B B |
|
Sisteme zonate - vana de control deschisa - vana de control partial inchisa - vana complementara partial deschisa - presiune scazuta pe conducte - debit de apa in instalatii - debit de apa in zona |
D.3.7 |
B B B B A A |
|
Sisteme de sprinklere monitorizate - vane de inchidere partial inchise - nivelele lichide - presiune scazuta - caderea de curent - temperatura scazuta in camera pompelor |
Anexa H |
B B B B B |
Anexa J
(informativa)
Precautii si poceduri in cazul in care sistemul nu este in intregime operational
Intretinerea, modificare (alterarea) si reparatia sistemelor care nu sunt in intregime functionale trebuie sa fie indeplinite astfel incat extinderea si durata nefunctionarii sa fie minime.
Cand o instalatie devine neoperationala utilizatorrul ar putea sa implementeze urmatoarele masuri:
a) informarea autoritatilor si a punctului central de monitorizare
b) modificarile (alteratiile) si reparatiile unei instalatii sau unei rezerve de apa ( cu exceptia probabil a unei intstalatii de siguranta a vietii (vezi Anexa F)) ar putea fi indeplinite in timpul orelor de lucru normale
c) trebuie informat personalul de supraveghere din zonele afectate si aria respectiva trebuie supravegheata in continuu
d) orice lucrare care preupune caldura trebuie supusa aprobarii. Fumatul si iluminatul slab vor fi interzise in aria afectata pe durata efectuarii lucrarilor
e) daca o instalatie devine neoperationala in afara orelor de program, toate usile de incendiu si clapetele antifoc trebuie sa ramana inchise
f) stingatoarele vor fi pastrate la indemana, cu personal antrenat disponibil pentru a le manui
g) trebuie pastrata in stare de functionare o parte cat mai mare din instalatie prin blocarea conductei care alimenteaza sectiunea sau sectinuile unde se desfasoara lucrarea
h) in cazul sediilor de productie, cand (modificarea) alterarea si reparatiile se fac la scara mai mare, sau cand este necesar sa se deconecteze o conducta cu diametru mai mare de 40 mm, sau sa fie mutata o vana principala de inchidere, supapa unisens, se va for depune toate eforturile de continuare a lucrarii in timp ce masinaria este oprita.
i) orice pompa care este dezafectata trebuie izolata cu ajutorul valvelor prevazute.
j) acolo unde va fi posibil, se vor reinstala parti din instalatie pentru a se furniza o protectie pe perioada noptii prin utilizarea unor tabele vizibile in tevaraie; acestea vor fi prevazute cu indicatori vizibili numerotati si etichetati pentru a putea fi usor inlaturati.
Doar utilizatorul este cel care trebuie sa dea permisiunea de inchidere a unei instalatii de sprinklere sau a unei zone de sprinklere doar pentru urgente.
Inainte ca sistmeul sa fie inchis partial sau total, se va controla sediul in intregime pentru a se asigura ca nu exista nici un indiciu de incendiu.
Cand sediul este alcatuit din cladiri care comunica intre ele sau sunt expuse riscului, protejate de sisteme si instalatii de sprinklere comune, toti vor fi anuntati ca apa urmeaza a fi oprita.
O atentie deosebita se va acorda situatiilor cand conducta din intstalatie trece prin perete sau tavane unde pot alimenta sprinklere din zone care trebuie tratate cu atentie sporita.
J.3. Oprirea neplanificata
Daca o instalatie devine nefunctionala din cauza unui accident sau a unei urgente, se vor respcta precautiile de la J.1 si vor fi aplicate cu cea mai mica intarziere. Autoritatile implicate vor fi de asemenea anuntate in cel mai scurt timp.
J.4. Actiunile premergatoare punerii in functiune a sprinklerelor
Dupa inchiderea ce urmeaza dupa o instalare, capetele sprinklerelor vor fi inlocuite cu capete de tip si de temperatura corecte si rezerva de apa va fi refacuta. Sprinklerele nedeschise din aria unde a avut loc operatiunea vor fi controlate de deteriorari generate de caldura sau din alte cauze si daca este necesar vor fi inlocuite.
Apa nu se va inchide pana nu se vor stinge toate focarele de foc.
Decizia de inchidere a unei instalatii sau zone va fi luata doar de pompieri.
Componentele luate din sistem vor fi eventual retinute pentru o posibila examinare din partea unei autoritati.
J.4.2 Instalatiile de protectie a depozitelor reci (racirea aerului)
Dupa fiecare functionare instalatia va fi demontata pentru uscare.
(informativa)
Inspectia de 25 de ani
Dupa 25 de ani instalatia de conducte si sprinklerele trebuie verificate.
Conductele vor fi testate hidraulic la o presiune egala cu maximul presiunii statice sau la 12 bari, la care dintre acestea este mai mare.
Conductele trebuie sa fie testate intern si extern. Cel putin un metru lungime din fiecare tip de conducta trebuie sa fie inspectat la 100 de sprinklere. Doua sectiuni de conducte de cel putin un metru lungime din fiecare diametru de tava trebuie inspectat.
Trebuie eliminate toate defectele care ar putea influenta in mod negativ functionarea sistemului.
In cazul sistemelor apa-apa trebuie controlata cel putin o instalatie de sprinklere din cladire. Daca intr-o cladire sunt montate mai multe seturi de valve de control apa-apa nu trebuie inspectate decat 10% dintre ele. In cazul sistemelor apa-aer nu este permisa reducerea numarului de instalatii care trebuie verificate.
Trebuie demontate si verificate un anumit numar de valve. Tabelul K.1 specifica marimea esantionului de verificat din numarul sprinklerelor instalate.
Tabelul K.1. – Numarul sprinklerelor de inspectat
|
Numar total de sprinklere instalate |
Numarul sprinklere de inspectat |
|
|
|
|
|
|
|
|
|
|
|
|
|
|
|
Sprinklerele se vor controla pentru urmatoarele aspecte:
a) functionare
b) tempertaura de functionare
c) variatia factorului K
d) obstacolele in imprastiere
e) spatiul
f) sensibiltatea termica
Anexa L
(informativa)
Tehnologia speciala
Standardele Europene acopera doar tipurile de sprinklere specificate in EN 12259-1. In timpul anilor premergatori pregatirii acestui standard s-au dezvoltat tehnologii speciale pentru cazuri speciale, including indeosebi urmatoarele:
- spinklere cu raspuns rapid (ESFR)
- sprinklere cu picurare mare (large drop)
- sprinklere residentiale
sprinklere cu acoperire sporita
- sprinklere speciale de raft
Metoda tehnologica pentru aceste aplicatii este in prezent foarte specializata. Se intentioneaza sa fie incluse in editii viitoare ale acestui standard.
Anexa ZA
(informativa)
Conditiile din acest Standard European fac referire la prevederile Directivelor EU a Produselor pentru Constructii
ZA. 0 Aria acestei anexe
Se aplica aria asa cum este prevazuta in clauza 1.
ZA.1 Relatia dintre Directia UE si acest standard
Prezentul Standard European a fost elaborat sub mandatul acordat CEN de catre Comisia Europeana si CEFTA.
Clauzele acestui standard european prezentate in aceasta anexa satisfac cerintele Mandatului definit de Directiva UE pentru Produsele din Constructii (89/106/EEC).
Conformitatea produsului pentru constructii cu articolele prezentului Standard european ii confera acestuia o presupusa aptitudine pentru utilizarile prevazute.
AVERTIZARE Alte cerinte si alte Directive EU, care nu afecteaza aptitudinea pentru utilizarile prevazute, pot fi aplicate produselor de constructii acoperite de domeniul de aplicare al prezentului standard.
NOTA In completarea eventualelor articole specifice referitoare la substante periculoase continute in prezentul Standard, pot sa existe alte cerinte aplicabile produselor acoperite de domeniul sau de aplicare (deexemplu: transpunere reglementari europene, reglementari nationale si dispozitii administrative nationale).
Pentru a se conforma dispozitiilor Directivelor Produselor pentru Constructii UE, este cnecesar ca aceste conditii sa fie in mod egal respectate si aplicate. O baza de date informativa despre dsipozitiile europene si nationale privind substantele periculoase poate fi consultata pe site-ul EUROPA al constructiilor (creat accesibil la adresa: https://europa.eu/eu.int/comm./enterprise/onstruction/internal/hygiene.htm).
Produs de Constructie: ansambluri de sprinklere
Utilizare(ari) prevazuta(e): sisteme de sprinklere pentru stingerea/controlul incendiilor in cladiri si structuri terestre.
Tabelul ZA.1 - Articole de referinta
|
Conditie/caracterisitica a Mandatului |
Articolele prezentului standard care stipuleaza exigentele |
Nivele sau clase mandatate |
Note |
|
Conditii de activare nominala/sensitivitate |
6,12,14.3, 14.4, 14.5.2, 15, Anexa D, F1, F2, F4, F6, H |
|
|
|
Distribuirea mijloacelor de stingere |
|
|
|
|
Siguranta functionala |
8.1.1, 8.1.2, 9.3, 9.5, 10, 14.6, 14.7, 14.8, 17, 4.4, Anexa E3, F5 |
|
Cu exceptia: 10.3, 10.4, 17.1.1, 17.1.3., 17.1.5., 17.1.6., 17.1.7., 17.2.1 |
|
Durabilitatea sigurantei in functionare |
|
|
|
|
Parametri de functionare in incendiu |
5.5, 6,7, 14.1,14.2, 14.5, 16, ANEXA a, B,C,D,E1,F1,F3,F6,G |
|
|
|
NOTA Doar parti din clauzele sau subclauzele care fac referire la functionarea ansamblului sunt relevante |
|||
ZA.2 Procedura de atestare a conformitatii cu ansamblurile de sprinklere
Ansamblurile de sprinklere pentru uzul mentionat mai jos urmeaza sistemul de atestare a conformitatii din Tabelul ZA.2.
Tabelul ZA.2 – Sisteme de atestare a conformitatii
|
Produs |
Utilizare |
Nivele sau clase |
Atestarea sistemului de conformitate |
|
Ansamblu de sprinklere |
Siguranta focului |
|
|
|
Sistem 1: a se veda CPD Anexa III.2 (I) fara auditare a esantionului |
|||
Organismul de certificare a produselor certifica incercarile de tip initial ale tuturor caracterisiticilor date in Tabelul ZA.1, efectuate in conformitate cu prevederile 21.1.1.1. Pentru evaluarea initiala si certificare, si pentru supravegherea continua, evaluarea si apobarea, a controlului productiei, toate caracterisiticile relevante vor fi in interesul organismului de certificare, vezi 21.1.1.2. Producatorul va folosi un sistem de control al productiei in conformitate cu reglememtarile 21.1.1.2.
ZA.3 Marcaj CE
Marcajul CE trebuie sa fie aplicat pe ambalajul si/sau documentele comerciale insotitoare, in formatul specificat in Directiva UE 93/68/EC, impreuna cu cu urmatoarele informatii:
a) numarul de referinta al organismului notificat
b) numele sau marca de identificare a producatorului/furnizorului
c) ultimile 2 cifre ale anului in care s-a aplicat marcajul
d) numarul certificatului CE de conformitate
e) numarul acestui standard
f) tipul de produs (de exemplu ansamblu de sprinklere)
g) documentatia mentionata la 4.3 si 4.4
Graficul ZA.1 este un exemplu de informatie pe care documentele comerciale trebuie sa o contina.

EN 12845
Set de sprinklere
Specificatii tehnice despre set si functionarea lui
Producatorul sau agentul sau stabilit in EEA, trebuie sa pregateasca si sa conserve o declaratie de conformitate, ce autorizeaza aplicarea marcajului CE. Aceasta declaratie trebuie sa includa:
numele si adresa producatorului, sau ale reprezentatului autorizat stabilit in EEA, si locul productiei
descrierea produsului (tip, identificare, utilizare) si o copie a informatiilor ce insotesc marcajul CE
dispozitiilr la care raspunde produsul (de. exemplu anexa ZA din prezentul standard european EN)
conditii particulare aplicabile la utilizarea produsului (daca este necesar)
numele si adresa (sau numarul de identificare) al organismului sau organismelor agreate
numele si statutul persoanei avand autoritatea de a semna declaratia in numele fabricantului sau reprezentantului autorizat.
Pentru caracteristicile pentru care necesita o certificare (sistem 1), declaratia va contine un certificat de conformitate care sa furnizeze urmatoarele informatii suplimentare:
numele si adresa organismului de certificare
numarul certificatului
conditiile si perioada de valabilitate a certificatului, daca este cazul
numele si statutul persoanei avand autoritatea de a semna certificatul
Declaratia si certificatul vor fi prezentate in limba (limbile) oficiala (oficiale) a(le) Statului Membru in care se va utiliza produsul.
|