STUDIUL AERARII APELOR
1 OBIECTIVELE EXPERIMENTELOR
Experimentele au urmatoarele obiective:
- sa permita studierea fenomenului de aerare a apelor (mai precis, fenomenul de transfer a oxigenului din aerul atmosferic in apa) care este de fapt un fenomen de transfer a unui gaz intr-un lichid. Acest fenomen are in natura o importanta esentiala atat pentru existenta faunei si florei acvatice, cat si pentru mentinerea bunei calitati a apelor naturale prin autoepurare (care este un proces natural in care rolul esential este detinut de un complex de bacterii aerobe si microorganisme acvatice). Aerarea in conditii artificiale a apelor face posibila eliminarea incarcarii organice a acestora prin epurare biologica;
- studierea transferului de oxigen in apa naturala se va face prin mai multe experimente practice, utilizand aeratorul din dotarea standului de laborator;
- in timpul experimentelor se vor pune in evidenta influentele principalilor factori de impact asupra fenomenului de transfer a oxigenului in apa, si anume: agitarea apei din aerator, debitul de aer pentru aerare, natura incarcarii poluante a apei uzate, inaltimea coloanei de apa din aerator si tipul constructiv de difuzor pentru aerare. In acest scop se vor efectua masuratori ale marimilor caracteristice fenomenului de aerare a apelor si anume: capacitatea de oxigenare a apei si coeficientul de absorbtie, in situatia in care factorii de impact variaza intre anumite limite; pe baza masuratorilor efectuate se vor ridica curbe specifice procesului de aerare.
2 ASPECTE TEORETICE
In epurarea apelor uzate, pentru anumite tratamente specifice, prezinta importanta practica procesele de transfer in/din ape a unor componenti gazosi (introducerea oxigenului atmosferic in ape, scoaterea bioxdului de carbon si a hidrogenului sulfurat din ape, introducerea clorului sau a ozonului in ape, etc). Dintre acestea, tratamentul cel mai reprezentativ, utilizat pe scara larga in practica, il constituie introducerea oxigenului gazos in apa uzata, in scopul indepartarii impuritatilor de natura organica sub actiunea unei biomase de bacterii aerobe. Oxigenul provine cel mai frecvent din aerul atmosferic, caz in care procesul poarta denumirea de aerare a apei. Se mentioneaza ca in loc de aer, se poate introduce si oxigen gazos pur, dar acest tratament, mult mai costisitor se face numai in scopul oxidarii chimice a unor compusi greu biodegradabili sau minerali, sau pentru eliminarea unor compusi gazosi, prin acestea realizandu-se o imbunatatire semnificativa a calitatii apei tratate.
In mod normal, apele uzate nu contin oxigen gazos din cauza incarcarii poluante cu substante organice. Oxigenul dizolvat se gaseste in mod natural doar in apele naturale curate (nepoluate). Cantitatile normale de oxigen dizolvat in apa pura, stabilite in conditii de echilibru cu aerul atmosferic saturat in vapori de apa, precum si in conditii standard de presiune atmosferica (760 mm coloana de mercur), variaza in functie de temperatura si sunt indicate in tabelul 1
Apele care contin in conditiile mentionate anterior chiar cantitatile de oxigen indicate in tabelul 1 se numesc ape saturate cu oxigen, cele care contin cantitati mai mari decat valorile indicate se numesc ape suprasaturate cu oxigen, iar cele care contin cantitati mai mici decat valorile indicate se numesc ape subsaturate cu oxigen.
Apele din bazinul hidrografic de suprafata contin de regula cantitati mai mici de oxigen dizolvat decat limita de saturatie, datorita continutului lor in substante organice, mai ales in apropierea centrelor populate. Totusi, la o anumita distanta de centrele populate, cantitatea de oxigen din ape creste, datorita diminuarii incarcarii cu impuritati organice, prin fenomenul natural de autoepurare, si in aceasta situatie apele tind din nou sa se satureze cu oxigen din aerul atmosferic. Se poate mentiona ca si apele naturale care contin cantitati semnificative de saruri dizolvate prezinta limite de saturare cu oxigen mai mici decat cele ale apelor naturale pure.
Tabelul 1
|
Temperatura [sC] |
Concentratia Cs de oxigen in apa la saturatie [mg/l] |
Factorul F de corectie in functie de temperatura |
Cantitatea de oxigen care lipseste unei ape pentru a atinge valoarea de saturare se numeste deficit de oxigen. Prin cunoasterea deficitului de oxigen din apa se poate aprecia atat starea de impurificare a apelor naturale, cat si eficienta procesului de epurare biologica din statiile de epurare. De regula, apele uzate rezultate in urma tratamentului biologic pot contine doar mici cantitati de oxigen dizolvat (1 - 2 mg/l).
Suprasaturarea naturala cu oxigen a apelor de suprafata este un fenomen care are loc mai ales datorita turbulentelor excesive de curgere, dar si prezentei excesive a plantelor acvatice, care in zilele insorite consuma bioxidul de carbon din apa si elimina oxigen gazos in cadrul procesului de metabolism (de mentionat insa, ca pe timpul noptii are loc fenomenul invers, plantele consumand oxigenul din apa si eliberand dioxid de carbon). Apele suprasaturate cu oxigen pot capata un caracter coroziv, atacand constructiile si instalatiile hidrotehnice din metale (otel, plumb, zinc sau alama).
Pentru aerarea apei in scopul realizarii diferitelor tipuri de tratamente sunt folosite echipamente de aerare, clasificate de regula in doua mari categorii: pneumatice si mecanice, dupa modul in care acestea asigura dispersia aerului in apa in scopul crearii unei arii cat mai mari a suprafetei de separare apa-aer prin care are loc transferul.
Marimea care cuantifica cantitativ procesul de aerare a apei este capacitatea de oxigenare.
Pentru determinarea capacitatii de oxigenare a unui sistem se folosesc doua tipuri de metode experimentale: metoda de determinare a capacitatii de oxigenare in conditii stabile si metoda de determinare a capacitatii de oxigenare in conditii instabile
Metoda de determinare a capacitatii de oxigenare in conditii stabile se bazeaza pe realizarea unui proces biologic intr-un bazin de aerare cu namol activ (bioreactor), la care se mentin constanti toti parametrii de stare ai procesului, introducandu-se permanent in bioreactor o anumita cantitate de oxigen astfel incat in bazin sa se mentina constant nivelul oxigenului dizolvat (intre 1-2 mg/l). Aceasta metoda este mai precisa, dar si mai greu de aplicat in practica.
Metoda de determinare a capacitatii de oxigenare in conditii instabile este o metoda mult mai simplu de aplicat, si care da rezultate avand o acuratete aproximativ similara. Principial, metoda se bazeaza pe faptul ca un anumit gaz component al unei atmosfere care se gaseste in contact cu un lichid in care gazul este solubil, se va dizolva in lichid (formand cu acesta o solutie) pana la nivelul la care concentratia gazului in lichid este in echilibru cu concentratia gazului in atmosfera.
Nivelul de echilibru este determinat de coeficientul de absorbtie
, care reprezinta valoarea concentratiei gazului in
lichid, atunci cand atmosfera este alcatuita in intregime din gazul
considerat.
Se poate demonstra ca:
(1)
in care: Ks – coeficient de absorbtie, care in astfel de experimente, se exprima conventional in [h-1];
Dt1, Dt2 [mg/l] – doua valori selectate din inregistrarile deficitului de oxigen dizolvat in apa
t1, t2 si [h]- momentele de timp corespunzatoare atingerii deficitelor de oxigen Dt1, Dt2.
Deficitul Dt de oxigen dizolvat in apa, la un moment dat t, se defineste ca fiind diferenta dintre concentratia Cs [mg/l] de saturatie cu oxigen a apei, corespunzatoare temperaturii la care are loc procesul in momentul de timp considerat, si concentratia Ct [mg/l] efectiva de oxigen dizolvat in apa la momentul de timp considerat. Deci, expresia deficitului Dt de oxigen dizolvat in apa este:
Dt = Cs - Ct (2)
De fapt, se observa ca daca se fac mai multe inregistrari in timp ale deficitului Dt [mg/l] de oxigen dizolvat in apa, mai precis a log Dt, si se reprezinta grafic punctele obtinute intr-un sistem de coordonate cu log Dt pe ordonata si t [h] pe abscisa, atunci coeficientul de absorbtie Ks [h-1] reprezinta panta dreptei trasate printre puncte, multiplicata cu constanta 2,303. Calculul pantei se poate face folosind reprezentarea grafica, prin alegerea a doua puncte 1 si 2, pe dreapta obtinuta, corespunzator carora se exprima log Dt1 si log Dt2, respectiv t1 si t2, sau prin regresie liniara.
Capacitatea de oxigenare R(10) a unui sistem de aerare este definita ca fiind intensitatea de absorbtie a oxigenului in timpul procesului de aerare a unei ape initial complet lipsita de oxigen dizolvat, proces care se desfasoara la temperatura de 10 sC. Capacitatea de oxigenare se determina cu urmatoarea relatie:
(3)
in care: R(10) [g/h] - capacitatea de oxigenare a apei la temperatura de 10sC;
Ks [h-1]– coeficient de absorbtie;
F - factorul de corectie in functie de temperatura (vezi tabelul 1);
Cs(10) [mg/l]- concentratia de oxigen in apa la saturatie, la temperatura de 10sC (vezi tabelul 1)
V [l]- volumul de apa supus aerarii.
3 APARATURA SI MATERIALELE UTILIZATE
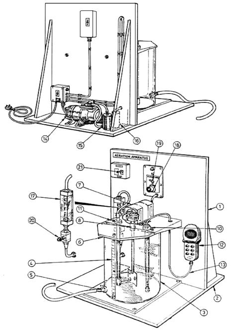
- Aparat pentru studiul aerarii [7] (vezi figura 1);
- Balanta electronica 0 - 5000 g;
- Cronometru;
- Reactivi chimici;
- Apa de la reteaua de alimentare urbana.

Fig 1 Schema aparatului pentru studiul aerarii (vederi din fata si din spate) [7]
1. Cadrul aparatului;
2. Picioare din cauciuc;
3. Rezervor de apa de tip Perspex (cu volumul de 24,5 litri);
4. Scala gradata pentru masurarea nivelului apei;
5. Robinet de golire a rezervorului de apa;
6. Capacul rezervorului;
7. Motoreductorul de actionare a agitatorului;
8. Agitator;
10. Sonda pentru masurarea cantitatii de oxigen din apa si a temperaturii apei (vezi Aparate A3);
11. Conducta pentru aerare;
12. Aparat pentru determinarea cantitatii de oxigen dizolvat in apa si a temperaturii (vezi Aparate A3);
13. Cablul de conexiune a sondei la aparatul pentru determinarea cantitatii de oxigen dizolvat in apa si temperaturii;
14. Pompa de insuflare a aerului;
15. Filtru de aer;
16. Atenuatorul de vibratii al pompei de insuflare a aerului;
17. Debitmetru de aer cu gama de masurare intre 0 - 12 l/min;
18.Variatorul de turatie a agitatorului;
19. Intrerupatorul motorului de actionare a agitatorului;
20. Robinet de reglare a debitului de aer;
21. Intrerupatorul pompei de insuflare a aerului.
4 MODUL DE LUCRU
Pentru studierea aerarii apei se vor face mai multe experimente, si anume:
Experimentul 3.1 Studiul transferului de oxigen in conditii instabile

Fig 2 Schema de lucru pentru experimentul 3.1 [7]
- se prepara urmatoarele solutii:
▪ solutie de sulfit de sodiu (Na2SO3) cu concentratie de 10% prin dizolvarea a 100 g de sare intr-un litru de apa distilata;
▪ solutie de clorura de cobalt (CoCI2·6H2O) cu concentratie de 1% prin dizolvarea a 10 g de sare intr-un litru de apa distilata (clorura de cobalt este un catalizator pentru reactia dintre sulfitul de sodiu si oxigen);
- se umple vasul cu apa de la reteaua de alimentare pana la un nivel convenabil (in mod normal se va folosi un volum de 20 litri, valoare care insa poate varia in cazul altor experimente);
- se aseaza difuzorul de aerare si sonda pentru masurarea cantitatii de oxigen din apa si a temperaturii in pozitii corespunzatoare astfel: difuzorul de aerare se va pozitiona astfel incat curentul de bule de aer obtinut sa nu fie orientat direct catre sonda pentru masurarea cantitatii de oxigen si a temperaturii, pentru ca in caz contrar se vor obtine indicatii false ale aparatului pentru determinarea cantitatii de oxigen dizolvat in apa; sonda pentru masurarea cantitatii de oxigen din apa si a temperaturii se va pozitiona si fixa in pozitie verticala astfel incat inelul argintiu de pe corpul sondei sa fie complet scufundat in lichid;
- se porneste agitatorul la o turatie moderata si se adauga 1,5 ml solutie de sulfit si 0,5 ml solutie de clorura de cobalt pentru fiecare litru de apa din vas (aceste cantitati ar trebui sa fie suficiente pentru deoxigenarea apei); se citeste pe display-ul aparatului pentru determinarea cantitatii de oxigen dizolvat in apa valoarea concentratiei oxigenului dizolvat, valoare care trebuie sa fie mai mica de 10% din valoarea concentratiei de saturatie; daca acest lucru nu se intampla, se mai pot adauga mici cantitati din solutiile indicate anterior pentru a aduce nivelul oxigenului dizolvat cat mai aproape de zero;
- se porneste pompa de insuflare a aerului si se ajusteaza debitul aerului pentru aerare la o valoare corespunzatoare, de exemplu 5 l/min;
- se porneste agitatorul si se regleza turatia sa la cea mai mica valoare la care continutul vasului este amestecat corespunzator;
- dupa ce debitul de aerare s-a stabilizat la valoarea impusa, se vor face inregistrari ale nivelului de oxigen dizolvat la intervale de 3 min (0,05 h), pana cand nivelul oxigenului dizolvat se apropie de valoarea de saturatie; aceasta operatie poate dura intre 10-30 min, in functie de conditiile in care se desfasoara experimentul;
- la fiecare inregistrare a nivelului de oxigen se va mentiona si valoarea temperaturii apei, deoarece in calculele ulterioare va fi necesara valoarea medie a temperaturii din timpul desfasurarii experimentului;
- se vor determina prin calcul valorile coeficientului de absorbtie Ks si a capacitatii R(10) de oxigenare a apei la temperatura de 10sC dupa procedura prezentata in capitolul 2;
Experimentul 3.2 Determinarea efectului intensitatii de amestecare a apei asupra coeficientului de absorbtie Ks si a capacitatii de oxigenare R(10)

Fig 3 Schema de lucru pentru experimentul 3.2 [7]
- se procedeaza exact cum a fost indicat la experimentul 3.1 si se vor determina valorile coeficientului de absorbtie Ks si a capacitatii R(10) de oxigenare a apei la temperatura de 10sC, dupa procedura prezentata in capitolul 2 pentru valoarea corespunzatoare minima a turatiei agitatorului;
- se repeta experimentul pentru o turatie medie a agitatorului si se vor determina si in acest caz valorile coeficientului de absorbtie Ks si a capacitatii R(10) de oxigenare a apei la temperatura de 10sC;
- se repeta experimentul pentru o turatie mare a agitatorului si se vor determina de asemenea valorile coeficientului de absorbtie Ks si a capacitatii R(10) de oxigenare a apei la temperatura de 10sC;
- pe baza valorilor determinate ale coeficientului de absorbtie Ks si a capacitatii R(10) de oxigenare a apei la temperatura de 10sC se va comenta care este efectul intensitatii de amestecare a apei asupra procesului de aerare si se va ridica grafic curba de variatie a capacitatii R(10) de oxigenare a apei in functie de viteza de amestecare a apei.
Experimentul 3.3 Determinarea efectului variatiei debitului de aer pentru aerare asupra coeficientului de absorbtie Ks si a capacitatii de oxigenare R(10)

Fig 4. Schema de lucru pentru experimentul 3.3 [7]
- se procedeaza exact cum a fost indicat la experimentul 3.1, si se vor determina valorile coeficientului de absorbtie Ks si a capacitatii R(10) de oxigenare a apei la temperatura de 10sC dupa procedura prezentata in capitolul 2 pentru valoarea corespunzatoare minima a turatiei agitatorului;
- se repeta experimentul pentru o valoare a debitului de aerare de 8 l/min si se vor determina si in acest caz valorile coeficientului de absorbtie Ks si a capacitatii R(10) de oxigenare a apei la temperatura de 10sC;
- se repeta experimentul pentru o valoare a debitului de aerare de 12 l/min si se vor determina valorile coeficientului de absorbtie Ks si a capacitatii R(10) de oxigenare a apei la temperatura de 10sC;
- pe baza valorilor determinate ale coeficientului de absorbtie Ks si a capacitatii R(10) de oxigenare a apei la temperatura de 10sC se va comenta care este efectul variatiei debitului de aer asupra procesului de aerare (mai ales din punct de vedere al valorii perioadei de timp dupa care se ajunge la saturatia apei cu oxigen) si se va ridica grafic curba de variatie a capacitatii R(10) de oxigenare a apei in functie de debitul de aer pentru aerarea apei.
Experimentul 3.4 Determinarea efectului naturii incarcarii poluante a apei asupra coeficientului de absorbtie Ks si a capacitatii de oxigenare R(10) [7]

Fig 5 Schema de lucru pentru experimentul 3.4 [7]
- se procedeaza exact cum a fost indicat la experimentul 3.1, numai ca in vasul standului se introduce apa uzata urbana (de canalizare), si se vor determina valorile coeficientului de absorbtie Ks si a capacitatii R(10) de oxigenare a apei la temperatura de 10sC dupa procedura prezentata in capitolul 2 pentru valoarea corespunzatoare minima a turatiei agitatorului;
- se repeta experimentul introducandu-se in vasul standului o solutie de detergent sintetic si se vor determina si in acest caz valorile coeficientului de absorbtie Ks si a capacitatii R(10) de oxigenare a apei la temperatura de 10sC;
- se repeta din nou experimentul, de data aceasta introducandu-se in vasul standului o solutie de clorura de sodiu (sare de bucatarie) si se vor determina valorile coeficientului de absorbtie Ks si a capacitatii R(10) de oxigenare a apei la temperatura de 10sC;
- pe baza valorilor determinate ale coeficientului de absorbtie Ks si a capacitatii R(10) de oxigenare a apei la temperatura de 10sC se va comenta care este efectul naturii incarcarii poluante a apei asupra procesului de aerare, mai ales modul in care restrictioneaza incarcarea poluanta de diverse naturi procesul de aerare.
Experimentul 3.5 Determinarea efectului diferitelor tipuri constructive de difuzoare pentru aerare asupra coeficientului de absorbtie Ks si a capacitatii de oxigenare R(10)
- se procedeaza exact cum a fost indicat la experimentul 3.1 si se vor determina valorile coeficientului de absorbtie Ks si a capacitatii R(10) de oxigenare a apei la temperatura de 10sC dupa procedura prezentata in capitolul 2 pentru valoarea corespunzatoare minima a turatiei agitatorului, cu mentiunea ca in timpul experimentului aerarea se face cu un difuzor simplu de aerare din material poros (de altfel, la toate experimentele anterioare s-a folosit acest tip de difuzor);
- se repeta experimentul, inlocuindu-se difuzorul simplu de aerare din material poros cu un difuzor triplu de aerare din material poros si se vor determina si in acest caz valorile coeficientului de absorbtie Ks si a capacitatii R(10) de oxigenare a apei la temperatura de 10sC;
- se repeta inca o data experimentul, de data aceasta utilizandu-se un difuzor de aerare de tip teava perforata si se vor determina valorile coeficientului de absorbtie Ks si a capacitatii R(10) de oxigenare a apei la temperatura de 10sC;

Fig 6 Schema de lucru pentru experimentul 3.5 [7]
- pe baza valorilor determinate ale coeficientului de absorbtie Ks si a capacitatii R(10) de oxigenare a apei la temperatura de 10sC se va comenta care este efectul variatiei tipului constructiv de difuzor de aerare asupra procesului de aerare (mai ales, se vor observa dimensiunile bulelor de aer si cantitatea acestora pentru fiecare tip constructiv de difuzor in parte).
Experimentul 3.6 Determinarea efectului adancimii apei asupra coeficientului de absorbtie Ks si a capacitatii de oxigenare R(10)

Fig 7 Schema de lucru pentru experimentul 3.6 [7]
- se procedeaza exact cum a fost indicat la experimentul 3.1, inaltimea coloanei de apa din vasul standului fiind de 300 mm, si se vor determina valorile coeficientului de absorbtie Ks si a capacitatii R(10) de oxigenare a apei la temperatura de 10sC dupa procedura prezentata in capitolul 2 pentru valoarea corespunzatoare minima a turatiei agitatorului;
- se repeta experimentul pentru o inaltime a coloanei de apa din vasul standului de 200 mm si se vor determina si in acest caz valorile coeficientului de absorbtie Ks si a capacitatii R(10) de oxigenare a apei la temperatura de 10sC; se va acorda o atentie speciala pozitionarii corecte a difuzorului de aerare si a sondei pentru masurarea cantitatii de oxigen din apa si a temperaturii (asa cum s-a indicat la experimentul 3.1);
- se repeta inca o data experimentul pentru o inaltime a coloanei de apa din vasul standului de 100 mm si se vor determina valorile coeficientului de absorbtie Ks si a capacitatii R(10) de oxigenare a apei la temperatura de 10sC; de asemenea se va acorda o atentie speciala pozitionarii corecte a difuzorului de aerare si a sondei pentru masurarea cantitatii de oxigen din apa si a temperaturii (asa cum s-a indicat la experimentul 3.1);
- pe baza valorilor determinate ale coeficientului de absorbtie Ks si a capacitatii R(10) de oxigenare a apei la temperatura de 10sC se va comenta care este efectul inaltimii apei din aerator asupra procesului de aerare si se va ridica grafic curba de variatie a capacitatii R(10) de oxigenare a apei in functie de inaltimea apei din vasul de aerare.
5 INREGISTRAREA SI PRELUCRAREA DATELOR EXPERIMENTALE
Inregistrarea atat a datelor experimentale, cat si a celor calculate, se va face in urmatoarele tabele, pe baza carora se ridica curbele de variatie indicate:
Tabelul 2
|
Timp [h] | |||||||||||
|
Temperatura [sC] | |||||||||||
|
Cs [mg/l] | |||||||||||
|
Ct [mg/l] | |||||||||||
|
Dt [mg/l] | |||||||||||
|
log Dt | |||||||||||
|
Panta = |
Ks = |
R(10) = |
|||||||||
Tabelul 3
|
Turatie mica a agitatorului |
|||||||||||
|
Timp [h] | |||||||||||
|
Temperatura [sC] | |||||||||||
|
Cs [mg/l] | |||||||||||
|
Ct [mg/l] | |||||||||||
|
Dt [mg/l] | |||||||||||
|
log Dt | |||||||||||
|
Panta = |
Ks = |
R(10) = |
|||||||||
|
Turatie medie a agitatorului |
|||||||||||
|
Timp[h] | |||||||||||
|
Temperatura [sC] | |||||||||||
|
Cs [mg/l] | |||||||||||
|
Ct [mg/l] |
| ||||||||||
|
Dt [mg/l] | |||||||||||
|
log Dt | |||||||||||
|
Panta = |
Ks = |
R(10) = |
|||||||||
|
Turatie mare a agitatorului |
|||||||||||
|
Timp [h] | |||||||||||
|
Temperatura [sC] | |||||||||||
|
Cs [mg/l] | |||||||||||
|
Ct [mg/l] | |||||||||||
|
Dt [mg/l] | |||||||||||
|
log Dt | |||||||||||
|
Panta = |
Ks = |
R(10) = |
|||||||||
Tabelul 4
|
Debitul de aerare: 5 l min |
|||||||||||
|
Timp [h] | |||||||||||
|
Temperatura [sC] | |||||||||||
|
Cs [mg/l] | |||||||||||
|
Ct [mg/l] | |||||||||||
|
Dt [mg/l] | |||||||||||
|
log Dt | |||||||||||
|
Panta = |
Ks = |
R(10) = |
|||||||||
|
Debitul de aerare: 8 l min |
|||||||||||
|
Timp[h] | |||||||||||
|
Temperatura [sC] | |||||||||||
|
Cs [mg/l] | |||||||||||
|
Ct [mg/l] | |||||||||||
|
Dt [mg/l] | |||||||||||
|
log Dt | |||||||||||
|
Panta = |
Ks = |
R(10) = |
|||||||||
|
Debitul de aerare: 12 l min |
|||||||||||
|
Timp [h] | |||||||||||
|
Temperatura [sC] | |||||||||||
|
Cs [mg/l] | |||||||||||
|
Ct [mg/l] | |||||||||||
|
Dt [mg/l] | |||||||||||
|
log Dt | |||||||||||
|
Panta = |
Ks = |
R(10) = |
|||||||||
Tabelul 5
|
Apa uzata urbana (din canalizare) |
|||||||||||
|
Timp [h] | |||||||||||
|
Temperatura [sC] | |||||||||||
|
Cs [mg/l] | |||||||||||
|
Ct [mg/l] | |||||||||||
|
Dt [mg/l] | |||||||||||
|
log Dt | |||||||||||
|
Panta = |
Ks = |
R(10) = |
|||||||||
|
Solutie de detergenti sintetici |
|||||||||||
|
Timp[h] | |||||||||||
|
Temperatura [sC] | |||||||||||
|
Cs [mg/l] | |||||||||||
|
Ct [mg/l] | |||||||||||
|
Dt [mg/l] | |||||||||||
|
log Dt | |||||||||||
|
Panta = |
Ks = |
R(10) = |
|||||||||
|
Solutie de clorura de sodiu |
|||||||||||
|
Timp [h] | |||||||||||
|
Temperatura [sC] | |||||||||||
|
Cs [mg/l] | |||||||||||
|
Ct [mg/l] | |||||||||||
|
Dt [mg/l] | |||||||||||
|
log Dt | |||||||||||
|
Panta = |
Ks = |
R(10) = |
|||||||||
Tabelul 6
|
Difuzorul simplu de aerare din material poros |
|||||||||||
|
Timp [h] | |||||||||||
|
Temperatura [sC] | |||||||||||
|
Cs [mg/l] | |||||||||||
|
Ct [mg/l] | |||||||||||
|
Dt [mg/l] | |||||||||||
|
log Dt | |||||||||||
|
Panta = |
Ks = |
R(10) = |
|||||||||
|
Difuzorul triplu de aerare din material poros |
|||||||||||
|
Timp[h] | |||||||||||
|
Temperatura [sC] | |||||||||||
|
Cs [mg/l] | |||||||||||
|
Ct [mg/l] | |||||||||||
|
Dt [mg/l] | |||||||||||
|
log Dt | |||||||||||
|
Panta = |
Ks = |
R(10) = |
|||||||||
|
Difuzorul de aerare din teava perforata |
|||||||||||
|
Timp [h] | |||||||||||
|
Temperatura [sC] | |||||||||||
|
Cs [mg/l] | |||||||||||
|
Ct [mg/l] | |||||||||||
|
Dt [mg/l] | |||||||||||
|
log Dt | |||||||||||
|
Panta = |
Ks = |
R(10) = |
|||||||||
Tabelul 7
|
Inaltimea apei in vasul de aerare de 300 mm |
|||||||||||
|
Timp [h] | |||||||||||
|
Temperatura [sC] | |||||||||||
|
Cs [mg/l] | |||||||||||
|
Ct [mg/l] | |||||||||||
|
Dt [mg/l] | |||||||||||
|
log Dt | |||||||||||
|
Panta = |
Ks = |
R(10) = |
|||||||||
|
Inaltimea apei in vasul de aerare de 200 mm |
|||||||||||
|
Timp[h] | |||||||||||
|
Temperatura [sC] | |||||||||||
|
Cs [mg/l] | |||||||||||
|
Ct [mg/l] | |||||||||||
|
Dt [mg/l] | |||||||||||
|
log Dt | |||||||||||
|
Panta = |
Ks = |
R(10) = |
|||||||||
|
Inaltimea apei in vasul de aerare de 100 mm |
|||||||||||
|
Timp [h] | |||||||||||
|
Temperatura [sC] | |||||||||||
|
Cs [mg/l] | |||||||||||
|
Ct [mg/l] | |||||||||||
|
Dt [mg/l] | |||||||||||
|
log Dt | |||||||||||
|
Panta = |
Ks = |
R(10) = |
|||||||||
|