Documente online.
Zona de administrare documente. Fisierele tale
Am uitat parola x Creaza cont nou
 HomeExploreaza
upload
Upload




Current Mirror and Common-Source Amplifier with Current-Source Load

technical


Current Mirror and Common-Source Amplifier with Current-Source Load

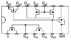
P10.1 SPICE Equations and Pin Diagram

P10.2 Evaluation of the Current-Source Circuit



P10.3 Evaluation of the Mirror-Current Circuit

P10.4 Evaluation of the Bias Setup

P10.5 Measurements of the Amplifier Gain versus Bias Current

Exercises and Analysis Exercise10.mcd - Project10.mcd

P10.1 SPICE Equations and Pin Diagram

SPICE Equation

Description

Amplifier g 424q1620e ain, VGS form.

Amplifier g 424q1620e ain, ID form.

PMOS3

PMOS2

NMOS1

P10.2 Evaluation of the Current-Source Circuit

Components

Procedure

Set your value of RRef in the Digital Control. Run RefCurrent.vi to determine the current range. Chan1_out is swept from the Initial value to -10 V. Readjust Initial Chan1_out to obtain a minimum drain current of about 50 mA. Verify that the maximum current is about 500 mA.

P10.3 Evaluation of the Mirror-Current Circuit

Procedure

Install the additional circuit components, which form the current source. Set your resistor values in the Digital Controls. Use Initial Chan0_out from RefCurrent.vi. Run MirrorCurrent.vi to assess the mirror current (current-source current). Chan0_out is swept from the Initial value to -10 V. Chan1_out is varied downward to maintain VSD2 = VSD3. Any difference between the currents indicates a difference in transistor parameters of M2 and M3.



Components

RD2 RRef

P10.4 Evaluation of the Bias Setup

Procedure

SetVoID.vi sends out the gate voltage of the driver transistor (M1, NMOS) and then sweeps Chan1_out to set the output bias voltage (Chan1_in) at VDD/2. This VI is a subVI in the gain measurement VI (below, next part). To run this VI as a top VI, set the Index to zero. Set Chan0_out Initial to 0V.

Run SetVoID.vi while adjusting VGS for the lowest value of the ID range of about 50 mA. Verify that the bias-setting circuit functions properly. Adjust the Control-Loop Constant to obtain a final dc value convergence rate similar to that in the example. Default and save the Front Panel.

P10.5 Measurement of the Amplifier Gain versus Drain Current

Procedure

In Gain.vi, set VGS1 Initial to the value from the evaluation of SetVoID.vi above. The VI will sweep VGS1 over a range to include a maximum response of about 500 mA, according to the design above. Due to the high gain, the input signal voltage will be small in terms of the DAC. A subVI computes the actual output signal voltage from the value requested. The value computed is used in the gain computation.

Open SetVoID.vi along with Gain.vi. Set all numbers in the Digital Controls of Gain.vi. Run the VI and adjust Vs such that Vo min and Vo max are confined between 1 and 4 V, as in the example. These are indicated for the initial bias current (highest gain). Also, adjust (down) the Control-Loop Constant of SetVoID.vi if the bias setting function oscillates out of control. Save the Front Panel when the VI is functioning properly.

Open AvgGain_ID.vi. This VI runs Gain.vi as a subVI repeatedly and averages the plots of each execution. Set the Run Mode switch to Continuous and the File Mode switch to on (Green) and run the VI for data smoothing. Switch to One Plot to halt the execution. The data file includes gain, VGS1, and ID. This is used in the project Mathcad analysis file.

Obtain a data file from saved data in AvgGain_ID.vi with SimAvgGain_ID.vi.




Document Info


Accesari: 3244
Apreciat: hand-up

Comenteaza documentul:

Nu esti inregistrat
Trebuie sa fii utilizator inregistrat pentru a putea comenta


Creaza cont nou

A fost util?

Daca documentul a fost util si crezi ca merita
sa adaugi un link catre el la tine in site


in pagina web a site-ului tau.




eCoduri.com - coduri postale, contabile, CAEN sau bancare

Politica de confidentialitate | Termenii si conditii de utilizare




Copyright © Contact (SCRIGROUP Int. 2025 )