Karosserie au en Golf 5
\us dem Inhalt
Kotfl gel
Sto f nger
Schlosstr ger
K hlergrill
Motorhaube
Heckklappe
T r zerlegen
Au enspiegel
Schutzleisten
Bei der selbsttragenden Karosserie des GOLF/TOURAN sind Bodengruppe, Seitenteile, Dach und die hinteren Kotfl gel miteinander verschwei t. Die Reparatur gr erer Karosseriesch den sowie das Auswechseln von Front- und Heckscheibe sollten von einer Fachwerkstatt durchgef hrt werden. Alle Karosserieteile sind gegen Durchrostung verzinkt.
Motorhaube, Heckklappe, T ren und die vorderen Kotfl gel sind angeschraubt und lassen sich leicht auswechseln. Beim Einbau ist dann unbedingt ein gleichm iger Luftspalt einzuhalten, sonst klappert beispielsweise die T r, oder es k nnen w hrend der Fahrt erh hte Windger usche auftreten. Der Luftspalt muss auf jeden Fall parallel verlaufen, das hei t, der Abstand zwischen den Karosserieteilen muss auf der gesamten L nge des Spaltes gleich gro sein. Abweichungen bis zu 1 mm sind zul ssig.
Achtung: Wenn im Rahmen von Arbeiten an der Karosserie auch Arbeiten an der elektrischen Anlage durchgef hrt werden, grunds tzlich die Batterie abklemmen. Dazu Hinweise im Kapitel Batterie aus- und einbauen durchlesen. Als Arbeit an der elektrischen Anlage ist dabei schon zu betrachten, wenn eine elektrische Leitung vom Anschluss abgezogen beziehungsweise abgeklemmt wird.
Hinweis: Zum L sen von T r- und Heckklappenverkleidungen einen Kunststoffkeil verwenden, zum Beispiel HAZET 1965-20. Clips, die beim Ausbau von Verkleidungen besch digt werden, immer erneuern.
Sicherheitshinweise bei Karosseriearbeiten
Sicherheitshinweis
Bei Karosseriearbeiten entstehen oft starke Ersch tterungen, beispielsweise durch Hammerschl ge. Daher immer Z ndung ausschalten und beide Batteriekabel abklemmen, sonst kann der Airbag ausgel st werden. Air-bag-Sicherheitshinweise durchlesen, siehe Seite 148.
Muss an der Karosserie geschwei t werden, soll dies grunds tzlich durch Widerstandspunktschwei en (RP) durchgef hrt werden. Nur wenn sich die Schwei zange nicht ansetzen l sst, ist das Schutzgas-Schwei verfahren anzuwenden,
So weit Schwei arbeiten oder andere funkenerzeugende Arbeiten durchgef hrt werden, grunds tzlich die Batterie komplett abklemmen (Pluskabel und Massekabel) und beide Batteriepole (+) und (-) sorgf ltig mit Klebeband isolieren. Bei Arbeiten in Batterien he muss die Batterie ausgebaut werden. Achtung: Unbedingt Hinweise im Kapitel Batterie aus- und einbauen beachten.
Fahrzeuge mit Klimaanlage: An Teilen der bef llten Klimaanlage darf weder geschwei t noch hart- oder weichgel tet werden. Das gilt auch f r Schwei - und L tarbeiten am Fahrzeug, wenn die Gefahr besteht, dass sich Teile der Klimaanlage erw rmen.
Sicherheitshinweis
Der K ltemittelkreislauf der Klimaanlage darf nicht ge ffnet werden, da das K ltemittel bei Hautber hrung Erfrierungen hervorrufen kann.
Bei versehentlichem Hautkontakt, die Stelle sofort mindestens 15 Minuten lang mit kaltem Wasser sp len. Austretendes K ltemittel verdampft bei Umgebungstemperatur. Das K ltemittel ist f rb- und geruchlos sowie schwerer als Luft. Da das K ltemittel nicht wahrnehmbar ist, besteht am Boden beziehungsweise in einer Montagegrube Erstickungsgefahr.
I Lackierung trocknen: Im Rahmen einer Reparatur-Lackierung darf das Fahrzeug im Trockenofen oder in der Vorw rmzone nicht ber +80 C aufgeheizt werden. Sonst k nnen elektronische Steuerger te im Fahrzeug besch digt werden. Au erdem kann dadurch in der Klimaanlage ein starker berdruck entstehen, der m glicherweise zum Platzen der Anlage f hrt.
PVC-Unterbodenschutz entfernen: Als Korrosionsschutz ist auf dem Unterboden ein PVC-Unterbodenschutz aufgetragen. Unterbodenschutz an der Reparaturstelle mit rotierender Drahtb rste entfernen oder mit einem Hei luftgebl se auf maximal +180 C erw rmen und mit einem Spachtel abl sen. Achtung: Durch Abbrennen beziehungsweise Erw rmen von PVC-Material ber +180" C entsteht stark korrosionsf rdernde Salzs ure. au erdem werden stark gesundheitssch dliche D mpfe frei.
Blindnieten aus- und einbauen
Zum Entfernen von Blindnieten (Popnieten) zun chst nur den Nietkopf ausbohren und dann die Niete mit einem Dorn aus der Bohrung heraustreiben. Dadurch wird verhindert, dass die Bohrung ausgeweitet wird.
Neue Niete in die Bohrung einsetzen und mit einer Blindniet-Zange festquetschen, die Nieth lse hat dabei denselben Durchmesser wie die Bohrung.
H ufig verwendete Nieten-Durchmesser: 2,4 mm, 3,2 mm, 4,0 mm und 4,8 mm.
Steinschlagsch den an der Frontscheibe
Hinweis: Kleinere Sch den an der Frontscheibe, zum Beispiel durch Steinschlag verursacht oder Scheibenwischerstreifen, beeintr chtigen die Sicht und k nnen zu Folgesch den an der Scheibe (Risse) f hren. Diese Sch den sollten so bald wie m glich behoben werden. Verschiedene Glas-Unternehmen sind auf Reparaturen an Auto-Scheiben spezialisiert. Der Austausch der Scheibe kann auf diese Weise vermieden werden. berdies werden die Kosten f r die Scheibenreparatur von der Kaskoversicherung bernommen.
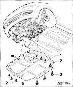
Motorraumabdeckung unten aus- und einbauen
GOLF/TOURAN
Ausbau
Sicherheitshinweis
Beim Aufbocken des Fahrzeugs besteht Unfallgefahr! Deshalb vorher das Kapitel Fahrzeug aufbocken durchlesen.
|
Fahrzeug vorne aufbocken. |
Spreiznieten aus- und einbauen
Viele Abdeckungen und Verkleidungen sind mit Spreiznieten befestigt. Aus- und Einbau weiterer Halteclips, siehe Seite 240.
Ausbau
|
A |
|
B |
|
|
|
ff |
|
V~1 |
|
|
|
|
|
A - Spreizniete mit Kappe: Bolzen -1- mit einem Schraubendreher herausziehen.
B - Spreizniete ohne Kappe: Bolzen -1- mit einem geeigneten Dorn durchdr cken. Hinweis: Der Bolzen geht dabei unter Umst nden verloren und muss ersetzt werden.
Spreizniete -2- aus der Bohrung herausziehen.
Einbau
Besch digte oder fehlende Spreiznieten durch Neuteile ersetzen.
Spreizniete -2- in die Bohrung setzen und Bolzen -1-eindr cken. Hinweis: Dadurch werden die Clipnasen gespreizt und die Spreizniete sitzt sicher in der Bohrung.

Schrauben -2/3- herausdrehen.
Motorraumabdeckung -1- nach hinten herausziehen und abnehmen. Hinweis: Der Pfeil zeigt in Fahrtrichtung.
Einbau
Der Einbau erfolgt in umgekehrter Ausbaureihenfolge.
Windlaufgriil aus- und einbauen
|
GOLF
- Windlaufgrill
Ausbau
Wischerarme ausbauen, siehe Seite 88.
Dichtung -4- auf der gesamten L nge vom Wasserkasten -2- abziehen.
Windlaufgrill vorsichtig nach oben aus der Aufnahme -5- herausziehen. Dabei auf der rechten Seite beginnen. Achtung: Windlaufgrill nicht mit einem Kunststoffkeil von der Frontscheibe -3- abhebein.
Einbau
Bereich um Aufnahme -5- mit Seifenlauge einspr hen. Dies erleichtert das Einsetzen des Windlaufgrills in die Aufnahme.
Windlaufgrill auf die Aufnahme setzen und dann von der Mitte aus nach beiden Seiten vorsichtig in die Aufnahme dr cken.
Dichtung -4- einlegen und am Wasserkasten aufdr cken.
Wischerarme einbauen, siehe Seite 88.
- Wasserkasten
- Frontscheibe
- Dichtung
- Aufnahme
|
TOURAN
- Windlaufgrill
Ausbau
Wischerarme ausbauen, siehe Seite 88.
Dichtung -4- auf der gesamten L nge vom Wasserkasten -3- abziehen.
Windlaufgrill vorsichtig nach oben aus der Aufnahme -5- herausziehen. Dabei auf der rechten Seite beginnen. Achtung: Windlaufgrill nicht mit einem Kunststoffkeil von der Frontscheibe -2- abhebein.
Einbau
Bereich um Aufnahme -5- mit Seifenlauge einspr hen. Dies erleichtert das Einsetzen des Windlaufgrills in die Aufnahme.
Windlaufgriil auf die Aufnahme setzen und dann von der Mitte aus nach beiden Seiten vorsichtig in die Aufnahme dr cken.
Dichtung -4- einlegen und am Wasserkasten aufdr cken.
Wischerarme einbauen, siehe Seite 88.
- Frontscheibe
- Wasserkasten
- Dichtung
- Aufnahme
Schlosstr ger in Servicestellung bringen
|
|
GOLF
- Schlosstr ger
- Schrauben, 8 Nm
- Schrauben, 8 Nm 4-Hupe
- Schrauben, 60 Nm
- F hrungsstangen
Spezialwerkzeug VW T10093.
|
|
Servicestellung
Zum Ausbau des Motors oder des K hlers muss das Fahrzeug-Vorderteil in die so genannte Servicestellung gebracht werden. Dabei wird der Schlosstr ger nach vorne geschoben.
Sto f ngerabdeckung vorn ausbauen, siehe entsprechendes Kapitel.
Seilzug am Motorhaubenschloss aush ngen, siehe Kapitel Motorhaubenschloss aus- und einbauen
Hupe -4- zusammen mit Halter rechts vom L ngstr ger abschrauben, siehe Seite 65.
Turbodiesel mit Ladeluftk hler: Steckkupplungen 7-entriegeln und Druckschl uche -8- vom Ladeluftk hler abziehen -Pfeil-.
Schrauben -5- rechts und links aus den L ngstr gern herausdrehen und F hrungsstangen -6- in die beiden Bohrungen einschrauben.
Schrauben -2/3- oben am Schlosstr ger -1- herausdrehen.

Einbau
Schlosstr ger auf den F hrungsstangen an die L ngstr ger heranschieben und festschrauben.
Schrauben -2/3- eindrehen und mit 8 Nm festziehen.
F hrungsstangen herausdrehen und restliche Schrauben -5- eindrehen. Schrauben -5- mit 60 Nm festziehen.
Turbodiesel mit Ladeluftk hler: Druckschl uche am Ladeluftk hler einrasten.
Der weitere Einbau erfolgt in umgekehrter Ausbaureihenfolge. Dabei darauf achten, dass Schl uche und Leitungen nicht eingeklemmt werden.
Nach dem Einbau Scheinwerfereinstellung berpr fen, gegebenenfalls einstellen (Werkstattarbeit).
Speziell TOURAN
Hinweis: Der Arbeitsablauf erfolgt beim TOURAN in gleicher Weise. Dabei Hupe auf der linken Seite vom L ngstr ger abschrauben.
Schlosstr ger auf den F hrungsstangen -6- etwa 10 cm nach vorne ziehen.
|
|
TOURAN/Servicestellung
- Schlosstr ger
- Schrauben, 8 Nm
- Schrauben, 8 Nm
- Schrauben, 60 Nm
- F hrungsstangen
SpezialWerkzeug VW T10093.
Sto f nger/Sto f ngerabdeckung vorn aus- und einbauen
|
|
V-48148
GOLF
1 - Sto f ngerabdeckung Ausbau
K hlergrill ausbauen, siehe entsprechendes Kapitel.
Schrauben -5/6- herausdrehen.
Schrauben -4- unten herausdrehen
Schrauben -2/3- an beiden Innenkotfl geln herausdrehen.
Mit einem Helfer Sto f ngerabdeckung nach vorne von den F hrungsprofilen rechts und links ziehen und abnehmen.
Alle
Steckverbindungen trennen.
Einbau
Der Einbau
erfolgt in umgekehrter
Ausbaureihenfolge.
2-4 Schrauben
5-6 Schrauben, 5 Nm
- F hrungsprofil
- Sto f ngertr ger
Ausbau
Sto f ngertr ger mit
14 Schrau
ben abschrauben, dabei 2 Schrau
ben in der Mitte herausdrehen.
Einbau
Sto f ngertr ger anschrauben.
8 Sechskantschrauben rechts und links mit 60 Nm festziehen.
6 Torxschrauben mit 8 Nm festziehen.
TOURAN
- Sto f ngerabdeckung
Ausbau
K hlergrill ausbauen, siehe entsprechendes Kapitel.
Beide Innenkotfl gel ausbauen, siehe entsprechendes Kapitel.
Schrauben -2/7- herausdrehen.
Schrauben -3/4- herausdrehen.
2 Spreiznieten -5- mit einem Schraubendreher heraushebeln.
Mit einem Helfer Sto f ngerabdeckung nach vorne von den F hrungsprofilen -6- rechts und links ziehen und abnehmen.
Alle Steckverbindungen trennen.
Einbau
Der Einbau erfolgt in
umgekehrter
Ausbaureihenfolge.
- Schrauben
3-4 Schrauben, 6 Nm
- Spreiznieten
- F hrungsprofil
- Schrauben f r Innenkotfl gel
- Sto f ngertr ger
Ausbau
Sto f ngertr ger mit
12 Schrau
ben von den L ngstr gern ab
schrauben.
Einbau
Sto f ngertr ger anschrauben.
8 Sechskantschrauben rechts und links mit 60 Nm festziehen.
4 Torxschrauben mit 8 Nm festziehen.
Sto f nger/Sto f ngerabdeckung hinten aus- und einbauen
|
|
|
GOLF
- Sto f ngerabdeckung
Ausbau
Heckleuchten ausbauen, siehe Seite 101.
Schrauben -5- an beiden Innenkotfl geln herausdrehen.
2 Spreiznieten -4- mit einem Schraubendreher heraushebeln.
Schrauben -2/3- herausdrehen.
Schrauben -6- herausdrehen.
Mit einem Helfer Sto f ngerabdeckung nach hinten von den F hrungsprofilen -7- rechts und links ziehen und abnehmen.
Alle Steckverbindungen trennen.
Einbau
Der
Einbau erfolgt in umgekehrter
Ausbaureihenfolge.
- Schrauben
- Schrauben, 5 Nm
- Spreiznieten
- Schrauben f r Innenkotfl gel
- Schrauben, 5 Nm
- F hrungsprofil
- Sto f ngertr ger
Mit 6 Schrauben (20 Nm) befestigt.
Hinweis: Beim JETTA 2 Schrauben (8 Nm) rechts und links vom Kofferraum aus herausdrehen. Dazu Seitenverkleidungen im Kofferraum ausbauen, siehe Seite 259.
Au erdem auf der rechten Seite 3 Schrauben unten an der Sto f ngerabdeckung herausdrehen.
TOURAN
- Sto f ngerabdeckung
Ausbau
Heckleuchten ausbauen, siehe Seite 102.
Schrauben -4- an beiden Innenkotfl geln herausdrehen.
2 Spreiznieten -3- mit einem Schraubendreher heraushebeln.
Schrauben -2- unten herausdrehen.
Schrauben -6- herausdrehen.
Mit einem Helfer Sto f ngerabdeckung nach hinten von den F hrungsprofilen -5- rechts und links ziehen und abnehmen.
Alle Steckverbindungen trennen.
Einbau
Der
Einbau erfolgt in umgekehrter
Ausbaureihenfolge.
- Schrauben, 6 Nm
- Spreiznieten
- Schrauben f r Innenkotfl gel
- F hrungsprofil
- Schrauben, 6 Nm
- Sto f ngertr ger
Mit 7 Schrauben (20 Nm) befestigt, 4 rechts und 3 links.
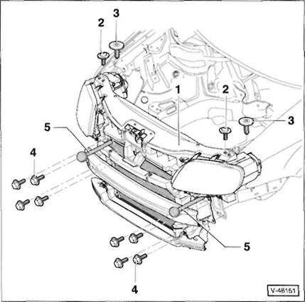
K hlergrill aus- und einbauen
|
|
GOLF
- K hlergrill
Ausbau
Motorhaube ffnen.
2 Schrauben -4- herausdrehen.
Mit einem Schraubendreher Halteclips -Pfeile- aus dem Schlosstr ger herausl sen.
K hlergrill unten etwas nach hinten dr cken und Rasthaken -2-nach oben aus der Sto f ngerabdeckung herausziehen.
K hlergrill nach oben abnehmen.
Einbau
K hlergrill nach vorne gekippt mit den Rasthaken -2- in die Sto f ngerabdeckung einf hren und einrasten.
K hlergrill nach hinten kippen und Halteclips -Pfeile- im Schlosstr ger einrasten.
2 Schrauben -4- eindrehen.
2-6 Rasthaken
3 - VW-Logo
Im K hlergrill eingeclipst. 4-2 Schrauben
|
TOURAN
- K hlergrill
Ausbau
Motorhaube ffnen.
2 Schrauben -3- herausdrehen.
Mit einem Schraubendreher Halteclips -Pfeile- aus dem Schlosstr ger herausl sen.
K hlergrill aus der Sto f ngerabdeckung ausrasten und nach vorne herausziehen.
Einbau
K hlergrill rechts und links an der Sto f ngerabdeckung ansetzen und einrasten.
Halteclips -Pfeile- im Schlosstr ger einrasten.
2 Schrauben -3- eindrehen.
- VW-Logo
Im K hlergrill eingeclipst.
3-2 Schrauben, 6 Nm
N66-10003
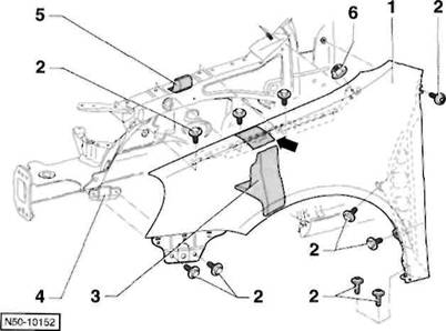
Kotfl gel vorn aus- und einbauen
GOLF
|
- Kotfl gel
2-Schrauben, 6 Nm
- Formten
Lose zwischen Kotfl gel und oberem L ngstr ger eingesteckt.
- Strebe
- Formteil
Am Kottl gei verklebt.
- Mutter. 6 Nm
Ausbau
Sto f ngerabdeckung vorn ausbauen, siehe entsprechendes Kapitel.
Innenkotfl gel vorn ausbauen, siehe entsprechendes Kapitel.
3 Schrauben herausdrehen und seitliches F hrungsprofil f r Sto f ngerabdeckung abnehmen, siehe Kapitel Sto f ngerabdeckung aus- und einbauen
Mutter-6-abschrauben.
Schrauben -2- herausdrehen.
Formteil -3- zwischen Kotfl gel und oberem L ngstr ger herausziehen.
Mit einem Hei luftf hn Kotfl gel im Bereich des Formteils -Pfeil- erw rmen. Dadurch l st sich die Verklebung des Formteils -5-.
Kotfl gel abnehmen.
Einbau
Der Einbau
erfolgt in umgekehrter Ausbaureihenfolge,
dabei Kotfl gel auf
gleichm ige
Spaltma e
ausrichten.
Spaltma e/GOl.F,
Soliwerte:
Kotfl gel - Motorhaube:.......... ..... ...... ... mm
Kotfl gel - T r vorn:.......... ..... ...... ........ '5 mm
Kotfl gel - Scheinwerfer: 1,2 bis 3,0 mm
Kotfl gel - Sto f ngerabdeckung:............ 0,0 bis 0,5 mm
Kotfl gel vorn aus- und einbauen
TOURAN
|
|
- Kotfl gel
- Schrauben, 6 Nm
- Strebe
- F llst ck
- Befestigungswinkel
- Schrauben, 6 Nm 7-Schrauben, 6 Nm
Ausbau
Sto f ngerabdeckung vorn ausbauen, siehe entsprechendes Kapitel.
Innenkottlugel vorn ausbauen, siehe entsprechendes Kapitel.
Seitenfenster vorn ausbauen, siehe entsprechendes Kapitel.
4 Schrauben herausdrehen und seitliches F hrungsprofil f r Sto f ngerabdeckung abnehmen, siehe Kapitel Sto f ngerabdeckung aus- und einbauen
Schrauben -2/6- herausdrehen.
Kotfl gel abnehmen.
Einbau
Der Einbau erfolgt in umgekehrter Ausbaureihenfolge, dabei Kotfl gel auf gleichm ige Spaltma e ausrichten. Spaltma e/TOURAN, Sollwerte:
Kotfl gel - Motorhaube:.......... ..... ...... ... 3,0*10 mm
Kotfl gel - T r vorn:.......... ..... ...... ........ 3,0*,0mm
Kotfl gel - Scheinwerfer: 0,75 bis 2,0 mm
|
GOLF/Innenkotfl gel hinten |
Innenkotfl gel aus- und einbauen
GOLF/Innenkotfl gel vorn
Ausbau
Sicherheitshinweis
Beim Aufbocken des Fahrzeugs besteht Unfallgefahr! Deshalb vorher das Kapitel Fahrzeug aufbocken durchlesen.
Reifen-Laufrichtung mit Pfeil am Reifen markieren. Radschrauben l sen. Fahrzeug aufbocken und Rad abnehmen. Achtung: Unbedingt Hinweise im Kapitel Rad aus- und einbauen beachten.

11 Schrauben -4- herausdrehen und Innenkotfl gel-Vorderteil -3- aus dem Radkasten herausziehen.
7 Schrauben -2- herausdrehen und Innenkotfl gel-Hinterteil -1- aus dem Radkasten herausziehen. 5 - Spreizmuttern.
Einbau
Innenkotfl gelteile in den Radkasten setzen und festschrauben.
Reifen-Laufrichtung beachten, Rad anschrauben, Fahrzeug ablassen, erst dann Radschrauben ber Kreuz mit 120 Nm festziehen. Achtung: Unbedingt Hinweise im Kapitel Rad aus- und einbauen beachten.

9 Schrauben -2- herausdrehen und Innenkotfl gel -1-aus dem Radkasten herausziehen. 3 - Spreizmuttern.
TOURAN/Innenkotfl gel vorn

15
Schrauben -2- herausdrehen und Innenkotfl gel -1-
aus dem Radkasten herausziehen.
TOURAN/Innenkotfl gel hinten
15
Schrauben herausdrehen und Innenkotfl gel aus dem
Radkasten herausziehen.
Seitenschutzleisten aus- und einbauen
Motorhaube aus- und einbauen
Ausbau
|
|
Ausbau

Schutzleiste -1/4- mit einem Hei luftf hn erw rmen und
gleichzeitig St ck f r St ck abziehen.
Einbau
Hinweise: Bei ca. +21 C werden eine optimale Klebewirkung und Verarbeitungsdauer erreicht. Die rechte und linke Schutzleiste haben ein unterschiedliches Lochbild.
Klebefl chen mit Benzin reinigen, mit Silikonentferner nachbehandeln und anschlie end trockenreiben.
Folie von der selbstklebenden Schutzleiste abziehen.
Schutzleiste -1/4- mit den Zapfen -2/3- in die Bohrungen am Au enblech ansetzen, leicht anheften und danach kr ftig andr cken.
Achtung: Zum Antrocknen der Klebung nach dem Einbau etwa 4 Stunden bei ca. +21" C warten.
Motorhaube -5- ffnen.
GOLF: Scheibenwaschd sen -6- ausbauen, siehe Seite 84.
GOLF: Wasserschlauch -2- sowie Leitung f r D senheizung an der Motorhaube sowie am Scharnier -3- aus-clipsen und aus der Motorhaube herausziehen.
Hinweis: Soll die bisherige Motorhaube wieder eingebaut werden, an den Schlauchenden eine Schnur befestigen. Beim Herausziehen der Schl uche wird die Schnur eingezogen und bleibt anschlie end in der Motorhaube.
F r den Wiedereinbau Einbaulage der Scharniere -3-mit Filzstift an der Motorhaube markieren.
Auf jeder Seite 2 Scharniermuttern -1- an der Motorhaube lockern, aber nicht abschrauben.
Motorhaube von einem Helfer abst tzen lassen. Gasdruckfeder -4- vom oberen Kugelzapfen abziehen, siehe Kapitel Gasdruckfeder aus- und einbauen
Muttern -1- abschrauben, Motorhaube mit dem Helfer von den Scharnieren abnehmen und vorsichtig ablegen.
Einbau
Motorhaube mit dem Helfer am Scharnier ansetzen. Die alte Motorhaube dabei nach den Markierungen ausrichten. Scharniermuttern -1- handfest aufschrauben.
Gasdruckfeder auf Kugelzapfen aufdr cken und einrasten,
Motorhaube schlie en und auf korrekte Spaltma e einstellen, siehe entsprechendes Kapitel.
Scharniermuttern mit 22 Nm festziehen.
GOLF: Wasserschlauch sowie Leitung f r die Scheiben-waschd se mithilfe der Schnur einziehen beziehungsweise bei einer neuen Motorhaube verlegen.
GOLF: Scheibenwaschd sen einbauen, siehe Seite 84.
|
Motorhaube pr fen/einstellen GOLF |
|
TOURAN |

Schlie b gel -11- von der Motorhaube -5- abschrauben, siehe Kapitel Motorhaubenschloss aus- und einbauen . 9 - D mpfungspuffer.
Gasdruckfeder -4- vom oberen Kugelzapfen abbauen.
Motorhaube schlie en und Spaltma e der Motorhaube pr fen, dabei soll der Spalt zum rechten und linken Kotfl gel jeweils gleichm ig breit sein und parallel verlaufen.
Spaltma e/GOLF, Sollwerte:
|
k |
Motorhaube - Kotfl gel:.......... ..... ...... ..... 3,5 *0'5 mm
Motorhaube - Scheinwerfer: 4,5 *0,5 mm
Gegebenenfalls Motorhaube ffnen, Scharniermuttern -1- an der Motorhaube sowie Scharnierschrauben -7-an der Karosserie lockern und Motorhaube durch Verschieben nach links oder rechts ausrichten.
Scharnierschrauben und -muttern mit 22 Nm festziehen.
Einstellschrauben -8- so weit verdrehen, bis
die Motor
haube hinten b ndig mit
den Kotfl geln
ist.
Einstellpuffer -10- so weit verdrehen, bis
die Motorhaube
vorne b ndig mit
den Kotfl geln
ist.
Hinweis: Als Einstellhilfe Knetmasse oder Kaugummi an den Einstellpuffern aufdr cken. Nach Schlie en der Motorhaube ist am Abdruck in der Knetmasse zu erkennen, ob die Motorhaube richtig aufliegt.
Schlie b gel mit 10 Nm an der Motorhaube
festschrau
ben.
Scharniere
-3-, Schrauben -7- und Muttern -1- gegen
Rost sch tzen.

Schlie b gel -8- von der Motorhaube -1- abschrauben, siehe Kapitel Motorhaubenschloss aus- und einbauen
Gasdruckfeder -6- vom oberen Kugelzapfen abbauen.
Motorhaube schlie en und Spaltma e der Motorhaube pr fen, dabei soll der Spalt zum rechten und linken Kotfl gel jeweils gleichm ig breit sein und parallel verlaufen.
Spaltma cATOURAN , Sollwerte:
Motorhaube - Kotfl gel:.......... ..... ...... ..... 3,0" mm
Motorhaube - Scheinwerfer: 4,0 *' mm
Gegebenenfalls Motorhaube ffnen, Scharniermuttem -3- an der Motorhaube lockern und Motorhaube durch Verschieben nach links oder rechts ausrichten. 5 - Anschlag f r Scharnier -2-, einstellbar.
Scharnierschrauben -4- an der Karosserie lockern und Motorhaube im hinteren Bereich in der H he ausrichten.
Scharnierschrauben und -muttern mit 22 Nm festziehen.
Einstellpuffer -7- so weit verdrehen, bis die Motorhaube vorne b ndig mit den Kotfl geln ist.
Hinweis: Als Einstellhilfe Knetmasse oder Kaugummi an den Einstellpuffern aufdr cken. Nach Schlie en der Motorhaube ist am Abdruck in der Knetmasse zu erkennen, ob die Motorhaube richtig aufliegt.
Schlie b gel mit 10 Nm an der Motorhaube festschrauben.
Scharniere -2-, Schrauben -4- und Muttern -3- gegen Rost sch tzen.
Motorhaubenschloss
aus- und einbauen/einstellen
Hinweis: Hier wird der Aus- und Einbau des Motorhaubenschlosses sowie des Schlie b gels beim GOLF beschrieben. Der Arbeitsablauf gilt auch f r den TOURAN.
Ausbau
Motorhaube ffnen.
K hlergrill ausbauen, siehe entsprechendes Kapitel.
Seilzug f r Motorhaube trennen, siehe Kapitel Seilzug f r Motorhaube aus- und einbauen

Motorhaubenschloss einstellen, dazu Motorhaubenschloss innerhalb der Bohrungen verschieben. Die Motorhaube muss sich problemlos schlie en und ffnen lassen. Motorhaube auf korrekte Spaltma e pr fen und gegebenenfalls einstellen, siehe entsprechendes Kapitel.
Schrauben f r Motorhaubenschloss mit 12 Nm festziehen.
Seilzug f r Motorhaube einbauen, siehe entsprechendes Kapitel.
K hlergrill einbauen, siehe entsprechendes Kapitel.
Speziell Schlie b gel aus- und einbauen
Ausbau
Motorhaube ffnen.
F r den Wiedereinbau Einbaulage des Schlie b gels an der Motorhaube mit Filzstift markieren.

3 Schrauben -2- herausdrehen und Schlie b gel -1-mit Fanghaken von der Motorhaube abnehmen.
Steckverbindung -5- f r Motorhauben-Kontaktschalter trennen. Hinweis: Die Steckverbindung befindet sich neben dem rechten Scheinwerfer.
F r den Wiedereinbau Einbaulage des Motorhaubenschlosses -1- mit Filzstift markieren.
3 Schrauben -4- herausdrehen und Motorhaubenschloss -1- nach oben aus dem Schlosstr ger -3- herausziehen.
Laschen -Pfeile- zusammendr cken und Seilzug -2-aus dem Motorhaubenschloss ausclipsen.
Einbau
Seilzug am Motorhaubenschloss einclipsen.
Motorhaubenschloss handfest am Schlosstr ger anschrauben und dabei nach den Markierungen ausrichten.
Steckverbindung f r Motorhauben-Kontaktschalter verbinden.
Einbau
Schlie b gel handfest an der Motorhaube anschrauben, Schlie b gel dabei nach den Markierungen ausrichten.
Schlie b gel einstellen, dazu Schlie b gel innerhalb der Bohrungen verschieben. Die Motorhaube muss sich problemlos schlie en und ffnen lassen. Motorhaube auf korrekte Spaltma e pr fen und gegebenenfalls einstellen, siehe entsprechendes Kapitel.
Schrauben f r Schlie b gel mit 10 Nm festziehen.
Motorhaubenverkleidung aus- und einbauen
Ausbau
Motorhaube ffnen.
Halteklammern mit einem L sehebel, zum Beispiel HA-ZET 799-3, aus der Motorhaube herausziehen, dabei werden die Montagezungen aus den Langl chern herausgezogen.
Motorhaubenverkleidung abnehmen.
Einbau
Der Einbau erfolgt in umgekehrter Ausbaureihenfolge.
TOURAN: Darauf achten, dass die Halteklammern mit der breiten Seite nach unten gerichtet eingesetzt werden.
Seilzug f r Motorhaube aus- und einbauen
|
Im Fahrerfu raum den Bet tigungshebel -1- f r Motorhauben-Seilzug nach hinten ziehen -Pfeil A-. |
Ausbau


Bowdenzugkupplung -1- ber dem linken Scheinwerfer aus der Halterung am Schlosstr ger -2- ausclipsen.
Kupplung aufklappen -Pfeil A- und Motorhauben-Seilzug -3- aus der Kupplung herausziehen -Pleil B-.
Seilzug aus den Halterungen am Schlosstr ger und Radkasten ausclipsen.
Am Seilzugnippel des Bet tigungshebels eine Schnur befestigen und Seilzug von der Motorraumseite aus dem Fahrzeuginnenraum herausziehen und ausbauen. Hinweis: Die Schnur dient beim Einbau als Einziehhilfe.
Einbau
Seilzug in die Halterungen im Motorraum einclipsen.
Seilzug in die Kupplung einlegen, dabei auf korrekten Sitz des Bowdenzugmantels achten. Kupplung schlie en und einrasten.
Der weitere Einbau erfolgt in umgekehrter Ausbaureihenfolge.
Zuletzt Halteklammer in den Bet tigungshebel schieben und Bet tigungshebel auf den Lagerbock dr cken.
Vor Schlie en der Motorhaube Seilzug auf Funktion pr fen.
Mit einem Schraubendreher Halteklammer -2- etwas herausziehen und entriegeln. Bet tigungshebel abnehmen.
Seilzug -3- aus dem Lagerbock -4- des Bet tigungshebels aush ngen -Pfeil B/C-.
Seilzug am Motorhaubenschloss aush ngen, siehe Kapitel Motorhaubenschloss aus- und einbauen
Gasdruckfeder aus- und einbauen
Ausbau
Heckklappe beziehungsweise Motorhaube ffnen und durch einen Helfer abst tzen lassen.
Sicherheitshinwels
Heckklappe unbedingt durch einen Helfer abst tzen lassen, bevor eine Gasdruckfeder gel st wird. Sonst f llt die Heckklappe herunter, da sie durch einen D mpfer allein nicht gehalten werden kann.

Mit kleinem Schraubendreher -3- Sicherungsb gel -1-etwas anheben und Gasdruckfeder -2- vom oberen Kugelzapfen abziehen.
Gasdruckfeder auf die gleiche Weise vom unteren Kugelzapfen abziehen.
Einbau
Heckklappe beziehungsweise Motorhaube durch einen Helfer abst tzen lassen.
Gasdruckfeder auf unteren und oberen Kugelzapfen aufdr cken und einrasten.
Heckklappe beziehungsweise Motorhaube schlie en.
Gasdruckfeder entsorgen
Achtung: Falls die Gasdruckfeder ersetzt wird, muss die alte Feder entgast werden, bevor sie entsorgt wird.
Achtung: Feder unbedingt nur in diesem Bereich einspannen, sonst besteht Unfallgefahr!
Zylinder im ersten Drittel der
Zylindergesamtl nge -
aus
gehend von der Bezugskante auf der Kolbenstangenseite
- aufs gen. Um herausspritzendes l aufzufangen, Be
reich des S getrennschnittes
mit einem Lappen ab
decken. Achtung: W hrend des S gevorganges
Schutz
brille tragen.
Heckklappe aus- und einbauen/ pr fen/einstellen
Ausbau
Batterie abklemmen. Achtung: Hinweise im Kapitel Batterie aus- und einbauen beachten.
Heckklappenverkleidung ausbauen, siehe entsprechendes Kapitel.
Elektrische Steckverbindungen f r Heckscheibenheizung und -Wischer sowie f r Zusatzbremsleuchte und Zentralverriegelung trennen. Schlauch f r Heckscheibenwaschanlage abziehen.
Hinweis: Als Montagehilfe f r den Wiedereinbau an den Leitungsenden eine Schnur befestigen, die nach dem Herausziehen der Leitungen in der Klappe bleibt.
Leitungen und Schlauch durch die ffnungen in der
Heckklappe herausziehen.

|
|
TOURAN: Leitungsdurchf hrung an der Heckklappe -1-ausbauen. Dazu Entriegelungshebel -3- im Innern der Gummit lle -2- kr ftig herunterdr cken -Pfeil- und Durchf hrung abnehmen. Leitungen -4- aus der Heckklappe herausziehen.
Gasdruckfeder im Bereich x = 50 mm in den Schraubstock einspannen.

F r den Wiedereinbau Einbaulage der Scharniere -4- an der Heckklappe -1- mit einem Filzschreiber markieren.
Auf jeder Seite 2 Scharnierschrauben -3- an der Heckklappe lockern, aber nicht herausdrehen.
Heckklappe von einem Helfer abst tzen lassen. Beide Gasdruckfedern -2- vom oberen Kugelzapfen abziehen, siehe Kapitel Gasdruckfeder aus- und einbauen
Schrauben -3- herausdrehen, Heckklappe -1- mit Helfer abnehmen und vorsichtig ablegen.
Einbau
Heckklappe mit Helfer am Scharnier ansetzen. Die alte Heckklappe dabei nach den Markierungen ausrichten.
Schrauben -3- links und rechts handfest eindrehen.
Gasdruckfeder auf Kugelzapfen aufdr cken und einrasten. Zweite Gasdruckfeder einbauen.
Heckklappe schlie en und auf korrekte Spaltma e einstellen, siehe entsprechenden Abschnitt.
Scharnierschrauben -3- mit 10 Nm festziehen.
TOURAN: Leitungsdurchf hrung an der Heckklappe einsetzen und einrasten.
Wasserschlauch sowie elektrische Leitungen mithilfe der Schnur einziehen beziehungsweise bei einer neuen Heckklappe verlegen. Wasserschlauch und elektrische Leitungen anschlie en.
Heckklappenverkleidung einbauen, siehe entsprechendes Kapitel.
Batterie anklemmen. Achtung: Hinweise im Kapitel Batterie aus- und einbauen beachten.
Pr fen/Einstellen
Achtung: F r die Einstellung muss das Fahrzeug auf den R dern stehen.
Verkleidung am Heckabschluss ausbauen, siehe
Seite
260/265.

2 Schrauben -1- herausdrehen und Schlie b gel -2-von der Ladekante abnehmen.
Beide Gasdruckfedern vom oberen Kugelzapfen abbauen, siehe entsprechendes Kapitel.
Heckklappe schlie en und Spaltma e der Heckklappe pr fen. Die Heckklappe ist richtig eingestellt, wenn sie im geschlossenen Zustand berall ein gleichm iges Spaltma hat, nicht zu weit nach innen oder au en steht und die Konturen mit den umliegenden Karosserieteilen fluchten.
Spaltma e/GOLF, Sollwerte:
Heckklappe - hintere Seitenteile:.................... '5 mm
Spaltma eATOURAN , Sollwerte:
Heckklappe - hintere Seitenteile:...................... 4,0 *' mm
Heckklappe - Dach:.......... ..... ...... ........... 4,5'' mm
Gegebenenfalls Heckklappe ffnen, Scharnierschrauben -3- an der Heckklappe lockern, siehe Abbildung N55-10090.
Heckklappe durch Verschieben nach links oder rechts ausrichten.
|
|
|
|
|
|
|
|
Wenn n tig, Scharniermuttern -1- am Dachholm lockern. Dazu Dachabschlussleiste ausbauen und Dachhimmel hinten nach unten ziehen, siehe Kapitel Dachabschlussleiste aus- und einbauen , Seite 260.
Heckklappe durch Verschieben ausrichten.
Scharnierschrauben mit 10 Nm, Scharniermuttern mit 24 Nm festziehen.
Klemmschraube -1- mit Inbusschl ssel so weit l sen, bis sich der Rastschieber -2- des D mpfungspuffers herausziehen l sst.
Rastschieber auf das Ma a = 12,5 mm einstellen.
Heckklappe mit leichtem Druck schlie en, Heckklappen ffner dabei bet tigen. Der Rastschieber wird bei diesem Vorgang auf die korrekte L nge eingeschoben.
Heckklappe wieder ffnen.
Klemmschraube -1- eindrehen, maximal bis auf die Tiefe a = 25 mm, um Besch digungen am Rastschieber zu vermeiden.
Heckklappe schlie en, Schlie b gel ausrichten und mit 23 Nm festschrauben.
Heckklappe auf einwandfreie Passung sowie Schlie funktion pr fen, gegebenenfalls nochmals einstellen.
Verkleidung am Heckabschluss einbauen, siehe Seite 260/265.
Heckklappenschloss aus- und einbauen
Ausbau
Batterie abklemmen. Achtung: Hinweise im Kapitel Batterie aus- und einbauen beachten.
Heckklappenverkleidung ausbauen, siehe entsprechendes Kapitel.

Stecker -4- f r Heckklappenschloss -2- entriegeln und abziehen. 1 - Notentriegelungshebel f r Heckklappenschloss; durch ffnung in der Verkleidung zug nglich.
2 Schrauben -3- herausdrehen und Heckklappenschloss -2- von der Heckklappe nehmen.

Abdeckung vom Not ffnungsgriff -3- abziehen.
4 Schrauben -1- in den Griffmulden herausdrehen.
Mit einem Schraubendreher Verkleidung -2- an den Halteklammern aus den Aufnahmen herausziehen.
Bowdenzug am Not ffnungsgriff -3- aush ngen und Verkleidung -2- von der Kofferraumklappe abnehmen.

Einbau
Der Einbau erfolgt in umgekehrter Ausbaureihenfolge, Schrauben dabei mit 23 Nm festziehen.
Schlie funktion des Heckklappenschlosses pr fen.
Kofferraumklappe aus- und einbauen
JETTA
Ausbau
Batterie abklemmen. Achtung: Hinweise im Kapitel Batterie aus- und einbauen beachten.
Kofferraumklappe ffnen und Abdeckkappe vom Kofferraumschloss abziehen.
Steckverbindungen -1- trennen und Kabelstrang -2- mit Gummit lle -5- aus der Kofferraumklappe herausziehen.
F r den Wiedereinbau Einbaulage der Scharniere mit Filzstift an der Kofferraumklappe markieren.
Auf jeder Seite 2 Muttern -3- an der Kofferraumklappe lockern, aber nicht abschrauben.
Kofferraumklappe von einem Helfer abst tzen lassen. Beide Gasdruckfedern -4- vom oberen Kugelzapfen abziehen, siehe Kapitel Gasdruckfeder aus- und einbauen
Muttern abschrauben, Kofferraumklappe mit Helfer abnehmen und vorsichtig ablegen.
Einbau
Der Einbau erfolgt in umgekehrter
Ausbaureihenfolge,
Muttern dabei mit 22 Nm festziehen.
Hinweis: Zum Einstellen der Kofferraumklappe Muttern -3-sowie Schrauben an den Scharnieren lockern.
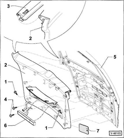
Heckklappenverkleidung aus- und einbauen
GOLF
|
|
Heckklappenverkleidung unten
- Schrauben
- Verkleidung unten
Ausbau
Heckklappe -5- offnen.
2 Schrauben -1- aus den Griffmulden herausdrehen.
Kunststoffkeil oder L sezange, zum Beispiel HAZET 799-4, unter die Verkleidung schieben und Verkleidung an den Halteklammern abl sen. Dabei unten beginnen.
Verkleidung an beiden Seiten von der Fensterrahmenverkleidung -3-abl sen.
F hrungsnasen -4- aus den Aufnahmen in der Heckklappe herausziehen.
Verkleidung von der Heckklappe -5- abnehmen.
Einbau
Halteklammern auf Besch digungen und auf richtigen Sitz an der Verkleidung berpr fen, wenn n tig, ersetzen.
Der Einbau erfolgt in umgekehrter Ausbaureihenfolge, dabei darauf achten, dass die Halteklammern korrekt in die Aufnahmen der Heckklappe eingreifen.
- Fensterrahmenverkleidung
- F hrungsnasen
- Heckklappe
|
|
Fensterrahmen Verkleidung
- F hrungsnase
- F hrungsnase
- Fensterrahmenverkleidung
Ausbau
Heckklappenverkleidung unten ausbauen.
Kunststoffkeil oder L sezange, zum Beispiel HAZET 799-4, unter die Verkleidung am Fensterrahmen schieben und Verkleidung an den Halteklammern -4- abl sen.
F hrungsnasen -1/2- aus den Aufnahmen im Fensterrahmen herausziehen.
Fensterrahmenverkleidung von der Heckklappe -5- abnehmen.
Einbau
Halteklammern auf Besch digungen und auf richtigen Sitz an der Verkleidung berpr fen, wenn n tig, ersetzen.
Der Einbau erfolgt in umgekehrter Ausbaureihenfolge, dabei darauf achten, dass die Halteklammem korrekt in die Aufnahmen der Heckklappe eingreifen.
- Halteklammern
- Heckklappe
Heckklappenverkleidung aus- und einbauen
TOURAN
|
|
Heckklappenverkleidung unten
- Schrauben
- Verkleidung unten
Ausbau
Heckklappe -5- ffnen.
2 Schrauben -1- aus den Griffmulden herausdrehen.
Deckel in der Verkleidung aufklappen und Warndreieck -6- aus dem Ablagefach herausnehmen.
2 Schrauben -4- herausdrehen.
Kunststoffkeil -7- unter die Verkleidung schieben und Verkleidung an den Halteklammern abl sen. Dabei unten beginnen.
Verkleidung an beiden Seiten von der Fensterrahmenverkleidung -3-abl sen.
Verkleidung von der Heckklappe -5- abnehmen.
Einbau
Halteklammern auf Besch digungen und auf richtigen Sitz an der Verkleidung berpr fen, wenn n tig, ersetzen.
Der Einbau erfolgt in umgekehrter Ausbaureihenfolge, dabei darauf achten, dass die Halteklammern korrekt in die Aufnahmen der Heckklappe eingreifen.
- Fensterrahmenverkleidung
- Schrauben
- Heckklappe
- Warndreieck
- Kunststoffkeil, flach
|
|
Fensterrahmenverkleidung
- Heckklappe
- Halteklammern
- Fensterrahmenverkleidung
Ausbau
Heckklappenverkleidung unten ausbauen.
Kunststoffkeil -4- unter die Verkleidung am Fensterrahmen schieben und Verkleidung an den Halteklammern -2- abl sen.
Fensterrahmenverkleidung von der Heckklappe -1- abnehmen.
Einbau
Halteklammern auf Besch digungen und auf richtigen Sitz an der Verkleidung berpr fen, wenn n tig, ersetzen.
Der Einbau erfolgt in umgekehrter Ausbaureihenfolge, dabei darauf achten, dass die Halteklammern korrekt in die Aufnahmen der Heckklappe eingreifen.
- Kunststoffkeil, flach
T r aus- und einbauen
GOLF
|
|
T r vorn/GOLF 1 - T r vorn
Ausbau
T r ffnen.
Auf den Rasthaken dr cken -Pfeil A- und Fallenbalg -6- von der A-S ule ziehen.
Verriegelungshebel -7- nach unten schwenken -Pfeil B- und Stecker -8- von der Kupplung an der A-S ule abziehen.
T r von einem Helfer abst tzen.
Schrauben -4/5/11- an den Scharnieren herausdrehen, dabei Spezialschl ssel verwenden, zum Beispiel HAZET 2597 mit Vielzahn-Bit und Werkzeughalter HAZET 6396.
T r in Pfeilrichtung -C- von den F hrungsschrauben -2/9- ziehen und auf einer weichen Unterlage
an.
Einbau
Der Einbau erfolgt im umgekehrter Ausbaureihenfolge.
Neue Schrauben -4/5/11- mif 20 Nm anziehen und danach mit einem starren Schl ssel Vi Umdrehung (90 weiterdrehen.
T r schlie en und Spaltma e pr fen. Gegebenenfalls T r einstellen, siehe entsprechendes Kapitel.
- F hrungsschraube
- Scharnier unten
- Schraube, 20 Nm + 90
Selbstsichernd, daher immer ersetzen.
- Schraube, 20 Nm + 90
Selbstsichernd, daher immer ersetzen.
- Faltenbalg
- Verriegelungshebel
- Elektrische Steckverbindung
- F hrungsschraube
- Scharnier oben
- Schraube, 20 Nm + 90
Selbstsichernd, daher immer ersetzen.
Hinwels: Die hintere T r des 4-T rers wird in gleicher Weise ausgebaut.
T r einstellen
GOLF Scharnier oben
|
|
6 8 i | 1 |
|
|
|
ml |
|
|
'M |
|
|
|
10 V-48167 |
||
|
|
||
|
- Schrauben, 20 Nm + 90' - Schraube, 20 Nm + 90 - F hrungsschraube, 10 Nm |
- Exzenterbolzen
Mit Sechskantkopf zum Verstellen.
|
Scharnier unten |
|
|
- Kontermutter, 28 Nm
10-Anschlag
|
- Schraube, 20 Nm + 90 - F hrungsschraube, 10 Nm |
- Schraube, 20 Nm + 90"
- Schraube, 20 Nm + 90
Nur vom Fahrzeuginnenraum zug nglich,
Achtung: Die Schrauben sind selbstsichernd und m ssen nach dem L sen immer durch neue ersetzt werden. Ausnahmen sind die F hrungsschrauben.
Spaltma e/GOLF, Sollwerte:
T r vorn - Kotfl gel vorn:.......... ..... ...... 3,5 *0,5 mm
T r vorn - Kotfl gel hinten (2-T rer):............. 0,B mm
T r vorn - T r hinten (4-T rer): ..................... mm
T r hinten - Kotfl gel hinten (4-T rer): 3,5 *0'5 mm
T r - T rschweller:.......... ..... ...... .......... ,0,5 mm
Falls die
Sollwerte nicht eingehalten werden, Schlie b gel an der Karosserie abschrauben und T rscharniere
lockern. Dazu oben Scharnierschrauben -5- und unten
Scharnierschrauben -1/2- lockern.
Hinweis: Um die Schraube -2- zu lockern, muss zuvor die A-S ulenverkleidung unten beziehungsweise bei der Hintert r die B-S ulenverkleidung unten ausgebaut werden, siehe Seite 255/256.
T r durch Verschieben ausrichten.
Hinweis: Andere Einstellma nahmen, wie zum Beispiel das Richten der T r nach oben, sind wirkungslos, weil die T r danach wieder absackt.
Zum Einstellen der Konturb ndigkeit Scharnierschrauben
-3- und -6- sowie die F hrungsschrauben
-4- und -7-
lockern und T r
ausrichten.
Hinweis: Bei geringf gigem Nachstellen der Konturb ndigkeit Kontermutter -9- am oberen Scharnier lockern und Exzenterbolzen -8- am Sechskantkopf verdrehen.
Nach dem Einstellen Scharnierschrauben mit
20 Nm an
ziehen und danach mit einem starren Schl ssel Vi Um
drehung (90 weiterdrehen.
Die F hrungsschrauben
-4/7- mit 10 Nm festziehen.
|
|
|
|
|
|
|
|
|
fT |
V- J |
fc^WHJ |
|
HP IBM?:' ': |
|
?' j |
|
|
TP |
■fefl |
^ln/ 1 |
|
:'VJvB |
|
** |
'^m |
|
i^ V-48213j| |
Schlie b gel -1- anschrauben und Schrauben -Pfeilehandfest anziehen, so dass der Schlie b gel leicht verschoben werden kann.
T r schlie en. Dadurch wird der Schlie b gel ausgerichtet. Anschlie end T r vorsichtig ffnen und Schlie b gel mit 20 Nm festschrauben.
T r einstellen
Spaltma e der T r pr fen. Die T r ist richtig eingestellt, wenn sie im geschlossenen Zustand berall ein gleichm iges Spaltma hat, nicht zu weit nach innen oder au en steht und die Konturen mit den umliegenden Karosserieteilen fluchten. Die hintere T r darf maximal 1 mm weiter innen stehen als die Vordert r.
T r vorn
GOLF
|
|
T r vorn/GOLF
Hinwels: Die T ren beim GOLF sind aus 2 Teilen zusammengesetzt. Am T rinnenteil mit Fensterrahmen sind der Fensterheber, die Fensterf hrung. der Au enspiegel, der Lautsprecher sowie das T rschloss montiert. Das T rau enblech ist mit dem T rinnenteil verschraubt. Am T rau enblech sind der T rau engriff und die Fensterschacht-Dichtleiste befestigt.
- T rau enblech
- Kantenschutz
3-6 Schrauben, Typ C, 10 Nm
4 - Halteschiene hinten
Am T rau enblech aufgeklebt. 5-3 Schrauben, Typ A, 10 Nm
- Schrauben, Typ B, 14 Nm
2-T rer: 11 St ck, 4-T rer: 10 St ck.
- T rinnenteil
- Halteschiene vorn
Am T rau enblech aufgeklebt.
- D mpfungsmatte
Am T rau enblech aufgeklebt. 10-6 Halteclips 11 - Fensterschacht-Dichtleiste
Achtung: Es werden 3 Schrauben-Typen zur Befestigung des T rau enblechs verwendet. Schrauben nicht vertauschen.
|
|
Schrauben-Typen:
A - Mit Spitze und dicker Unterlegscheibe
B - Ohne Spitze, mit dicker Unterlegscheibe
C - Mit Spitze und d nner Unterlegscheibe
|
|
T rau enblech an der Vordert r aus- und einbauen
GOLF
Ausbau
T r ffnen.
Einbau
T rau enblech -1- am T rinnenteil -7- ansetzen. Dabei darauf achten, dass die F hrungszapfen der Halteschienen -4/8- in die entsprechenden Bohrungen am T rinnenteil eingreifen, siehe Abbildung N57-100068.
Schrauben -3/5/6- eindrehen. Achtung: Dabei die korrekten Schrauben-Typen verwenden.
Schrauben -3/5- mit 10 Nm, Schrauben -6- mit 14 Nm festziehen.
Der weitere Einbau erfolgt in umgekehrter Ausbaureihenfolge.
Mit einem Kunststoffkeil Abdeckleiste -12- an den Halteclips -13- abl sen, dabei unten am T rrahmen beginnen. Abdeckleiste von der T r abziehen.
Schlie zylinder am T rau engriff ausbauen, siehe entsprechendes Kapitel.
T rau engriff ausbauen, siehe entsprechendes Kapitel.

Schraube -14- aus dem Lagerb gel -15- f r T rau engriff herausdrehen. Hinweis: Der Lagerb gel sitzt hinter dem T rau enblech.
Schrauben -3/5/6- herausdrehen, siehe Abbildung N57-100068.
Achtung: Es werden 3 Schrauben-Typen zur Befestigung des T rau enblechs verwendet. Schrauben-Typen nicht vertauschen.
T rau enblech
-1- vorsichtig vom T rinnenteil
-7- ab
nehmen, siehe Abbildung N57-100068.
T rau enblech an der Hintert r aus- und einbauen
GOLF
|
|
T r hinten/GOLF
Hinweis: Die Hintert ten beim GOLF sind wie die Vordert ren aus 2 Teilen zusammengesetzt: Das T rau enblech ist am T rinnenteil angeschraubt. Der Aus-und Einbau erfolgt wie bei der Vorden r.
- Hintert r
- Abdeckleists hinten
Abdeckleiste an den Halteclips -3-abl sen. dabei unten am T rrahmen beginnen. Abdeckleiste von der T r abziehen.
- Halteclips
- Abdeckleiste vorn
Abdeckleiste an den Halteclips -5-abl sen, dabei unten am T rrahmen beginnen. Abdeckleiste von der T r abziehen.
- Halteclips
|
|
T r hinten/GOLF 1 - Hintert r
6-3 Schrauben, Typ A, 10 Nm
Schrauben mit Spitze und dicker Unterlegscheibe. 7-11 Schrauben, Typ B, 14 Nm Schrauben ohne Spitze, mit dicker Unterlegscheibe.
8-4 Schrauben, Typ C, 10 Nm
Schrauben mit Spitze und d nner Unterlegscheibe.
Achtung: Es werden 3 Schrauben-Typen zur Befestigung des T rau en-blechs verwendet, siehe Kapitel f r die Vordert r. Schrauben nicht vertauschen.
T rschloss/Lagerb gel f r T rau engriff aus- und einbauen
GOLF
|
|
Lagerb gel/T r vorn
- Lagerb gel
Ausbau
Schlie zylinder ausbauen, siehe entsprechendes Kapitel.
T rau engriff ausbauen, siehe entsprechendes Kapitel.
T rau enblech ausbauen, siehe entsprechendes Kapitel.
Sicherungsgummi -4- nach oben vom F hrungsbolzen -2- und vom Haltebolzen an der Aufnahme-3-abziehen.
Lagerb gel in Pteilrichtung aus den Autnahmen -3- herausziehen.
Einbau
Lagerb gel so am T rinnenteil einschieben, dass die F hrungsbolzen -2- in die Aufnahmen -3-einrasten.
Sicherungsgummi -4- ber die Bolzen legen.
Der weitere Einbau erfolgt in umgekehrter Ausbaureihenfolge.
- F hrungsbolzen
- Aufnahmen f r F hrungsbolzen
- Sicherungsgummi
Hinweis: Der Lagerb gel an der Hintert r wird in der gleichen Weise ausgebaut.
|
|
T rschloss/T r vorn
- Seilzug
- Abstandshalter, F hrung
- Abdeckung ber T rschloss
- T rschloss
Ausbau
Lagerb gel ausbauen.
Steckverbindung -5- trennen.
2 Schrauben -6- herausdrehen.
Seilzug -1- um 90 drehen und aus se im Umlenkhebel -8- herausziehen. Hinweis: Ausbau in entgegengesetzter Pfeilrichtung.
T rschloss aus der T r herausziehen.
Einbau
Der Einbau erfolgt in umgekehrter Ausbaureihenfolge. T rschloss mit 18 Nm festschrauben.
Bei ge ffneter T r Schlie me-chanismus auf Funktion pr fen.
- Steckverbindung
6-2 Schrauben, 18 Nm
- Abdeckkappe
ber Sicherungsschraube.
- Umlenkhebel
Hinweis: Das T rschloss an der Hintert r wird in der gleichen Weise ausgebaut.
T rseitenauf prallschutz aus- und einbauen
GOLF
Hinweis: Beschrieben wird der Aus- und Einbau an der Vordert r. Der Seitenaufprallschutz an der Hintert r wird in hnlicher Weise ausgebaut.
Ausbau
T rau enblech ausbauen, siehe entsprechendes Kapitel.

4 Schrauben -2- und 2 Muttern -4- herausdrehen.
Seitenaufprallschutz -1- mit D mpfungsmatte -3- vom T rinnenteil abnehmen.
T rfensterscheibe aus- und einbauen
Vordert r/GOLF
Ausbau
T rverkleidung ausbauen, siehe entsprechendes Kapitel.

Einbau
Der Einbau erfolgt in umgekehrter Ausbaureihenfolge. Dabei Schrauben und Muttern mit 20 Nm festziehen.
2 Abdeckkappen -4- aus dem T rrahmen heraushebeln.
T rfensterscheibe -1- so weit herunterfahren, bis die Klemmschrauben -3- in den Montage ffnungen zug nglich sind.
Achtung: L sst sich die Fensterscheibe nicht absenken, zum Beispiel wegen einer St rung des elektrischen Fensterhebers, Fensterhebermotor abschrauben und Fensterscheibe von Hand herunterdr cken.
Klemmschrauben
-3- durch Drehen im Uhrzeigersinn
lockern, aber nicht herausdrehen.
Hinweis: Die Klemmschrauben -3- sind sowohl von au en als auch von innen zug nglich. An der T rinnenseite werden sie durch Rechtsdrehen gelockert.
Klemmbacken der Aufnahmen -2- auseinanderdr cken.

T rfensterscheibe hinten anheben und in Pfeilrichtung
nach vorn aus der T r
herausschwenken.
Einbau
Der Einbau erfolgt in umgekehrter Ausbaureihenfolge. Darauf achten, dass die T rfensterscheibe richtig in die Fensterf hrung eingesetzt wird. T rfensterscheibe an der hinteren Fensterf hrung ausrichten. Klemmschrauben durch Drehen gegen den Uhrzeigersinn mit 8 Nm festziehen.
Fensterheber auf Funktion pr fen.
Hintert r/GOLF
Ausbau
T rverkleidung ausbauen, siehe entsprechendes Kapitel.

Abdeckkappe -1- heraushebeln.
T rfensterscheibe absenken, bis der Spreizstift -4- und der Spreizd bel -3- in der Montage ffnung zug nglich sind. 2 - Fensterheberf hrung.
Schraube (5 x 70 mm) in den Spreizstift -4- eindrehen und Spreizstift aus dem Spreizd bel herausziehen.
Schraube (8 x 80 mm) in den Spreizd bel -3- eindrehen und Spreizd bel aus der Klemmbacke herausziehen.
Achtung: Beim Eindrehen der Schraube kann der D bel durch zu starken Druck nach hinten in den T rrahmen fallen.

Vordere Fensterf hrung -3- aus der Aufnahme herausziehen, Schrauben -2- herausdrehen und Blende -1-nach vorne -Pfeil- abziehen.
T rfensterscheibe nach oben aus dem Fensterschacht herausziehen.
Einbau

Neuen Spreizd bel -2- so in die T rfensterscheibe -3-einsetzen, dass er an beiden Seiten der Scheibe gleich viel herausragt.
Neuen Spreizstift -1- in den D bel hineindr cken.
T rfensterscheibe -3- in den Fensterschacht einf hren, nach unten schieben und in den Schlitz der Fensterheberf hrung -4- einsetzen. Scheibe durch einen leichten Schlag von oben einrasten.
Der weitere Einbau erfolgt in umgekehrter Ausbaureihenfolge.
Batterie anklemmen. Achtung: Hinweise im Kapitel Batterie aus- und einbauen beachten.
Fensterheber vor Einbau der T rverkleidung auf Funktion pr fen.
Fensterhebermotor aus- und einbauen
GOLF
Hinwels: Beschrieben wird der Aus- und Einbau an der Vordert r. Der Fensterhebermotor an der Hintert r wird in hnlicher Weise ausgebaut.
Ausbau
T rverkleidung ausbauen, siehe entsprechendes Kapitel.
T rfensterscheibe nach oben fahren und festsetzen, beispielsweise mit Klebeband oder Kunststoffkeil.
Batterie abklemmen. Achtung: Hinweise im Kapitel Batterie aus- und einbauen beachten.
Stecker am Fensterhebermotor aufschieben. Fenster 2-mal bis zum Anschlag nach oben und unten fahren. Dadurch wird der Fensterhebermotor eingerichtet und der Einklemmschutz aktiviert.
T rverkleidung einbauen, siehe entsprechendes Kapitel.

Mit einem Schraubendreher Stecker -Pfeile A- in Pfeilrichtung -B- entriegeln und vom Fensterhebermotor -1-abziehen.
3 Schrauben -2- herausdrehen und Fensterhebermotor -1- mit Steuerger t vom Halteblech abnehmen.
Hinweis: Bei abgenommenem T rau enblech kann der Fensterhebermotor auch von au en zusammen mit dem Halteblech ausgebaut werden.
Einbau
Fensterhebermotor ansetzen, Fensterscheibe l sen und leicht auf und ab schieben, damit die Verzahnung vom Fensterhebermotor greift.
Schrauben f r Fensterhebermotor mit 3,5 Nm anziehen. Achtung: Schrauben nicht st rker anziehen, da sonst die Kunststoffh lse besch digt werden kann.
Batterie anklemmen. Achtung: Hinweise im Kapitel Batterie aus- und einbauen beachten.
Fensterheber aus- und einbauen
GOLF
|
|
Fensterheber/T r vorn
- Fensterheber Ausbau
T rau enblech ausbauen, siehe entsprechendes Kapitel.
T rseitenaulprallschutz ausbauen, siehe entsprechendes Kapitel.
T rfensterscheibe ausbauen, siehe entsprechendes Kapitel.
Schrauben -2- f r Halteblech -5- herausdrehen.
Schrauben -3- f r Fensterheber herausdrehen.
Fensterheber zusammen mit Halteblech und Fensterhebermotor vom T rinnenteil abnehmen.
Stecker vom Fensterhebermotor -4- abziehen.
Einbau
Der Einbau erfolgt in umgekehrter Ausbaureihenfolge.
Vor Einbau des T rau enblechs Fensterheber auf Funktion pr fen.
2-4 Schrauben, 8 Nm
- Schrauben, 8 Nm
2-T rer: 4 St ck, 4-T rer: 5 St ck.
- Fensterhebermotor
- Halteblech
|
|
Fensterheber/T r hinten
1 - Fensterheber Ausbau
T rau enblech ausbauen, siehe entsprechendes Kapitel.
T rseitenaufprallschulz ausbauen, siehe entsprechendes Kapitel.
T rlensterscheibe ausbauen, siehe entsprechendes Kapitel.
Schrauben -2- f r Halteblech -3- herausdrehen.
Schrauben -5' f r Fensterheber herausdrehen.
Fensterheber zusammen mit Halteblech und Fensterhebermotor vom T rinnenteil abnehmen.
Stecker vom fensterhebermotor -4- abziehen.
Einbau
Der Einbau erfolgt in umgekehrter Ausbaureihentolge.
Vor Einbau des T rau enblechs Fensterheber auf Funktion pr fen.
2-4 Schrauben, 8 Nm
- Halteblech
- Fensterhebermotor 5-2 Schrauben, 8 Nm
T rau engriff aus- und einbauen
GOLF/TOURAN Ausbau
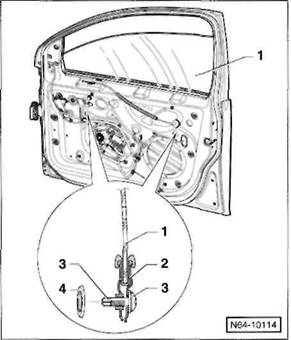
Schlie zylinder ausbauen, siehe entsprechendes Kapitel.

Mit einem Schraubendreher Clip -1- aus dem T rgriff heraushebeln
T rgriff -2- aus der T r herausschwenken -Pfeil-. 3 -Schlossbet tigungshebel.
Einbau

VW-Spezialwerkzeug T10118 -1- durch ffnung in der Stirnseite der T r einf hren -Pfeil A- und in die Feder -2- einhaken -Pfeil B-.
Hinweis: T rinneres mit einer Taschenlampe ausleuchten.
Werkzeug in Pfeilrichtung -C- ziehen und Feder -2- in den Bet tigungshebel des T rschlosses einh ngen. Dadurch wird das Schloss arretiert.
T rgriff in die T r einschwenken.
Clip -1- in den Blechausschnitt ziehen und in den T rgriff -2- einrasten. Dabei T rgriff gegen die T r dr cken. Achtung: W hrend der Clip montiert wird, darf der Schlossbet tigungshebel -3- nicht gezogen werden. Siehe Abbildung V-48170.
Schlie zylinder einbauen, siehe entsprechendes Kapitel.
Bei ge ffneter T r Schlie mechanismus auf Funktion pr fen.
Schlie zylinder aus- und einbauen
GOLFH"OURAN Ausbau

T r ffnen und Abdeckkappe vor der Sicherungsschraube -3- aus der Stirnseite der T r heraushebeln.
T rgriff-1-ziehen und festhalten.
Mit einem Torx-Steckschl ssel -A- Schraube -3- soweit herausdrehen, bis die Arretierung f r den Schlie zylinder -2- entriegelt wird. Achtung: Bei einigen Fahrzeugen des TOURAN-Modelljahres 2004 darf die Schraube nicht zu weit herausgedreht werden, da sonst der Arretierungsring in die T r fallen kann.
Schlie zylinder -2- mit Abdeckung aus der T r herausziehen.
Einbau
Schlie zylinder in die T r einschieben und Sicherungsschraube eindrehen. Dabei Schlie zylinder und T rgriff in beziehungsweise gegen die T r dr cken. Der T rgriff muss mit h rbarem Klicken einrasten.
Bei ge ffneter T r Schlie mechanismus auf Funktion pr fen.
Abdeckkappe an der Stirnseite der T r einsetzen.
|
Ausbau T r ffnen. |
T r aus- und einbauen/einstellen
TOURAN
Hinweis: Die Hintert r wird in gleicher Weise ausgebaut und eingestellt wie die Vordert r.
|
|
Scharnier oben
|
- Schraube, 20 Nm + 90 Nur vom Fahrzeuginnenraum zug nglich. - Schraube, 20 Nm + 90 |
1-T r
- Schraube, 20 Nm + 90
Mutter. 14 Nm
- Scharnierbolzen
- T rscharnier oben
Scharnier unten


Auf den Rasthaken dr cken -Pfeil A- und Faltenbalg -13- von der A-S ule ziehen.
Verriegelungshebel -14- nach unten schwenken -Pfeil B- und Stecker -15 von der Kupplung an der A-S ule
abziehen.
|
am oberen Schar- |
Mutter -3- vom Scharnierbolzen nier abschrauben.
Schraube
unten -9- am unteren Scharnier herausdre
hen, dabei Spezialschl ssel
verwenden, zum Beispiel
HAZET 2597 mit Vielzahn-Bit und Werkzeughalter HA-
ZET 6396.
Achtung: Zum Ausbau der T r nur die untere Schraube -9-aus dem unteren Scharnier herausdrehen.
T r nach oben aus den Scharniern herausheben und auf
einer weichen Unterlage ablegen.
Einbau
Der Einbau erfolgt im umgekehrter Ausbaureihenfolge.
Neue untere Schraube -9- mit 20 Nm anziehen und anschlie end mit einem starren Schl ssel Vi Umdrehung (90 weiterdrehen.
Mutter -9- mit 14 Nm oben am Scharnierbolzen festziehen.
T r schlie en und Spaltma e pr fen. Gegebenenfalls T r einstellen, siehe entsprechendes Kapitel.
1-T r
- Schraube, 20 Nm + 90
- Untere Schraube,
20 Nm + 90 - T rscharnier unten Mit T rbremse.
- Schraube, 20 Nm + 90
Nur vom Fahrzeuginnenraum zug nglich.
- Schraube, 20 Nm + 90
Achtung: Die Schrauben sind selbstsichernd und m ssen nach dem L sen immer durch neue ersetzt werden.
T r einstellen
Spaltma e der T r pr fen. Die
T r ist richtig eingestellt,
wenn sie im geschlossenen Zustand berall ein gleich
m iges Spaltma hat, nicht zu weit nach innen oder
au en steht und die Konturen mit den
umliegenden Ka
rosserieteilen fluchten. Die hintere T r darf maximal
1 mm weiter innen stehen als die Vordert r.
Spaltma eATOURAN.
Sollwerte:
T r vorn - Kotfl gel vorn:.......... ..... ...... .. 3,0 *' mm
T r vorn - T r hinten:.......... ..... ...... ........ +' mm
T r hinten - Kotfl gel hinten:............................ 3,0 *1 mm
T r - T rschweller:.......... ..... ...... ........... 4,0 *' mm
Falls die Sollwerte nicht eingehalten werden, Schlie b gel an der Karosserie abschrauben.
T rscharniere lockern. Dazu oben Scharnierschrauben -6/7- und unten Scharnierschrauben -11/12- lockern.
Hinweis: Um die Schraube -6- zu lockern, muss die Armaturentafel beziehungsweise bei der Hintert r die B-S ulen-verkleidung oben ausgebaut werden, siehe Seite 251/262.
Hinweis: Um die Schraube -11- zu lockern, muss zuvor die A-S ulenverkleidung unten beziehungsweise bei der Hintert r die B-S ulenverkleidung unten ausgebaut werden, siehe Seite 261/262.
T r durch Verschieben ausrichten.
Hinweis: Andere Einstellma nahmen, wie zum Beispiel das Richten der T r nach oben, sind wirkungslos, weil die T r danach wieder absackt.
Zum Einstellen der Konturb ndigkeit Scharnierschrauben -2- und -8/9- lockern und T r ausrichten.
Nach dem Einstellen Scharnierschrauben mit 20 Nm anziehen und danach mit einem starren Schl ssel Vi Umdrehung (90 ) weiterdrehen.
Schlie b gel anschrauben und Schrauben handfest anziehen, so dass der Schlie b gel leicht verschoben werden kann.
T r schlie en. Dadurch wird der Schlie b gel ausgerichtet. Anschlie end T r vorsichtig ffnen und Schlie b gel mit 20 Nm festschrauben.
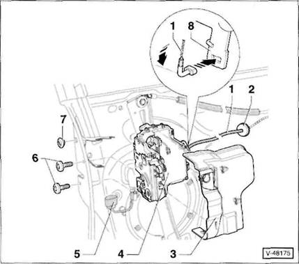
T rschloss aus- und einbauen
TOURAN
T rschloss, Fensterheber und Lautsprecher sind am T r-Aggregatetr ger der T r befestigt. Das T rschloss kann nur in Verbindung mit dem T r-Aggregatetr ger ausgebaut werden.
Hinweis: Das T rschloss an der Hintert r wird in der gleichen Weise ausgebaut.
Ausbau
T rverkleidung ausbauen, siehe entsprechendes Kapitel.
T rau engriff ausbauen, siehe entsprechendes Kapitel.
T r-Aggregatetr ger ausbauen, siehe entsprechendes Kapitel.

T r-Aggregatetr ger herumdrehen und Stecker -4- vom T rschloss -5- abziehen.
2 Spreiznieten -2- f r Haltewinkel -1- mit einem Dorn austreiben.
Mit einem Schraubendreher T rschloss -5- zusammen mit dem Haltewinkel vom T r-Aggregatetr ger abhebein. Hinweis: Das T rschloss ist am Haltewinkel aufgesteckt -3- und mit einer Niete -6- befestigt.

Seilzug -1- aus der Halterung am T rschloss l sen. Nippel des Seilzugs um 90 drehen -Pfeil- und aus der se herausnehmen.
Einbau
Der Einbau erfolgt in umgekehrter Ausbaureihenfolge.
Bei ge ffneter T r Schlie mechanismus auf Funktion pr fen.
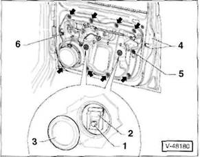
T r-Aggregatetr ger mit Fensterheber aus- und einbauen
TOURAN
T r-Aggregatetr ger vorn
Am Aggregatetr ger sind die Anbauteile T rschloss, Fensterheber und Lautsprecher befestigt. Aggregatetr ger und Fensterheber k nnen nur zusammen ausgebaut werden.
Der T r-Aggregatetr ger kann nur ausgebaut werden, wenn die T rfensterscheibe an den Klemmbacken des Fensterhebers abgeschraubt ist. Dazu muss die T rfensterscheibe bis auf die H he der Montagel cher im Aggregatetr ger heruntergefahren und die Klemmbacken m ssen gel st werden.
Ausbau
T rverkleidung ausbauen, siehe entsprechendes Kapitel.
T rau engriff ausbauen, siehe entsprechendes Kapitel.

Schrauben -Pfeile-, -5-, -6- herausdrehen.
T r-Aggregatetr ger nach oben schieben und unten von der T r abl sen. Dabei muss der untere Teil des Fensterhebers mit herausgezogen werden.
T r-Aggregatetr ger schr g nach unten herausziehen und mit einem Schwenk zur T r-Scharnierseite aus der T r herausheben. Dabei zuerst oberen Teil des Fensterhebers herausziehen und dann das T rschloss.
Einbau
T r-Aggregatetr ger in die T r einsetzen.
Kabelhalterung im Aufnahmeloch der T r einrasten. Dabei darauf achten, dass der Kabelstrang nicht besch digt wird.
Schrauben eindrehen und mit 8 Nm anziehen. Dabei zun chst die Schrauben -5- und -6- anziehen. Die brigen Schrauben in beliebiger Reihenfolge anziehen, siehe Abbildung V-48180.
T rschloss mit 20 Nm an der T r festschrauben.
Bei ausgebauter T rfensterscheibe Scheibe in die Fensterf hrung einsetzen.
T rfensterscheibe nach unten zwischen die Klemmbacken schieben und T rfensterscheibe in die hintere Fensterf hrung dr cken. Klemmbacken in dieser Position mit 8 Nm festziehen. Siehe Abbildung V-48180.
Der weitere Einbau erfolgt in umgekehrter Ausbaureihenfolge.
Batterie anklemmen. Achtung: Hinweise im Kapitel Batterie aus- und einbauen beachten.
Fensterheber vor Einbau der T rverkleidung auf Funktion pr fen.
Bei ge ffneter T r Schlie mechanismus auf Funktion pr fen.
Abdeckkappen -3- heraushebeln.
T rfensterscheibe absenken, bis die Befestigungsschrauben -1- der T rfensterscheibe in den Montage ffnungen zug nglich sind.
Schrauben -1- lockern und Klemmbacken -2- des Fensterhebers auseinanderdr cken. Hinweis: Schrauben -1- nicht herausdrehen.
T rfensterscheibe nach oben schieben und festsetzen, beispielsweise mit Klebeband oder Kunststoffkeil.
Hinweis: Zum Ausbau der T rfensterscheibe Scheibe hinten anheben und nach vorn aus dem Fensterrahmen herausschwenken.
Batterie abklemmen. Achtung: Hinweise im Kapitel Batterie aus- und einbauen beachten.
Stecker f r Au enspiegel am Fensterhebermotor abziehen.
Faltenbalg und Stecker an der A-S ule von der Kupplung abziehen, siehe Kapitel T r aus- und einbauen
Kabelhalterung abclipsen und Kabelstrang in die T r hineinf hren.
2 Schrauben -4- f r das T rschloss herausdrehen.
Speziell T r-Aggregatetr ger hinten
Hinweis: Der Aus- und Einbau erfolgt in hnlicher Weise wie an der Vordert r. Hier werden nur die Unterschiede beim Ausbau der Fensterscheibe aufgef hrt.
Innere Fensterschachtleiste mit einer Zange vom T rflansch abhebein. Gleichzeitig einen Kunststoffkeil unter die Fensterschachtleiste schieben.
|
|
|
|
|
3x/- |
|
11 LI 1 |
|
/a* |
|
l |
|
|
V-48181 |
|
Hintere Fensterf hrung -3- nach vorne vom Mittelsteg -1- abziehen und nach au en abnehmen.
2 Schrauben -2- herausdrehen, Mittelsteg -1- nach unten schieben -Pfeil A- und oben aus der Fensterdichtung herausziehen. Mittelsteg nach oben aus dem Fensterschacht herausziehen -Pfeil B~.
Spreizstift und Spreizd bel aus der Klemmbacke f r die T rfensterscheibe herausziehen, siehe Kapitel T rfensterscheibe aus- und einbauen/Hintert r/GOLF
T rfensterscheibe nach oben zum Fahrzeuginnern aus dem Fensterschacht herausziehen.
Fensterhebermotor aus- und einbauen
TOURAN
Hinweis: Beschrieben wird der Aus- und Einbau an der Vordert r. Der Fensterhebermotor an der Hintert r wird in gleicher Weise ausgebaut.
Ausbau
T rverkleidung ausbauen, siehe entsprechendes Kapitel.

Vordert r: 3 Schrauben -1- herausdrehen und Haltebock -2- abnehmen.
T rfensterscheibe nach oben fahren und festsetzen, beispielsweise mit Klebeband oder Kunststoffkeil.
Batterie abklemmen. Achtung: Hinweise im Kapitel Batterie aus- und einbauen beachten.
Stecker entriegeln und vom Fensterhebermotor abziehen.
3 Schrauben herausdrehen und Fensterhebermotor vom T r-Aggregatetr ger abnehmen.
Einbau
Fensterhebermotor ansetzen, Fensterscheibe l sen und leicht auf und ab schieben, damit die Verzahnung vom Fensterhebermotor greift.
Schrauben f r Fensterhebermotor mit 3,5 Nm anziehen. Achtung: Schrauben nicht st rker anziehen, da sonst die Kunststoffh lse besch digt werden kann.
Vordert r: Haltebock mit 8 Nm festschrauben.
Batterie anklemmen. Achtung: Hinweise im Kapitel Batterie aus- und einbauen beachten.
Stecker am Fensterhebermotor aufschieben. Fenster 2-mal bis zum Anschlag nach oben und unten fahren. Dadurch wird der Fensterhebermotor eingerichtet und der Einklemmschutz aktiviert.
T rverkleidung einbauen, siehe entsprechendes Kapitel.
T rverkleidung aus- und einbauen
GOLF
![]()
![]()
|
|
|
|
V-48182 |
|
V-48183 |
Fahrert r/GOLF 1 - Griffschale 2-2 Schrauben 3 - Schraube 4-3 Schrauben
- Seilzug f r T r ffner innen
- T r ffner innen
- Schraube
- Dreieckblende
- Kunststoffkeil
Zum Beispiel HAZET 1965-20.
10-L sezange
Zum Beispiel HAZET 799-4.
11 -T rverkleidung, Fahrert r
Ausbau
Mit einem Kunststoflkeil -9-Griffschale -1- nach oben aus der Verkleidung heraushebeln.
Steckverbindungen an der R ckseite der Griflschale abziehen.
Schrauben -2/3/4- herausdrehen.
Mit einer L sezange -10- Verkleidung an den Halteclips unten und an den Seiten abl sen.
Verkleidung nach oben aus dem Fensterschacht ziehen.
Steckverbindungen an der R ckseile der Verkleidung trennen.
Seilzug -5- am T r ffner -6-aush ngen und Verkleidung abnehmen.
Schraube -7- herausdrehen.
Dreieckblende -8- mit einem Kunststoflkeil abl sen.
An der R ckseite Stecker f r Hochtonlautsprecher abziehen.
Einbau
Der Einbau
erfolgt in umgekehr
ter Ausbaureihenfolge. Halteclips
berpr fen, wenn n tig, ersetzen.
Beifahre rt r/GOLF
12-T rverkleidung, Beifahrert r
Mit einem Kunststoffkeil -9-Blende -13- vom T rgriff abhebein.
Schrauben -14/15/16- herausdrehen. Verkleidung mit einer L sezange -10- an den Halteclips unten und an den Seiten abl sen.
Der weitere Aus- und Einbau erfolgt wie bei der Fahrert r.
- Blende f r T rgriff
14-2 Schrauben
15-Schraube
16-3 Schrauben
Hintert ren/GOLF
Die Verkleidung an den Hintert ren des 4-T rers wird in hnlicher Weise ausgebaut wie bei der Beifahrert r. Die Verkleidung ist unten mit nur einer Schraube befestigt.
Hintert r mit Fensterkurbel: Zun chst Fensterkurbel ausbauen, siehe entsprechendes Kapitel.
T rverkleidung aus- und einbauen
TOURAN
|
|
Fahrert r/TOURAN
1 - Griffschale 2-3 Schrauben 3-2 Schrauben
- Seilzug f r T r ffner Innen
- T r ffner Innen
- Blende am Fensterrahmen
- Kunststoffkeil
- Schraubendreher
- T rverkleidung, Fahrert r
Ausbau
Mit einem Schraubendreher -8-oder einem Kunststoffkeil Griffschale -1- nach oben aus der Verkleidung heraushebeln.
Steckverbindungen an der R ckseite der Gritfschale abziehen.
Schrauben -2/3- herausdrehen.
Mit einem Kunststoftkeil -7- Verkleidung an den Halteclips abl sen.
Verkleidung nach oben aus dem Fensterschacht ziehen.
Steckverbindungen an der R ckseite der Verkleidung trennen.
Seilzug -4- am T r ffner -5-aush ngen und Verkleidung abnehmen.
Blende -8- mit einem Kunststoftkeil -7-abl sen.
Einbau
Der Einbau
erfolgt in umgekehr
ter Ausbaureihenfolge. Halteclips
berpr fen, wenn n tig, ersetzen.
|
|
Beifahrert tfTOURAN
10-T rverkleidung, Beifahrert r
Mit einem Schraubendreher -8-oder einem Kunststoftkeil Blende -11- vom T rgriff abhebein.
Schrauben -12/13- herausdrehen.
Mit einem Kunststoftkeil -7- Verkleidung an den Halteclips abl sen.
Der weitere Aus- und Einbau erfolgt wie bei der Fahrert r.
- Blende f r T rgriff
12-2 Schrauben
13-2 Schrauben
Hintert ren/TOURAN
Die Verkleidung an den Hintert ren des 4-T rers wird in hnlicher Weise ausgebaut wie bei der Beifahrert r. Die Verkleidung ist unten mit nur einer Schraube befestigt.
Hintert r mit Fensterkurbel: Zun chst Fensterkurbel ausbauen, siehe entsprechendes Kapitel.
Fensterkurbel aus- und einbauen
Hintert ren, GOLF/TOURAN Ausbau
Spiegelglas aus- und einbauen
GOLF/TOURAN Ausbau
|
|

Abstandsring -2- in Pfeilrichtung schieben, dadurch wird die Sicherungsklammer entriegelt. Gleichzeitig Fensterkurbel -1- vom Antrieb abziehen.
Einbau
T r rechts: Fensterkurbel so auf dem Antrieb aufstecken, dass die Kurbel bei geschlossenem Fenster etwa auf 5 Uhr steht.
T r links: Fensterkurbel so aufstecken, dass die Kurbel bei geschlossenem Fenster auf 7 Uhr steht.
Abstandsring einrasten.
Geh usekante -1- mit Klebeband abkleben und dadurch vor Besch digungen sch tzen.
Spiegelglas -2- unten in das Spiegelgeh use -1-dr cken.
Kunststoffkeil -5-, zum Beispiel HAZET 1965-21, oben einf hren, Spiegelglas vorsichtig vom Halter -4- abhebein -Pfeil- und aus dem Geh use ziehen.
Beide Anschlusskabel -3- f r elektrisch beheizbaren Au enspiegel von der Spiegelglas-R ckseite abziehen. Dabei die angenieteten Kontaktzungen festhalten, um Besch digungen zu vermeiden.
Einbau
Anschlusskabel am Spiegelglas aufstecken.
|
Sicherheitshinweis |
|
|
|
|
Beim Aufdr cken des Spiegelglases unbedingt |
Hand- |
||
|
schuhe anziehen oder sauberen |
Lappen |
unterlegen. |
|
|
Bruch- und Verletzungsgefahr! |
|
|
|
Spiegelglas mittig auf den Halter setzen, aufdr cken und einrasten. Durch Hin- und Herbewegen des Spiegelglases festen Sitz in der Halterung pr fen.
Au enspiegel einstellen.
Spiegelgeh use aus- und einbauen
GOLF
Ausbau
Spiegelglas ausbauen, siehe entsprechendes Kapitel.
Spiegel nach vorne klappen.

N66-1002o|
Schraubendreher unter die Rasthaken -2- f hren und Rasthaken entriegeln.
Spiegelgeh use -1- etwas nach vorne vom Spiegeltr ger ziehen und nach oben abheben.

Spiegelgeh use von oben auf den Spiegeltr ger setzen
und h rbar einrasten.
Spiegelglas einbauen, siehe
entsprechendes Kapitel.
TOURAN
Ausbau
Spiegelglas ausbauen, siehe entsprechendes Kapitel.
Spiegel nach vorne klappen.

2 Schrauben -2- herausdrehen und Spiegelgeh use -1-nach oben vom Spiegeltr ger-3- abziehen.
Seitliche Blinkleuchte ausbauen, siehe Seite 103.
Schrauben herausdrehen und unteres Geh useteil nach unten vom Spiegeltr ger abnehmen.
Einbau
Der Einbau erfolgt in umgekehrter Ausbaureihenfolge.
Mit einem Schraubendreher Rasthaken -2- am Spiegeltr ger entriegeln und Spiegelblende -1- nach hinten -Pfeil- abziehen.
Wenn n tig, unteres Geh useteil vom Spiegeltr ger abschrauben, siehe in Kapitel Seitliche Blinkleuchte aus-und einbauen , Seite 103.
Einbau
Gegebenenfalls unteres Geh useteil am Spiegeltr ger
anschrauben.
Spiegelblende
am Spiegeltr ger ansetzen und einrasten.
Au enspiegel aus- und einbauen Seitenfenster aus- und einbauen
GOLF TOURAN
Ausbau
T rverkleidung vorn ausbauen, siehe entsprechendes Kapitel.
Schraube f r Dreieckblende herausdrehen.
Dreieckblende mit einem Kunststoffkeil, zum Beispiel HA-ZET 1965-20, vom Fensterrahmen abhebein.
Kabelhalter auftrennen und Steckverbindung f r Au enspiegel trennen.

Abdeckkappe -3- heraushebeln.
3 Schrauben -2- herausdrehen und Spiegel -1- mit Spiegeltr ger abnehmen.
Leitungen f r Au enspiegel durch die T r ffnung durchziehen.
Ausbau
A-S ulenverkleidung ausbauen, siehe Seite 261.

Muttern -2- herausdrehen.
Seitenfenster -1- aus dem Fensterausschnitt herausziehen.
Einbau
Seitenfenster -1- in den Fensterausschnitt setzen und mit den Muttern -2- leicht anschrauben.
Seitenfenster im Fensterausschnitt gleichm ig ausrichten.
Muttern mit 4,5 Nm festziehen.
A-S ulenverkleidung einbauen, siehe Seite 261.
Einbau
Der Einbau erfolgt in umgekehrter Ausbaureihenfolge. Au enspiegel dabei mit 8 Nm festschrauben. Neuen Kabelhalter verwenden.
Speziell TOURAN
Der Aus-und Einbau erfolgt im Prinzip in gleicher Weise wie beim GOLF. Der Au enspiegel ist mit 2 Schrauben an der T r festgeschraubt.
|