Засоби видалення та транспор 535d32f ;тування гною
вивчити призначення, будову, принцип роботи машин для прибирання та транспор 535d32f ;тування гною
1. Вивчити механізацію видалення гною транспор 535d32f ;терами типу ТСН-160, ТС-1 ,УС-15, УС-Ф-170, УС-250.
2. Вивчити механізацію видалення і транспор 535d32f ;тування гною гідравлічним способом.
3. Замалювати схему роботи скребкового гноєзбирального транспор 535d32f ;тера ТСН-160, скреперної установки УС-Ф-170.
Для прибирання гною на тваринницьких фермах і комплексах застосовують скребкові транспор 535d32f ;тери колового та зворотно-поступального руху, скребково-тросові і скреперні установки, начіпні пристрої (на трактори, самохідні шасі), гідравлічні чи пневматичні засоби і фекальні та шнекові насоси для перекачування рідкого гною.
За призначенням ці машини можна розділити на чотири групи: для прибирання гною у тваринницьких приміщеннях, завантаження в транспор 535d32f ;тні засоби, транспор 535d32f ;тування гною і комбіновані.
Підстилковий гній у різних тваринницьких приміщеннях прибирають скребковими транспор 535d32f ;терами колового і зворотно-поступального руху. Вони найпоширеніші. Для цієї ж мети використовують також скреперні установки.
Оскільки всі транспор 535d32f ;тери типу ТСН мають аналогічні функціональні схеми, розглянемо будову і принцип роботи їх на прикладі транспор 535d32f ;тера ТСН-160А і вкажемо на основні відмінності та конструктивні особливості інших транспор 535d32f ;терів.
Скребковий транспор 535d32f ;тер ТСН-160А далення гною з тваринницьких приміщень та одночасного завантаження його в транспор 535d32f ;тні засоби. Він має горизонтальний 1 (рис. 10.1) і похилий 2 транспор 535d32f ;тери з індивідуальними приводами, а також шафу керування.
Горизонтальний транспор 535d32f ;тер складається з привода 4, горизонтального замкненого ланцюга, натяжного 5 і поворотного 6 пристроїв.

10.1. Схема скребкового гноєзбирального транспор 535d32f ;тера ТСН-160А:
1 — горизонтальний транспор 535d32f ;тер; 2 — похилий транспор 535d32f ;тер; 3 — привод похилого транспор 535d32f ;тера; 4 — приводна станція горизонтального транспор 535d32f ;тера; 5 — натяжний пристрій; 6 — поворотні зірочки.


Рис. 10.2. Тягові ланцюги транспор 535d32f ;терів типу ТСН:
3 — з'єднувальна ланка
Привод транспор 535d32f ;тера забезпечує поступальний рух замкненого ланцюга і включає в себе елек все частіше використовують привод без клинопасової передачі.
Ланцюг горизонтального транспор 535d32f ;тера (рис.10.2) — круглоланковий, нерозбірний, термічно оброблений і виготовлений із сталі 23 Г2 діаметром 14 мм та кроком ланок 80 мм. Ланцюг складається із вертикальних та горизонтальних ланок і кронштейнів для кріплення скребків. Кронштейни приварені до вертикальних ланок через кожні 1120 мм. До кронштейнів за допомогою болтів, контршайб і гайок прикріплені скребки.
У процесі експлуатації ланки спрацьовуються і виникає необхідність вкорочення горизонтального транспор 535d32f ;тера шляхом вирізання ланок. Це виконують на ділянці між приводом та натяжним пристроєм. Кінці вкороченого ланцюга з'єднуються за допомогою ланки і вставки. Остання встановлюється у прорізь з'єднувальної ланки і приварюється.
Поворотний пристрій призначений для зміни напрямку руху ланцюга в місцях повороту гнойового каналу. Він універсальний для всіх транспор 535d32f ;терів і складається із скоби, до якої двома болтами приєднується пластина. В отвори скоби та пластини встановлена вісь, на якій на двох підшипниках обертається зірочка.
Похилий транспор 535d32f ;тер (рис. 10.3) призначений для завантаження гною, що подається з горизонтального транспор 535d32f ;тера, у транспор 535d32f ;тні засоби. Він складається з корита, поворотного пристрою, ланцюга із скребками, привода та опор 535d32f ;ного стояка. Ланцюг похилого транспор 535d32f ;тера уніфікований з ланцюгом горизонтального. Відстань між скребками у похилого транспор 535d32f ;тера менша і становить 640 мм, а швидкість транспор 535d32f ;тера більша — 0,72 м/хв. Це передбачено для узгодження подачі транспор 535d32f ;терів і кращого видалення рідких фракцій гною. Натяг ланцюга похилого транспор 535d32f ;тера здійснюється натяжним гвинтом.

Рис. 10.3. Похилий транспор 535d32f ;тер:
1 — стояк; 2 — корпус; 3 — поворотна зірочка; 4 — ланцюг із скребками; 5- — натяжний гвинт; 6 — рама; 7 — привод
Транспор 535d32f ;тер може працювати в каналах із додатковим жолобом для .ланцюга, коли скребки розміщені над ланцюгом і без додаткового жолоба з розміщенням скребків під ланцюгом. У першому випадку забезпечується якісніше прибирання гною при використанні будь-якої кількості підстилки (солома, тирса, торф тощо).
У попередньо побудованих каналах без додаткового жолоба для ланцюга (з розміщенням скребків під ланцюгом) рекомендується використовувати транспор 535d32f ;тери ТСН-160А тільки для прибирання безпідстилкового гною або гною з невеликою кількістю подрібненої підстилки. При значній кількості підстилки транспор 535d32f ;тер у цьому варіанті працює незадовільно. Для покращення його роботи в гноєвий канал подають воду.
Прибирати гній транспор 535d32f ;тером ТСН-160А необхідно не менше трьох разів на добу. Крім того, при застосуванні для підстилки соломи її бажано подрібнити на частинки не більше 100 мм, щоб скребки горизонтального транспор 535d32f ;тера під час скидання гною на похилий транспор 535d32f ;тер не прийшлося очищати вручну за допомогою спеціального скребка. Безпосередньо перед пуском транспор 535d32f ;терів впевнюються у відсутності сторонніх предметів у гноєвому каналі, знімають перехідні містки для забезпечення вільного проходу гною під ними. У зимовий період пересвідчуються, що ланцюг і скребки похилого транспор 535d32f ;тера не примерзли до жолобів, при потребі легкими ударами звільняють їх.
Гній із стійл вручну за допомогою скребка скидають у гноєві канали на транспор 535d32f ;тер, який видаляє його з приміщення і завантажує у транспор 535d32f ;тні засоби. При цьому очищати стійла потрібно за напрямком руху ланцюга, починаючи від натяжного пристрою.
10.1.Технічна характеристика транспор 535d32f ;терів
|
Швидкість руху ланцюга транспор 535d32f ;тера, м/с: транспор 535d32f ;тера, м: |
0,50 |
0,72 |
0,460 |
0,72 |
|
Перевагою транспор 535d32f ;тера ТСН-160А пор 535d32f ;івняно з іншими транспор 535d32f ;терами є покращення умов праці завдяки використанню автоматичного натяжного пристрою ланцюгового контура, зменшення на 25 % часу на технічне обслуговування, скорочення затрат праці при монтажі, зниження металомісткості (табл. 10. 1).
Тягові ланцюги транспор 535d32f ;терів ТСН-2Б, ТСН-ЗБ, КСН-Ф-100 конструктивно відрізняються від розглянутого вище і мають різні технічні характеристики (табл. 2).
Транспор 535d32f ;тер ТСН-ЗБ має розбірний ланцюг із шарнірним кріпленням скребків, яке сприяє очищенню скребків від гною. Ланцюги транспор 535d32f ;терів ТСН-2Б, КСН-Ф-100 за допомогою з'єднувальних ланок складаються з окремих секцій довжиною 5,75 м. Скребки транспор 535d32f ;тера ТСН-2Б приварені до середньої ланки, а КСН-Ф-100 — кріпляться за допомогою втулки, болта і двох гайок до кронштейна, який також болтами жорстко з'єднаний з середньою ланкою ланцюга.
Таблиця10. 2.Технічна характеристика тягових робочих органів транспор 535d32f ;терів
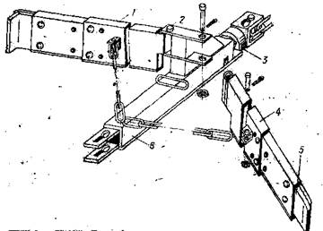
10.4) призначена для прибирання гною з-під решітчастих підлог і навантаження його у транспор 535d32f ;тні засоби. Вона складається з поздовжнього і поперечного скреперних транспор 535d32f ;терів, гноєприймача, ковшового навантажувача і насосної установки з мішалкою. Поздовжні транспор 535d32f ;тери, здійснюючи зворотно-поступальний рух, забирають гній з приміщення в гнойовий канал поперечного транспор 535d32f ;тера, який транспор 535d32f ;тує його в гноєзбірник. Ковшовий гноєнавантажувач і насосна установка призначені для навантажування гною з гноєзбірника в транспор 535d32f ;тні засоби.
Скреперний транспор 535d32f ;тер складається з приводної станції, скреперів, блоків тяг і ланцюгів. Приводна станція призначена для падання скреперам зворотно-поступального руху і складається з рами 1 (рис.
Рама приводної станції виготовлена з швелерів, які є напрямними для переміщення каретки привода. На рамі встановлений натяжний пристрій, механізм автоматичного вимикання та опор 535d32f ;а перемикача.
Натяг ланцюга транспор 535d32f ;тера здійснюється переміщенням каретки за допомогою спеціального гвинта. При цьому один кінець гвинта з'єднаний з запобіжною пружиною, на якій є хомут, що діє
Скреперна установка УС-Ф-170 складається з привода 1 (рис. 10.7 ), тягових ланцюгів 4 і 8, проміжних штанг 3 і 7, скребків, поворотних роликів 5.Привод установки включає два спарених редуктори, електродвигуни, механізм реверсування та ведучу зірочку.

скрепери; 3, 7 — проміжні штанги;
5 — поворотні ролики

Поворотні пристрої для зміни напрямку руху ланцюга встановлені на анкерних болтах, забетонованих у гнізда.
Скреперна установка має зворотно-поступальний рух. При робочому ході скребки в одному гнойовому проході за рахунок тертя з підлогою розкриваються на ширину каналу, захоплюють гній і переміщують його до поперечного гнойового каналу. Скребки іншого проходу в цей час складаються і здійснюють холостий хід у протилежний бік. За один робочий цикл кожен з чотирьох скреперів (по два у каналі) проходить шлях 57,3 м з швидкістю. 0,056 м/с. Перекриття ходу скреперів становить 9,5 м. Коли перший скрепер з гноєм підходить до поперечного каналу і скидає в нього гній, задній скрепер переміщує гній до середини вує пристрій реверсування. При повторному робочому ході перший скрепер забирає гній із середини і переміщує його до поперечного каналу.
каналу різні для різних систем (рис.
транспор 535d32f ;тування гнойової маси (до збірника або магістрального
перерізом, що знижує процент зависання твердих литі чавунні решітки (рис.

видалення гною:
Магістральний канал призначений для самопливного транспор 535d32f ;тування гною від приймальних каналів до збірника і являє
|
|
|
Гноєнагромаджувачі — спор 535d32f ;уди, призначені для зневоднення і зберігання гною. Вони мають пандуси для в'їзду навантажувальних і транспор 535d32f ;тних засобів, а на дні — дренажні траншеї. Глибина нагромаджувачів 22,5 м.
становить близько 92%. Внаслідок випаровування вологи з по
150200 мм, яку засипають спочатку крупним, а потім дрібним
|
1 — бетон М-150; — щебінь (60 100 мм); перфорована труба (0 100 мм). |
— решітка; — змивна труба; — насадок; — гноєприймальний канал; 5 — |
температура в бурті досягає 323328 К, в цих випадках знищу
із (рис. 2025 мм, поставлені під кутом 6070° до горизонтальної осі мальний канал, 1 2 рази на добу під з насадок, і транспор 535d32f ;тується в попереч налу повинна бути не більша 60 70 м. ального бачка (рис.
1— змивна труба; 2 — засувка; 3 — опор 535d32f ;а; 4 — бак; 5 — водопровід; 6 — вентиль.
биранні гною до 5 л на одну тварину на добу. Слід пам'ятати, що промивати канали треба регулярно 12 рази на добу приблизно
си (рис.
|
|
1— пор 535d32f ;іжок; 2 —
решітка; |
приймальний канал. Система функціонує надійно при груповому леної маси). Канали (рис. во влаштовують знімний пор 535d32f ;іжок висотою 120 150 мм, який
воду до рівня пор 535d32f ;іжка і перекривають канал шибером. Екскре си становить 1 2 см на 1 м довжини каналу. З цього розрахунку слід визначати глибину каналу. При довжині каналу 3О, 40 і 50 м глибина його повинна відповідно становити 0,8; 1,0 і 1,2 м.
ся через пор 535d32f ;іжок. Система працює безперервно протягом усього циклу вирощування чи відгодівлі худоби. Періодично, при змі
конструкції ВНИИМЖ (рис. 10.
часті біофільтри, а також біологічні стави. Кількість цих спор 535d32f ;уд
|
— роздільник; 7 — бурт густої фракції; 8 — транспор 535d32f ;тер; I II III IV сільськогосподарських
культур; |
1 — опор 535d32f ;на плита; ввідний патрубок; 6 — транспор 535d32f ;тер. |
Насос НЖН-200 призначений для перекачування рідкого та напіврідкого гною із гноєзбірників і гноєсховищ у транспор 535d32f ;тні засоби або по трубопроводу. Його випускають у двох виконаннях: пересувний і стаціонарний.
Він складається з насосної частини (рис. 10. 19), поворотної рами з полозками, системи блоків з лебідкою, опор 535d32f ;ної рами з двома пневматичними колесами, зливного рукава та пульта керування.

1 — дверці; 2 — обойма; 3 — опор 535d32f ;на рама;
Опор 535d32f ;на рама оснащена пневматичними колесами і на ній за допомогою цапф встановлена поворотна рама, яка є напрямним пристроєм при переміщенні полозків з насосом, електродвигуном і напірним трубопроводом системою блоків. Поворотна рама (зварної конструкції) може займати горизонтальне (транспор 535d32f ;тне) або вертикальне (робоче) положення. Лебідка призначена для піднімання та опускання насосної частини.
До місця використання насос доставляють трактором і встановлюють його над вікном. При цьому опускають дві опор 535d32f ;и в робоче положення і фіксують їх пальцями; знімають болти кріплення рами і вручну переводять її у вертикальне положення, приєднують рукав і звільняють насос від фіксації у полозках.
Пересвідчившись, що насос опущено на достатню глибину в гній, спрямовують вихідний кінець його рукава в горловину місткості транспор 535d32f ;тних засобів або приєднують його до магістрального трубопроводу. Після цього включають насос на режим «відкачування». За допомогою важеля відкривають дверці, добиваючись максимальної подачі залежно від фізико-механічних властивостей гною, і фіксують їх в такому положенні.
Рідкий гній крізь приймальне вікно у нижній частині насоса засмоктується в корпус шнека і витками транспор 535d32f ;тується вверх до відцентрового насоса. Домішки, що потрапили в ній, подрібнюються різальною парою, розміщеною в корпусі насоса, і разом з гноєм подаються в нагнітальний трубопровід.
розбирають підшипникові вузли, промивають підшипники та манжети в дизельному паливі, замінюють при потребі манжети, збирають вузли і заповнюють пор 535d32f ;ожнини маслом;
У процесі роботи насоса гній подається шнеком до відцентрового насоса і далі трубопроводом у транспор 535d32f ;тні засоби чи гноєсховище. При цьому мішалка створює протилежний потік рідини для підіймання мулу, що осідає на дні приймальника. Довгі частинки підстилки і корму, що потрапляють у гній, подрібнюються ножами подрібнювача, що запобігає забиванню насоса. Насос НШ-50 випускається з приводом від електродвигуна і ВВП трактора класу 1,4.
НШ-50-П НЖН-200
300
3,3 2,5 3,5
.
—
965
Основні елементи обладнання і їх призначення.
Робочий процес обладнання.
У якому напрямку доцільно переміщуватися скотарю при очищенні стійл у процесі роботи транспор 535d32f ;тера ТСН-160А?
Які відмінності і переваги транспор 535d32f ;тера ТСН-160А пор 535d32f ;івняно з іншими транспор 535d32f ;терами?
6. У чому переваги скреперних установок перед скребковими транспор 535d32f ;терами колового руху?
З яких умов визначається величина ходу скрепера?
З якою метою і як регулюють зазор між ножами в подрібнювачі (НЖН-200)?
Які переваги має установка УТН-10 пор 535d32f ;івняно з насосами НЖН-200 чи НШ-50?
З якою метою і як регулюють всмоктувально-напірний клапан (УТН-10)?
На яку відстань транспор 535d32f ;тується гній за допомогою УТН-10 (НШ-50, НЖН-200)?
|