NECESARUL DE CĂLDURĂ PENTRU CLĂDIRI
4.1. Conditii conventionale de calcul
4.1.1.. Temperatura exterioara de calcul
Pentru stabilirea temperaturii exterioare de calcul exista īn lume mai multe metode: metode bazate pe formule empirice, metode bazate pe īnregistrari statistice, metode bazate pe media duratelor anuale ale temperaturilor scazute etc.
Īn tara noastra a fost utilizata o metoda bazata de calcule termotehnice privind amortizarea oscilatiilor de temperatura īn elementele de constructie (metoda mai este utilizata īn fosta URSS, Polonia, Austria, Suedia). Metoda de calcul a temperaturilor exterioare poate fi rezumata a 626g65g stfel:
a) Se cunosc temperaturile momentane, masurate, pentru o perioada de 20.....25 ani. Dintre aceste valori sunt alese cele care corespund perioadei friguroase.
|
Ianuarie perioada friguroasa martie (STAS 1907) |
aprilie perioada calda octombrie (STAS 6648) |
noiembrie perioada friguroasa decembrie (STAS 1907) |
b) Prin prelucrarea datelor meteorologice se stabileste o iarna conventionala care are ca baza temperaturile exterioare medii ale zilei si orei de calcul.
exemplu:
|
Anul Ora |
|
|
|
tmed |
|
|
|
|
|
|
|
|
|
|
|
|
|
|
|
|
|
|
|
|
|
|
|
|
Aceste valori medii se obtin pentru fiecare localitate din tara care are masuratori facute prin Institutele meteorologice

Dintre aceste valori sunt selectionate temperaturile medii cu valori cuprinse īntre + 100C si cele mai scazute valori ce apar.
c) Cunoscānd temperaturile medii ale perioadei considerate (20....25 ani) si duratele de aparitie ale acestora se stabileste iarna conventionala de calcul. Din grafic rezulta ca temperatura de - 180C apare īn iarna conventionala 1 zi.
0 1 2 4 zile
tm
![]()
m <1 - inertie mare
m = 1 - caramida STAS
m >1 inertie mica
d) Prin calcule termotehnice si experiente de laborator, pentru elemente de constructie standard (caramida de 1 1/2) si pentru temperaturi interioare standard se stabilesc duratele de timp necesare fiecarei temperaturi medii pentru a crea pe fata interioara a elementului de constructie variatii de temperatura mai mari sau mai mici decāt 0,30C.
Pentru aceasta verificare se īncepe cu
temperatura cea mai scazuta care are o durata sa zicem de
0,5 zile/iarna conventionala si careia

īi sunt necesare 2 zile pentru a crea pe fata
interioara a peretelui temperaturi mai scazute cu 0,30C
fata de cea corespunzatoare qi
Deoarece timpul necesar este mai mare decāt frecventa (durata) de aparitie a acestei temperaturi īn iarna conventionala de calcul, aceasta temperatura este eliminata din competitie. Procedānd īn mod asemanator se constata ca temperatura de - 180C are o durata de aparitie īn cadrul iernii conventionale egala cu timpul necesar pentru a crea pe peretele interior oscilatii de - 0,30C. Deci aceasta temperatura poate fi considerata ca temperatura de calcul. Gruparea localitatilor cu temperaturi exterioare - 180C si durate egale cu prima conduc la zona a II a de temperatura. Īn mod analog s-au stabilit ca temperaturi exterioare de calcul temperaturile (- 120C), (- 150C) si
(-210C).
Dar pentru īnchiderea īncaperilor sunt utilizate structuri diferite de cea etalon care are un D 5. Structurile care au un indice de inertie termica mai mic decāt cel standard vor permite ca pe fata interioara a peretelui sa apara oscilatii de temperatura īntr-un timp mai scurt decāt cel īn care apare temperatura exterioara de calcul. Pentru a corecta acest neajuns este necesar sa se introduca un plus de caldura care sa asigure stabilitatea temperaturii pe fata interioara. Acest coeficient poarta denumirea de coeficient de masivitate si se noteaza cu "m". Acesta se stabileste functie de indicele de inertie termica.
|
D |
|
|
|
|
|
|
m |
|
|
|
|
|
Din tabel rezulta ca pentru pereti masivi se reduce necesarul de caldura , deoarece coeficientul de asimilare termica este subunitar.
De remarcat ca ferestrele si usile sunt considerate ca avānd D = 1 [m(qi qe qi qec
m = (qi qec qi qe qec qi conf m = 1
4.1.2. Temperatura interioara de calcul
Pe baza consideratiilor de confort termic sunt stabilite temperaturi interioare de calcul pentru majoritatea īncaperilor. Īn unele cazuri acestea pot fi determinate de considerente de ordin tehnologic. Īn cazul īncaperilor neīncalzite temperaturile interioare se pot stabili pe baza ecuatiilor de bilant termic.
Qaporturi = Qpierderi = 0

Pentru unele aplicatii poate fi aplicata si metoda standardizata potrivit careia ti = f (Rm).
4.1.3. Viteza vāntului de calcul
Pe baza unor ample studii efectuate de INCERC, s-a stabilit o metoda de determinare a vitezei de calcul a vāntului, care tine seama de corelatia statistica existenta īntre intensitatile vānturilor si temperaturile scazute.
Prin studiul amintit s-au evidentiat toate aparitiile vānturilor puternice concomitente cu temperaturile exterioare scazute, īmpreuna cu duratele de manifestare ale acestora, pe o perioada de 20 ani (pentru 32 localitati).
Totodata, pentru fiecare localitate īn parte au fost stabilite si directiile de actiune ale acestor vānturi.
Pentru a se putea alege viteza de calcul, a fost necesar ca toate starile climatice vānt - temperatura sa fie comparate cu o stare climatica de referinta. Īn acest scop s-au luat īn consideratie numai acele vānturi care, la temperatura la care apar, dau un necesar de caldura mai mare decāt necesarul de caldura, pentru īncalzire corespunzator temperaturii exterioare de calcul (fara vānt) si care au o durata de cel putin 960 ore (40 zile) īn 20 ani.
Starea climatica de referinta s-a determinat transformānd toate concordantele vānt - temperatura reale, īn concordante echivalente, corespunzatoare temperaturii exterioare de calcul. Aceasta īnseamna ca pentru o anumita situatie reala care apare la o temperatura exterioara tej cu o viteza a vāntului vj si care duce la un necesar de caldura Qj, s-a determinat o viteza fictiva echivalenta a vāntului "v0" care la temperatura exterioara de calcul "te" ar da acelasi necesar de caldura.
Elimināndu-se situatiile de durata mai mica de 960 ore īn 20 ani, au rezultat 4 zone climatice.
Qj = QTj + QFj = QT + QF =
Situatie Situatie
reala (vi) fictiva (vo)
= SSk + (Li)vg4/3 Dt = SSk + (Li)v04/3 Dt; 1/SLi
SSk/SLi + vj4/3Dtj = SSk/SLi + v04/3Dt
Definim: SSk/SLi = e (coeficient eolian)
(e + vj4/3)(ti - tej) = (e + v04/3)(ti - te)
v0 = (e + vj4/3) + (ti - tej)/(ti - te) - e
e = 20......40
v0 = (30 + vj4/3) + (ti - tej)/(ti - te) - 30

4.2. Cladiri cu īnaltime medie
4.2.1. Cazul cladirilor cu inertie termica moderata
Pentru toate categoriile de cladiri a caror anvelope se īnscriu īn prevederile Normativului C107, se aplica metodologia indicata īn STAS 1907/98. Potrivit acestui act normativ, necesarul de energie termica, calculat īn regim stationar, se stabileste cu relatia:
![]()
īn care:
QT - flux termic cedat prin transmisie, corespunzator diferentei de temperatura īntre interiorul si exteriorul elementului de constructie ce delimiteaza īncaperea, calculat cu relatia:
![]()
![]()
īn care marimile au semnificatia urmatoare:
CM - coeficient de corectie dependent de masa specifica a constructiei rEI = 0,9 Mc/Sc
rEI < 400 kg/m2 - CM = 1
rEI >400 kg/m2 - CM = 0,94
m - coeficient de masivitate al elementelor de constructie exterioare, ce poate fi determinat cu relatia aproximativa:
m = 1,225 - 0,05 D; cu indicele
de inertie termica Dj =
, care este unitar īn cazul particular al zidariei de
caramida plina cu d 37,5 cm (D = 4,5)
si al elementelor interioare indiferent de valoarea indicelui de
inertie al acestora. Pentru elemente neinertiale valoarea acestuia
este m = 1,2.
S - suprafata de calcul a elementului de constructie prin care se considera transferul termic. Pentru elementele neinertiale, aceasta este reprezentata de suprafata golurilor, iar pentru pereti īnaltimea se considera īntre suprafetele finite ale pardoselilor.
ti, te - temperaturile interioare si exterioare de calcul.
Ropt rezistenta termica optimizata a elementului de constructie.
QS - flux termic cedat prin pardoseli asezate direct pe sol, care pentru constructii cu forme regulate se calculeaza cu relatia:
W
īn care marimile au semnificatia urmatoare:
-
- aria cumulata a
pardoselii si peretilor aflati sub cota terenului;
- Sbc - suprafata benzii de contur de latime unitara corespunzatoare perimetrului peretilor exteriori;
-
- suprafata
benzii de contur de latime unitara corespunzatoare
perimetrului peretilor interiori;
- ti, te - temperaturile de calcul interioare si exterioare;
-
- temperatura
interioara de calcul a īncaperilor vecine;
- ts - temperatura īn sol sau a apei freatice, stabilita functie de zona de temperatura;
- ns - coeficient de corectie al conductivitatii solului;
- Rpd - rezistenta termica a pardoselii, pentru care 1/ae
- Rbc - rezistenta termica a benzii de contur, care se stabileste functie de adāncimea apei freatice si adāncimea de īngropare a pardoselii;
Ao - adaos de orientare, care introduce efectul radiatiei solare asupra cladirii. Valorile acestuia se stabilesc pentru cazul cel mai dezavantajat de orientare al īncaperii de calcul.
Ac - adaos pentru compensarea efectului suprafetelor reci, care se stabileste functie de rezistenta termica medie a elementelor delimitatoare, calculata cu relatia:
m2K/W
īn care ST - se va calcula ca suprafata totala a camerei de calcul iar S QT - reprezinta suma fluxurilor termice transferate prin elementele exterioare si interioare.
Qi - sarcina termica pentru īncalzirea aerului infiltrat prin rosturile elementelor mobile si la deschiderea frecventa a acestora, care se determina ca valoare maxima obtinuta din expresiile:
W conditie de ventilare
W conditie de infiltrare normala
conditia de ventilare naturala sau mecanica impune asigurarea unui nivel de ventilare, evaluat prin numarul de schimburi orare (nao), care este normat functie de destinatia camerei.
conditia de
infiltrare normala, ia īn considerare infiltratiile datorate
presiunii vāntului, presiunii termice si a presiunii datorate
ventilarii naturale. Factorul
, introduce tocmai efectul combinat al celor trei
potentiale ce pot determina infiltratiile de aer. Pentru componenta
care se refera la deschideri frecvente (Qu), īn cazuri normale
nu se ia īn considerare, efectul acestor infiltratii fiind contracarat
prin masuri constructive sau instalatii speciale.
4.2.2.Spatii simplu vitrate
Cazul serelor simplu vitrate, beneficiaza de relatii experimentale de forma:
Q = 0,44 S + (0,41 + 1,25 kconv) SF (ti-te) W
īn care:
S -suprafata terenului pe care este amplasata sera;
SF - suprafata geamurilor;
ti, te - temperaturile conventionale de calcul, interioare si exterioare;
kconv - coeficient total de transfer termic prin convectie, prin suprafata vitrata stabilit dupa cum urmeaza:
kconv = keT p n (keT)n-1
W/m2 0C
cu precizarile:
; ![]()
a, i - reprezinta coeficientii superficiali de transfer si respectiv entalpia aerului;
n - coeficient de neetanseitate.
4.2.3. Pierderi de caldura pentru īncaperi partial īngropate
A. Metoda Kissin

Qpd = k1(S1 + 4n) + k2S2 + k3S3 + k4S4 (ti-te)
n - numarul colturilor de suprafata 4 m2
Desi temperatura pamāntului la oarecare adāncime este uniforma si foarte putin influentata de conditiile climatice, pierderile de caldura prin pardoseala din apropierea zidurilor sunt mai mari decāt pierderile prin restul pardoselii.
Ţinānd seama de acest fapt M.I. Kissin a propus sa se determine pierderile de caldura prin pardoseala introducānd īn calcul un coeficient de transmisie termica conventional, īn functie de distanta la peretii exteriori.
Pentru pardoseli reci: ( k1 = 0,4; k2 = 0,2; k3 = 0,1; k4 = 0,06) (beton, mozaic)
Pentru pardoseli calde: (lemn, linoleum, mocheta)

Pentru ziduri exterioare partial īngropate calculul se conduce la fel. Zona 1 considerāndu-se ca īncepānd de la nivelul terenului.
Qpd=mS(ti-te )+![]()
īn care:
S - suprafata totala care se īnvecineaza cu solul (pardoseala si pereti);
te' = 0 .... 50C;
m = f(h, a/b ,S);
ts = 100C.

Q = Qe1
+ Qe2 + Qe5 + S Qa

![]()


Pentru cazul curent al semispatiului j = 0 si L = 0 relatiile sunt mult mai simplificate.
D.Metoda STAS 1907
4.2.4. Pierderi de caldura ale halelor industriale
Necesarul de energie termica aferent acestor categorii de cladiri se poate evalua cu relatiile stabilite la paragraful anterior fata de care se fac urmatoarele precizari:
Rezistenta termica a elementelor inertiale se stabileste functie de structura elementelor omogene si se corecteaza pe baza de nomograme.
Rezistenta termica a elementelor neinertiale (luminatoare) sau plafoane, aceasta se corecteaza functie de factorul "r" ce depinde īnaltimea halei (R0c =R0/r
Coeficientul "E" se stabileste īn conditii particulare pe baza de recomandari.
Pentru hale industriale cu īnaltimi pāna la 8 m necesarul de caldura se stabileste pe baza indicatiilor din STAS 1907 - 68, adica prin utilizarea relatiei:

Este important de semnalat cāteva aspecte ale halelor industriale.

Īn cazul unor hale cu suprafete
exterioare opuse infiltratiile de aer pot fi considerate numai pe o
fatada, deoarece a doua fatada se poate considera īn
depresiune.
Īn cazul īncalzirii cu aer cald, se pot elimina complet infiltratiile de aer daca īncaperea se va afla īn suprapresiune. Deci se va putea considera Qi = 0.
Pentru halele cu īnaltime mai mare de 8 m pierderile de caldura prin transmisie sunt afectate de modificarea coeficientului "k" sau R = 1/k.
Se stie ca ai ac ar. Īn cazul cladirilor foarte īnalte componenta "ar" se micsoreaza foarte mult, putānd fi considerata nula.
ai = 4,05 W/m2 0C - pentru hale fara
; compartimentari,
avānd īnaltimea mai mare decāt
adāncimea īncaperii.
ai = 5,8 W/m2 0C (5,0 kcal/m2h 0C) - pentru hale compartimentate sau pentru īncaperi a caror īnaltime este mai mica decāt adāncimea lor. Important ar mai fi si eventualitatea luarii īn considerare a bilantului de aer īn zona de sedere īn cazul īncalzirii cu aer cald. Modificarile se datoreaza micsorarii lui ar inclus īn ac
4.2.5. Cladiri cu masivitate mare
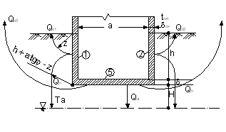
Din aceasta categorie fac parte adaposturile sau alte īncaperi subterane. Datorita faptului ca aceste īncaperi sunt marginite de pereti cu capacitate mare de acumulare a caldurii, pierderea de caldura prin transmisie este practic independenta de regimul de functionare.
Calculul necesarului de caldura se poate face utilizānd metoda propusa de N. Leonachescu de la I.C.B.

Qe
= Qe1 + Qe2 + Qe2 + Qe4 + Qe5
+ Qe6
Qa = Qa1 + Qa2 + Qa2 + Qa4 + Qa5


; j = 1; 2; 3; 4;
5; 6.
![]()
j = 1; 2; 3; 4; 5;
6.
![]()
īn conditiile geometrice:
h
>
sau h > ![]()
H
> ![]()
La aceste tipuri de īncaperi intereseaza mai putin pierderea de caldura furnizat de instalatia de īncalzire, care nu variaza īn limite largi si īn masura mult mai mare variatia temperaturii aerului interior si a elementelor delimitatoare, pentru a se putea stabili durata perioadei de reīncalzire, īnainte de a putea fi folosita īncaperea. Din acest motiv si pentru simplificarea calculelor se considera constant debitul de caldura furnizat de instalatia de īncalzire.
Neglijānd caldura necesara īncalzirii aerului infiltrat se poate scrie:
Q = S KfSF (ti - te) + S SP aP (ti - t0)
ti = temperatura interioara ceruta iar t0 = temperatura interioara de la care īncepe īncalzirea.
kcal/m2h 0C
z - timpul de preīncalzire
- caracteristica
materialului
La constructiile cu pereti extrem de masivi caldura pe care trebuia sa o cedeze corpurile de īncalzire se stabileste astfel:
![]()
4.2.6. Cladiri īnalte
Specifica cladirilor īnalte este aparitia unor factori perturbatori ce influenteaza necesarul de caldura al unei īncaperi īn functie de nivelul la care se afla īncaperea respectiva.
- presiunea vāntului
- presiunea termica (sau efectul de cos)
- ventilarea natural organizata sau ventilarea mecanica
Cercetarile din mai multe tari au relevat importanta cunoasterii variatiei vitezei vāntului cu īnaltimea, aceasta ducānd la o diferentiere sensibila a necesarului de caldura de la etaj la etaj.
Efectul de cos, des īntālnit si la cladiri cu putine nivele, dar neconsiderat īn calcule, produce infiltratii la nivelele inferioare si exfiltratii la nivelele superioare.
Pe de alta parte, existenta ventilarii de evacuare, contribuie sectiunea produsa la majorarea infiltratiilor de aer.
Plecānd de la faptul ca īn general, pentru calculul necesarului de caldura este considerata valabila o relatie de forma:
![]()
![]()
![]()
;
; ![]()
Pentru determinarea debitului de aer infiltrat se vor avea īn vedere urmatoarele:

; ![]()
![]()
Prin suprapunerea efectelor se obtine o noua distributie a diferentelor de presiune (Dpech), functie de care, se calculeaza G*inf si apoi Q*inf.
Īn
standardul 1907, pe baza acestor studii, apare coeficientul E care s-a
obtinut prin raportarea
.
4.3. Necesarul de caldura pentru alte scopuri
Stabilirea sarcinii termice pe categorii de consumatori este importanta atāt pentru alegerea economica a cazanelor cāt si pentru gestionarea energiei termice.
Cazul cel mai general presupune o sursa de agent termic capabila sa asigure simultan 4 categorii de consumatori:
QCT = Qī + Qacm + Qv + Qth ; [kW]
īn care:
QCT - sarcina termica a cazanelor;
Qī - sarcina termica a consumatorilor pentru īncalzire de confort;
Qacm- sarcina termica necesara prepararii apei calde menajere;
Qv - sarcina termica a instalatiilor de ventilare si/sau climatizare;
Qth - sarcina termica a consumatorilor tehnologici.
Necesitatea asigurarii concomitente a celor 4 categorii de consumatori, poate fi pusa īn discutie functie de categoria cladirii care urmeaza a beneficia de serviciile sursei.
Tabel 4.1. Cazuri posibile de cuplaj a consumatorilor
Categoria consumatoruluiClasa cladirii |
S Qī |
S Qacm |
S Qv |
S Qth |
|
Cladiri de locuit individuale sau colective |
O |
O |
|
|
|
Cladiri social culturale |
O |
O |
O |
|
|
Cladiri industriale |
O |
O |
O |
|
consumuri tehnologice specifice unor servicii colective (spalatorii etc)
consumuri tehnologice industriale, asigurate de regula cu abur saturat;
4.3.1. Sarcina termica pentru īncalzire de confort
Necesarul de energie termica pentru aceasta categorie de consum se stabileste īn conformitate cu prevederile STAS 1907/98 cu relatia generala:
Qī
=
; [kW]
Dependenta directa de oscilatiile temperaturii exterioare, face ca aceasta categorie de consum sa fie foarte variabila, pe parcursul unei zile, luni sau a perioadei de īncalzire;
Pentru dimensionarea sursei de agent termic, īn mod special pentru alegerea cazanelor, se va lua īn consideratie curba clasata a sarcinii termice de īncalzire (vezi cap. 2).
Īn cazul instalatiilor de īncalzire mici se poate lucra cu o curba clasata a perioadei de īncalzire, utilizānd temperaturile medii lunare sau chiar cu sarcina termica maxima raportata la temperatura de calcul.

Fig. 3.1. Curba clasata a sarcinii termice de īncalzire

![]()
![]()
Sarcina termica a cazanelor se va putea astfel stabili sa acopere īntreg necesarul de energie termica putānd alege un numar convenabil care īnsa sa asigure exploatarea la randamente maxime.
Pentru sarcini termice mici, cum este cazul cladirilor individuale, sarcina termica de calcul este cea maxima de calcul, care uneori trebuie amendata pentru conditii extreme de calcul.
4.3.2.Sarcina termica pentru ventilare si climatizare
Īn aceasta categorie putem include cāteva categorii tipice de instalatii si anume:
- instalatii de īncalzire cu aer cald,
- instalatii de ventilare de compensare a evacuarilor tehnologice,
- instalatii de climatizare,
Evaluarea necesarului de energie termica pentru primele doua cazuri, porneste de la o analiza a sarcinii termice reale, stabilita functie de evolutia proceselor īn diagrama I - x.

Necesarul de energie termica serveste bateriei de īncalzire a aerului cald pentru care se cunoaste expresia:
QBImax= L cp r (tR-te)
Aceasta poate lucra numai īn regim de aer proaspat (ER) sau īn regim de recirculare (M-R
si
īn acest caz se poate construi o curba clasata care va avea īn
cadranul II, curba
, cu observatia ca temperatura de īntrerupere nu va
fi mai mica de 20°C, pentru a putea satisface conditiile de confort
la refularea aerului cald.
Pentru instalatiile de climatizare se va avea īn vedere ca procesele termodinamice impun si īn sezonul cald o reīncalzire.
Īn principiu aceasta sarcina termica se va analiza cu multa atentie daca se discuta de un cuplaj cu cea de īncalzire, nu rareori proiectantul putānd decide asigurarea acesteia cu surse independente.
4.3.3. Sarcina termica pentru prepararea apei calde menajere
Pentru categoria instalatiilor individuale de mica sau medie capacitate aceasta va fi asigurata optānd pentru una din solutiile:
- preparare locala cu sau fara acumulare;
- preparare centralizata cu sau fara acumulare;
Sarcina termica globala poate fi determinata cu relatia:
Qacm= Gac m x c ( tac - tar ); [ W ]
īn care "G" reprezinta debitul masic de apa rece ce se determina functie de consumurile specifice ale consumatorilor instalati.
Īn cazul prepararii locale fara acumulare, acest debit se va considera egal cu debitul specific al obiectelor cu cel mai mare consum, iar īn cazul adoptarii solutiei cu acumulare vor fi utilizate notiunile din cursul de "Instalatii sanitare".
4.3.4. Sarcina termica pentru nevoi tehnologice![]()
Aceasta se va stabili pe baza temei tehnologice, luānd īn considerare debitele orare si timpii de functionare cu factorii de simultaneitate.
4.3.5.Numarul anual de grade zile
O alta metoda de evaluare a consumului anual de energie termica pentru īncalzire este definita prin calculul numarului anual de grade zile.
Numarul de grade- zile corespunzator unei anumite perioade de īncalzire, (N), se calculeaza cu relatia:
sau
N=(ti-te) z = (tim-tem) z
ti,x- temperatura interioara medie zilnica a īncaperii sau a constructiei īn perioada considerata, conform pct. 2.1.1 (ŗC);
te,x- temperatura exterioara medie zilnica īn perioada considerata, (ŗC);
z- numarul zilelor īn perioada considerata;
ti- temperatura interioara medie a īncaperii sau constructiei, īn perioada considerata, (ŗC);

|