Cuprins
Argumentul..................3
Amplificatoare operationale cu reactie negativa....4
Amplificator inversor...............5
Amplificator neinversor.............11
Multiplicarea cu o constanta.............13
Circuit de insumare ponderata..........16
Protectia muncii.................17
Bibliografie.....................19
Argumentul
Amplificatoarele operationale sunt amplificatoarele de curent continuu cu amplificare mare care permit realizarea diferitelor operatii matematice.
Proprietatile unui amplificator operational ideal sunt:
-amplificarea infinta si independenta de frecventa;
-curentu de intrare egal cu zero
-tensiunea de iesire egala cu zero camd temsiunea de intrare este egala cu zero;
-tensiunea de iesire urmareste instantaneu variatia tensiuni de intrare;
-rezistenta de intrare 18418w224s infinita;
-rezistenta de iesire egala cu zero ;
Desi amplificatoarele operationale se pot realiza cu dispozitive electronice discrete,aparitia circuitelor integrate a facut posibil ca amplificatorul operational sa fie privit ca o componenta electronica de circuit . Pentru utilizarea amplificatoarelor operationale este necesara in primul rand cunoasterea datelor de catalog si numai in al doilea rand cunoasterea modului de realizare.
Realizarea diferitelor operatii matematice se efectueaza cu circuite auxiliare exterioare,conectate convenabil la terminalele amplificatorului. In functie de natura circuitelor externe,operatii matematice pot fi liniare sau neliniare.
1. Amplificatoare operationale cu reactie negativa
Amplificatoarele operationale avand o amplificare mare asigura in majoritatea cazurilor, chiar in prezenta unei reactii negative puternice, o amplificare suficienta.
Se obtin astfel circuite cu performante deosebite.Reactia negativa se realizeaza simplu, conectand intre teminalul de iesire si teminalul inversor un circuit corespunzator scopului urmarit. Pentru ca reactia negativa sa fie posibila, intre sursa de semnal si intrarea amplificatorului se conecteaza un alt circuit, care astfel face parte din circuitu de reactie
Se disting 3 categorii de circuite :
-cele doua circuite care participa la reactie sunt formate numai din rezistente;
-unul din cele doua circuite de reactie contine un element neliniar, iar celalalt circuit este o rezistenta;
-unul din cele doua circuite care participa la reactie contine un condensator (utilizarea bobinelor produce acelasi efect, insa mareste costul circuitului).
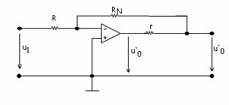
2. Amplificator inversor
Schema acestui circuit este prezentata in figura 1.
Daca curentul de intrare in amplificatorul operational este zero, rezulta :
(1)
. (2)
Daca amplificatorul operational are amplificarea
infinita,
si se obtine :
(3)
Notand cu
Amplificarea circuitului cu reactie se obtine :
(4)
Datorita reactiei negative, amplificarea circuitului nu mai depinde de amplificator, ci numai de circuitul exterior.
Considerand amplificarea
diferentiala finita
si inlocuind
in relatia (1.2) se obtine :
. (5)
Deoarece A este foarte mare,relatia (1.5) devine :
(6)
Fig.1Amplificator Inversor
Notand cu
amplificarea circuitului in acest
caz tinand seama de relatia (1.4), se obtine :
(7)
Erorile absolute si relative, vor fi :
(8)
(9)
Considerand valorile uzuale :
si
,
se obtine
![]()
,
Se observa ca erorile introduse sunt foarte mici datorita amplificarii mari a amplificatorului.Tinand seama si de toleranta rezistentelor, se poate spune ca formula (1.4) da rezultate satisfacatoare.
Influenta modificarii amplificarii se poate deduce diferentiind relatia (10.19) :
(10)
Variatia relativa aamplificarii va fi :
(11)
Considerand variatii mici, rezulta:
(12)
Pentru exemplu considerat se obtine la o variatie a amplficarii
,o variatie
(13)
Cu ajutorul marimii
putem exprima simplu influenta reactiei asupra marimilor caracteristice
circuitului cu reactie.
Astfel eroarea introdusa
datorita amplificarii finite este
, iar variatia relative a amplificarii diferentiale a amplificatorului este
atenuata de g ori in circuitul cu reactie. Evident, este de dorit ca g sa fie
cat mai mare. La un amplificator dat, acesta se poate realiza micsorand
rezistenta
sau marind rezistenta
Rezistenta de intrare 18418w224s a circuitului din figura 1 se poate calcula cu ajutorul relatiei :
(14)
La un amplificator ideal cu
, se obtine :
(15)
Daca amplificatorul are o amplificare finita, rezistenta de intrare 18418w224s creste, insa cresterea este nesemnificativa daca g este mare,
(16)
In exemplele precedente s-a considerat rezistenta de intrare 18418w224s a amplificatorului operational inifinita.
Presupunand ca circuitul din
figura 1 utilizeaza un amplificator operationalcu o rezistenta de intrare 18418w224s
finita
si cu o amplificare A, regula de
insumare a curentilor se poate scrie :
(17)
Tinand seama ca
si procedand analog ca in celelalte cazuri
se obtine :
(18)
Deoarece A este mare,
si relatia se mai poate scrie :
(19)
unde
Considerand exemplul de mai sus si
se obtine
Rezistenta de intrare 18418w224s a amplificatorului
apare ca o rezistenta foarte mare legata in paralel cu rezistenta
- Influenta rezistentei de iesire finite a amplificatorului operational se poate analiza considerand circuitul din figura 2, a pe care-l transormam ca in figura 2, b.

a)

b)
fig. 2. Calcularea rezistentei de iesire.
Aplicand relatia 5, se obtine :
(20)
Dar tinand cont ca :
(21)
se obtine :
(22)
Inlocuind in formula 5, rezulta :
(23)
unde:
![]()
Considerand A =
,
si r = 10 kΩ, mult mai mare decat in
realitate, se obtine
.
Se poate trage concluzia ca rezistenta de iesire finita mareste rezistenta de intrare 18418w224s , dar aceasta marire este nesemnificativa daca amplificarea este suficient de mare. De asemenea, eroarea facuta calculand amplificarea, considerand amplificatorul cu rezistenta interna nula, este sufficient de mica.
Daca la iesirea amplificatorului este conectata o rezistenta de sarcina se pot scrie ecuatiile :
(24)
(25)
Eliminand succesiv
si
se obtine :
(26)
Rezistenta de iesire a circuitului se poate calcula derivand expresia de mai sus :
(27)
(28)
Pentru cazul considerat r = 10
kΩ, A=10
, R
=10 kΩ, R
kΩ, g=1000, se obtine :
(29)
Reactia negativa influenteaza si caracteristica de frecventa a amplificatorului, amplificarea ramanand constanta pana la o frecventa egala cu f`.
Din triunghiul MNP se poate deduce usor :
lgf`-1gf=1g g=1g A-lg A`=lg g (30)
Notand banda de frecventa cu B si respectiv B`, se obtine :
B`=Bg (31)
Banda de frecventa transmisa va fi marita de g ori.
Expresia (30) se mai poate scrie:
BA=B`A`= constant. (32)
Produsul amplificare-banda caracterizeaza comportarea amplificatorului la frecvente inalte si este de obicei indicat in catalog.
3. Amplificator Neinversor
O alta metoda de a realize reactia negativa este prezenta in figura 4.
Presupunand ca amplificatorul
operational are o amplificare infinita rezulta
Se deduce usor :
(33)
si
(33)
adica
(34)
Fig .3. Caracteristica de
frecventa .
Fig. 4. Amplificator neinversor
Avantajul acestui circuit consta
in rezistenta mare de intrare, tensiunea
fiind aplicata direct la intrarea
circuitului.
Considerand amplificarea finita, se obtine succesiv :
(35)
(36)
Procedand ca in paragraful precedent se poate deduce influenta reactiei negative asupra marrimilor caracteristice ale circuitului :
O particularitate a acestiu mod de a realize reactia consta in aparitia unei tensiuni de mod comun
(37)
Datorita tensiunii de mod comun, tensiunea de iesire are expresia :
(38)
Inlocuind se obtine :
(39)
Daca A=
, se obtine expresia (34).
Considerand amplificarea finita, pentru ca eroarea sa fie minima trebuie ca amplificarea de mod comun sa fie cat mai mica sau, astfel spus, rejectia semnalului de mod comun sa fie cat mai mare.
Influenta reactiei negative asupra marimilor caracteristice amplificatoarelor operationale este prezentata in urmatorul table :
|
Marimea caracteristica |
Amplificator |
Amplificator inversor |
Amplificator neinversor |
|
Amplificarea |
A |
|
|
|
Variatia relativa a amplificarii |
|
|
|
|
Banda de trecere |
B |
B`=gB |
|
|
Rezistenta de intrare 18418w224s |
|
|
|
|
Rezistenta de iesire |
R |
|
|
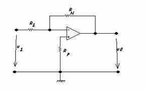
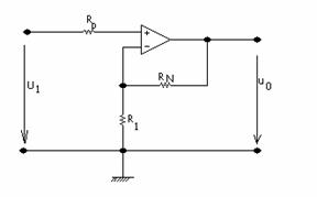
4. Multiplicarea cu o constanta
Aceasta operatie se poate face utilizand circuitele prezentate in figura 3.
Circuitele prezentate in figura 3 , a si c utilizeaza borna inversoare in timp ce circuitul prezentat in figura 3,b ,borna neinversoare.
Rezistentele
introduce in circuite cu rolul de a micsora eroarea introdusa de curentii
de intrare finiti.
Dimensionarea acestei rezistente se face cu formula:
. (40)

a)


b) c)
Fig. 5 . Circuite de multiplicare constanta.
Tensiunile de iesire in primele doua cazuri au valorile:
(41)
(42)
Pentru circuitul prezentat in figura 5, c se calculeazd mai intai tensiunea
(43)
iar apoi cu ajutorul relatiei:
(44)
se obtine:
Relatia. (45) este valabila numai daca rezistenta
nu incarca
divizorul format din rezistentele
si
, conditie usor de indeplinit.
In cazul in care se doreste o amplificare mare, alegerea rezistentelor
si
este dificila in circuitul din fig.5, a, conducand fie Ia valori prea mici
pentru
, fie la valori prea Mari pentru
Aceasta dificultate dispare la
circuitul din figura 5, c care permite alegerea unor rezistente
si
convenabile,
amplificarea putand fi marita cu ajutorul divizorului. Daca in divizor se include
si un potentiometru, amplificarea poate fi variata in limitele dorite.
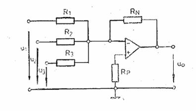
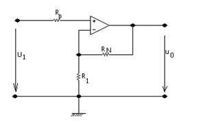
5)Circuit de insumare ponderata
Circuitul este prezentat in figura 6.
Tensiunea de iesire se poate deduce usor, insumand curentii :
(46)
. (47)

Fig. 6 Circuit de insumare ponderata.
PROTECTIA MUNCII
MASURI DE PROTECTIA MUNCII LA UTILIZAREA INSTALATIILOR SI ECHIPAMENTELOR ELECTRICE
Pentru evitarea accidentelor prin electrocutare este necesara eliminarea posibilitati de trecere a unui current periculos prin corpul omului.
Principalele masuri de prevenire la locurile de munca sunt:
-Asigurarea inaccesibilitati elementelor care fac parte din circuitul electric (izolarea electrica a conductoarelor de protectie legate la pamant);
-Folosirea tensiunii reduse (12V, 24V, 36V)pentru lampile su sculele electrice portabile;
-Folosirea mijloacelor individualizate de protectie si mijloacelor de avertizare;
-Deconectarea automata in cazul aparitiei unei tensiuni de atingere periculoasa;
-Separarea de protectie cu ajutorul transformatoarelor;
-Izolarea suplimentara de protectie;
-Protectia prin legare la pamant;
-Protectia prin legare la nul;
MASURI DE PRIM-AJUTOR IN CAZ DE ELECTROCUTARE
In toate cazurile rapiditatea in interventie si in aplicarea primului ajutor este hotaratoare in reusita actiuni de reanimare a accidentatiilor prin electrocutare.S-a apreciat ca sansele de salvare sunt de 95% daca primul ajutor se acorda in primul minut dupa intreruperea respiratiei, de 50% in primele 4 minute si de 1% la peste 6 minute,iar nule dupa 8 minute.
In primul rand trebuie oprita actiunea curentului ielectric asupra victimei scotandu-se de sub tensiune partea de instalatie electrica cu care ea se gaseste in contact.Cand aceasta manevra nu se poate face sufficient de repede, se v-a procede imediat la deconectarea fortata a instalatiei cu mijloace ce se pot improviza insa cu precautiile necesare pentru ca nu cumva salvatorul sa devina victima electrocutari.
Daca accidental a fost surprins lucrand la inaltime, pentru a preveni agravarea vatamarii prin cadere se v-a aseza un asternut din materiale moi in asa fel incat sa se poata amortiza socul produs prin prabusirea victimei.
Bibliografie
1.Indrumar pentru electronisti"Radio si Televiziune vol. 1",Ing.Constantin Gazdaru si Ing. Cezar Constantinescu, editura tehnica, Bucuresti 1986.
2.Cartianu, Gh. Modulatia de frecuenta, Editura Academiei R.S.R Bucuresti 1966
3.Nescsulea, A Electroacustica in sonorizare, Editura tehnica, Bucuresti 1968
4.Apostol F. Ionescu E.-Difuzor-Editura tehnica, Bucuresti 1964
5.Receptorul Stereofonic,Seria radioreceptoare, Ing. Doru Suciu, Editura tehnica, Bucuresti 1972
6.Raitheiser, L. Stereo-Decoder. Funktion und Schaltungstechnik.Munchen, Franzis-Verlag, 1968
|