CIRCUITE DE CURENT ALTERNATIV
4.1. Introducere
Un circuit functioneaza in regim sinusoidal daca toate tensiunile si toti curentii sunt marimi sinusoidale de aceeasi pulsatie. Un astfel de circuit se numeste circuit de curent alternativ (c.a.).
Fie un circuit liniar cu rezistoare cu rezistentele pozitive, bobine cu inductivi 212i83c tatile pozitive, condensatoare cu capacitatile pozitive si in care toate sursele independente sunt sinusoidale de aceeasi pulsatie w. Se poate arata (vezi paragraful 7.4.3) ca un astfel de circuit functioneaza in regim sinusoidal atunci cand timpul care trece de la cuplarea surselor tinde catre infinit. Spunem ca regimul permanent (care se obtine pentru pentru t ) al acestui circuit este sinusoidal. In paragraful 6.5.1 se arata ca daca intr-un astfel de circuit avem un singur element neliniar, regimul permanent, daca exista, este unul nesinusoidal (deformant) in care raspunsul contine componente de pulsatiile 2w w,... Regimul sinusoidal este deci regimul permanent al unei clase de circuite liniare.
Importanta studiului acestui regim este legata de faptul ca energia electrica se produce cu generatoare sinusoidale si se distribuie eficient prin circuite de curent alternativ; in plus foarte multe circuite electronice functioneaza in acest regim.
4.2.Reprezentarea in complex a marimilor sinusoidale
O marime sinusoidala este o functie de timp de forma: y(t) =
Y sin(t +
unde: Y
este valoarea efectiva,
Y este valoarea maxima, este pulsatia si f unde f = 1/T este
frecventa si T este perioada,iar este faza initiala.
Reprezentarea in complex a marimii sinusoidale y(t) =
Y sin(t + j) este numarul complex
unde Y este modulul
numarului complex, j este
argumentul numarului complex, iar
. Evident Y=Ycosj + jYsinj, unde Ycosj este partea reala a lui Y
si Ysinj este
partea sa
imaginara.
Reprezentarea grafica a lui Y in planul complex se numeste fazor.
Proprietati:
a) liniaritatea: ay (t) + by (t) aY + bY cu a,b R
Demonstratie: Este evident ca ay (t) aY . Ramane de aratat ca y + y Y + Y
Fie
si
. Atunci
Notam:

Reprezentarea in complex a lui y(t) va fi:
![]()
b)
derivarea marimii sinusoidale in raport cu timpul:
j Y
Y
cos (t + Y
sin (t +
) Y ej(
= j Y
Exemple:a) Fie marimea sinusoidala y(t) = 120
sin (wt + p/2). Numarul complex
corespunzator este Y = Yejj cu Y = 120
si j p/2, respectiv Y =
120ejp = 120 (
cos p/2 +jsin p/2) = 120j. Daca y(t) = 100
sin (wt + p/4), atunci Y =
ejp =
( cosp/4 +jsinp 50 ( 1+j ).
b) Fie numarul complex Y = 3+4j. Marimea sinusoidala corespunzatoare este y(t) = Y
sin(wt + j) cu Y =
= 5 si j = arctg
4/3 = 580 si deci y(t) = 5
sin (wt +580
)
4.3. Caracterizarea in complex a elementelor de circuit
4.3.1. Elementele dipolare
Se considera un element dipolar de circuit (EDC) avand tensiunea la borne u(t)=
U
sin(wt+ju) si
curentul i(t)=I
sin (wt+ji) respectiv
in complex U=Uejju si I = Iejji unde j ju ji este defazajul intre tensiune si
curent.
Considerand u(t) si i(t) asociati
dupa regula de la receptoare (ca si marimile complexe corespunzatoare U
si I) se defineste impedanta
complexa a EDC ca raportul dintre tensiunea U si curentul I: Z
=
=
unde raportul Z =
este impedanta EDC. Z si Z se masoara in W. Se noteaza Z= R +
jX unde Re=R este rezistenta de
curent alternativ si Im=X este reactanta si deci Z=R + jX =![]()
Se defineste admitanta complexa Y a unui element de circuit ca raportul
dintre curentul I si tensiunea U:
unde Y este admitanta
EDC, G=Re este conductanta EDC si
B=Im este susceptanta EDC. Y
si Y se masoara in Siemens (W
In continuare sunt prezentate elementele dipolare de circuit in c.a. si schemele lor echivalente in complex. Pentru surse u(t) si i(t) se considera asociate dupa regula de la generatoare. Pentru celelalte elemente de circuit u(t) si i(t) se considera asociate dupa regula de la receptoare.
Sursa ideala de tensiune are
tensiunea electromotoare sinusoidala e(t) =
E sin(wt + a). e(t) E=Eeja In figura
sunt desenate sursa si schema ei echivalenta in complex.
Sursa ideala de curent are curentul electromotor is(t) =
Is sin(wt + ß) cu reprezentarea in
complex Is= Eejß si schema echivalenta din figura.
Rezistorul ideal Daca u(t) =
U sinwt atunci
i(t) =
= ![]()
sinwt, U=RI si
deci ZR =R si
rezistorul are schema echivalenta in complex din figura. In schemele echivalente in complex impedantele complexe se simbolizeaza ca niste rezistoare.
Defazajul intre tensiune si curent este j ju ji = 0 si reprezentarea fazoriala a lui U si I este:
Bobina ideala Daca i(t) =
Isinwt atunci
din ecuatia de functionare u(t) = L
=
ILwsin(wt+p/2)
rezulta in complex U= jwLI si deci ZL
= jwL = jXL
,unde XL=wL este
reactanta inductiva a bobinei.
Deoarece j ju ji p / 2 reprezentarea fazoriala a lui U si I este
deci spunem ca bobina ideala defazeaza cu p / 2 tensiunea inaintea curentului (sau curentul in urma tensiunii).
Condensatorul ideal Daca u(t) =
Usinwt atunci
din ecuatia de functionare i(t) = C
=
UCwsin(wt+p/2)
rezulta I= jwC U sau U =
I si deci ZC=
-j
= jXC,
unde XC= -
este reactanta capacitiva a condensatorului.

Deoarece j ju ji p/2 reprezentarea fazoriala a lui U si I este
deci condensatorul ideal defazeaza cu p / 2 tensiunea in urma curentului (sau curentul inaintea tensiunii).
4.3.2. Elementele multipolare
Un circuit de curent alternativ poate contine orice element liniar de circuit. Dintre elementele rezistive multipolare liniare reamintim sursele comandate liniar (prezentate in paragraful 2.1.2) si circuitul echivalent liniar pentru semnale mici al tranzistorului (prezentat in paragraful 2.5.3.3). Prin analogie cu rezistorul liniar, este evident ca o sursa comandata liniar are ca schema echivalenta in complex tot o sursa comandata liniar; de exemplu o SCCC cu ecuatia de functionare is(t)= ßi (t) are ca schema echivalenta in complex o SCCC cu ecuatia de functionare Is= ßI . In consecinta circuitul echivalent liniar pentru semnale mici al tranzistorului are schema echivalenta in complex:
Dintre elementele dinamice multipolare liniare cel mai des utilizat este perechea de bobine cuplate magnetic. Ecuatiile de functionare a doua bobine liniare cuplate magnetic sunt:
u (t) = L
± M
, u (t) = L
± M ![]()
In complex aceste ecuatii devin: U =jwL I ±jwMI U =jwL I ±jwMI
Schema echivalenta in complex contine doua impedante inductive cuplate intre ele. La bornele unei astfel de impedante avem o cadere de tensiune proprie si o cadere de tensiune mutuala. De exemplu

U este formata din caderea de tensiune proprie jwL I si caderea de tensiune mutuala jwMI semnul caderii de tensiune mutuale este + daca curentii I si I ataca la fel bornele polarizate (ambii intra sau ambii ies din aceste borne) sau - daca curentii I si I ataca diferit bornele polarizate (unul intra si celalalt iese din borna polarizata) (vezi paragraful 3.2.4.). Deci de fiecare data cand se scriu ecuatiile circuitului trebuie determinate semnele caderilor de tensiune mutuala.
Aceleasi ecuatii in complex corespund si urmatorului circuit echivalent cu surse de tensiune comandate in curent:

Intr-adevar calculand U ca suma intre caderea de tensiune la bornele impedantei jwL si tensiunea la bornele sursei comandate rezulta U =jwL I ±jwMI O verificare similara se poate face si pentru U In expresiile E si E se considera semnul + daca curentii I si I ataca la fel bornele polarizate si semnul - daca le ataca diferit. Se prefera utilizarea acestui circuit deoarece semnele E si E se stabilesc atunci cand se construieste circuitul echivalent; aceasta operatiune fiind facuta separat de cele implicate de scrierea ecuatiilor, se diminueaza posibilitatea de a gresi.
Daca cele doua bobine cuplate au un nod comun exista un circuit echivalent mai simplu fara surse comandate. Ecuatiile de functionare ale celor doua bobine cuplate sunt: U =jwL I jwMI2 si U =jwL I2 + jwMI Daca in prima ecuatie se aduna si se scade jwMI si in a doua ecuatie se aduna si se scade jwMI se obtin ecuatiile: U =(jwL jwM)I jwM (I I2), U jwL jwM)I2 + jwM(I I carora le corespunde schema echivalenta din figura b .
Acest procedeu se numeste spargerea cuplajului. Daca bornele polarizate sunt atacate diferit de curenti atunci M se inlocuieste cu -M si circuitul echivalent fara cuplaje este:

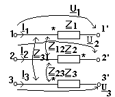
Daca sunt mai mult de doua bobine cuplate intre ele, circuitul echivalent in complex este asemanator. Iata un grup de trei bobine cuplate intre ele si circuitul echivalent in complex al


acestora. Se observa ca I si I intra in bornele polarizate in timp ce I iese din borna polarizata. Ca urmare impedantelor de comanda Z si Z li se va atasa semnul - iar impedantei de comanda Z i se va atasa semnul +.
4.4. Teoremele lui Kirchhoff in complex
Teorema I a lui Kirchhoff este :
si datorita liniaritatii reprezentarii in complex se obtine:
(suma algebrica a curentilor in complex dintr-un nod al unui
circuit este nula).
Teorema a II-a a lui Kirchhoff este:
si similar rezulta
(suma algebrica a caderilor de tensiune complexe la bornele
elementelor de circuit care apartin aceluiasi ochi este nula).
|