MEMORII SEMICONDUCTOARE
Memoriile sunt circuite integrate pe scara larga sau foarte larga destinate inmagazinarii unei cantitati foarte mare de informatie numerica binara.
Tipuri de memorii:
- &n 828b14i bsp; &n 828b14i bsp; ROM - (Read Only Memory) nevolatile (a caror continut se pastreaza si dupa decuplarea tensiuni de alimentare) sunt memorii care in timpul functionarii pot fi doar citite. Inscrierea informatiei intr-o astfel de memorie se face intr-o etapa anterioara folosirii ei printr-o procedura care poarta denumirea de programare,
- &n 828b14i bsp; &n 828b14i bsp; RAM (Random Access Memory sau RWM - Read-Write Memory) sunt memorii volatile (informatia se pierde odata cu decuplarea tensiunii de alimentare) cu acces aleator care pot fi atat citite cat si inscrise in timpul functionarii.
Dupa tehnologia utilizata exista memorii:
- &n 828b14i bsp; &n 828b14i bsp; bipolare,
- &n 828b14i bsp; &n 828b14i bsp; MOS,
- &n 828b14i bsp; &n 828b14i bsp; CMOS,
- &n 828b14i bsp; &n 828b14i bsp; BiCMOS.
Dupa utilizare avem:
- &n 828b14i bsp; &n 828b14i bsp; memorii de program,
- &n 828b14i bsp; &n 828b14i bsp; memorii de date.
Parametrii principali:
- &n 828b14i bsp; &n 828b14i bsp; Timpul de acces la informatia din memorie - durata cuprinsa intre momentul adresarii memoriei si momentul in care informatia memorata in locatia adresata este disponibila la iesire. In general, memoriile bipolare au un timp de acces (zeci ns) mai mic decat cele MOS.
- &n 828b14i bsp; &n 828b14i bsp; Capacitatea memoriei
C = m∙k
unde: m - numarul de cuvinte al memoriei
k - numarul de biti/cuvant.
Capacitatea se exprima biti sau Kb (1024 biti), Mb sau Gb.
I. MEMORII ROM
Memoriile ROM pot fi intalnite in mai multe variante (tipuri):
- &n 828b14i bsp; &n 828b14i bsp; ROM - sunt memorii programate prin masca la producator. Adica informatia se scrie la locul fabricatiei si nu poate fi modificata de utilizator. Utilizatorul este cel care furnizeaza producatorului continutul memoriei. Pe baza acesteia producatorul realizeaza mastile.
- &n 828b14i bsp; &n 828b14i bsp; PROM - sunt memorii programabile la utilizator prin intreruperea sau realizarea unor conexiuni interne folosind un dispozitiv denumit programator.
- &n 828b14i bsp; &n 828b14i bsp; EPROM - sunt memorii programabile care pot fi si sterse la utilizator, acestea fiind practic memorii reprogramabile. Programarea se face electric cu ajutorul unui programator iar stergerea se face prin expunerea la radiatie UV (ultravioleta). Tehnologia folosita este MOS iar capsulele sunt prevazute cu o fereastra de cuart prin care radiatia UV poate patrunde la structura de siliciu.
- &n 828b14i bsp; &n 828b14i bsp; OTPROM - sunt memorii programabile electric folosind tehnologia memoriilor EPROM la care lipseste fereastra de cuart care permite stergerea si reprogramarea ulterioara. Sunt memorii care pot fi inscrise o singura data ca si memoriile PROM.
- &n 828b14i bsp; &n 828b14i bsp; EEPROM - sunt memorii programabile (reprogramabile) care pot fi sterse electric. Aceasta poate fi programata si in timpul functionarii.
Schema de principiu a unei memorii ROM

A0.An-1 - linii de adresa
W0.Wm-1 - linii de cuvant.
D0.Dk-1 - linii de date
Decodificatorul (DCD) decodifica codul de selectie, adresa, locatiei de memorie accesate si activeaza linia de cuvant corespuinzatoare.
Prin activarea liniei de cuvant la iesirea codificatorului (CD) se obtine un cod ce reprezinta tocmai informatia inmagazinata in locatia de memorie corespunzatoare liniei de cuvant activate respectiv codului de adresa aplicat la intrarile de adresa.
In aceasta schema sediul informatiei memorata este tocmai codificatorul CD. DCD poate fi in principiu identic pentru toate memoriile ROM. El nu contine informatia ce urmeaza sa fie citita. Cuvantul binar obtinut la iesirea CD depinde de structura codificatorului.
Deci inscrierea unui continut intr-o anumita locatie se face prin modificarea structurii schemei codificatorului ce corespunde liniei de cuvant respective.
Metode de inscriere a informatiei in codificatorul CD
A. Memorii ROM bipolare
Aceasta categorie de memorii ROM se produce in tehnologie bipolara. Dintre acestea avem:
1. Memoria ROM - programabila prin masca
In acest caz se utilizeaza programarea prin masca. Aceasta se face la producator folosind o lista a cuvintelor ce trebuiesc generate de CD pentru fiecare adresa, data de utilizator. Memoria se produce cu CD nestructurat iar printr-o ultima masca se adapteaza structura CD la cerintele utilizatorului dupa care urmeaza incapsularea memoriei. Continutul memoriei nu mai poate fi modificat de utilizator. Acest procedeu este rentabil numai la un numar foarte mare de bucati.
|
Adresa |
Data |
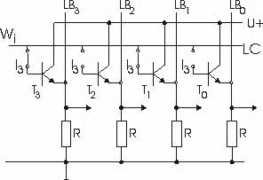
In figura se prezinta o parte redusa din structura CD (cea corespunzatoare unei singure linii de cuvant LC), liniile de bit sunt comune tuturor LC.

Inscrierea lui 1010 se face prin metalizarea
conexiunilor l3 si l1. Astfel bazele tranzistoarelor T3
si T1 sunt legate la linia de cuvant
care atunci cand este activata se afla la nivel 1 logic. Tranzistoarele
lucreaza in regim de repetor si la iesirile Do3 si Do1 avem nivelul 1 logic,
iesirile Do2 si Do0
raman pe 0 logic. Metalizarile conexiunilor l3 si
l1 se realizeaza utilizand o masca adecvata.
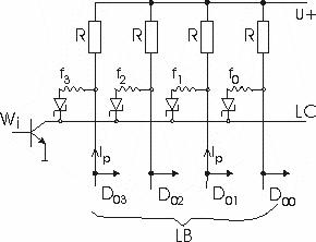
2. Memoriilor PROM
Acestea
sunt memorii standard realizate cu tranzistoare
bipolare, programabile de catre utilizator Utilizatorul foloseste un programator de memorii cu care poate scrie in memorie
informatia dorita, pentru fiecare linie de cuvant. Inainte de
programare (inscrierea informatiei) toti bitii de la iesirea codificatorului CD
sunt pe 0 logic. Programarea se face prin intreruperea (vaporizarea)
unor conexiuni fuzibile prin impulsuri de curent generate in mod corespunzator
de echipamentul de programare. Intrerupand fuzibilul ce
corespunde unei linii de bit, bitul respectiv va trece pe 1 logic daca
este activata (pe 1
logic). Fuzibilul f este format dintr-un strat conductiv cu rezistivitate electrica relativ mare pentru ca la trecerea curentului de
programare fuzibilul sa se poata vaporiza prin efect termic. Curentul de
programare Ip are valori
de ordinul zecilor sau chiar sutelor de mA.
Diodele Schottky evita ramificarea curentului de programare catre fuzibile care nu trebuiesc intrerupte. Rezistentele R servesc la limitarea curentului prin tranzistor. In stare neprogramata iesirile sunt pe 0-logic deoarece R>>rf. O iesire odata programata pe "1" nu mai poate fi reprogramata pe "0". "Zerourile" in schimb mai pot fi programate prin "arderea" in continuare a fuzibilelor corespunzatoare.
Sa presupunem ca dorim inscrierea cuvantului 1010. Pentru
aceasta se selecteaza linia de cuvant
, (
=1) si se aplica la iesirile Do3 si Do1
impulsuri de curent de zeci sau sute de mA
pe un interval de cateva zeci sau sute de ms
care vaporizeaza fuzibilele f3
si f1 intrerupand in acest
fel legaturile respective.
|