LUCRĂRI APLICATIVE GRAFICA
12.1. Recomandari pentru efectuarea lucrarilor grafice
Aplicatiile propuse spre executie sunt ordonate de la simplu la complex, în succesiunea transmiterii si cunoasterii comenzilor CAD necesare pent 424g67e ru rezolvarea aplicatiilor selectate; executia uneia din lucrari necesita însusirea comenzilor folosite pentru executia lucrarilor anterioare si utilizarea altor comenzi, pe care utilizatorul le foloseste în premiera.
Pentru executia unui desen pot fi utilizate o diversitate de comenzi AutoCAD, într-o abordare proprie fiecarui utilizator, ajungându-se la acelasi rezultat prin mai putine sau mai multe secvente de lucru si implicit comenzi AutoCAD accesate. Sesiunile de lucru pentru elaborarea aplicatiilor trebuie sa fie scurte, realizate cu un numar minim de comenzi, cu o durata de utilizare a calculatorului cât mai redusa.
Utilizatorul poate folosi în sesiunile de lucru, dupa necesitati, si alte comenzi de afisare nenominalizate în efectuarea fiecarei lucrari.
Pe parcursul efectuarii lucrarilor, utilizatorul trebuie sa-si salveze partile lucrarii grafice efectuate, sub un nume atribuit, pentru a preîntâmpina "pierderea accidentala", în totalitate, a acumularilor grafice efectuate pâna în momentul salvarii, pierdere care poate fi datorata unei întreruperi nedorite de energie electrica în reteaua de alimentare sau altor cauze imprevizibile.
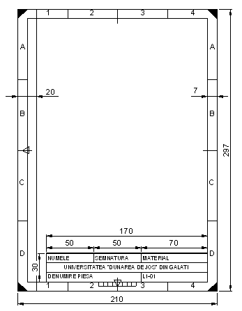
Toate lucrarile de desen se recomanda a fi efecuate pe formate standardizate A4(210x297) mm sau A3(420x297) mm. În acest scop pentru scurtarea timpului efectiv de lucru, fiecare utilizator trebuie, apriori, sa deseneze formatele recomandate, cu elementele grafice corespondente, care sa fie salvate într-un fisier de unde vor putea fi accesate, dupa necesitati, la lucrarile ulterioare. Formatele de desen trebuie sa contina si straturile de lucru necesare.
12.2. Recomandari pentru realizarea straturilor de desenare
Aplicatiile propuse spre executie necesita realizarea urmatoarelor straturi de desenare:
stratul 0, setat implicit, este utilizat pentru trasarea liniilor de contur aparent ale proiectiilor (vederi si sectiuni) cât si a muchiilor vizibile pe vederi si sectiuni;
stratul 1 - AXE este utilizat pentru trasarea axelor de simetrie ale proiectiilor, a axelor golurilor interioare, a cercurilor purtatoare, a traseelor de sectionare s.a.;
stratul 2 - INV este utilizat pentru trasarea muchiilor invizibile din cadrul vederilor si sectiunilor, daca sunt strict necesare pentru întelegerea formei obiectului reprezentat;
stratul 3 - COTE este utilizat pentru trasarea elementelor de cotare (linii de cota, linii ajutatoare, linii de indicatie s.a.);
stratul 4 - HAs este utilizat pentru trasarea liniilor de hasuri;
stratul 5 - POZ-DEPL este utilizat pentru trasarea liniilor de frontiera, a liniilor de contur ale pieselor în pozitii deplasate si extreme, si dupa caz, intermediare; trasarea elementelor suprapuse peste sectiuni;
stratul 6 - IND-TEHN este utilizat pentru indicarea conturului pieselor supuse unor tratamente termochimice.
Tipurile de linii utilizate pentru executia elementelor incluse în fiecare strat de desenare si latimea de trasare a acestora trebuie sa corespunda cu prescriptiile STAS 103-84;
Culorile utilizate pentru reprezentarea elementelor incluse în fiecare strat se aleg, îndeosebi, dintre cele sapte culori de baza din caseta Select Color. Se recomanda alegerea unor culori cu contrast puternic care sa conduca la desene cu un grad de lizibilitate marit.
În tabelul de mai jos sunt selectate tipurile de culori, linii si latimi recomandate a fi utilizate pentru întocmirea desenului unei piese din domeniul constructiei de masini. Evident, alegerea propusa se considera ca ajuta utilizatorul în efortul de citire si interpretare a desenului rezultat, îndeosebi în etapa de autoinstruire. În lucrarile curente, functie de scopul si adresabilitatea acestora, pot fi utilizate si alte tipuri de culori si eventual latimi de linii.
|
Nr. crt. |
Denumirea stratului |
Tip de linie - aspect |
Simbol |
Culoare |
Cod culoare |
Latime de trasare |
|
Continua groasa (Continuous) |
A |
alb/negru (White/Black) | ||||
|
AXE |
Linie punct subtire (Dashdot s=14,15,20; ACAD ISO 10W100) |
G |
Rosu (Red) | |||
|
INV |
Întrerupta subtire (Hidden s=14, 15, 20) |
F/(E) |
Bleu (Cyan) | |||
|
COTE |
Continua subtire (Continuous) |
B |
Violet (Magenta) | |||
|
HAs |
Continua subtire (Continuous) |
B |
Albastru (Blue) | |||
|
POZ-DEPL |
Linie-2 puncte subtire (Divide) |
K |
Verde (Green) | |||
|
IND-TEHN |
Linie punct groasa (Dashdot) |
J |
Albastru (Blue) |
Observatii
Liniile discontinue de tip linie punct cât si liniile întrerupte selectate sub denumirea "Dashdot", "Dashed" si respectiv "Hidden", pentru o afisare corecta, trebuie supuse unor modificari ulterioare cu un factor de scalare adoptat dupa necesitati.
New factor scale <1>: se modifica dupa caz = 7; 12; 15; 20, prin comenzile ulterioare CHPROP sau CHANGE, optiunea Scale.
Straturile astfel create sunt salvate simultan cu desenul si elementele grafice ale formatelor trasate; ele sunt reapelate simultan cu desenul carora le apartin pentru care au fost efectuate.
12.3. Enumerarea aplicatiilor propuse spre rezolvare,
scop urmarit, comenzi noi utilizate
|
Nr. lucrare |
Fig.nr. |
Scop urmarit; comenzi noi utilizate |
|
L1 |
L1-01,02 |
Realizarea straturilor de desenare; Executia elementelor grafice ale formatelor A3, A4 |
|
LAYER; COLOR; LINETYPE; LINEWEIGHT UNITS; LIMITS; ZOOM; GRID; ORTHO; SNAP POINT; Point Style; LINE; RECTANGLE; DIVIDE; OSNAP; PLINE; TEXT; SOLID |
||
|
L2 |
L2-01,02, 03, 04, 05, 06 |
Aplicatii privind utilizarea modurilor de lucru OSNAP; Constructii de paralele, perpendiculare si tangente |
|
OSNAP; EXTEND; TRIM; ARC; CIRCLE; ERASE; CHPROP; PEDIT |
||
|
L3 |
L3-01, 02, 03, 04, 05, 06 |
Utilizarea comenzilor UCS si UCSICON |
|
UCS; UCSICON; POLYGON; ARRAY(R); ELLIPSE DIMLINEAR (H,V); DIMALIGNED; DIMRADIAL; DIMDIAMETER; DIMANGULAR |
||
|
L4 |
L4-01, 02, 03, 04, 05, 06 |
Trasarea conturului aparent prin unirea succesiva a vertexurilor incluse Constructia unei proiectii prin oglindire |
|
MIRROR; OFFSET; FILLET; DIMBASELINE |
||
|
L5 |
L5 |
Executia formelor constructiv-tehnologice ale pieselor prin comenzi repetitive |
|
RECTANGLE; CHAMFER; SPLINE; BHATCH |
||
|
L6 |
L6-01, 02, 03, 04, 05, 06, 07, 08, 09, 10 |
Aplicatii privind reprezentarea si notarea traseelor de sectionare |
|
MOVE; COPY |
||
|
L7 |
L7-01, 02, 03, 04, 05, 06, 07, 08 |
Reprezentarea proiectiilor combinate (jumatate vedere, jumatate sectiune); Executia si notarea traseelor de sectionare si a sectiunilor rezultate |
|
BLOCK; WBLOCK; INSERT |
||
|
L8 |
L8-01, 02, 03, 04, 05, 06, 07, 08, 09, 10 |
Reprezentarea si notarea sectiunilor frânte si în trepte |
|
SNAPBASE; ROTATE |
||
|
L9 |
L9-01, 02, 03, 04, |
Aplicatii privind cotarea continua, fata de o baza de referinta si cotarea prin coordonate |
|
DIMORDINATE; DIMCONTINUE; DIMBASELINE |
||
|
L10 |
L10-01, 02, 03, 04 |
Executia desenelor de profil |
|
BREAK; COPY; SCALE |
||
|
L11 |
L11-01, 02, 03, 04, 05, 06, 07, 08 |
Desene de executie cu prescriptii tehnologice privind notarea rugozitatii, a abaterilor dimensionale si geometrice si a altor conditii tehnice |
|
BLOCK; INSERT; TOLERANCE |
||
|
L12 |
L12-01, 02, 03, 04, 05, 06 |
Aplicatii privind executia desenelor de ansamblu |
|
EXPLODE |
||
|
L13 |
L13-01, 02, 03, 04 |
Aplicatii privind executia desenelor schematice (scheme tehnologice functionale, scheme electrice s.a.) |
|
TEXT; MTEXT; STRETCH; LENGTHEN |
||
|
L14 |
L14-01, 02, 03, 04, 05, 06, 07, 08, 09, 10 |
Desene de executie, recapitulative, pentru evaluarea notiunilor acumulate |
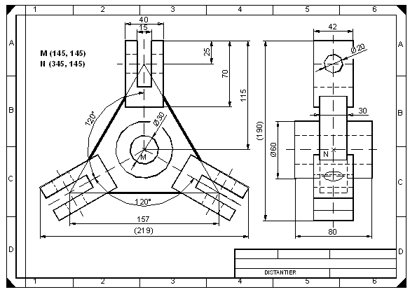
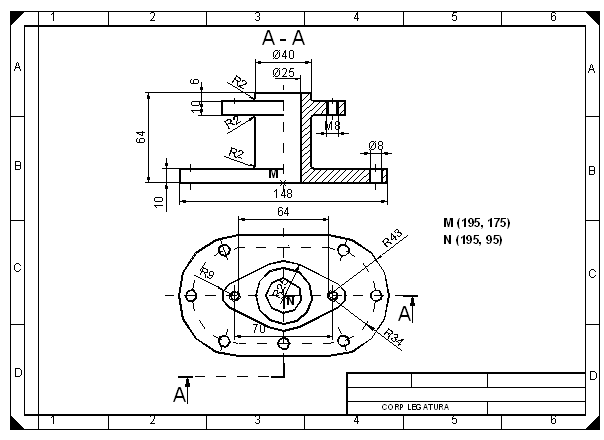
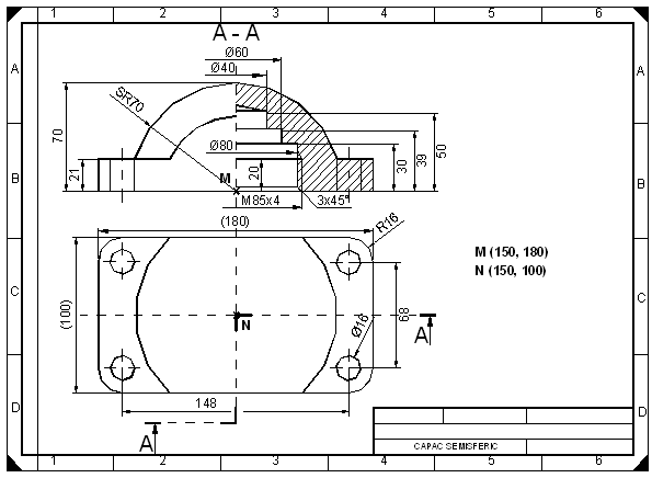
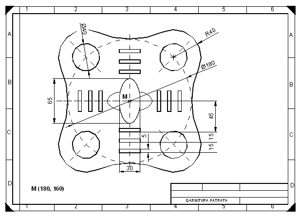
L1-01
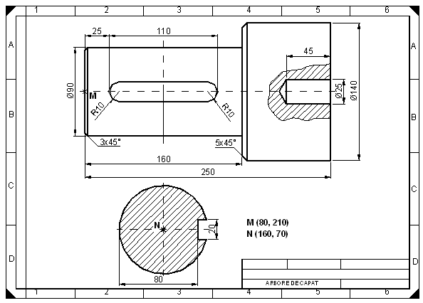
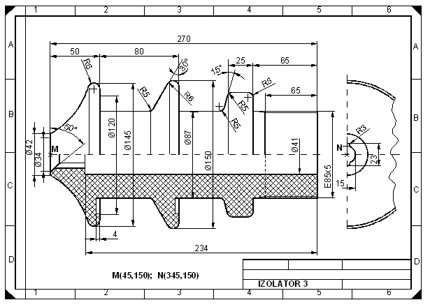
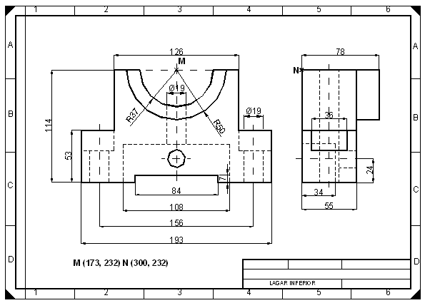
L2-01
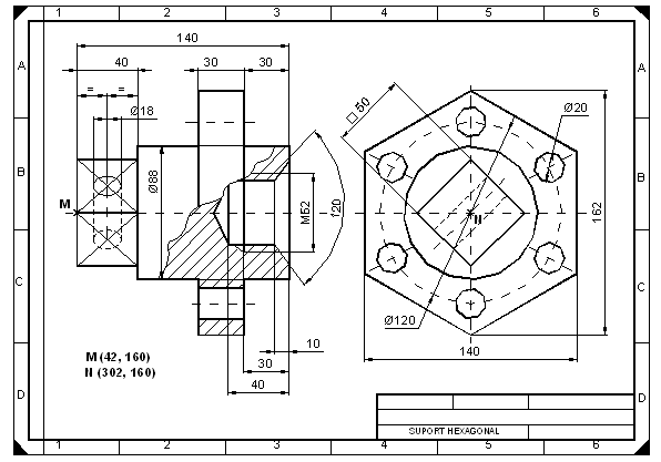
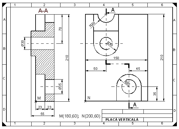
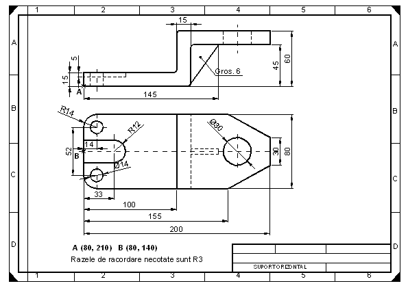
L1-02

1. Sa se determine centrul de greutate al unui triunghi, având vârfurile: A(66, 265); B(97, 185) si C(32, 205).
2. Sa se determine ortocentrul unui triunghi, având vârfurile: A(155, 240); B(195, 265) si C(170, 175).
3. Sa se determine cercul înscris într-un triunghi dat de vârfurile: A(220, 220); B(270, 270) si C(300, 185).
4. Sa se determine cercul circumscris într-un triunghi dat de vârfurile: A(340, 250); B(385, 245) si C(360, 195).
5. Sa se construiasca tangenta comuna interioara la cercurile date de: C1(100, 75);
R1 = 20 si C2(100, 130); R2 = 10. Sa se extinda tangentele astfel construite pâna la o linie imaginara, orizontala.
6. Sa se construiasca tangenta comuna exterioara la cercurile date de: C1(210, 75);
R1 = 25 si C2(210, 130); R2 = 10. Sa se extinda tangentele astfel construite pâna la o linie imaginara, orizontala.
7. Sa se realizeze racordarea cercului de centru de: C(320, 100) si raza R = 25 cu dreapta definita de punctele A(280, 50) si B(400, 50) prin arce de cer de raza 40.
L2-02
1. Fie punctele A(41, 205); B(76, 265) si C(111, 185). Sa se traseze triunghiul ABC prin comanda LINE. Sa se afle pozitia punctului E - centrul de greutate al triunghiului ABC. Sa se gaseasca coordonatele acestui punct (XE, YE), sa se coteze laturile triunghiului prin comanda DIMLINEAR si coordonatele punctelor marcate prin DIMORDINATE.
2. Fie trapezul ABCD definit prin vârfurile A(220, 270); B(280, 270); C(312, 199) si D(201, 199). Sa se afle pe cale grafica si sa se marcheze cu E centrul de greutte al trapezului dat. Sa se înscrie coordonatele acestui punct prin comanda DIMORDINATE.
3. Fie dreptele AB si CD definite prin punctele A(60, 160); B(51, 115), respectiv C(104, 165); D(140, 75). Sa se afle bisectoarea EF a unghiului definit de aceste drepte, fara prelungirea dreptelor.
4. Fie triunghiul ABC definit prin punctele A(149, 129); B(239, 150) si C(188, 19). Sa se construiasca cercul înscris în triunghi si sa se înscrie coordonatee punctului respectiv.
5. Fie triunghiul ABC definit prin punctele A(273, 164); B(363, 186) si C(312, 55). Sa se construiasca cercul circumscris triunghiului si sa se înscrie coordonatee punctului respectiv.
L2-03
L2-04
L2-05
L2-06
L3-01
L3-02
L3-03
L3-04
L3.4
L3-05
L3-06
L4-01
L4-02
L4-03
L4-04
L4-05
L4-06
L5-01
L5-02
L5-03
L5-04
L5-05
L5-06
L5-07
L5-08
L6-01
L6-02
L6-03
L6-04
L6-05
L6-06
L6-07
L6-08
L6-09
L7-01
L6-10
L7-02
L7-03
L7-04
L7-05
L7-06
L7-07
L7-08
L8-01
L8-02
L8-03
L8-04
L8-05
L8-06
L8-07
L8-08
L8-09
L8-10
L9-01
L9-02
L9-03
L9-04

L10-01
L10-02
L10-03
L10-04
|