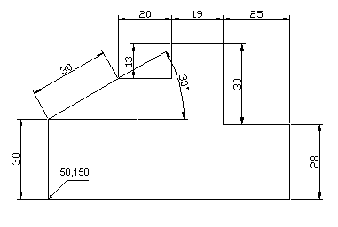
Pe formatul A4 – desenat anterior si existent in dosarul propriu, se va reprezenta conturul piesei de mai jos, pornind din coltul din stanga jo 737g66h s al piesei, avand coordonatele absolute: 50, 150. Cotarea este obligatorie; daca se face, este un element de verificare pentru fiecare elev, asupra faptului, ca datele au fost corect introduse in programul de desenare.

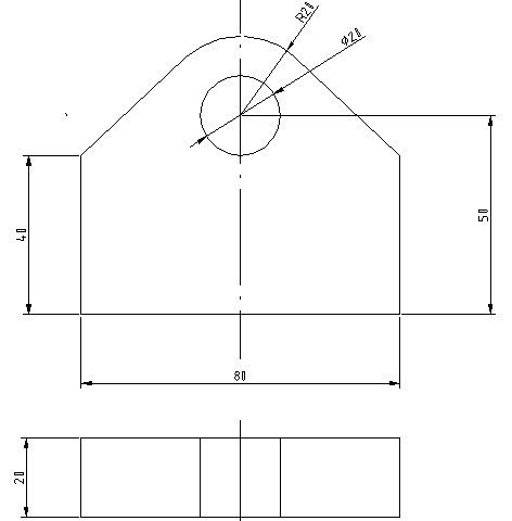
Pe un format A4 se va desena centrat si apoi cota piesa din figura de mai jos, realizata in proiectie ortogonala in doua vederi: in plan vertical cea de sus si in plan orizontal cea de jos.

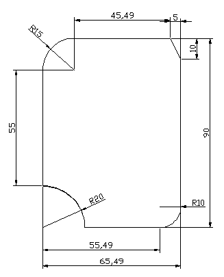
Pe un format A4 se va desena centrat si apoi cota piesa din figura de mai jos. In intentia autorului, cotele afisate de program cu zecimale au fost gandite si introduse la urmatoarele valori: 45, 55, 65 mm. Lucrarea va fi bonificata, daca veti reusi confirmarea de catre sistem a acestor valori, pastrand celelalte cote.

Aplicatia 4
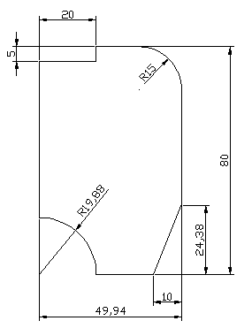
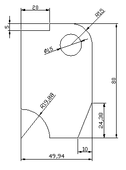
Pe un format A4 se va desena centrat si apoi cota piesa din figura de mai jos. In intentia autorului, cotele afisate de program cu zecimale, au fost gandite si introduse la urmatoarele valori: R20, 24, 50 mm. Lucrarea va fi bonificata, daca veti reusi confirmarea de catre sistem a acestor valori, pastrand celelalte cote.

Pe un format A4 se va desena centrat si apoi cota piesa din figura de mai jos. In intentia autorului, cotele afisate de program cu zecimale, au fost gandite si introduse la urmatoarele valori: R20, 24, 50 mm. Lucrarea va fi bonificata, daca veti reusi confirmarea de catre sistem a acestor valori, pastrand celelalte cote. Desenul poate fi completat – pentru un punctaj superior, cu doua axe perpendiculare, la cercul de Φ 15, desenate cu linie intrerupta cu punct. Ca model vezi desenul de la aplicatia 8.

Aplicatia 6
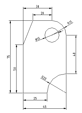
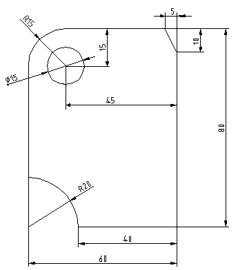
Pe un format A4 se va desena centrat si apoi cota piesa din figura de mai jos. In intentia autorului, cotele afisate de program cu zecimale, au fost gandite si introduse la urmatoarele valori: 24 si 50 mm. Lucrarea va fi bonificata, daca veti reusi confirmarea de catre sistem a acestor valori, pastrand celelalte cote. Desenul poate fi completat – pentru un punctaj superior, cu doua axe perpendiculare, la cercurile de Φ 15 si Φ 20, desenate cu linie intrerupta cu punct. Ca model vezi desenul de la aplicatia 8.

Pe un format A4 se va desena centrat si apoi cota piesa din figura de mai jos. Cota mai putin vizibila – din stanga sus are valoarea 30 mm. Desenul poate fi completat – pentru un punctaj superior, cu doua axe perpendiculare, la cercul de Φ 15, desenate cu linie intrerupta cu punct. Ca model vezi desenul de la aplicatia 8.

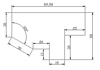
Pe un format A4 se va desena centrat si apoi cota piesa din figura de mai jos. Desenul se va realiza in straturi, folosind culori diferite – ca in model. In intentia autorului, cotele afisate de program cu zecimale au fost gandite si introduse la urmatoarele valori: Φ 41, 56 si 41 mm.

Aplicatia 9
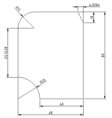
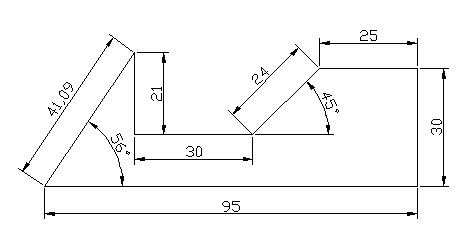
Pe un format A3 se va desena centrat si apoi cota piesa din figura de mai jos. In intentia autorului, cota afisata de program cu zecimale a fost gandita si introdusa la urmatoarea valoare: 14 mm.

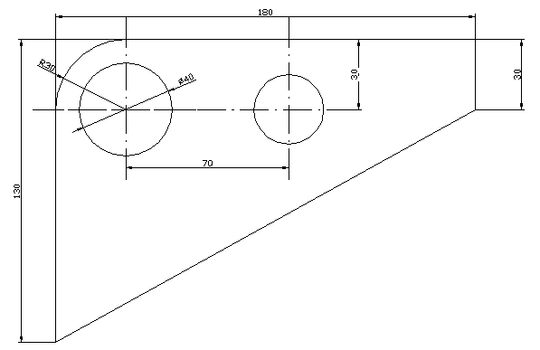
Pe un format A3 se va desena centrat si apoi cota piesa din figura de mai jos. In intentia autorului, cotele afisate de program cu zecimale au fost gandite si introduse la urmatoarele valori: 67 mm si 270. Desenul poate fi completat – pentru un punctaj superior, cu doua axe perpendiculare, la cercul de Φ 50, desenate cu linie intrerupta cu punct. De asemenea mai trebuie pozitionat prin cote centrul cercului – fata de coltul piesei din dreapta jos. Un asemenea model de pozitionare se poate observa la aplicatia 8.

Pe un format A3 se va desena centrat si apoi cota piesa din figura de mai jos. Pentru un punctaj mai bun piesa poate fi lucrata in straturi, astfel incat cotele si axele cu linie intrerupta, sa fie desenate cu culori diferite. Un model se poate vedea la aplicatia 8. In desen s-a scapat la cotare diametrul cercului al doilea care este Φ 30 mm.

Aplicatia 12
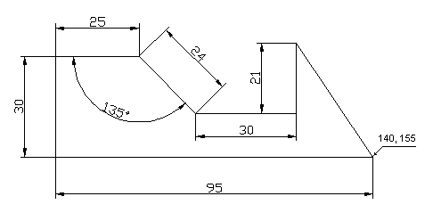
Pe formatul A4 – desenat anterior si existent in dosarul propriu, se va reprezenta conturul piesei de mai jos, pornind din coltul din dreapta jos al piesei, avand coordonatele absolute: 140, 155. Cotarea este obligatorie; daca se face, este un element de verificare pentru fiecare elev, asupra faptului, ca datele au fost corect introduse in programul de desenare.

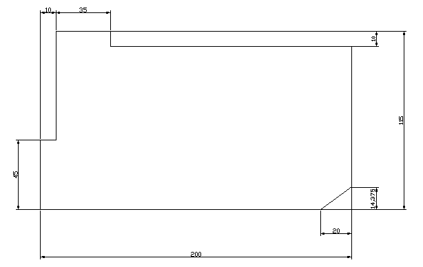
Pe un format A4 se va desena centrat si apoi cota piesa din figura de mai jos. In intentia autorului, cotele afisate de program cu zecimale au fost gandite si introduse la urmatoarele valori: sus 20 mm si jos 90 mm.

Aplicatia 14
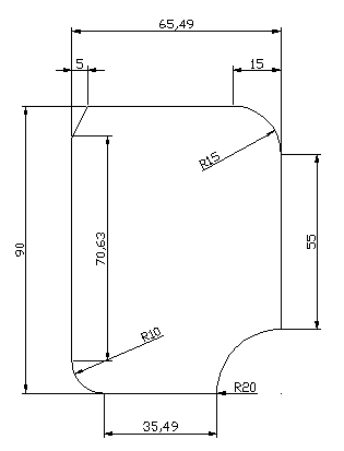
Pe un format A4 se va desena centrat si apoi cota piesa din figura de mai jos. In intentia autorului, cotele afisate de program cu zecimale au fost gandite si introduse la urmatoarele valori: dreapta sus 5 mm si stanga mijloc 45 mm.

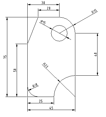
Pe un format A4 se va desena centrat si apoi cota piesa din figura de mai jos. Cotele mai putin vizibile din stanga jos sunt: 50 si R 10. Desenul poate fi completat – pentru un punctaj superior, cu doua axe perpendiculare, la cercul de Φ 15, desenate cu linie intrerupta cu punct (un model se poate observa la aplicatia 8).

Aplicatia 16
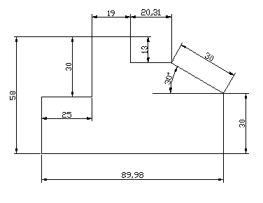
Pe un format A4 se va desena centrat si apoi cota piesa din figura de mai jos.

Pe un format A4 se va desena centrat si apoi cota piesa din figura de mai jos. In intentia autorului, cotele afisate de program cu zecimale au fost gandite si introduse la urmatoarele valori: 10 mm in stanga sus, 20 mm in dreapta sus si 30 mm jos central.

Pe un format A4 se va desena centrat si apoi cota piesa din figura de mai jos. In intentia autorului, cota afisata de program cu zecimale a fost gandita si introdusa la urmatoarea valoare: sus, 90 mm.

Pe un format A4 se va desena centrat si apoi cota piesa din figura de mai jos. In intentia autorului, cota afisata de program cu zecimale a fost gandita si introdusa la urmatoarea valoare: lateral stanga, 41 mm.

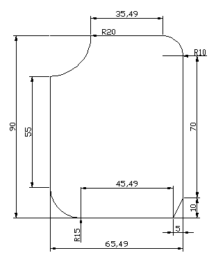
Pe un format A4 se va desena centrat si apoi cota piesa din figura de mai jos. In intentia autorului, cotele afisate de program cu zecimale au fost gandite si introduse la urmatoarele valori: 65 mm sus, 70 mm in stanga si 35 mm jos central.

Pe un format A4 se va desena centrat si apoi cota piesa din figura de mai jos. In intentia autorului, cota afisata de program cu zecimale a fost gandita si introdusa la urmatoarea valoare: lateral dreapta, 41 mm.

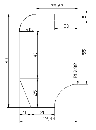
Pe un format A4 se va desena centrat si apoi cota piesa din figura de mai jos. In intentia autorului, cotele afisate de program cu zecimale au fost gandite si introduse la urmatoarele valori: 65 mm si 45 mm jos, 70 mm in dreapta si 35 mm sus central.

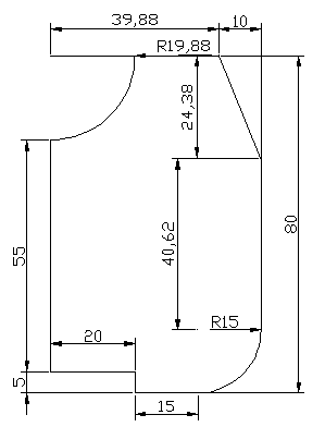
Pe un format A4 se va desena centrat si apoi cota piesa din figura de mai jos. In intentia autorului, cotele afisate de program cu zecimale au fost gandite si introduse la urmatoarele valori: 50 mm jos, raza 20 mm in dreapta si 36 mm sus central.

Aplicatia 24
Pe un format A4 se va desena centrat si apoi cota piesa din figura de mai jos. In intentia autorului, cotele afisate de program cu zecimale au fost gandite si introduse la urmatoarele valori: 40 mm si raza R20 mm sus, in dreapta 40 mm si 25 mm.

|