ACUMULATOARELE
Cauzele
CONDENSATOARELE
SEMNE CONVENTIONALE CABLURI
PRIZELE DE PAMĀNT
SEMNE CONVENTIONALE IN INSTALATII EL. INTERIOARE
Centrale, linii de transport:
Transformatoare, transductoare:
Masini el. rotative;
Aparate de conectare:
Aparate de masurat:
Relee:
Aparate si inst. electrotehnice si electromagnetice:
APARATE DE PROTECTIE
INTRERUPATOARELE EL. DE J, M, SI IT
Relee
Contactoarele
Sigurante fuzibile
Wattmetrele
INTRETINEREA SI REPARAREA ACUMULATOARELOR
|
Fenomenul observat |
Cauzele |
Metode de remediere |
|
Electrolitul iese din vas |
1-nivelul electrolitului este prea ridicat peste placi; 2-capac neetans |
1-scoaterea de electrolit din vas; 2-se etanseaza cu mastic bituminos. |
|
Electrolitul unui element din baterie este sub nivelul celorlalte |
1-vasul spart 2-sulfatare 3-scurtcircuit |
1-inlocuirea vasului 2-tratament de desuflare 3-eliminarea scurtcircuitului |
|
Electrolit cu densitate prea mare |
folosirea gresita a H2SO4 la refacerea nivelului in loc de apa distilata |
scoaterea de electrolit si inlocuirea cu apa distilata |
|
Electrolit cu densitate mai mica la unele elemente ale bateriei |
1-mici pierderi de electrolit neobservate 2-vasul spart 3-sulfatare |
1-corectarea densitatii electr. 2-inlocuirea vasului 3-tratament cu desulfatare |
|
densitatea electrolitului nu creste la valoarea normala la incarcare |
1-scurgere de curent la masa;izolatie defecta 2-polaritate inversata 3-incarcare insuficienta |
1-remedierea izolatiei 2-incarcare cu polaritate normala, urmata de tratament 3-incarcare la valoarea normala si tratament de egalizare |
|
Capacitatea initiala subnormala la un regim de descarcare dat |
1-punerea in functiune incompleta 2-degradarea placilor pozitive 3-functionarea cu nivelul electrolitului sub normal 4-electrolitul de densitate mica |
1-incarcari-descarcari normale cu I constante 2-inlocuirea placilor pozitive 3-refacerea nivelului si tratament de egalizare 4-corectarea densitatii electrolitului |
|
Temperatura de funct. de peste 45 grade |
1-sulfatare 2-scurtcircuit 3-incarcare cu curent prea mare 4-descarcare cu curent prea mare 5-nivelul electrolitic sub normal |
1-incarcari-descarcari normale cu I constante 2-inlocuirea placilor pozitive 3-refacerea nivelului si tratament de egalizare 4-corectarea densitatii electrolitului |
|
Namol in cantitate neobisnuita pe fundul vaselor.Capace bombate ridicate sau smulse |
1-supraincarcare exagerata 2-cresterea in dimensiuni a placilor pozitive. Acid acetic in electrolit 3-explozia gazelor in acumulatoare |
1-reducerea curentului. Curatirea fundului 2-Rc 3-Rk |
|
Tensiunea are valori neobisnuite |
1-sulfatare deosebit de adanca 2-electrolit inghetat |
incarcare, incalzire, eliminarea sulfatarii |
|
Nivelul electrolitului scade prea repede la toate elementele |
1-incarcare cu curent prea mare 2-descarcare cu curent mare |
1-reducerea curentului;controlul incarcarii 2-limitarea curentului daca este anormal |
|
Electrolit colorat |
Impurificari |
Analiza electrolitului si inlocuirea. |
Masa electrolitului: 1,29g/cm cub acumulator incarcat
1,15g/cm cub acumulator descarcat
C - indigene pt. U=380 si500 V sunt C trifazate cu conexiunea in Triunghi si cu o putere unitara de 15 KW; 15 Var sunt construite cu 2 armaturi din foita de Al. infasurate pe ambele fete ale unor benzi de hartie imprimate in ulei si intreg ansamblul este protejat intr-o capsula metalica. C se instaleaza in incaperi uscate cu temp. intre -20 +35 grade fara praf sau agenti corozivi sau explozivi.
fiecare baterie deC va fi prevazuta cu cate un A pt. fiecare faza precum si un V cu comutator pt. a vedea U intre faze.
bateriile de C vor fi prevazute cu rezistente pt. descarcare;
dupa descarcarea bateriei se controleaza in prealabil descarcarea cu un V de cc ; la nevoie se face prin scurtcircuitarea bornelor;
controlul periodic al C se face cel putin o data pe luna;
daca apar zgomote, cresterea U, a temperaturii, se inlatura cauzele scotand de sub U inst.
Simboluri pentru cabluri
A = aluminiu (la inceputul simbolului)
Ab= armatura din banda de otel
Abz= armatura din banda de otel zincata
Al= armatura din sarma lata de otel
Alz= armatura din sarma lata de otel zincata
Arz= armatura din sarma rotunda de otel zincata
B = armatura cu benzi de otel
C = conductor concentric de nul (a 2 litera C din cuprinsul simbolului), cablu, cauciuc iar cand litera este la inceputul simbolului C = cupru
CO=cond. concentric de nul aplicat ondulat
F= cablu cu intarziere la propagarea flacarii (la sfarsitul simbolului despartit prin linioara)
H = hartie
HS=strat semiconductor si ecran metalic comun peste conductoare izolate infuniate
I = invelis de iuta sau invelis ext. de protectie (din mat. fibros impregnat)
M = manta de cauciuc
OA= conductor de nul di otel-Al si de faza din Al (la inceputul simbolului)
P = manta de plumb
SE=la cabluri cu mai multe conductoare strat semiconductor peste fiecare cond. si peste izolatia fiecarui cond. si ecran metalic pt. fiecare cond.
T=conductoare torsadate
Y = material plastic; izolatie, manta sau invelis ext. din PVC
2Y= izolatie, manta sau invelis ext. din polietilena
Exemple:
CYY 2X1,5 - cablu de cupru cu izolatie si manta de material plastic; 2 fire cu sectiunea 1,5
CP 4X2 - cablu de cupru cu izolatie de cauciuc in manta de plimb; 4 fire cu sectiunea 2 mm
ACYY - cablu de aluminiu cu izolatie si manta de mat. plastic
CPBI - cablu de cupru cu izolatie de cauciuc in manta de plumb armat cu invelis de iuta
Conductoare pt. inst. el. fixe:
A = armatura de impletituri de sarma de otel
C = izolatie de cauciuc
CC = cabluri de comanda si control
CS = cabluri de semnalizare
ci = corpuri de iluminat (cand se utilizeaza pt. suspendare nu se mai scrie)
F = cond. pt. inst. fixe
f = flexibil
ff = foarte flexibil
I = rezistent la intemperii
P = punte
p = constructie plata
S = izolatie speciala
s = suspendare
T = impletitura textilelor neimpregnata
Ti = impletitura textilelor impregnata
Y = izolatie sau manta de PVC
2Y = izolatie sau manta din polietilena
Materiale electroizolante si de protectie: se caracterizeaza prin clasa de izolatie adica temperaturile maxime de stabilitate:
Y = (90 grade)
A = (105 grade)
E = (120 grade)
B = (130)
F = (155)
H = (180)
C = (180)
Prize de pamant artificiale formate din tevi OL-ZN (otel zincat) cu diametrul minim 2 toli si lungime 2-3 m montate vertical in pamant, si un electrod din banda de 01 ZN de 40X4 mm patrati asezata orizontal la o adancime de 0,8 m. Solul trebuie sa fie cu rezistenta mica iar daca ro este mare electrozii se imbraca intr-un strat de bentolita cu diam. de 10 ori mai mare ca al electr. iar la inst. de cc se imbraca in mangan batut. Nu se utilizeaza Al, funii de otel pt. impamantare.

Rezistenta la impamantare trebuie sa fie
sub 4 ohmi.
Paratrasnetul sub 1 ohm.
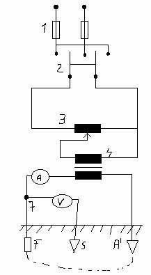
Montaj pt. masurarea rezistentei prizei de pamant:

1-sigurante; 2-intrerupator de reglare; 3-autotransformator de reglare; 4-traf. de separare; 7-presa de separatie pt. verificare.

Deoarece
rez. solului se modifica in timp sau elementele prizei se pot deteriora din
cand in cand trebuie masurata rez. prizei cu montajul din fig. cu metoda A si
V. Avand 2 prize A si S (sonde) priza A la distanta de priza P, iar rez. sa nu
depaseasca 10 ohmi, iar S la mare distanta de cele 2. Sursa de al. se face de
la c.c. printr-un traf. de separare avand in secundar intre 12-64V. Reglarea
lui U si a lui I se face cu autotransformatorul 3, amper. sa fie in amonte.
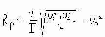
Potentialul prizei este dat de relatia:

Masurarea se face astfel:
se decon. sursa de al. 2, se citeste pe V U=0;
se conecteaza din nou 2 se citeste pe V U1 si valoarea curentului pe A a prisei de pamant;
se inverseaza polaritatea sursei cu inversorul 2, se regleaza I din 3 pana acesta are o anumita valoare apoi se citeste pe V U2 rezultand R. PP. cu relatia:

=
idem cu leg. el.
derivatie
siguranta fuzibila
siguranta bipolara
sir de cleme fol. la diferite montaje aparente din ap. el.
punere la pamant
punere la masa
bransament (leg. el. cu reteaua)
intrerupator unipolar
intrerupator de scara
intrerupator cruce
sonerie el.
buton de sonerie
![]()
priza monofazica
priza cu contact de protectie
motor el. de ca
circuit (linie conducta cu 2 conductoare cu polaritati sau faze diferite)
idem cu 3 conductoare
P = asezare in tuburi de protectie
IP = asezare in tuburi izolate usor protejate
IPE = asezare in tuburi de protectie etanse
t - asezare pe tencuiala (aparent)
St = asezare sub tencuiala (ingropat)
intrerupator bipolar
intrerupator tripolar
comutator
conducta care vine de sus
conducta care merge in jos
C = asezare in canal de cablu
tablou de distributie in general
tablou de distributie capsulat
intrerupator de sarcina in general
intrerupator de sarcina in ulei
curent continuu
curent alternativ
curent pulsatoriu sau redresat
curent continuu si alternativ
a) legatura mecanica
b) daca spatiul disponibil este redus
legare la masa
rezistenta
rezistenta nereactiva
impedanta
impedanta. Semn tolerat
rezistor cu rezistenta variabila
rezistor cu rez. dependenta de U
rezistor cu contact mobil
rezistor cu contact cu pozitie de intrerupere
potentiometru cu contact mobil
potentiometru cu ajustare predeterminata
rezistor cu 2 prize fixe
sunt
element de incalzire
rezistor cu discuri de carbon
rezistenta cu variatie continua
rezistenta variabila cu contact mobil si variatie continua
rezistenta variabila in trepte cu prize
reostat
rezistenta cu variatie neliniara
rez. cu coeficient te temp. negativ (termistor)
bobine
inductanta cu miez feromagnetic
inductanta cu miez feromagnetic si intrefier
inductanta cu prize fixe
inductanta continuu variabila cu miez feromagnetic
a) bobina de reactanta normala
b) bobina de reactanta jumelata
condensator
condensator de trecere
condensator polarizat (de ex. cond. electrolitic)
cond. variabil
cond. cu ajustare predeterminata
cond. diferential ajustabil (la acest cond. C1+C2=const.)
cond. variabil cu 2 armaturi mobile C1=C2
cond. polarizat variabil in functie de temperatura, atunci cand se fol. deliberat aceasta caracteristica (ex. cond. ceramic)
cond. polarizat variabil in functie de U (ex. cond semiconductor)
cutie terminala
traf. cu 2 infasurari separate
traf. 3 fazat cu 2 infasurari separate. Conexiune stea cu punctul neutru accesibil triunghi
autotraf. trifazat conexiune in stea
transf. de curent
tr. de U mono sau bifazat
traf. magnetic (bloc)
element de traductor magnetic
amplificator magnetic
![]()
generator de cc
![]()
motor de cc

G sau M de cc cu excitatie serie
G de cc cu excitatie separata
M de cc cu excitatie in derivatie
G de cc cu excitatie mixta
generator sincron
motor sincron
motor sincron cu rotor in scurtcircuit
MA cu rotor bobinat
contact normal deschis
contact normal inchis
contact cu temporizare la inchidere
![]()
contact cu temporizare la inchidere
contact cu temporizare la inchidere si deschidere
contact comutator cu pozitie neutra
contact comutator fara pozitie neutra
contact comutator fara intreruperea circuitului
contact cu actiune prelungita
contact cu fire de cursa
contact trecator
intr. de inalta U (raportul laturilor 1/1)
intr. automat de inalta U (1/1,5)
intr. automat de JT
contact cu dispozitiv de protectie
a) buton de comanda cu revenire automata cu contact ND
b)
buton de comanda cu revenire automata cu contact ![]()
NI
buton de comanda fara revenire automata
varmetru
turometru (tahometru)
contor de energie activa
contor de energie reactiva
bobina de releu
bobina de releu rapid
a) bobina de releu cu temporizare la actionare
b) bobina de releu cu temporizare la revenire
bobina releului cu intarziere la atragerea si eliberarea armaturii
bobina de releu cu element de semnalizare
bobina de releu polarizat
a) bobina de releu maximal de c
b) bobina de releu minimal de c
a) bobina de releu de U minima
b) bobina de releu de U maxima
organ de comanda a unui releu
pila electrica sau acumulator
baterie electrica sau de acumulatoare
redresor
redresor cu semiconductoare
redresor comandat
grup redresor (redresor + traf.)
convertizor static
siguranta fuzibila
siguranta fuzibila sub U totdeauna
sig. cu contact de semnalizare a topirii fuzibilului
separator cu siguranta
intrerupator separator cu siguranta
hupa (avertizor acustic)
sirena
lampa de semnalizare
lampa de semnalizare cu palpaire
cleme de sir
Generalitati:intr. sunt aparate electrice destinate pt. conectarea si deconectarea circuitelor aflate sub sarcina precum si deschiderea acestora in cazul scurtcircuitelor.
I) Intrerupatoare de JT - cu comutatie manuala:
a) Intrerupatoare cu parghie: utilizate la actionarea motoarelor el., traf. de sudura, polizoare, si ele nu se deschid manual in cazul unui scurtcircuit, nu protejeaza, sunt montate inseriate cu sigurantele fuzibile.
b) Intrerupatoare si comutatoare pachet (PACCO): sunt neautomate si actioneaza motoare mici pana la 3 KW 10 A. Se mai utilizeaza si in circuitele de lumina comutatoarele, intrerup sub sarcina pana la 1,25 I nominal.
c) Comutatoare cu came: se utilizeaza in circuite primare de comanda si realizeaza diferite scheme de circuit.
d) Limitatoare de cursa: utilizate in instalatii de automatizare avand circuitele principale de 25-63-100 A utilizate in scheme ca elemente de protectie.
II) Intrerupatoare automate: realizeaza protectia motoarelor si instalatiilor impotriva
suprasarcinilor si in special a curentilor de scurtcircuit.
Aparate de IT:
Intrerupatoare in ulei putin: IUP-M-10-20KV-630-1000A montate in instalatiile interioare.
Intrerupatoare in ulei putin de m.t IO: pt. instalatii interioare la U=6, 10, 20 KV I=630, 1250, 2500 A.
Intrerupatoare cu ulei putin din seria IUP: 35-40 KV.
Intrerupatoare cu rupere rapida din seria IO: 110-400 KV cu camere de stingere in forma de U si mecanism de bare MOP.
Separatoarele: sunt aparate pt. intreruperea circuitelor el. sub U fara sarcina. Ele separa reteaua el. de partea consumatorilor vizibili; sunt constructiv asemanatoare cu intr. cu parghie si se construiesc pt. I intre 200 si 4000A
Comutatoarele stea-triunghi: servesc pt. comanda pornirii si opririi MA cu rotor in colivie cu rolul de a reduce curentul de pornire. Este aparat manual care la pornire se da pe pozitia stea dupa ce se accelereaza motorul se pune pe pozitia triunghi. Se fol. pt. m de 660/380 si pana la 100A iar peste aceasta valoare se fol. cele automate.
Inversoarele de sens: schibma 2 faze intre ele.
Acestea ajuta la inchiderea si deschiderea intrerupatoarelor si au:
Releul termic: sunt aparate de protectie la suprasarcini, utilizate la motoare electrice; protejeaza la suprasarcini mici 1,2 - 6 A In; se realizeaza fie ca unitati distincte bi sau tripolare, fie ca elemente integrate.
Functionare: au in componenta trei bimetale care la incalzire se dilata incovoindu-se actionand asupra uniu contact normal inchis.


Sunt aparate pt. automatizare si
de comanda. Conecteaza si deconecteaza motoare el., receptoare si permit
actionarea la distanta a consumatorilor prin comanda manuala sau actionata.
Cele mai raspandite au miscare de translatie si au denumirea de AC3 si TCA. Are
contacte normal deschise iar prin punerea sub U a bobinei, armatura mobila se
atrage cupland contactele.
Simbol:
Sunt aparate electrodinamice de cc, c.a. sau de inductie de c.c. Masoara puterea el.
Montaj cu 3 W in circuit cu receptor trifazat dezechilibrat

|