F.1. Clase de sectiuni
Clasificarea sectiunilor transversale se face functie de supletea peretilor sectiunii si de distributia si semnul tensiunilor σ. Prin suplete, se intelege raportul dintre latimea si grosimea peretelui. Aceasta clasificare este necesara pentru a delimita sectiunile care pot avea incursiuni in domeniul elasto-plastic de celelalte sectiuni.
Sunt definite patru clase de sectiuni:
Clasa 1 - sectiuni care permit plastificarea lor si dezvoltarea articulatiilor plastice (rotire sub efort constant), fara aparitia voalarilor, pana la atingerea unghiurilor de rotire plastica admisibile. Este posibila redistribuirea eforturilor in structura, iar calculul se face pe baza teoriei formarii articulatiilor plastice.
Clasa 2 - sectiuni care permit formarea articulatiilor plastice, dar care au o capacitate de rotire plastica redusa si nu permit redistribuirea plastica a momentelor incovoietoare in structura. Calculul eforturilor in structura se face in domeniul elastic.
Clasa 3 - sectiuni in care se pot dezvolta compresiuni in fibrele extreme pana la nivelul limitei de curgere (rezistenta critica de voalare se situeaza la nivelul limitei de curgere), fara a se putea dezvolta insa articulatii plastice. Calculul eforturilor in structura se face in domeniul elastic.
Clasa 4 - sectiuni cu suplete mare la care fenomenul de voalare (caracterizat de rezistente critice cu valori inferioare limitei de curgere) impiedica atingerea limitei de curgere in fibra extrema comprimata. Calculul eforturilor in structura se face in domeniul elastic.
F.2. Supletea peretilor sectiunilor conform claselor de sectiuni
In tabelul F.1 sunt date valorile maxime ale supletilor peretilor barelor functie de forma sectiunii si de distributia tensiunilor.
Tabel F.1.
|
VALORI MAXIME ALE SUPLETII PERETILOR ELEMENTELOR STRUCTURALE METALICE |
|||||||||||
|
Clasa sectiunii |
Modul de obtinere |
Incovoiere |
Compresiune |
||||||||
|
Distributia tensiunilor |
|
|
|||||||||
|
|
Tevi laminate Alte sectiuni |
|
|
||||||||
|
|
Tevi laminate Alte sectiuni |
|
|
||||||||
|
Distributia tensiunilor |
|
|
|||||||||
|
|
Tevi laminate Alte sectiuni |
|
|
||||||||
|
|
fy (N/mm2) |
|
|
|
|||||||
|
|
|
|
|
||||||||
Tabel F.1 (continuare)
|
VALORI MAXIME ALE SUPLETII PERETILOR ELEMENTELOR STRUCTURALE METALICE |
||||||||||||||
|
Clasa sectiunii |
Modul de obtinere |
Compresiune |
Compresiune + Incovoiere |
|||||||||||
|
|
|
|||||||||||||
|
Distributia tensiunilor |
|
|
|
|||||||||||
|
|
Sectiuni laminate Sectiuni sudate |
|
|
|
||||||||||
|
|
Sectiuni laminate Sectiuni sudate |
|
|
|
||||||||||
|
Distributia tensiunilor |
|
|
|
|||||||||||
|
|
Sectiuni laminate Sectiuni sudate |
|
|
|||||||||||
|
|
fy (N/mm2) |
|
|
|
||||||||||
|
|
|
|
|
|||||||||||
Tabel F.1.(continuare)
|
VALORI MAXIME ALE SUPLETII PERETILOR ELEMENTELOR |
||||||||||
|
Clasa sectiunii |
Incovoiere |
Compresiune |
Compresiune + Incovoiere |
|||||||
|
Distributia tensiunii |
|
|
|
|||||||
|
|
|
|
Cand Cand |
|||||||
|
|
|
|
Cand Cand |
|||||||
|
Distributia tensiunii |
|
|
|
|||||||
|
|
|
|
Cand
|
|||||||
|
|
fy (N/mm2) |
|
|
|
||||||
|
|
|
|
|
|||||||
Tabel F.1 (continuare)
|
VALORI MAXIME ALE SUPLETII PERETILOR ELEMENTELOR STRUCTURALE METALICE |
||||
|
|
A se vedea si pct. (c) "Talpi iesite in consola"
Clasa
sectiunii
Compresiune
Distributia
tensiunilor

![]()
(e) Tevi rotunde
sectiunii
Compresiune
Compresiune + Incovoiere
fy (N/mm2)
F.3.1. In figurile F.1, F.2 si F.3 este prezentat modul in care se amplaseaza rigidizarile la barele disipative scurte, lungi si intermediare.

Fig.F.1. Amplasarea rigidizarilor la bara disipativa scurta

Fig.F.2. Amplasarea rigidizarilor la bara disipativa lunga

Fig.F.3. Amplasarea rigidizarilor la bara disipativa intermediara
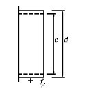
F.3.2. Distantele dintre rigidizari sunt:
in cazul barei disipative scurte: ![]()
pentru θp
= 0,08 rad
pentru θp
= 0,02 rad
in cazul barei disipative lungi: ![]()
a' se determina prin interpolare liniara intre valorile:
In relatiile de mai sus s-au folosit notatiile:
tw - grosimea inimii barei disipative
b - latimea talpii barei disipative
e - lungimea barei disipative
a, a',
,
c, c', d - distante intre rigidizari
(conform figurilor F.1, F.2, F.3)
h (fig. F.6) sunt obtinuti cu relatiile:
(F.1)
(F.2)

Figura F.4 - Raportul lf /L dintre lungimea de flambaj si
lungimea teoretica a unui stalp dintr-un cadru cu noduri fixe

Figura F.5 - Raportul lf /L dintre lungimea de flambaj si
lungimea teoretica a unui stalp dintr-un cadru cu noduri deplasabile
Tabel F.3
|
Caz |
Rigiditatea K a grinzilor in cazul cadrelor cu noduri fixe |
|
|
|
|
|
|
|
|
|
|
|
|
|
Tabel F.4
|
Caz |
Rigiditatea K a grinzilor in cazul cadrelor cu noduri deplasabile |
|
|
|
|
|
|
|
|
|
|
|
|
|

Figura F.6 - Factori de distributie pentru stalpii continui
Pentru structurile cladirilor in cadre rectangulare cu plansee din beton, cu topologia structurii regulata si incarcare uniforma, se pot adopta, pentru grinzi, rigiditatile din tabelul F.5.
Tabel F.5
|
Rigiditatea K a unei grinzi dintr-o structura cu plansee din beton armat |
||
|
Conditii de incarcare pentru grinda |
Structura cu noduri fixe |
Structura cu noduri deplasabile |
|
Grinzi care suporta direct planseul din beton armat |
|
|
|
Alte grinzi incarcate direct |
|
|
|
Grinzi supuse numai la actiunea momentelor de la extremitati |
|
|
gM0, se poate considera grinda articulata in acel punct.
Daca grinzile sunt supuse la eforturi axiale, rigiditatea lor trebuie corectata in consecinta. Pentru aceasta se pot utiliza functiile de stabilitate. O alternativa simpla consta in neglijarea surplusului de rigiditate datorat intinderii axiale si considerarea efectelor compresiunii axiale cu valorilor aproximative prezentate in tabelele F.6 si F.7.
Tabel F.6
|
Caz |
Rigiditatea K a grinzilor in cazul cadrelor cu noduri fixe |
|
|
|
|
|
|
|
|
|
|
|
|
|
|
in care: |
||
Tabel F.7
|
Caz |
Rigiditatea K a grinzilor in cazul cadrelor cu noduri deplasabile |
|
|
|
|
|
|
|
|
|
|
|
|
|
|
in care: |
||
Urmatoarele relatii se pot utiliza ca alternativa la valorile date in diagramele din figurile F.4 si F.5:
(a) cadre cu noduri fixe:
(F.3)
(b) cadre cu noduri deplasabile:
(F.4)
O structura poate fi considerata cu noduri fixe in cazul in care sistemul de contravantuire reduce deplasarile orizontale cu cel putin 80%.
|