|
Alimentator pentru
LED-uri
La afisajele uzuale cu LED-uri, este necesar sa se limiteze curentul pe
segment la circa 25 mA. În mod obisnuit, limitare 18118w2211s a curentului se face prin
rezistente montate în serie. Daca la un indicator cu sase pozitii (segmente)
nu se ia în considerare virgula zecimala, atunci sunt oricum necesare 42 de
rezistente de limitare. În afara de aceasta, luminozitatea, prestabilita prin
curent, nu mai poate fi influentata ulterior. Montajul prezentat aici permite
reglarea luminozitatii într-un domeniu larg. Rezistentele de limitare nu-si
mai au rostul prin utili zarea acestui montaj, astfel încât configuratia
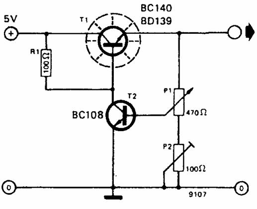
placii se simplifica. Montajul este un simplu stabilizator de tensiune, cu
tensiunea de iesire reglabila. Segmentele indicatoarelor cu LED-uri se gasesc
nemijlocit la iesirea stabilizatorului. Luminozitatea lor depinde de valoarea
reglata a tensiunii. Domeniul de reglaj este totusi foarte îngust, datorita
caracteristicii de sarcina a diodelor LED. Potentiometrele P1 si P2
influenteaza grosier, respectiv fin, tensiunea la iesire, tensiune care
variaza în domeniul 0 ¸ 4,3 V. Înainte de punerea în functiune, se regleaza
tensiunea la minimum, apoi LED-urile pot fi aduse cu atentie la luminozitatea
dorita. La un indicator cu sase segmente, curentul maxim de iesire nu trebuie
sa depaseasca 1A atunci când curentul maximal admisibil pe fiecare segment
este de 25 mA (7 segmente x 25 mA x 6 indicatoare = 1050 mA). Pierderea de
putere ce apare pe tranzistor ne indica ce tip
trebuie ales.


|