Amplificator auto 2 X 18 W RMS cu TDA8210
|
|
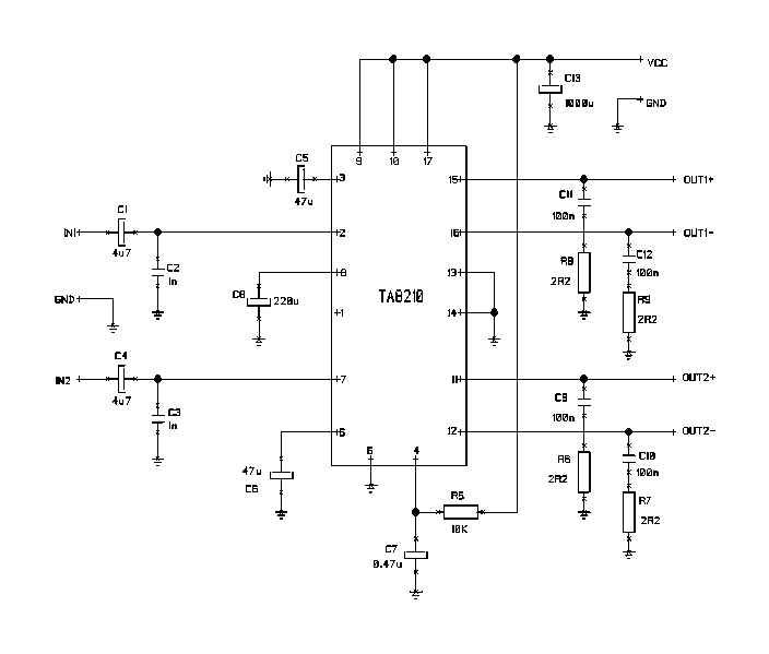
Montajul reprezinta un amplificator audio de putere pentru
aplicatii auto alimentarea montajului fac 19519y247t andu-se la tensiunea nominala de
12Vcc. Tensiunea maxima de alimentare a montajului este de 18Vcc. Circuitul integrat
TA8210 are o sensibilitate mare de intrare ajungand la putere maxima cu un
semnal de intrare de 100mV.
Schema electrica si schema de amplasare a pieselor pe cablaj.


Atentie!
Kitul trebuie montat
cu circuitul integrat pe un radiator adecvat puterii disipate. A nu se depasi tensiunea de 18V pe alimentare altfel
riscandu-se defectarea integratului.
|