sSeminar 11. Analiza circuitelor amplificatoare cu tranzistoare folosind scheme echivalente de semnal mic si frecvente medii
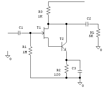
Problema 11.1
Pentru circuitul din figura sa se calculeze Au, Ri, Ro cunoscānd ca tranzistorul T1 are IDSS = 10mA, Up = -2V iar tranzistorul T2 are uBE=0,6V, b

Figura 11.1.1
Rezolvare:
Pentru īnceput se calculeaza valorile pentru uGS si iC corespunzatoare PSF-ului celor doua tranzistoare pentru a putea determina parametrii de regim dinamic ai tranzistoarelor.

Se obtine:
![]()
![]()
![]()


![]()

Schema echivalenta de semnal mic este:


Figura 11.1.2
![]()
![]()
![]()






Avem pentru calculul rezistentei Ro urmatoarea schema echivalenta
(ui


Figura 11.1.3
Deoarece ui = 0 rezulta
![]()

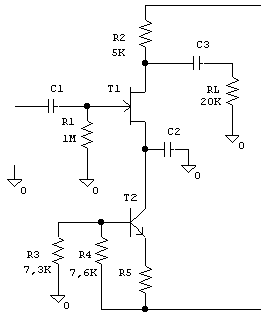
Problema 11.2
Pentru circuitul din figura tranzistorul T1 are IDSS = 9mA, Up = -3V, gm= 2mA/V iar tranzistorul T2 are uBE=0,6V, b
a) Sa se determine valoarea rezistentei R astfel īncāt iD = 1mA.
Sa se calculeze PSF-ul celor doua tranzistoare.
b) Sa se determine Au, Ri, Ro .


Figura 11.2.2
Rezolvare:
![]()
Echivalam Thevenin R3, R4 fata de EE si aplicam apoi Kirchhoff II



![]()
![]()
![]()
Schema echivalenta de semnal mic este:


Figura 11.2.2
![]()
![]()



Avem pentru calculul rezistentei Ro urmatoarea schema echivalenta
(ui


Figura 11.2.3
Deoarece ui = 0 rezulta

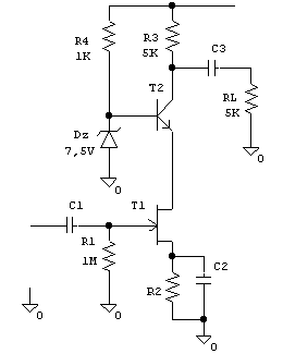
Problema 11.3
Pentru circuitul din figura tranzistorul T1 are IDSS = 8mA, Up = -4V, tranzistorul T2 are uBE=0,6V, b=100 iar dioda Zener are UZo = 7,5V si rDZ = 0 ohm , rdz = 0 ohm .
a) Sa se determine valoarea rezistentei R astfel īncāt iD = 2mA.
Sa se calculeze PSF-ul celor doua tranzistoare.
b) Sa se determine Au, Ri, Ro .


Figura 11.3.1
Rezolvare:

![]()

= 2mA

![]()
![]()

![]()

Schema echivalenta de semnal mic este:


Figura 11.3.2
![]()
![]()
![]()

![]()



Avem pentru calculul rezistentei Ro urmatoarea schema echivalenta
(ui


Figura 11.3.3
Deoarece ui = 0 rezulta
![]()

Problema 11.4
Pentru circuitul din figura tranzistorul T1 are uBE=0,6V, b , gm1=80mA/V, rb`e=2Kohm iar tranzistorul T2 are IDSS = 4mA, Up =-2V, gm= 5mA/V.
b) Sa se determine valoarea rezistentei R astfel īncāt iD = 1mA.
Sa se calculeze PSF-ul celor doua tranzistoare.
b) Sa se determine Au, Ri, Ro .
Pentru circuitul din figura tranzistorul T1 are IDSS = 8mA, Up =-6V, gm1=4mA/V tranzistorul T2,T3 are uBE=0,6V, b , gm2,3=40mA/V, rb`e2,3=5Kohm iar dioda Zener are UZo = 3V si rDZ = 0ohm , rdz =0 ohm .
a) Sa se calculeze PSF-ul celor trei tranzistoare.
b) Sa se determine Au, Ri, Ro .


Figura 11.5.1
|