BOILER CU ACUMULARE PENTRU PREPARARE APA CALDA DE CONSUM MODEL SE-2, cu serpentina confectionat din otel ST37-2, dublu emailat, cu anod de protectie la coroziune, termoizolat.
Puteri cuprinse intre 20 si 74 kW
Volume de la 150 litri la 750 litri

Tip boiler
SE-2-150
SE-2-200
SE-2-300
SE-2-400
SE-2-500
SE-2-750
Q (kW)
Volum (litri)
Debit permanent ACM la Q(kW) debit (litri/h)
C (litri/h)
Racord apa rece A mm
Retur agent termic B mm
Racord sensor temperature C mm
Circulatie D mm
Agent termic tur E mm
A.C..M. F mm
Racord incalzitor electric G mm
Thermostat incalzitor electric H(mm)
Termometru I(mm)
Inaltime totala J(mm)
F ext K(mm)
F rezervor L(mm)
Flansa M (mm)
Racord senzor temperatura (fil. Int.Ø)mm
Record termometru filet interior Rp
Racord apa rece filet interior Rp
Retur agent termic filet interior Rp
Circulatie filet interior Rp
Tur agent termic filet interior Rp
Iesire A.C.M filet interior Rp
Incalzitor electric filet interior Rp
Termostat incalzire electr. filet interior Rp
Termometru Rp
Diametru record flansa (mm)
Suprafata de schimb de caldura (m2)
Continut de apa al serpentinei litri
Pierdere presiune 80/60-10/45ºC ( mbar)
Masa (kg)
Pn (bar)


AMPLASARE: se interzice montarea in locuri supuse pericolului la inghet
RACORDARE LA RETEAUA DE APARECE/ A.C.M.:
-conectarea se f ace in conformitate cu schema de mai sus
-se va proteja cu supapa de supapa de siguranta omologata; garantia este valabila numai cu grup de siguranta WOLF art. 2796175 de ¾" sau art. 2796176 de 1". Se interzice montarea de robinet de izolare intre supapa si boiler.
-nu se admite montarea de filtre sau modificari de sectiune pe conducat de la retea la supapa
-diametrul conductei la supapa de siguranta va fi de minim Dn15-1/2" pt. boilere pina la 200 litri, Dn 20-3/4" pt. boilere de la 200 la 1000 litri.
-conducta de descarcare a supapei la canalizare va indeplini niste conditii minimale: lungimea maxima de 2 m, maxim 2 coturi; la depasirea numarului de coturi se va mari diametrul conductei de descarcare; nu se admit mai mult de 3 coturi la 4 m; conducta se va monta in panta descendenta; canalizarea va avea diametrul dublu fata de conducta de descarcare
-se va monta o placa de avertizare:
A NU SE INCHIDE; SE POATE PRODUCE EVACUAREA APEI IN FAZA DE PREPARARE APA CALDA DE CONSUM !
GOLIREA: se va asigura montarea astfel incit sa se poata goli boilerul fara a ase demonta.
REDUCEREA PRESIUNII: daca presiunera retelei
depaseste 10
FILTRARE: se impune montarea unui filtru micronic pe alimentarea cu apa de la retea.
PIF: montarea si punerea in functiune se va face de instalator autorizat; dupa montare se va face curatarea meticuloasa a tevilor; se umple boilerul cu apa; se deschide un robinet de consummator de A.C.M si se verifica functionarea supapei de siguranta prin purjare.
NOTA:1) modelele SE-2-150... 500 se livreaza cu anod de protectie din magneziu inclus
2) modelul SE-2-750 se livreaza cu protectie contra curentolor vagabonzi.
3) nici un model nu este echipat cu termometru art. 2039052.
ACCESORII:
- SP1- pentru comanda pompei de incarcare pentru SE-2-150... 750, cit si pentru controlerele tip R11- STAV, R31- STAV
-regulatoare- controlere SP1- E4,5pentru comanda pompei de incarcare si a rezistentelor electrice de 4,5 kW pentru SE-1-150... 500.
-regulatoare- controlere SP1- E6,5pentru comanda pompei de incarcare si a rezistentelor electrice de 6 kW pentru SE-1-150... 500.
-rezistente electrice de 2 kW pentru incalzire E2
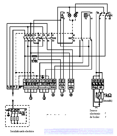
RACORDARE ELECTRICA
Racordare la pupitru cazan tip R11-STAV, R11-SB, R31 STAV

Cablu conectare boiler


|
Alimentare si racordare electrica |
RACORDAREA ELECTRICA PENTRU TERMOSTATUL SP-1 SI REZISTENTELE ELECTRICE DE INCALZIRE SP1-E4,5 SI SP1-E6
K1-contactor de putere K3- contactor comutare
incalzire electrica-pompa incarcare LP F1- siguranta current
comanda H1-lampa semnaliz.
Incalzire electrica H2-lampa semnaliz. funct.
pompa incarcare LP S1-comutator incalzire
electrica/ pompa incarcare LP S2-buton incalzire
electr.(I-a incarcare) T1-termostat incalz.
electr. Sau comanda pompa incarcare LP, daca nu exista sensor electronic 1)retea electrica 2)cablu terrmostat pt.
pupitru R11STAV, R11SB, R31STAV 3)contact EDF pt. ore de
nefunctionare, a nu se conecta nimic 4)fara suntare, nu are loc
nici o incalzire a boilerului la conectarea butonului corespunzator S2 5)perioada de incarcare cu
suntare pina la 4 ore, fara suntare pina la 6 ore 6)racordarea regulatorului
cu compensarea temperatrii exterioare *sa se scoata sunturile in
functie de tipul de instalare

INSTRUCTIUNI DE SERVICE SI INTRETINERE
|
DEFECTIUNEA |
CAUZA |
REMEDIU |
|
Pierderi de apa din boiler |
Flansa neetansa |
Suruburi slabite- se string/ garniture defecta-se inlocuieste |
|
Pierderi de apa din boiler |
Racordurile neetanse |
Garnituri noi |
|
Perioada de incalzire prea lunga |
Temp. agent termic prea mica(se va masura la intrarea in boiler nu la cazan) |
Se va mari temperature de la thermostat sau/ si pupitru cazan |
|
|
Debit de agent termic insufficient(Δt agent termic prea mare, adica temp. de retur prea mica) |
Se va prevedea o pompa de incarcare mai mare. Se va verifica contrapresiunea circuitului de incalzire parallel |
|
|
Serpentina are acumulat aer neevacuat |
Dezaerisiti serpentine daca pompa functioneaza |
|
|
Serpentine incarcata cu piatra |
Se vor curate suprafetele |
|
Temperature A.C.M. prea mica |
Termostatul declanseaza devreme |
Se va mari temperature de declansare |
|
|
Temperature de retur este prea mica |
Se va prevedea o pompa de incarcare mai mare |
|
|
Perioada de noapte prea lunga |
Se va revizui programul-pornirea mai devreme |
WOLF
BOILER VERTICAL CU ACUMULARE SE-2
INSTRUCTIUNI DE MONTARE, UTILIZARE, PUNERE IN FUNCTIUNE SI SERVICE

|