Documente online.
Zona de administrare documente. Fisierele tale
Am uitat parola x Creaza cont nou
 HomeExploreaza
upload
Upload




CONVERTOARE ANALOG NUMERICE CU APROXIMARE SUCCESIVA

tehnica mecanica



CONVERTOARE ANALOG NUMERICE CU APROXIMARE SUCCESIVA




Figura 1


Functionarea schemei

- începutul unui ciclu de conversie este comandat prin semnalul logic SC="1".

- se compara tensiunea de intrare VIN (care se doreste a fi con­vertita într-un numar binar), cu cea furnizata de CN/A (Convertor Numeric/Analogic) la un moment dat. Tensiunea furnizata de CN/A este V0(N) si reprezinta o fractie din VREF conform formulei:



  N este numar binar pozitiv subunitar, având (2n-1) valori posibile, de la 0 pâna la (1-2-n), unde n reprezinta numarul de biti. CN/A folosit este de tipul cu retea divizoare în trepte ponderare binar.

- numarul binar N este produs în RAS (Registrul cu Aproximatii Succesive) sub forma unui cod binar natural:

N = b1b2...bn ,

în care b1 este bitul cel mai semnificativ (MSB), iar bn este bi­tul cel mai putin semnificativ (LSB), aceasta conducând la un nu­mar de forma

N=0,b1b2...bn

RAS functioneaza secvential pe o frecventa fixa f0, produ­când numerele N conform algoritmului aproximatiilor succesive, ce este prezentat în continuare.

- un ciclu de conversie dureaza

TCONVERSIE = n T0 ,

unde T0 = 1/f0 reprezinta durata între doua impulsuri de ceas, iar n este numarul de biti ai convertorului.

- sfârsitul ciclului de conversie, când este disponibil rezul­tatul conversiei forma numarului binar stocat în RAS, este marcat prin semnalul logic FC="1".


Algoritmul de aproximare succesiva

Pentru claritatea expunerii algoritmului, se va considera în explicatii un CA/N de 8 biti.

Dupa comanda de începere a conversiei (semnalul SC="1", care în general poate fi asincron), sincron cu primul front crescator a impulsului de ceas, se comanda înscrierea în RAS, a numarului binar:

N1= 1000 0000 .

Corespunzator acestuia, dupa timpul de propagare prin cir­cuitele logice ale RAS si prin CN/A, apare la intrarea IN- a com­paratoru­lui tensiunea:


Rezultatul comparatiei tensiunilor VIN _i V0(N1) este semnalul logic COMP, de la iesirea comparatorului


La urmatorul front crescator al semnalului de ceas, este memorata valoarea logica a acestei comparatii (c1) în pozitia bitului cel mai semnificativ b1 - aceasta locatie din RAS nu va mai fi modi­ficata în restul ciclului de conversie. Se marcheaza astfel apar­tenenta tensiunii VIN la una din cele doua jumatati ale domeniului analogic [0, VREF] .

Simultan cu acest nou front al semnalului de ceas, este se-tat urmatorul bit, mai putin semnificativ, b2="1". Incepând cu acest moment, circuitul RAS contine numarul binar

N2= c1100 0000 ,

care produce la iesirea CN/A tensiunea continua corespunzatoare


Valoarea acestei tensiuni devine disponibila la intrarea IN- a comparatorului dupa timpul de propagare prin circuitul logic al RAS si prin CN/A. Rezultatul comparatiei tensiunii VIN cu tensiunea V0(N2), în al doilea pas al iterarii algoritmului, este

COMP = c2 ,

care este memorat de aceasta data în pozitia urmatorului bit (b2) mai putin semnificativ fata de cel stabilit anterior. Apoi,la fel ca si la iteratia anterioara, este setat urmatorul bit b3="1".

La începutul urmatorului pas al algoritmului, numarul binar continut în RAS va fi

N3= c1c210 0000

(indicele numarului N semnifica în acelasi timp pasul de apro­xi­mare si indicele bitului ce urmeaza a fi "clarificat").

In acest fel, se continua pâna la stabilirea utimului bit, cel mai putin semnificativ. Pe masura ce creste numarul de biti, se realizeaza din ce în ce mai bine aproximarea

V0(N) VIN .

Prezentarea sintetica a acestui algoritm se face în organigrama urmatoare.






Eroarea de cuantizare ce rezulta în urma parcurgerii acestui algoritm este


Tema

Care este valoarea acestei erori, în cazul folosirii unui CN/A de 12 biti, ce are o tensiune de referinta VREF= 10,24V ?


Algoritmul aproximarii succesive se considera încheiat în momentul în care este decisa valoarea bitului cel mai putin sem­nificativ LSB; în acest moment rezultatul se gaseste memorat în RAS.

Precizia teoretica a CA/N-ului este dictata de doi factori esentiali:

a. numarul de biti ai CN/A;

b. rezolutia comparatorului.

Schema de principiu a machetei de laborator este prezentata în figura 2. Se observa folosirea unui cicuit integrat DAC-08, pentru a implementa CN/A necesar în schema de principiu. Acest circuit integrat este un convertor de 8 biti, cu divizare de curent (referinta de curent a acestui convertor este reglabila din potentiometrul P3 pornind de la o referinta de tensiune rea­lizata pe baza unei diode Zener, UREF=10,4V ). Pentru clari­fica­rea notiunilor referitoare la acest tip de CN/A vezi lucrarea de convertoare numeric analogice. Curentul de iesire furnizat de acest CN/A are expresia:


Acest fapt, precum si alti factori (capacitati parazite, timp de raspuns diferit al comparatorului în functie de amplitudinea saltului de tensiune de la intrare) au impus folosirea unei comparatii în curent în locul celei de tensiune.

In figura 3 se poate observa detaliul din schema generala, ce contine schema de comparare în curent, care este folosita în macheta de laborator.

Figura 3

Comparatorul de tensiune are in­trarea VIN- le­gata la masa (este vorba de masa analogica, ce are un traseu separat de cel al traseului de masa al circuitelor digitale). In acest fel vor fi detectate la intra­rea VIN+ potentiale pozitive sau negative, indiferent de valoarea analogica a acestora. Valoarea acestui potential este


Pentru limitarea variatiilor potentialului din acest punct, se foloseste limitatorul din figura 4.

Figura 4


In acest fel tensiunea de decalaj între cele doua intrari variaza în domeniul












-0,6V < VIN+ < +0,6V,

si se evita astfel fenomenele de "agatare" si "stocare" ce pot apare în comparator (datorita diferentei de tensiune prea mare între cele doua intrari), care influenteaza timpul de raspuns al acestuia. In acelasi timp se elimina si tensiunea de mod comun suportata de comparator (deoarece potentialul VIN- = 0V), tensi­une care ar putea afecta comparatia analogica dintre tensiunea de intrare (VIN-) si cea produsa de CN/A (VIN+).

Deasemenea se reduce constanta de timp de încarcare/descar­care a capacitatii parazite de la nodul [UIN+] deoarece diodele sunt prepolarizate (rezistenta echivalenta a nodului [UIN+] este în acest fel mica, imediat ce UIN+ este diferit de zero).

Schema de principiu a machetei de laborator (figura 2) folo­seste pentru implementarea RAS-ului circuite din familia logica TTL 74***. Pe lânga implementarea schemei bloc descrise anterior, macheta contine si câteva blocuri functionale suplimentare:

- o sursa de tensiune de intrare VIN, reglabila cu precizie din potentiometrii P01(reglaj brut) si P02(reglaj fin), bazata pe aceeasi tensiune de referinta de UREF=+10,4V (în acest fel deriva termica a tensiunii UREF nu afecteaza rezultatul conver­siei, fiind sesizata cel mult de voltmetrul exterior;

- un generator de frecventa de tact f0, reglabila din potentiometrul P1, aferent astabilului corespunzator (realizat folosind o poarta trigger Schmitt), oferind si posibilitatea de a lucra în regim "pas cu pas" sub controlul unor impulsuri de ceas generate manual;

- un circuit de reciclare a masuratorii (SC="1" valideaza reluarea unei noi conversii dupa terminarea celei curente, SC="0" blocheaza o noua conversie dupa terminarea celei curente);

- o sursa de tensiune de referinta VREF, permitând reglajul de cap de scara al CN/A, din potentiometrul P3 (regleaz_ IREF);

- un set de 8 LED-uri, ce indica valoarea numarului binar ce rezulta în urma conversiei, numar transferat din RAS în buffer la sfârsitul ciclului de conversie (în regim "pas cu pas"

buffer-ul poate fi facut "transparent" prin legatura

CLKbuffer=TM - vezi figura 2);

- posibilitatea de a însuma, peste tensiunea de intrare continua (produsa în macheta), o tensiune triunghiulara simetrica din exterior (eventual sinusoidala) - vezi metoda baleiajului.


Caracteristica reala a unui CAN este prezentata în figura 5.



Figura 5

Figura


Erorile ce caracterizeaza aceasta caracteristica de con­ver­sie sunt:

- eroare de zero: caracteristica de conversie nu trece prin origine (figura 6);

- eroare de capat de scara: neîndeplinirea conditiei de rea­lizare a ultimei tranzitii la VIN=10,18V, dupa corectarea erorii de zero (figura 6);

- erori de nelinearitate (figura 7), erori ce ramân dupa co­rectarea celor doua anterioare.

Pentru a studia întreaga caracteristica de transfer a aces­tui CA/N, sunt suficiente masuratori pentru tranzitiile prin­ci­pale:

(N-1) (N) (N+1)

pentru N=2n , n=0...7. Tranzitiile de cod majore apar când la tranzitia (N-1) (N) , un bit de rang superior înlocuieste toti bitii de rang inferior. Un exemplu pentru o astfel de tranzitie principala, pentru N=25, este:

(N-1)=0001 1111b (N)=0010 0000b

Figura 7


Pornind de la schema bloc a CA/N si folosind organigrama care descrie funtionarea algoritmul aproximarii succesive, sa se deseneze, pe baza deducerii teoretice, urmatoarele semnale:

- SC(t) (Start Conversie), daca SC=FC (Fine Conversie);

- VIN+(t), semnalul analocic la intrarea comparatorului;

- COMP, semnalul logic de la iesirea comparatorului;

- bi(t), pentru i=1...8 - se considera b1= MSB;

Cronogramele se reprezinta sincron cu semnalul de ceas, în cazul particular al unei tensiuni de intrare continue, fixata în domeniul:

+0,04V < VIN < +10,20V .

Dupa clarificarea teoretica a functionarii, se alimenteaza macheta de laborator, de la sursa simetrica de tensiune stabilizata +24V/-24V. Osciloscopul se conecteaza astfel:

- CH1 la semnalul SC'=FC (functionare ciclica a CA/N-ului);

- CH2 la intrarea VIN+ a comparatorului, notata "Vcomp" în

figura 2.


Se calibreaza panta caracteristicii de conversie a CA/N, prin reglajul tensiunii de capat de scala. Pentru aceasta se foloseste o tensiune de intrare de valoare (masurata cu voltmetrul electronic):

VIN = +10,18V .

Reglajul propriu-zis se face din potentiometrul P3, astfel încât toate LED-urile sa fie aprinse, cu exceptia celui mai putin semnificativ (LSB), care este la limita aprinderii. Aceasta stare a LED-urilor corespunde tranzitiei din numarul

1111 1110b 1111 1111b

254 255 (zecimal)

Tema

De ce se face reglajul de cap de scara, pentru tranzitia de cuantizare corespunzatoare numerelor 254->255?


Vizualizati pentru tensiunea VIN aleasa la punctul "1", tensiunea VIN+ la intrarea în comparator (punctul marcat Vcomp în schema generala a machetei de laborator, din figura 2). Desenati si explicati imaginea vizualizata, comparativ cu cea obtinuta teoretic, la punctul "1".


Se determina caracteristica statica de conversie a CA/N si erorile acesteia. Pentru aceasta se regleaza frecventa ceasului de conversie f0 la valori mici (din potentiometrul P1, marcat astfel în figura 2). Se aplica tensiuni de intrare VIN alese în mod sistematic, astfel încât sa poata fi caracterizata întreaga caracteristica de conversie, print-un numar minim de masuratori. Alegerea acestor tensiuni este dictata de tipul CN/A-ului folosit. In cazul unui convertor CN/A cu "retea R-2R", sunt importante tranzitiile de cod principale, pentru care se schimba toti bitii codului binar, de la un rang în jos. De exemplu tranzitia


Pentru aceasta se masoara, folosind indicatia celor 8 LED-uri de pe macheta si voltmetrul electronic, tensiunile VIN min(N) si VIN max(N) care prin conversie produc acelasi numar binar N (domeniul de cuantizare pentru numarul N).

Se repeta aceasta operatie, pentru a masura toate domeniile de cuantizare ale numerelor implicate în tranzitiile principale


U(N-1) U(N) U(N+1) , pentru N=2n .


Se masoara totodata si valorile VIN care produc codurile binare corespunzatoare numerelor 132, 144, 192, 254.

Se calculeaza apoi tensiunea centrala a fiecarui domeniu de cuantizare masurat, folosind formula


Pe baza acestor determinari, se reprezinta punctele carac­te­risticii de conversie reale, fata de dreapta celei mai bune aproximatii liniare a acesteia. Parametrii acestei drepte se determina cu urmatoarele formule:





K fiind numarul de puncte masurate.

Folosind aceste rezultate se determina eroarea de zero, eroarea de factor de scara (eroarea de amplificare) si eroarea de neliniaritate.

Tema

Pentru ce valoare de cod (numar), se obtine maximum de neliniaritate ? Sa se verifice experimental.


Determinarea erorilor diferentiale, prin metoda baleia­jului tensiunii de intrare în jurul tranzitiilor.

Se aplica la intrarea în convertor, o tensiune liniar varia­bila UTLV(t), de frecvena joasa (f=10Hz), suprapusa peste tensiu­nea continua de intrare în CA/N-ul studiat.

Se realizeaza astfel "baleierea" caracteristicii de conver­sie, în jurul tensiunii continue VIN fixate. CA/N-ul produce co­duri succesive, corespunzatoare tensiunii instantanee de la in­trare. Pentru ca procesul de conversie sa fie corect, trebuie sa fie îndeplinit regimul cvasi-stationar al tensiunii de intrare VIN. Aceasta conditie impune ca tensiunea liniar variabila, de la intrarea CA/N-ului, sa îndeplineasca urmatoarea conditie:



Tema

De ce aceasta limita ? Ce fenomen apare daca VIN(t) se schimba mai repede?


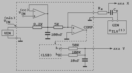
Pentru implementarea acestei metode de masurare a caracteristicii de conversie, se realizeaza montajul din figura 8.

Figura 8

Tensiunea uTLV(t) se aplica pe intrarea X a unui osciloscop, în timp ce pe intrarea Y a acestuia se aplica semnalul VOF. Acesta din urma este rezultatul conversiei digital-analogice realizate de pe ultimii doi biti (cei mai putini semnificativi), ai codului binar produs de CA/N-ul studiat. Folosirea decodarii analogice a starilor dupa ultimii doi biti, permite identificarea usoara a tranzitiilor principale. Se obtin prin aceasta metoda patru nivele distincte de tensiune continua, corespunzator fiecare unei anumite combinatii a ultimilor doi biti din numarul binar produs de CA/N.

Inainte de a fi aplicat pe intarea Y a osciloscopului, acest semnal este integrat cu ajutorul unui condensator de 10nF (vezi figura 2); se obtine astfel o frecventa de taiere, a filtrului trece jos echivalent:


In acest fel sunt mediate abaterile momentane ale pragului de cuantizare.

In acelasi timp


unde m este numarul de tranzitii prinse în imagine, astfel încât raspunsul filtrului sa nu afecteze forma fronturilor.

In functie de amplitudinea vârf-vârf a tensiunii UTLV(t), poate fi "baleiata" o zona mai mare sau mai mica, din carac­te­ristica de transfer a CA/N-ului studiat.

O imagine posibila, obtinuta în cazul baleierii a cinci stari de cuantizare, este ilustrata în figura 9.

Figura 9









Voltmetrul electronic conectat la intrare este sensibil doar la componenta continua a temsiunii de intrare, deci va indica tensiunea în jurul careia se face baleierea cu uTLV(t).

Pozitionând în mod corespunzator spotul în centrul ecranului când uTLV(t)=0 , se obtine o referinta pe "imaginea X-Y", care corespunde totdeauna tensiunii citite pe voltmetrul electronic. Modificând tensiunea continua, se pot determina mai precis ten­siunile VIN min si VIN max , determinate la punctul 2.4 din des­fasurarea lucrarii.

Prin aceasta metoda, poate fi determinata precis eroarea de neliniaritate diferentiala a oricarei tranzitii, precum si eroarea aleatoare de prag de cuantizare (apare la frontiera a doua domenii de cuantizare adiacente).

Tranzitia pe ecran între doua paliere alaturate nu este ver­ticala, ci o curba continua, distanta verticala fata de pa­lierul treptei fiind proportionala cu probabilitatea de apa­ritie a co­dului treptei vecine ( acest efect apare datorita medierii, mai multor masuratori rapide, pe condensatorul de 10nF, de la iesirea aplicata pe "axa X" a osciloscopului, notata VOF în figura 2

Tema

Ce imagine s-ar obtine pe ecranul osciloscopului în absenta capacitatii de integrare de 10nF, conectata la iesirea VOF ?





Document Info


Accesari: 6890
Apreciat: hand-up

Comenteaza documentul:

Nu esti inregistrat
Trebuie sa fii utilizator inregistrat pentru a putea comenta


Creaza cont nou

A fost util?

Daca documentul a fost util si crezi ca merita
sa adaugi un link catre el la tine in site


in pagina web a site-ului tau.




eCoduri.com - coduri postale, contabile, CAEN sau bancare

Politica de confidentialitate | Termenii si conditii de utilizare




Copyright © Contact (SCRIGROUP Int. 2025 )