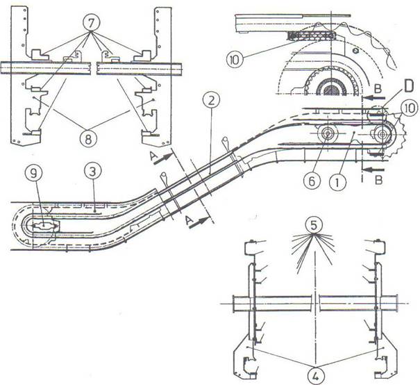
Caile de rulare
1.Descriere si mod de functionare .
Caile de rulare se compun din 3 corpuri :
blocul de sina al statiei de actionare (1) ,com 949g68j pusa din placile laterale (4) cu caile de rulare (5) pentru rolele de lant si treapta si ghidare mana curenta .
partea centrala (2) ,caile de rulare din otel (7)sunt montate pe nervurile (8) care sunt pozitionate in grinda cu ajutorul dispozitivelor de fixare .
blocul cale de rulare din statii de intindere (3) aceeasi constructie ca a blocului de cale rulare din statia de actionare , in plus continand sania de intindere (9) pentru tensionarea lantului de trepte .

1.blocul sinei statiei de actionare
2.partea centrala , 3.placile laterale
4.blocul de sina , 5.cale de rulare
6.actionare mana curenta
7.sine partea centrala
8.nervuri
9.sanie de tensionare
10.sina tangentiala
2.Intretinere . Verificarea starii sinelor tangentiale .
Sina tangentiala (10) trebuie sa fie absolut la acelasi nivel cu partea de jos a rotii lantului treptei .Se verifica cavitatea punctului de lovire a rolelor de lant .Adancimea maxima permisa a cavitatii 0,5 m
|