Seminar 10. Circuite amplificatoare cu FET si bipolare. Analiza la frecvente medii si semnal mic.
Simbolurile tranzistoarelor cu efect de cāmp sunt:

La frecvente medii si semnal mic schema echivalenta pentru tranzistoarele cu efect de cāmp este prezentata īn figura 10.0b.

Unde s-au utilizat notatiile:
pentru panta
tranzistorului
pentru rezistenta
drena-sursa a acestuia
Pentru tranzistoarele din catogoria A (vezi figura 10.0a) dependenta curentului de drena functie de tensiunea uGS este:

si de a 333y2420d ici expresia pantei:

Relatie in care uGS este tensiunea grila-sursa din punctul static de functionare.
Pentru tranzistoarele cu efect de cāmp cu canal indus (categoria B din figura 10.0a) dependenta curentului de drena fubctie de uGS este data de:
![]()
iar gm va fi:
![]()
Īn general, panta tranzitorului cu efect de cāmp (gm) are valori cuprinse īn intervalul 1mA/V..10mA/V, mult mai mica decāt la tranzistoarele bipolare. Rezistenta drena-sursa are valori de zeci-sute de kW si din acest motiv īn majoritatea situatiilor ea poate fi eliminata rezultānd astfel modelul simplificat:

Deasemenea, schemelor echivalente si rezolvarea circuitelor cu tranzistoare FET comporta aceleasi reguli ca la trenzistoarele bipolare (vezi seminar 9).
Sa se calculeze amplificarea de tensiune AU=uo/ui, Ri si Ro. Se dau IDSS=8mA, uP=-4V, uBE=0,6V si b
Figura 10.1a
Pentru a putea determina parametrii din modelul tranzistoarelor se calculeaza mai īntāi PSF-ul acestora.
Pentru tranzistorul T1:

si īnlocuim valorile numerice si obtinem ecuatia:
iD2-10iD+16=0
iD1=8mA uGS=-8V
iD2=2mA uGS=-2V valoarea corecta
Pentru iD1=2mA din ochiul marcat īn figura 10.1a se poate scrie:
iDRL=uBE+iCR3 iC2=1,4mA
si atunci parametrii corespunzatori modelului simplificat sunt:

si

Schema echivalenta a circuitului din figura 10.1a este:

Calculul amplificarii de tensiune.

Amplificarea este practic data de primul tranzistor montat in repetor pe sursa, T2 avānd o amplificare foarte aproape de 1.

Calculul rezistentei de intrare:
![]()
Calculul rezistentei de iesire:
![]()
Figura 10.1c
unde:

Deci apare un sistem coplicat de relatii si atunci ne folosim de rezultate cunoscute:
la un repetor pe sursa, rezistenta de iesire este:
![]()
la un repetor pe emiter, rezistenta de iesire este:

Figura 10.1d
si atunci:
(o rezistenta foarte mica)
Ro1 W este rezistenta de iesire a repetorului pe sursa, de aici rezulta logica conexiunii celor doua tranzistoare: ansamblul are impedanta de intrare si amplificarea ca la FET, iar retistenta de iesire ca la bipolare.
Problema 10.2
Pentru circuitul din figura 10.2a sa se calculeze amoplificarea de tensiune Au, Ri si Ro. Tranzistoarele au datele:
T1: IDSS=10mA; UP=-2V
T2:uBE=0,6V; b

Rezolvare:
La īnceput se calculeaza iD1, uGS, iC2 pentru a calcula parametrii de regim dinamic ai tranzistoarelor.

si atunci:

Schema echivalenta la semnal mic si frecvente medii:


Observatie:
Avānd un etaj cu un singur tranzistor cu efect de
cāmp se poate realiza o amplificare
, unde RS - rezistenta sin sursa.
Adaugānd tranzistorul T2 realizam o crestere echivalenta a pantei tranzistorului T1 de (1+b) ori. Deci realizam un tranzistor FET cu panta de tranzistor bipolar.
Calculul rezistentei de intrare:
![]()
Calculul rezistentei de iesire:
Pentru a determina RO se deseneaza schema echivalenta a circuitului pentru ui=0. Daca ui=0 uGS=0 si ub'e=0 si atunci gm1uGS=0 si gm2uGS=0, deci circuitul echivalent este:

Problema 10.3
Pentru circuitul din figura 10.3a sa se calculeze amplificarea de tensiune, rezistenta de intrare si rezistenta de iesire.
Figura 10.3a
Parametrii tranzistoarelor sunt:
T1: IDSS=4mA; UP=-4V;
T2, T3 b=200, uBE=0,6V.
DZ: uZ=3V; rz=0
Rezolvare:
Calculul PSF al tranzistoarelor:
UGS=-uZ=3V

iD1=iE2 iC2 (neglijānd curentul de baza al lui T2)
EC=iC2R5+uBE2+iC3R6 (neglijānd curenttii de baza a lui T2 si T3)
![]()
si atunci:

Schema echivalenta:


Īnlocuind succesiv obtinem:

si

Rezistenta de intrare:
![]()
Pentru rezistenta de iesire:
, atunci circuitul echivalent va fi:

Figura 10.3c

Pentru circuitul amplificator din figura 10.4a se cer:
PSF al tranzistoarelor
Amplificarea īn tensiune (AU), rezistenta de intrare (RIN) si rezistenta de iesire (ROUT).
Se cunosc pentru T1: IDSS=8mA UP=-4V
pentru T2: UT=25mV, b=200, uBE=0,6V
Figura 10.4a 
Raspuns:
PSFT1: (2mA; 9V) PSFT2: (3,4mA; 11,6V)
AU=0,356; RIN=1MW; ROUT=17W
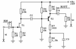
Pentru circuitul amplificator din figura 10.5a se cer:
PSF al tranzistoarelor
Amplificarea īn tensiune (AU), rezistenta de intrare (RIN) si rezistenta de iesire (ROUT).
Se cunosc pentru J1: IDSS=4mA UP=-2V
pentru Q2: UT=25mV, b=200, uBE=0,6V
Figura 10.5a 
Raspuns:
PSFJ1: (1mA; 13V) PSFQ2: (1,36mA; 10,4V)
AU=-20; RIN=1MW; ROUT=100W
Pentru circuitul amplificator din figura 10.6a se cer:
PSF al tranzistoarelor
Amplificarea īn tensiune (AU), rezistenta de intrare (RIN) si rezistenta de iesire (ROUT).
Se cunosc pentru T1: IDSS=4mA UP=-4V
pentru T2: b=200, uBE=0,6V
Figura 10.6a 
Raspuns:
PSFT1: (1mA; 12V) PSFT2: (1mA; 18,6V)
AU=-0,57; RIN=1MW; ROUT=33,78W
Pentru circuitul amplificator din figura 10.7a se cer:
PSF al tranzistoarelor
Amplificarea īn tensiune (AU), rezistenta de intrare (RIN) si rezistenta de iesire (ROUT).
Se cunosc: pentru T1: IDSS=4mA UP=-4V; pentru T2: b=200, uBE=0,6V

Raspuns:
PSFT1: (1mA; 12V) PSFT2: (3mA; 9,6V)
AU=2,34; RIN=1MW; ROUT=3kW
Pentru circuitul amplificator din figura 10.8a se cer:
PSF al tranzistoarelor
Amplificarea īn tensiune (AU), rezistenta de intrare (RIN) si rezistenta de iesire (ROUT).
Se cunosc IDSS=9mA UP=-3V
Figura 10.8a
Raspuns:
PSFT1: (4mA; 3V)
AU=-2,27; RIN=1MW; ROUT=2kW
Pentru circuitul amplificator din figura 10.9a se cer:
PSF al tranzistoarelor
Amplificarea īn tensiune (AU), rezistenta de intrare (RIN) si rezistenta de iesire (ROUT).
Se cunosc pentru T1: IDSS=9mA UP=-3V
pentru T2: UT=25mV, b=200, uBE=0,6V
Figura 10.9a
Raspuns:
PSFT1: (4mA; 2V) PSFT2: (10mA; 9,6V)
AU=171,4; RIN=1MW; ROUT=500W
|