Conducerea de la distanta a minirobotilor cu deplasari autonome
The remote control of autonomous motions minirobots
Articolul prezinta o modalitate de comanda de la distanta a unui minitobot cu deplasari autonome. Fiind realizat in intregime in cadrul catedrei, sunt prezentate toate etapele realizarii proiectului. Sunt mentionate modul de calcul si proiectare al principalelor elemente mecanice si electronice insa accentul este pus pe solutia hard-soft pentru controlul de la distanta al minirobotului. Aceasta se incadreaza in tendintele moderne de comanda de la distanta prin utilizarea Etherntului (cablat sau w 737i85h ireless) ca suport de transmisie a datelor. Aceasta solutie, ofera minirobotul posibilitatea de a fi controlat si monitorizat din orice locatie ce are acces la Internet.
This study presents a remote control method of a minirobot with autonomous motions. Because it was made entirely in our department, there are presented all the project’s development stages. There are mentioned the proceeding of the calculation and the design of the important mechanical and electrical elements, but it is emphasize the hardware-software solution for the minirobot’s remote control. This is included in the modern trends of the remote control using the Ethernet (wired or wireless) support for the data transmission. This solution, gives the possibility to the minirobot to be controlled and monitored from any location with the Internet access.
Fig. 1. Vedere din stanga a minirobotului cu senile (Left view of the crawler minirobot)
1-modulul electronic electronic module
2- structura mecanica mechanical structure
3-senila crawler belt
4-rola active active roll
5-rola pasiva passive roll
6-rola pentru intinderea senilei crawler idler belt
7-suport senzor ultrasonic Ping the
support for the ultrasonic
8-senzor ultrasonic dreapta right ultrasonic sensor
9-senzor ultrasonic centru central ultrasonic sensor
10-senzor ultrasonic stanga left ultrasonic sensor
Fig. 2. Elementele partii inferioare ale minirobotului cu senile (Bottom elements of the crawler minirobot)
1-batteries holder
2-batteries
3-left servomotor
4-right servomotor

Fig. 3. Elementele geometrice ale sistemului de actionare
Fig. 3. The geometric elements of the minirobot’s drive system
d1= 40 mm
d2 = 15 mm
df1= 5 mm
df2= 4 mm
b = 27 mm
c = 31 mm
e = 17 mm
h = 3.4 mm
h1= 0.5 mm
h2= 2.9 mm
hc= 1.4 mm
Fig. 4. Elementele geometrice pentru calculul unghiului
Fig. 4. The geometrical elements for the determination of the ψ angle

Fig. 5. Elementele geometrice pentru calculul distantei a
Fig. 5. The geometrical elements for the determination of the “a” distance
Se cunoaste lungimea primitiva a curelei : Lp = 362 mm
It is known the
primal line of the belt is:![]()
![]()
![]()
![]()
Lp = 2a – 2c +de1 α1 + de2 α2 + 2q in final se obtine a = 0.118 m
at the end “a” will be: ![]()

Fig. 5. Elementele unui servomotor de tip Futaba ()
In prima faza s-au considerat doua servomotoare cu caracteristici compatibile cu cerintele impuse, respectiv:
1 servomotorul-tip BLS251 (FUTM0521) cu caracteristicile:
Fig. 6. Schema modulului electronic de comanda si control ()

Fig. 7. Vedere a modulului electronic de comanda si control ()

Fig. 8. Interfata grafica a compilatorului mikroC ()
Structura de principiu a programului scris in C pentru microcontroller este:
The basic structure of the C software program for the microcontroller is:
Aplicatia pentru PC, de transmitere a comenzilor catre minirobot, a fost realizata in LabView deoarece se permite dezvoltarea facila a aplicatiilor precum si modificarea lor ulterioara in caz ca este necesar. Ea este formata din doua sectiuni:
- comanda manuala a minirobotului de catre operator (fig. 9 si fig. 10)
(fig. 10 si fig. 11)

Fig. 9. Interfata grafica pentru comanda manuala ()
In figura 9 se observa ca, in cazul acestei sectiuni, operatorul are controlul asuprea fiecarui tip de comanda prin apasarea butonului corespunzator. Trebuie mentionat ca pentru o functionare corecta a minirobotului portul de comunicatie trebuie ales la inceputul pornirii aplicatiei. In cazul indicarii unui port serial gresit datele se pierd astfel ca minirobotul nu va executa nici o miscare.

Fig. 10. Diagrama aferenta sectiunii de comanda manuala ()
Fig. 11. Interfata grafica pentru comanda dupa program ()
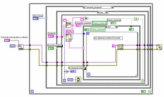
In cazul sectiunii de comanda dupa program (fig. 11) utilizatorul poate scrie in partea din stanga o serie de comenzi. Sintaxa acestor comenzi este formata din numarul ciclilor de executie urmati de tipul comenzii. Tipurile comenzilor sunt trecute si in partea din dreapta pentru ca utilizatorul sa nu fie constrans sa le memoreze. In final, pentru a fi lansat setul de comenzi, utilizatorul trebuie sa apese butonul OK. Odata inceputa executia comenzilor, aplicatia indica in partea de sus comanda curenta si pozitia ei in setul de comenzi, precum si corectitudinea sintaxei. Astfel, daca sintaxa comenzii curente nu este una corecta, culoarea indicatorului “Starea comenzii” devine rosie, indicand o eroare. Programul semnaleaza eroarea timp de 5 secunde dupa care, continua cu executia urmatoarei comenzi din lista.
Fig. 12. Diagrama aferenta sectiunii de comanda dupa program()
[1] Laurentiu Frangu, Claudiu Chiculita, Aplicatii de teleprezenta si teleoperare, Raport de cercetare 2002, Centrul de Cercetare pentru Conducere Automata Avansata a Proceselor, Universitatea “Dunarea de Jos” din Galati
[2] Traian Demian, Elemente constructive de mecanica fina, Editura Didactica si Pedagogica, Bucuresti, 1980
[3] Mihai Musat, Gina Stoica, Indrumar de proiectare pentru transmisii mecanice, Editura Printech, 1998
[4] Constantin Udrea, Horia Panaitopol, Nicolae Alexandrescu, Mihai Avram, Tudor Catalin Apostolescu, Bazele Constructive ale Robotilor Industriali, Editura Universitara, 2006
https://www.futaba-rc.com/servos/brushlessservos.html
https://www.lantronix.com/device-networking/embedded-device-servers/matchport.html
[9] www.mikroe.com
[] pt traductor optoelectronic
Miniroboti - Modalitati de realizare a comenzilor
Miniroboti - Proiectarea componentelor robotului cu deplasare prin balansarea bratelor (de tip maimuta)
|