Īn structura sistemelor automate se īntālneste o mare varietate de elemente electrice si electronice de comutatie, utilizate la comutarea circuitelor electrice īn scopul realizarii comenzilor si a stabilirii, respectiv īntreruperii curentului electric īn circuitele energetice.
Releul este un aparat care comuta, sub actiunea marimii de intrare, unul sau mai multe elemente de comutatie de mica putere īn scopul comenzii altor elemente.
Cele mai simple relee se compun dintr-un element de intrare I, denumit uneori si element sensibil, un element comparator K si un element de executie E cu una sau mai multe iesiri (figura 1.1.).
![]()
Figura 1.1.
Se face dupa mai multe criterii, si anume:
- dupa natura elementului de executie: relee cu contacte si relee fara contacte (statice);
- dupa marimea de intrare: relee de curent, de tensiune, de impedanta, de putere, de temperatura, de turatie;
- dupa principiul de functionare: relee electromecanice (electromagnetice, magnetoelectrice, de inductie, magnetice, termice) si electronice;
- dupa modul de conectare se deosebesc: relee primare, la care marimea de intrare se aplica direct; relee secundare, conectate 323i81d prin intermediul unui transformator de curent sau de tensiune; relee actionate prin intermediul altor relee (relee de timp, relee intermediare, relee de semnalizare);
- dupa modul de actionare asupra obiectului comandat: relee cu actiune directa si relee cu actiune indirecta;
- dupa valoarea marimii de intrare la care actioneaza: relee maximale, a caror actionare are loc cānd valoarea marimii de intrare devine egala sau depaseste o anumita valoare maxima, dinainte stabilita; relee minimale, care actioneaza īn momentul cānd valoarea marimii de intrare devine egala sau mai mica decāt o anumita valoare minima, dinainte stabilita; relee diferentiale, a caror actionare are loc cānd diferenta valorilor a doua marimi aplicate la intrare devine, īn valoare absoluta, mai mare decāt o valoare dinainte stabilita.
Principalele caracteristici ale releelor sunt: caracteristica intrare-iesire si caracteristica de timp.
Ca pentru orice dispozitiv, prin caracteristica intrare-iesire se īntelege functia x e = f(x i), unde x i este marimea de intrare iar x e marimea de iesire.

Figura 1.2.
Caracteristica intrare-iesire a releelor este o caracteristica discontinua (figura 1.2.): pāna la o anumita valoare a marimii de intrare numita valoare de actionare x ia, valoarea marimii de iesire este egala cu zero īn cazul releelor cu contacte si cu x e0 īn cazul releelor fara contacte. Pentru x i = x ia, valoarea marimii de iesire se modifica brusc la valoarea x e1 si ramāne practic constanta daca marimea de intrare continua sa creasca. La micsorarea marimii de intrare, marimea de iesire ramāne la valoarea x e1 pāna la x i = x ir, cānd se modifica brusc la valoarea zero sau x e0. Valoarea x ir se numeste valoare de revenire. Īn releele cu contact normal īnchis, pentru x i < x ia, x e = x e1 si x e = 0 sau x e = x e0 pentru x i x ia, iar la micsorarea marimii de intrare, revenirea la starea initiala are loc pentru x i = x ir > x ia.
Se defineste factorul de revenire, prin raportul dintre valoarea de revenire si valoarea de actionare:
.
Valoarea acestuia este subunitara la releele maximale si supraunitara la cele minimale. Calitatea releelor este cu atāt mai buna cu cāt valoarea factorului de revenire este mai apropiata de unitate.
Un alt parametru important al releelor este factorul de comanda definit prin raportul:
,
unde P c este puterea comandata de contactele releului (puterea de rupere, capacitatea de rupere), iar P a este puterea de actionare (puterea consumata).
Prin timp propriu de actionare a releelor se īntelege intervalul de timp de la aplicarea marimii de intrare si momentul īnchiderii sau deschiderii depline a contactelor.
Sfera de aplicabilitate a acestor relee a īnceput sa se reduca substantial, ca urmare a progreselor realizate īn domeniul releelor statice.
Cele mai simple relee electromecanice constau dintr-un dispozitiv care produce forta sau cuplul activ, un element care produce cuplul rezistent si unul sau mai multe elemente de executie (contacte electrice). Dupa natura dispozitivului pentru producerea fortei sau a cuplului activ, deosebim: relee electromagnetice, magnetoelectrice, de inductie, electrodinamice, termice, cu contact reed. Īn continuare se prezinta cāteva dintre cele mai utilizate.
Releele electromagnetice - Constau dintr-un miez magnetic pe care se dispun una sau mai multe bobine, o armatura mobila, un resort si unul sau mai multe contacte electrice (figura 1.3.). Principalii parametrii ai releelor electromagnetice au valorile uzuale cuprinse īn limitele: puterea de actionare 10 10-3 W, puterea comandata 10 104 W, factor de comanda 5 100, frecventa de comutare 0.5 2 comutari/sec, durata de viata 106 comutari.

Figura 1.3.
Releele termice - La baza functionarii releelor termice sta modificarea proprietatilor fizice ale corpurilor datorita īncalzirii. Cel mai simplu releu termic consta dintr-un tub de sticla īnchis, prevazut cu doi electrozi, īn interiorul tubului gasindu-se mercur. Īnchiderea contactului are loc ca urmare a dilatatiei mercurului, īn momentul īn care nivelul mercurului aduce īn contact electric cei doi electrozi.
Cele mai raspāndite relee termice sunt releele cu bimetal. Dupa modul īn care se realizeaza īncalzirea bimetalului se deosebesc relee cu īncalzire directa (figura 1.4.), indirecta si mixta. La cele cu īncalzire directa curentul electric trece prin bimetal, iar la cele cu īncalzire indirecta bimetalul este īncalzit de la un rezistor, prin care trece curentul electric. Releele termice sunt utilizate, īn special, la protectia motoarelor electrice īmpotriva supracurentilor de durata.
Releele reed - Constau dintr-un tub de sticla īnchis īn care se gasesc doua lamele elastice; īn zona contactului, pe suprafata lamelelor este dispus un strat de iridiu, platina sau aliaje ale acestora (figura 1.5.). Tubul de sticla este vidat sau este umplut cu un gaz inert. Actionarea contactului se face cu ajutorul unui cāmp magnetic creat de o bobina parcursa de curent. Aceste relee se realizeaza sub forma de elemente capsulate paralelipipedice, din mase rasinoase īn care se introduce tubul si bobina releului, la exterior aflāndu-se doar terminalele metalice pentru conexiuni. Releele reed au consum neglijabil, timp de actionare mic (1 2 msec), frecventa de comutare mare (500 comutari/sec), durata de viata ridicata (108 1012 comutari).

|
Figura 1.4 |
|
Figura 1.5. |
Frecvent utilizate īn prezent, se realizeaza īntr-o mare diversitate de tipuri constructive, a caror structura rezulta din combinarea unui numar relativ restrāns de circuite electronice de baza: detectoare de nivel, detectoare de faza, comparatoare de amplitudine, convertoare, amplificatoare, elemente de timp si de memorare.
Se presupun cunoscute circuitele electronice de baza, cu exceptia detectoarelor de nivel, a comparatoarelor de amplitudine si a detectoarelor de faza, adica a acelor circuite electronice care, potrivit schemei structurale prezentate īn figura 1.1. Īndeplinesc functia elementului comparator K.
Detectoare de amplitudine - Īntālnite si sub denumirea de discriminatoare de amplitudine sau detectoare de nivel critic, acestea compara valoarea marimii de intrare cu o valoare de referinta.

Figura 1.6.
Detectoare de amplitudine cu diode Zener - Se realizeaza īn mai multe variante īn functie de locul de plasare a diodei Zener: īn circuitul bazei tranzistorului sau īn emitor (figura 1.6.).
Stabilitatea celei de-a doua scheme este mai buna decāt a primei scheme dar prezinta dezavantajul ca tensiunea de iesire se modifica de la E c la U DZ, īn loc de E c la 0.
Triggerul Schmitt - Poate fi folosit ca detector de nivel īn schemele releelor electronice. Divizorul de tensiune R c1, R b2, R p este astfel dimensionat īncāt fara semnal de intrare T 2 conduce la saturatie iar T 1 este blocat, tensiunea de iesire avānd valoarea U e0 (figura 1.7.).

Figura 1.7.
La cresterea tensiunii de intrare, pentru semnal de intrare U i < U i1; T 2 continua sa conduca la saturatie. Pentru U i1 < U i, o crestere mica a curentului de colector a lui T 1 face sa scada potentialul bazei lui T 2. Rezulta o scadere a curentului de colector al tranzistorului T 2, curentul prin R e scade si scade si tensiunea pe R e. Ca urmare T 1 va conduce mai puternic iar T 2 se blocheaza, tensiunea la iesire modificāndu-se brusc de la valoarea U e0 la U e1. Datorita reactiei pozitive (triggerul Schmitt este de fapt un amplificator de curent continuu la care prin rezistenta comuna R e se realizeaza o reactie pozitiva) timpul de basculare este foarte scurt. Condensatorul C are drept rol micsorarea timpului de basculare.
La scaderea tensiunii de intrare, trecerea tranzistorului T 2 din starea de blocare īn starea de conductie (bascularea inversa a triggerului Schmitt) are loc la o valoare U i0 < U i1 astfel ca functionarea triggerului este caracterizata de prezenta histerezisului, factorul de revenire a releelor electronice cu trigger Schmitt fiind subunitar.
Discriminatoare de tensiune - Releele detectoare de amplitudine sunt cele mai simple relee de tensiune cu un singur prag. Īn unele cazuri se impune ca releul sa actioneze numai atunci cānd valoarea tensiunii de intrare este cuprinsa īntrun anumit domeniu u i [u z1, u z2]. Aceste relee sunt cunoscute si sub denumirea de discriminatoare sau comparatoare cu fereastra.
Astfel de comparatoare pot fi realizate cu tranzistoare si diode Zener (figura 1.8.) sau cu amplificatoare operationale AO.

Figura 1.8.
Īn aceasta schema, daca u i < u z1 < u z2 ambele tranzistoare sunt blocate si ca urmare releul nu este actionat. Daca u z1 < u i < u z2 tranzistorul T 2 este blocat, T 1 conduce si releul este actionat. Pentru u i > u z2 ambele tranzistoare conduc, tranzistorul T 2 scurtcircuitānd releul care nu va mai fi actionat.
Īn cazul īn care circuitul de comparare este realizat cu AO (figura 1.9.), valoarea pragurilor u 1, u 2 este stabilita prin divizorul R 1, R 2, R 3. Daca u 1 < u i < u 2 diodele D 1 si D 2 conduc, pe intrarile AO se aplica o tensiune egala cu caderea pe cele doua diode care īl polarizeaza invers si rezulta iesirea AO negativa respectiv u e = 0. Pentru u i < u 1 se blocheaza dioda D 1 iar pentru u i > u 2 dioda D 2. Īn ambele cazuri are loc schimbarea polaritatii tensiunii de intrare a AO si ca urmare tensiunea la iesire creste. Diodele D 3 si D 4 limiteaza tensiunea u e īntre 0 si 5 V pentru a putea comanda direct circuite logice TTL.

Figura 1.9.
Detectoare de faza - Se realizeaza cu diode semiconductoare, cu tranzistoare sau cu elemente Hall. Schema unui detector de faza cu un tranzistor este data īn figura 1.10.

Figura 1.10.
Dimensionarea schemei trebuie facuta astfel īncāt imediat dupa trecerea prin zero a tensiunii u 1 spre valori negative, valoarea curentului din circuitul de baza al tranzistorului sa fie suficient de mare pentru a produce saturatia tranzistorului. Īn acest caz, marimea semnalului de iesire nu depinde decāt īn mica masura de amplitudinea semnalului de intrare.
Dioda D 1 protejeaza jonctiunea baza emitor a tranzistorului īmpotriva supratensiunilor, iar dioda D 2 se impune din necesitatea evitarii functionarii tranzistorului īn regim invers.
Din reprezentarea semnalelor de intrare si iesire (figura 1.11.) se poate observa ca forma de variatie a curentului de colector corespunde unui redresor comandat monofazat, monoalternanta, cu sarcina rezistiva, cu un unghi de comanda j

Figura 1.11.
Īn acest caz, valoarea medie a tensiunii de iesire este data de relatia:
![]()

Figura 1.12.
Pentru detectorul de faza īn contratimp, valoarea medie a tensiunii la iesire este dubla fata de cazul anterior (figura 1.12.).
Detectoarele de faza prezentate pāna acum sunt de tip analogic. Daca se urmareste o precizie ridicata se folosesc detectoare pe baza de circuite logice. Schema bloc a unui detector sensibil la faza, cu circuite logice si functionare bazata pe compararea latimii impulsurilor este prezentata īn figura 1.13.a, b.

Figura 1.13.a.

Figura 1.13.b.
Semnalele de intrare u 1 si u 2 se aplica detectoarelor de polaritate DP 1 si DP 2 a caror iesire este conectata la intrarea unui circuit SI. La iesirea acestui circuit se obtine semnal numai daca semnalele u 1 si u 2 sunt de aceeasi polaritate, adica īn intervalul 180 j. Pentru a pune īn evidenta faptul ca defazajul dintre cele doua semnale este inferior unei anumite valori, īn momentul aparitiei coincidentei de polaritate a semnalelor circuitul CBM genereaza impulsul de referinta u r a carui durata este 180 j r. La iesirea celui de-al doilea circuit SI apare un semnal numai daca 180 j > 180 j r respectiv j < j r
Aceste relee se utilizeaza cānd este necesara o viteza de comutare ridicata si o durata de functionare mare. Nu au piese mecanice īn miscare, elementul de executie fiind realizat cu tranzistoare, tiristoare sau triace. Realizeaza o izolare galvanica īntre circuitul de comanda si circuitul de comutare. Pentru aceasta pot fi utilizate transformatoare de separare, optocuploare sau relee reed. Supratensiunile sunt reduse, datorita principiului de functionare, curentii si tensiunile trec periodic prin zero. Au un consum redus de energie si pot fi cuplate cu circuite integrate.
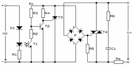
Schema de principiu a unui releu static este data īn figura 1.14.

Figura 1.14.
Dispozitivul optocuplor este compus īn dioda LED, D 2 si fototranzistorul T 1, īncapsulate ermetic. Īn serie cu dioda D 2, sunt conectate rezistenta R 1 pentru limitarea curentului si dioda de protectie D 1, pentru protectia la polarizari inverse. Un curent mic, (circa 1 mA) pentru LED este suficient pentru a comanda releul static; circuitul comandat (T 2, T 3, etc.) este alimentat separat, prin sursa de putere. Intrarea releului este compatibila cu circuitele TTL, (U c = 5 V). Comutarea sarcinii īn circuitul de iesire este asigurata de triacul T 4 sau de doua tiristoare conectate antiparalel.
Īn paralel cu iesirea releului este conectat un circuit RC (R 6, C 1) care permite comutarea sarcinilor inductive si atenueaza tensiunile tranzitorii.
Cānd se aplica tensiunea de comanda U c, se amorseaza tiristorul auxiliar, T 3, acesta asigura la rāndul sau amorsarea triacului, T 4 si deci aplicarea tensiunii pe sarcina. Dupa īntreruperea tensiunii de comanda, curentul continua sa treaca prin sarcina, pāna la trecerea prin zero a tensiunii de retea. Īn continuare triacul T 4 ramāne blocat, pāna la aplicarea unei noi comenzi.
Triacul T 4 se amorseaza numai la trecerea prin zero a tensiunii de retea si conduce un numar īntreg de semiperioade. Īn absenta tensiunii de comanda U c, fototranzistorul T 1 este blocat. Tranzistorul T 2 este īn conductie si circuitul nu mai poate furniza curentul de poarta necesar amorsarii tiristorului T 3. Īn aceasta situatie triacul T 4 este blocat si deci sarcina nu primeste tensiune de la retea.
La aplicarea tensiunii de comanda pot aparea doua situatii corespunzatoare momentului care se aplica īn raport cu un timp t 1 (figura 1.15. pentru o sarcina rezistiva). Acest timp reprezinta momentul deschiderii fototranzistorului T 1, care este alimentat cu tensiunea redresata dubla alternanta; este de valoare mica īn raport cu perioada tensiunii de retea conform caracteristicii statice i c = f(V c, i e).
Cele doua situatii sunt:
a) daca tensiunea de comanda se aplica īnainte de momentul t 1, ca urmare a deschiderii fototranzistorului T 1, scade curentul de baza al tranzistorului T 2 pāna la blocarea acestuia. Se amorseaza tiristorul T 3 si triacul T 4. Conductia acestora continua pāna īn momentul trecerii prin zero a semialternantei tensiunii de retea corespunzatoare īncetarii tensiunii de comanda.

Figura 1.15.
b) daca tensiunea de comanda se aplica dupa momentul t 1, tranzistorul T 2 continua sa se afle īn conductie, deoarece curentul de baza are valori mai mari, ca urmare a cresterii tensiunii de alimentare, E c.
Īn aceasta situatie circuitul nu mai poate furniza curentul de poarta necesar pentru amorsarea tiristorului T 3, acesta ramāne blocat ca si triacul T 4 pāna la terminarea semialternantei tensiunii de alimentare.
Daca comanda persista, dispozitivele T 3 si T 4 se deschid la īnceputul semialternantei urmatoare ca la punctul a.
Īn concluzie, daca tensiunea de alimentare se aplica mai tārziu de momentul t 1 deschiderea releului static se produce cu o īntārziere, care se poate apropia de durata unei semiperioade, a tensiunii de alimentare.
Aplicatii - Releele statice cu comutare la trecerea prin zero se utilizeaza īn cazurile īn care trebuie aplicata sarcinii, tensiunea de retea, pe īntreaga perioada. Sarcina este conectata sau nu la retea, īntr-un anumit ritm, pe durata mai multor perioade.
Īn comparatie cu releele electromecanice, releele statice sunt mult mai robuste. Durata de viata a releelor statice este mult mai mare, deoarece īn timpul functionarii lor nu apar arcuri electrice, ca la releele electromecanice. Īn plus, absenta acestor arcuri electrice, nu mai creeaza probleme de interferente cu alte instalatii īnvecinate.
Releele statice pot comanda sarcini rezistive sau inductive. Īn cazul sarcinilor rezistive, curentul comutat creste sinusoidal, de la zero. Deci regimul tranzitoriu este redus la minim. Aceasta calitate se mentine si daca sarcina este constituita din lampi de iluminat cu filament. Īn aceasta situatie curentul initial este de 5 ori mai mare decāt valoarea de regim permanent fata de o crestere de 11 ori pentru alte tipuri de relee sau comutatoare.
Sarcinile inductive, comandate de releele statice, sunt de mai multe tipuri:
a) Transformatoare - Cānd este conectat un transformator apare un supracurent, a carui valoare depinde de defazajul dintre tensiune si curent, si de structura circuitului magnetic. Aceasta valoare poate fi de 50 ori mai mare decāt cea de regim permanent. Desi acest curent scade īntr-un timp foarte scurt, trebuie tinut seama de el la dimensionarea releului static.
b) Dispozitive actionate magnetic - Acestea sunt reprezentate de contactoare, ventile magnetice, cuplaje magnetice, etc. Īn cazul acestor sarcini supracurentul initial nu depinde de defazajul dintre curent si tensiune. Īn plus, valoarea supracurentului initial este substantial mai mica decāt īn cazul transformatoarelor si se amortizeaza īn cāteva semiperioade. De exemplu, īn cazul contactoarelor, acest supracurent este de 6 ori mai mare fata de valoarea de regim permanent. Din acest motiv si problemele de dimensionare a releului static sunt mai usoare.
Īn schimb, contactele mecanice ale sarcinii provoaca regimuri tranzitorii care pot afecta buna functionare a releului static. Pentru diminuarea regimului tranzitoriu se conecteaza un circuit RC pe sarcina.
c) Motoare - Supracurentul care apare la pornirea motorului este determinat de defazajul curentului si sarcina la ax; are o durata considerabil mai mare decāt īn cazul celorlalte cazuri inductive.
Pentru dimensionarea releelor statice trebuie tinut seama de mai multi factori: tipul motorului, numarul de faze, sistemul de conectare, conditiile de functionare.
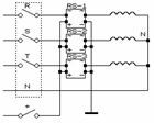
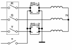
De exemplu pentru un motor trifazat sunt posibile 2 moduri de conectare. Pentru un motor fara punct neutru (figura 1.16.) sunt suficiente 2 relee statice. Pentru un motor cu punct neutru (figura 1.17.) sunt necesare 3 relee statice, dar cu tensiuni mai mici.

|
Figura 1.16. |
Figura 1.17. |
Relee de timp actioneaza cu o anumita īntārziere, obtinuta cu un element de temporizare.
Releele de timp electronice, prin posibilitatile lor de miniaturizare si a gradului lor ridicat de fiabilitate sunt din ce īn ce mai mult utilizate īn echipamentele profesionale. Īn acest fel, ele īnlocuiesc vechile tipuri de relee de timp: mecanice, pneumatice, hidraulice etc.
Dupa principiul care sta la baza functionarii lor deosebim doua mari clase de relee electronice de timp: analogice si digitale.
Īn varianta analogica, releele electronice de timp au structura din figura 1.18.
![]()
Figura 1.18.
Elementul de temporizare ET se dispune de regula īntre circuitul de intrare I si detectorul de polaritate DP.

Figura 1.19.
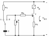
Relee de timp analogice cu tranzistoare - Releele de timp analogice functioneaza pe baza īncarcarii sau descarcarii unui condensator printr-o rezistenta. Īn cazul releului de timp tranzistorizat (figura 1.19), pentru pozitia 1 a contactului K, tranzistorul T este blocat. La trecerea pe pozitia 2 tranzistorul trece īn conductie iar timpul de conductie al tranzistorului, si deci temporizarea releului, este determinat de timpul de descarcare al condensatorului C prin rezistenta R. Constanta de timp poate fi modificata īn limitele a cātorva zeci de secunde prin modificarea componentelor R si C.

Figura 1.20.
Pentru marirea temporizarii se construiesc relee cu integrator Miller (figura 1.20.). Pentru K īnchis T 1 si T 2 se blocheaza, T 3 intra īn saturatie, releul anclanseaza, iar C se īncarca prin R 1 la tensiunea E c. La deschiderea contactului K īncepe temporizarea. Plasarea condensatorului īntre iesirea inversorului format de T 1 si T 2 si intrarea sa determina scaderea liniara a tensiunii īn colectorul lui T 2, montajul integrānd tensiunea de alimentare aplicata pe intrare prin R. Cānd tensiunea īn colectorul lui T 2 atinge valoarea de saturatie, T 3 se blocheaza. Datorita grupului R 2, D 1 care introduce o reactie pozitiva blocarea tranzistorului T 3 se face rapid.
Releu de timp analogic, integrat - Circuitul integrat tipic utilizat la releele de timp este bE 555. Este un circuit integrat monolitic bipolar care poate realiza numeroase functii de temporizari sau oscilatii libere. Toate aceste aplicatii au la baza acelasi principiu: īncarcarea si descarcarea controlata a unui condensator extern. Descrierea circuitului se face pe baza schemei logice echivalente (figura 1.22.). Pentru explicarea functionarii se va utiliza o logica pozitiva(1 pentru high si 0 pentru low).
Blocul central de care depinde functionarea circuitului integral este un circuit basculant bistabil (CBB), de tip RS, a carui iesire Q ataca etajul final de iesire si tranzistorul T 2 de descarcare a condensatorului de temporizare exterior circuitului.

Figura 1.22.
Etajul
de iesire este inversor. Īn absenta comenzilor la intrare, bistabilul
este īn starea
= 0, deci iesirea este īn starea 1.
Tranzistorul de descarcare este blocat. Cānd
= 1, iesirea este īn starea zero, iar
tranzistorul T 2 se deschide, putānd prelua curentul de
descarcare al condensatorului.
Circuitul bistabil are 2 intrari obisnuite S, R si o intrare speciala, de fortare r. Starile acestui circuit sunt date de tabelul de adevar. Q n reprezinta starea initiala, iar Q n+1 starea finala.
Tabelul de adevar
|
S |
R |
R |
Q n+1 |
|
|
|
|
Q n |
|
|
|
|
|
|
|
|
|
|
|
X |
X |
|
|
Valorile variabilei r se stabilesc de catre semnale aplicate la intrarea ALO (aducere la zero), prin intermediul tranzistorul T 1. Pentru r = 0 se conecteaza ALO la o tensiune mai mare de 1 V, iar pentru r = 1 se conecteaza ALO la o tensiune mai mica de 0,4 V.
Intrarile R si S sunt comandate de catre comparatoarele SUS si JOS. Acestea compara tensiunea aplicata lor din exterior pe una din intrari cu nivele de tensiune 0,66 E, respectiv 0,33 E, unde E este tensiunea de alimentare a circuitului. Īn raport cu marimile de intrare, U PRAG SUS (U PS) si U PRAG JOS (U PJ), circuitul bistabil va avea urmatoarele stari:
U PJ < 0,33 E S = 1 Q = 1,
U PJ > 0,33 E S = 0,
U PS < 0,66 E R = 0,
U PS > 0,66 E R = 1 Q = 0.
Pentru realizarea unui releu de timp se conecteaza circuitul integrat ca īn figura 1.23.

Figura 1.23.
Comutatorul
K este īn pozitie normal īnchisa, asigurānd descarcarea
condensatorului. Prin deschiderea lui K se initiaza temporizarea. Īn
acest moment, condensatorul C este descarcat
= 0 iar tensiunea de iesire U 0
este aproximativ E. Īn aceasta situatie, releul este actionat.
Tensiunea
pe condensatorul C īncepe sa creasca de la zero si tinde
catre E. Dupa un timp t 1 ea ajunge egala cu
0,66E. Acum schema basculeaza
= 1, tensiunea de iesire devine 0 si
releul este actionat (figura 1.24.).
Valoarea duratei t 1 este data de relatia:
t 1 = 1,1 RC
Releul ramāne actionat cāt timp este deschis K. Prin īnchiderea lui K, releul nu mai este actionat, schema fiind pregatita pentru un nou ciclu.
Pentru obtinerea unor timpi mari trebuie marite R si C. Marirea valorii lui C conduce la utilizarea condensatoarelor electrolitice. Pentru a se asigura īncarcarea lor cu un curent de 10 ori mai mare decāt curentul de fuga, valoarea maxima a rezistentei este R max = 500 kW. Daca nu se utilizeaza condensatoare electrolitice R max = 10 MW. Īn acest caz limitarea este determinata de necesitatea de a asigura curentul minim de declansare a comparatorului SUS.

Figura 1.24.
Relee de timp digitale - Releele de timp digitale functioneaza pe baza numararii unor impulsuri (figura 1.25.). Schema emite un semnal cānd numarul de impulsuri atinge o valoare predeterminata, stabilita prin configuratia decodorului.

Figura 1.25.
Reglajul timpului se poate face īn doua moduri:
- prin modificarea frecventei bazei de timp;
- prin modificarea decodarii semnalelor de la iesirea numaratorului.
Releele de timp digitale permit, fara probleme, sub un volum redus, obtinerea unor timpi foarte mari, de ordinul zecilor de ore.
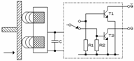
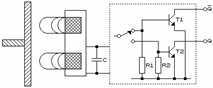
Relee de proximitate cu oscilator - Este realizat pe baza unui comutator static inductiv. Principiul de functionare al unui astfel de comutator este ilustrat īn figura 1.26. Circuitul foloseste ca element exterior un grup LC care formeaza īmpreuna cu etajul de intrare un oscilator de īnalta frecventa.

Figura 1.26.
Prin
apropierea unei piese metalice standard de o bobina, oscilatiile se
amortizeaza si marimile de iesire (Q si
) sunt comutate. Starile logice ale iesirilor sunt
date de tabelul de adevar.
Tabelul de adevar
|
Oscilator |
Q |
|
|
neamortizat |
|
|
|
amortizat |
|
|
Schema de bloc a comutatorului este data īn figura 1.27. Comutatorul este prevazut cu 2 posibilitati de reglaj: reglajul distantei la care se produce amortizarea si reglajul histerezisului. Īn acest scop se conecteaza terminalele corespunzatoare la masa montajului prin intermediul unor potentiometre.
Figura 1.27.
Releele fotoelectrice semnalizeaza sau comanda cānd iluminarea unui dispozitiv fotosensibil depaseste nivelul stabilit.
Dispozitive fotosensibile
Fotorezistenta - este dispozitivul cel mai sensibil, ieftin, dar cu raspuns foarte lent. Se realizeaza mai ales din compusi ai cadmiului (CdS).
Fotodioda - este cea mai rapida, putin mai scumpa, cu sensibilitate slaba. Este mai sensibila la radiatii infrarosii, cu lungimea de unda mai mare la diodele cu germaniu decāt la cele cu siliciu.
Fototranzistorul - este mai rapid, cel mai sensibil, dar cel mai scump. Este sensibil mai ales la radiatii infrarosii si vizibile.
Elementul fotovoltaic - (bateria solara, fotocelula), este mai scump, mai lent, cu spectru de sensibilitate mai ales īn domeniul ultraviolet (radiatie cu energie mai īnalta). Se fabrica din seleniu sau siliciu.
Fototiristorul - este mai lent si mai scump decāt fototranzistorul, dar poate comanda dispozitive de putere (pāna la 50 A).
Sursele de lumina - pot fi: lumina solara, becurile cu incandescenta, tuburile cu descarcari īn gaze, tuburile fluorescente sau diodele electro-luminiscente LED. Se produc LEDuri cu radiatie rosie, galbena, verde sau infrarosie, din siliciu, GaAs sau GaPAs. LED-ul este mai scump decāt un bec de mica putere dar este un dispozitiv cu raspuns foarte rapid si cu radiatie cu spectru īngust. Īn ultimii ani sau construit si diode laser, care emit radiatie monocromatica puternica, concentrata īntrun fascicul foarte īngust.
Optocuplorul - īnglobeaza un LED si un dispozitiv fotosensibil (de obicei fototranzistor) īntro capsula opaca, cu sau fara posibilitatea obturarii luminii īntre ele. Este un dispozitiv modern de comanda cu izolare galvanica, cu raspuns rapid, īn prezent mai ieftin decāt transformatorul de impulsuri.
Relee fotoelectrice pentru utilizari industriale
Circuit pentru citirea benzilor perforate sau cartelelor perforate - Se poate realiza cu o fotocelula sau o fotodioda si un trigger Schmitt, cu un raspuns suficient de bun pentru a permite o citire rapida. Īn lipsa iluminarii, elementul fotosensibil are rezistenta mare. La iluminare circuitul basculeaza.
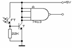
Schema poate fi realizata si cu un fototranzistor care sa comande direct un circuit integrat logic SINU (figura 1.31.).

Figura 1.31.
|