Scopul lucrarii
Se va studia influenta temperaturii asupra conductiei in sens direct la diode semiconductoare. Se va ridica caracteristica curent-tensiune la doua temperaturi diferite ale mediului ambiante. Se determina coeficientul de variatie a tensiunii cu temperatura pentru diodele studiate.
Consideratii teoretice
Zona de contact intre un semiconductor de tip p si unul de tip n se numeste jonctiune p-n. Procesele care au loc in jonctiune sunt legate de difuzia purtatorilor de sarcina. Intr-o grosime Lb in jurul zonei de contact are loc o recombinare a electronilor de pe nivele aditionale cu golurile de pe celelalte nivele aditionale, nivele acceptoare.
Dwb este energia stratului de blocaj, energia necesara pentru trcerea barierei de potential.
La o polarizare directa a jonctiunii p-n bariera de potential se micsoreaza, se reduce Lb. Polarizarea inversa a jonctiunii duce la cresterea latimii barierei de potential, deci creste si energia necesara trecerii barierei, prin urmare scade curentul prin jonctiune. Curentul invers este neglijabila fata de curentul direct printr-o jonctiune.
Curentul I care trece printr-o jonctiune, la aplicarea unei tensiuni U, depinde de tipul jonctiunii (de materialul de baza, de tipul si cantitatea impuritatilor), de valoarea tensiunii aplicate si de temperatura.
Principalele marimi de pe caracteristica I f(U):
Up(Si) 0,6-0,7V
Up(Ge) 0,25-0,35V
(2)
La polarizare directa rezistenta interna este mica, iar la polarizare inversa este mult mai mare.
Expresia curentului direct prin jonctiune este:
(3)
unde: I0d - este curentul corespunzator difuziei
I0gr - este curentul corespunzator fenomenelor de generare-recombinare
Curentul poate fi exprimat si cu ajutorul legii conductiei:
(4)
Numarul purtatorilor de sarcina N0 depinde de temperatura conform expresiei:
(5)
unde: C - este o constanta de material
T - temperatura absoluta
Dwi - latimea benzii interzise
Tinand cont de relatiile (4) si (5) se poate afirma ca componentele curentului direct ID sunt dependente de temperatura dupa relatiile:
(6)
(7)
Deci dependenta curentului de temperatura este exponentiala. Aceasta dependenta se reflecta si pe caracteristica I f(U) a diodei (figura 1). In cazul diodelor de germaniu dependenta curentului de temperatura este mai intensa decat in cazul diodelor de siliciu.

Fig. 1. Caracteristica jonctiunii p-n
Daca ID este constant tensiunea directa scade cu cresterea temparaturii. Acest fenomen este pus in evidenta prin coeficientul de variatie a tensiunii cu temperatura:
(8)
Valoarea medie a
coeficientului
pentru diodele de
siliciu este de -2mV/ C.
Modul de lucru
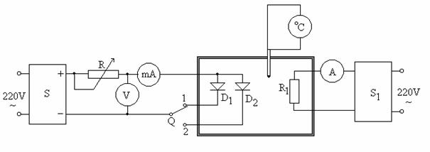
Se realizeaza montajul conform schemei de pe figura 2.
Fig. 2. Schema desfasurata a montajului utilizat
Aparatura utilizata:
D1, D2 - diode de studiat
V - voltmetru de c.c. pe domeniul 0-1V
mA - multimetru digital E0302 pe domeniul 1000mA c.c.
A - ampermetru de c.a. avand domeniile 0-1A si 0-250mA
C - multimetru electronic tip V640 MERATRONIC pe domeniul de 50 C si 150 C
Q, Q1 - comutator cu doua pozitii
R - reostat 30W 5A
Ri - rezistenta de incalzire
S, S1 - surse de alimentare de c.c.
Prima data se ridica caracteristica I f(U) pentru cele doua diode (unul de siliciu, celalalt de germaniu) la doua temperaturi diferite, la temperatura camerei, apoi la o temperatura mai mare.
Se realizeaza schema de pe figura 2 cu comutatorul Q pe una din pozitiile 1 sau 2 fara sa cuplam incalzirea (Q1 deschis). Cu termometrul electronic se va masura temperatura ambianta T0 si se noteaza in tabel. Se alimenteaza schema de la sursa S cu o tensiune directa ai carei valoare se modifica conform tabelului 1. Pentru fiecare valoare a tensiunii se citeste valoarea curentului prin dioda si se noteaza in tabelul 1.
Se reduce tensiunea, se trece comutatorul Q pe cealalta pozitie si se repet masuratorile, datele se trec in tabelul 1 linia corespunzatoare diodei D2 si temperatura T0.
Tabelul 1.
|
Dioda |
Temp |
U[V] |
|
|
|
|
|
|
|
|
|
|
D1 |
T0 |
I[mA] |
|
|
|
|
|
|
|
|
|
|
T1 |
I'[mA] |
|
|
|
|
|
|
|
|
|
|
|
D2 |
T0 |
I[mA] |
|
|
|
|
|
|
|
|
|
|
T1 |
I'[mA] |
|
|
|
|
|
|
|
|
|
Se reduce tensiunea de alimentare la zero si se alimenteaza rezistenta de incalzire Ri.
In cazul diodei D1 (tip GY104) prin rezistenta de incalzire se regleaza un curent I1 50-60mA, incalzind dioda pana la T1 C. La atingerea echilibrului termic se va mentine constant temperatura si se regleaza tensiunea de polarizare a diodei la aceleasi valori consemnate in tabelul 1 citind pentru fiecare tensiune curentul prin dioda.
Pentru incalzirea dioda D2 (tip 112) se va regla prin rezistenta de incalzire un curent I2 0,5-0,6A. Dupa atingerea temperaturii dorite (T1) acesta se va nota in tabel si se reiau masuratorile in mod asemanator. Datele se trec in tabelul 1.
Pe baza datelor se vor ridica caracteristicile I f(U) pentru ambele diode la temperaturile T0 si T1.
Cu ajutorul schemei din figura 2 prin rezistenta de incalzire se vor stabili curenti diferiti, corespunzator diferitelor temperaturi, masurate cu termometrul electronic.
Se fixeaza un curent de 100mA prin dioda D1 apoi se va incalzi prin intermediul rezistentei de incalzire. Se va urmari temperatura pe termometrul electronic si la temperaturi indicate in tabelul 2 se va citi tensiunea de pe dioda. Deoarece la cresterea temperaturii se va modifica curentul prin jonctiune (creste) se va regla tensiunea de polarizare (se scade) astfel ca curentul prin jonctiune sa ramana constant (100mA).
Tabelul 2.
|
Dioda |
T C] |
|
|
|
|
|
|
I[mA] |
CUD[mV/ C] |
|
D1 |
UD1[V] |
|
|
|
|
|
|
|
|
|
D2 |
UD2[V] |
|
|
|
|
|
|
|
|
Se va proceda in mod asemanator si pentru dioda D2.
Dupa completarea tabelului 2 se ridica caracteristica UD f(T) apoi se va calcula coeficientul de variatie a tensiunii cu temperatura CUD cu ajutorul formulei (8). La fiecare variatie de temperatura DT C se determina variatia corespunzatoare de tensiune DUD si coeficientul CUD. In final se calculeaza o valoare medie a coeficientului care se va nota in tabelul 2.
4. Intrebari
Pe baza caracteristicilor aratati cum variaza tensiunea de prag UP cu temperatura.
In ce sens se deplaseaza caracteristica jonctiunii p-n la alimentarea directa la cresterea temperaturii? Indicati cauzele!
Ce influenta are numarul de purtatori de sarcina asupra conductiei in cazul materialelor semiconductoare?
|