MĂSURAREA ENERGIEI ELECTRICE ACTIVE ĪN CIRCUITE MONOFAZATE DE CURENT ALTERNATIV
VERIFICAREA CONTOARELOR DE ENERGIE ELECTRICĂ
1. Scopul lucrarii
Lucrarea are drept scop cunoasterea contorului monofazat de inductie si a metodelor de verificare a contoarelor.
2. Aspecte teoretice
Pentru etalonarea si verificarea contoarelor se pot folosi urmatoarele metode :
- metoda wattmetrului si cronometrului;
- metoda contorului etalon ;
- metoda stroboscopica ;
- metoda de etalonare automata.
2. 1. Metoda wattmetrului si a cronometrului ("putere-timp")
Etalonarea individuala clasica se bazeaza pe numararea unui anumit numar de rotatii ale discului aparatului de verificat si pe masurarea timpului necesar pentru aceasta; se presupune ca puterea reglata cu ajutorul wattmetrului ramāne cons 19519p1522t tanta īn timpul masurarii.
Eroarea relativa a contorului este definita de relatia :
(12. 1)
unde :
Wm - este energia masurata cu ajutorul contorului;
W - energia adevarata sau exacta.
Energia masurata poate fi scrisa sub forma :
(12. 2)
īn care :
- n este numarul de rotatii ale discului contorului, efectuate īn intervalul de timp t ;
- Cc este constanta contorului, īn rot/kWh.
Energia electrica adevarata se determina cu relatia :
(12. 3)
īn care :
P - este puterea la care se face verificarea ;
t - este timpul īn care se efectueaza cele n rotatii.
Daca se introduc relatiile (12. 2) si (12. 3) īn expresia (12. 1), se obtine :
(12.4)
sau:
(12. 5)
Daca se introduce notatia :
(12. 6)
rezulta urmatoarea forma pentru expresia erorii :
(12. 7)
īn care :
T
- este timpul teoretic īn care discul
contorului trebuie sa efectueze cele n rotatii, daca contorul ar
functiona fara eroare la puterea :
(U fiind tensiunea de
alimentare a bobinei de tensiune a contorului, I - curentul ce trece prin
bobina de curent a contorului, - defazajul dintre tensiunea
U si curentul I).
Limitele erorilor relative ale contoarelor de energie sunt specificate īn tabelul 12 .1. Tabelul 12. 1.
|
Valoarea curentului, īn procente, din valoarea curentului de baza |
Factorul de putere |
Limitele erorilor relative īn procente |
||
|
|
|
clasa 0,5 |
clasa 1 |
clasa 2 |
|
(1 la 5)% |
|
|
|
|
|
de la 10% pāna la Imax |
|
|
|
|
|
la 10% |
0,5 inductiv 0,8 capacitiv |
|
|
|
|
de la 20% pāna la Imax |
0,5 inductiv 0,8 capacitiv |
|
|
|
Observatie Metoda putere-timp consta īn urmatoarele :
- pentru o anumita valoare a puterii P, se cronometreaza timpul t īn care discul contorului face un anumit numar īntreg n de rotatii;
- cānd se face o etalonare completa numarul n se alege, pentru usurinta calculelor, multiplu de zece, astfel īncāt timpul t sa fie cuprins īntre 50 si 70 secunde ; un timp mai scurt poate face ca eroarea de pornire si oprire a cronometrului de catre operator (aprox 0,2 sec.), devina comparabila cu eroarea permisa de clasa de exactitate a contorului si sa vicieze rezultatul masurarii. (2% din 60 s = 1,2 s).
- se calculeaza, cu relatia (12. 7) eroarea relativa.
2. 2. Metoda automata de etalonare
Metoda automata de etalonare presupune folosirea unui sistem de masurare format dintr-un traductor de putere activa monofazata, un convertor tensiune-frecventa si un calculator (fig. 12. 1).
Fig. 12. 1. Schema de principiu a metodei de etalonare automata.
Frecventa trenului de impulsuri de la iesirea convertorului tensiune-frecventa este proportionala cu puterea activa :
(12. 8)
k fiind o constanta de transfer.
Daca īn formula (12. 5) se īnlocuieste puterea cu relatia (12. 8), se obtine :
(12. 9)
Īn relatia (12. 9) se observa ca produsul dintre frecventa de la iesirea convertorului tensiune-frecventa si timpul īn care se face masurarea este chiar numarul de impulsuri N preluate de calculator.
Īn consecinta, relatia cu care se poate determina eroarea contorului este :
(12.
10)
Cu ajutorul relatiei (12. 10) se poate determina eroarea contorului de verificat.
3. Chestiuni de studiat
3. 1. Verificarea contorului la mersul īn gol.
3. 2. Verificarea sensibilitatii contorului.
3. 3. Verificarea exactitatii contorului si trasarea curbei de erori
[%]= f(I/In) prin metoda wattmetru-cronometru.
3. 4. Verificarea exactitatii contorului cu instalatia de etalonare automata.
4. Mod de experimentare
Pentru verificarile de la punctele 3.1. - 3.3. se foloseste schema din fig. 12.2.

Fig. 12. 2. Schema de montaj pentru verificarea exactitatii contorului prin metoda wattmetru-cronometru.
Īn schema se folosesc :
- ATR - autotransformator reglabil de (120/0...240) V;
- T - transformator de 120V/10V-10A cu prize de cāte 1 V;
- Rh - reostat de 1; 10 A;
- C - contor monofazat cu capacitate mare de masurare, tip CAM 6;
- W - wattmetru electrodinamic monofazat ;
- A - ampermetru electrodinamic ;
- V - voltmetru electrodinamic sau feromagnetic;
- RF - regulator de faza.
Observatie. Montajul utilizat la verificarea contorului este un montaj cu surse separate, adica curentul este obtinut dintr-un circuit cu tensiune mica obtinuta de la transformatorul coborātor T (120/12V), iar tensiunea este furnizata de regulatorul de faza care va livra un curent mic necesar voltmetrului, bobinelor de tensiune ale wattmetrului si contorului.
Avantajele acestei scheme sunt:
- putere mica necesara si energie putina consumata (doar de instrumente si dispozitivele de reglaj);
- reglaj usor al defazajului prin utilizarea regulatorului de faza.
Verificarile contorului se fac dupa aplicarea tensiunii timp de cel putin jumatate de ora si dupa ce contorul a fost parcurs de curent un timp suficient pentru obtinerea stabilitatii īn functionare.
4. 1. Verificarera la mersul īn gol
Se face īn felul urmator :
- se alimenteaza bobina de tensiune a contorului, īntāi la 0,8 Un , apoi la tensiunea de 1,1 Un, curentul prin bobina de curent fiind nul.
- īn aceasta situatie, discul contorului poate sa se miste usor, dar īn nici un caz sa nu faca o rotatie completa; semnul marcat pe disc se opreste de obicei īn dreptul semnului de pe capac.
4. 2. Sensibilitatea contorului
Se va verifica astfel :
- se aplica contorului tensiunea nominala, frecventa nominala,
cos = 1 si un curent egal cu 0,5% din curentul de baza,
- discul contorului va trebui sa porneasca singur si sa efectueze cel putin o rotatie completa.
Observatie: Aceste doua probe au drept scop verificarea reglajului realizat cu dispozitivul pentru compensarea frecarilor.
El este realizat sub forma unui surub aflat deasupra discului, lānga electromagnetul de tensiune asezat tangential la disc. Prin pozitia sa excentrica el creeaza un cuplu ce compenseaza frecarile īn lagare si mecanismul integrator.
4. 3. Verificarea clasei de exactitate a contorului
Se efectueaza īn modul urmator:
- se alimenteaza contorul la tensiunea nominala, cos = 1, frecventa nominala si curenti de valori : (5, 10, 20, 50, 75, 100, 200, 300, 400)% din curentul de baza;
- se calculeaza puterile active corespunzatoare acestor curenti si se regleaza exact la wattmetru valorile obtinute, reglānd curentul din circuit;
- se determina erorile pentru fiecare valoare a puterii astfel reglate;
- se alimenteaza contorul la tensiunea nominala, cos = 0,5; frecventa nominala si curenti de valori : (10, 20, 50, 75, 100, 200, 300, 400)% din curentul de baza;
- se determina erorile pentru fiecare valoare a puterii corespunzatoare acestor curenti la cos = 0,5;
- se vor trasa apoi curbele erorilor = f (I/In), pentru ambele cazuri, pe o aceeasi diagrama.
Limitele erorilor relative trebuie sa corespunda celor indicate īn tabelul 12. 1.
Observatie Se recomanda a se īncepe verificarea
contorului la valoarea curentului de baza In, careia īi
corespunde puterea nominala
. Se calculeaza :
(12.
11)
Se alege n īntreg si, pentru usurinta calculelor, multiplu de zece, se calculeaza T cu relatia (12. 5).
La toate determinarile de erori se urmareste ca indicatia wattmetrului sa fie reglata cāt mai exact, pe toata durata cronometrarii, deoarece el este aparatul etalon īn aceasta determinare, chiar daca ampermetrul nu indica valoarea exacta a curentului dorit.
Pentru a stabili un anumit defazaj, de exemplu cos = 0,5, se foloseste regulatorul de faza.
Pentru aceasta se regleaza tensiunea nominala, curentul de baza si se determina pozitia regulatorului (reglānd īn sens inductiv), pentru care puterea la wattmetru devine: P = 0,5 UnIn
Pentru celelalte determinari, cu acelasi cos , pozitia regulatorului de faza se pastreaza.
Datele si rezultatele se trec īn tabelul 12. 2.
Tabelul 12. 2.
|
Nr. crt. |
I/In |
I |
P |
cos |
n |
t |
T |
e |
||||
|
|
|
A |
div |
W/div |
W |
|
rot |
s |
s |
|
||
|
|
|
|
|
|
|
|
|
|
|
|
||
Observatie: Determinarea erorilor pentru cosj = 1 si cosj=0,5 are drept scop verificarea reglarii corecte a cuplului rezistent din magnetul permanent si a reglajului unghiului intern b al contorului; acesta se regleaza din cursorul rezistentei variabile pe care se īnchide o īnfasurare aflata pe electromagnetul de curent.
Observati prin capacul contorului aceste dispozitive de reglaj!
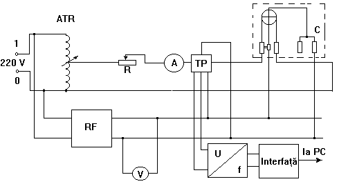
4. 4. Verificarea automata a contorului
Se foloseste schema din figura 12. 3, īn care:
TP - traductor monofazat de putere activa ;
U/f - convertor tensiune-frecventa ;
C - contorul de verificat ;
ATR - autotransformator reglabil (120/0...240)V ;
RF - regulator de faza ;
Rh - reostat de reglaj al curentului ;
A - ampermetru electrodinamic ;
V - voltmetru feromagnetic.

Fig. 12. 3. Schema pentru verificarea automata a contorului .
īn care:
TP - traductor monofazat de putere activa ;
U/f - convertor tensiune-frecventa ;
C - contorul de verificat ;
ATR - autotransformator reglabil (120/0...240)V ;
RF - regulator de faza ;
Rh - reostat de reglaj al curentului ;
A - ampermetru electrodinamic ;
V - voltmetru feromagnetic.
La iesirea traductorului de putere activa, se obtine un semnal de tensiune 0...10 V. Valoarea maxima (10V) corespunde unei puteri active de 220W. Acest semnal este aplicat convertorului tensiune-frecventa.
Pentru puterea activa maxima (220W), se obtine frecventa maxima la iesirea convertorului tensiune frecventa (U/f) de 10 kHz. Constanta de conversie este: k = 9,09 Hz/W
Verificarea automata a contorului se face prin parcurgerea urmatoarelor operatii :
- se introduc īn calculator datele nominale ale contorului de verificat;
- se alimenteaza schema de masurare si, īn momentul īn care se īncepe numararea rotatiilor, pe care le va efectua discul contorului, se porneste programul de numarare a impulsurilor;
- se fac masurari pentru parametrii specificati la punctul 4. 3.
- programul va efectua prelucrarea datelor pentru cele doua seturi de masurari, afisānd erorile, precum si curba de erori.
5. Intrebari recapitulative si aplicatii
5.1. Ce semnifica mersul īn gol al unui contor si cum se verifica?
5.2. Ce reprezinta sensibilitatea contorului si cum se verifica ?
5.3. Cum se determina eroarea la un contor de inductie cu metoda putere- timp? Care sunt aparatele etalon īn aceasta verificare?
5.4. De ce se alege timpul de etalonare de 50-70 s ?
5.5. De ce se face verificarea contorului de inductie atāt la cos j =1 cāt si la cos j = 0,5 ?
5.6. Comparati cele doua metode de verificare a clasei de exactitate studiate īn lucrare.
5.7. Schitati organigrama programului de numarare a impulsurilor, care ar putea fi folosita īn programul de etalonare al contorului din lucrare.
|