Documente online.
Zona de administrare documente. Fisierele tale
Am uitat parola x Creaza cont nou
 HomeExploreaza
upload
Upload




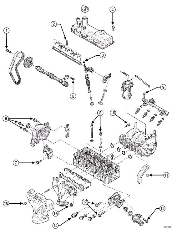
MOTOARELE K7J - 710 si K7M - 710

tehnica mecanica


CUPRINS




I. IDENTIFICAREA MOTORULUI




II. TABEL CU CARACTERISTICILE MOTOARELOR ..........


3.3. Partea inferioara a motorului .........................


3.4. Fatada de accesorii : K7J 710 / K7M 710, / Alternator / Directie asistata .......


3.5. Fatada de accesorii : K7J 710 / K7M 710, / Alternator / Directie asistata / Aer conditionat


3.6. Fatada de accesorii : K7J 710 / K7M 710, / Alternator / Aer conditionat


mic al supapelor (se masoara si se regleaza la rece)


4.6. Scaunele supapelor


4.7. Ghidurile supapelor


4.8. Simeringul cozii supapelor .........................


4.9. Diagrama de distributie (in grade °) (neverificabila) ...............


4.10. Capacul de chiulasa ............................


4.11. Colectorul de evacuare ..........................


4.12. Suruburile cutiei de iesire a apei din chiulasa ..................


4.13. Garnitura de chiulasa ..........................


4.14. Chiulasa .......... ..... ......


4.15. Strangerea chiulasei .


4.16 Arborele cotit ..............................


4.17. Blocul motor (carterul - cilindrii) ......................


4.18. Pistoanele .......... ..... ...... .


4.19. Bielele .......... ..... ...... ...


4.20. Segmentii .......... ..... ...... .


4.21. Controlul pistoanelor si al segmentilor 


4.22. Asamblarea laterala a motorului ........................


4.23. Axul pistonului .............................


4.24. Carterul inferior ............................


4.25. Presiunea de ulei ..............................


VI. PIESE CARE AU O INLOCUIRE SISTEMATICA .............


VII. PARTICULARITATI ........................










MOTOARELE K7J - 710 si K7M - 710






I. IDENTIFICAREA MOTORULUI.



Identificarea motorului este situata pe carterul-cilindrii, intre colectorul de evacuare si volantul motorului. Ea se face fie printr-o placuta nituita, fie printr-o gravare pe carterul-cilindrii (stanga)

ù.


Detalii de marcaj :

Marcajul contine :

(5) : numarul de fabricatie al mo 343h76d torului ;



II. TABEL CU CARACTERISTICILE MOTOARELOR :



Tip vehicul

Motor

Tip cutie de viteze

Tip

Cilindree

Cursa

Alezaj

Raport de compresie

LS0A



K7J - 710















JH1 - 052

LS0C

LS0E

LS0G

LS0B



K7M - 710















JH3 - 053

LS0D

LS0F

LS0H


III.    CUPLURILE DE STRANGERE :


Cuplurile de strangere exprimate in daN*m si / sau ° :

Reper 1 : Surub de fulie arbore cu came - 4,5

Reper 2 : Surub de rampa de culbutori - 2,3

Reper 3 : Piulita de reglaj al jocului supapei - 0,9

Reper 4 : Surub de strangere a capacului chiulasei - a se vedea metoda de strangere

Reper 5 : Surub de    brida arbore cu came - 1

Reper 6 : Surub de carcasa superioara de distributie Surub M8 - 2,2

Surub M10 - 4,4

Reper 7 : Surub al inelului de ridicare (partea cu distributia) Surub M8 - 2,2

Surub al inelului de ridicare (partea cu volantul motor) Surub M8 - 2,2

Surub M10 4,4


Reper 8 : Surub de strangere a chiulasei - a se vedea metoda de strangere

Reper 9 : Surub al rampei de injectie - 1

Reper 10 : Surub al repartitorului de admisie - 2,2

Reper 11 : Piulita a suportuluidu repartitorului de admisie - 2

Reper 12 : Surub al cutiei de iesire apa din chiulasa - 1

Reper 13 : Surub al suportului termostat - 1

Reper 14 : Captor de temperatura apa - 3,3

Reper 15 : Piulita a colectorului de evacuare - 2,5 / a se vedea metoda de strangere

Reper 16 : Piulita a ecranului termic - 2,2

Sonda de oxigen - 4,5

Bujiile de aprindere - de la 2 la 3

Bobina de aprindere, surub M4 - 0,8

Captor de temperatura aer de pe repartitorul de admisie - de la 2 la 3.


3.2. Atelajul mobil :



Cuplurile de strangere exprimate in daN*m si / sau ° :

Reper 1 : Surub al fuliei de accesorii a arborelui cotit - 3

Reper 2 : Surub de pompa de ulei - de la 2,2 la 2,7

Reper 3 : Surub de paliere de arbore cotit - 2,5 + 47°

Reper 4 : Piulite ale capacelor de biele : Prestrangere - 1

Strangere - 4,3

Reper 5 : Surub de volant motor - de la 5 la 5,5

Surub al mecanismului de ambreiaj - 0,8.


3.3. Partea inferioara a motorului :



Cuplurile de strangere exprimate in daN*m si / sau ° :

Reper 1 : Surub al pompei de apa Surub M6 - 1,2

Surub M8 - 2,2

Reper 2 : Surub al carterului de inchidere a arborelui cotit - 1,2

Reper 3 : Surub al capacului carterului inferior la distributie Surub M6 - 0,8

Reper 4 : Piulita a galetului intinzator al distributiei - 5

Reper 5 : Surub al tubului de ghidare al jojei de ulei - 1,1

Reper 6 : Sonde de nivel de ulei - 2,5

Reper 7 : Captor de presiune de ulei - de la 3 la 3,5

Reper 8 : Buson al gaurii de intrare a tijei de calare PMS - 2

Reper 9 : Surub al tubului de intrare in pompa de apa - 2,2

Reper 10 : Surub de strangere a baii de ulei - a se vedea metoda de strangere

Reper 11 : Buson de golire a uleiului - 2

Captor de detonatie - 2.



3.4. Fatada de accesorii : K7J 710 / K7M 710, / Alternator / Directie asistata :



Cuplurile de strangere exprimate in daN*m si / sau ° :

Reper 1 : Surub al suportului de accesorii - 4,4

Reper 2 : Surub al pompei de directie asistata sau al galetului infasurator - 2,1

Reper 3 : Surub de alternator - 2,1

Reper 4 : Surub al galetului intinzator mecanic - 2,1

Reper 5 : Piulita de reglaj al galetului intinzator mecanic - 2,1.


3.5. Fatada de accesorii : K7J 710 / K7M 710, / Alternator / Directie asistata / Aer conditionat



Cuplurile de strangere exprimate in daN*m si / sau ° :

Reper 1 : Surub M10 al suportului de accesorii - 4,4

Reper 2 : Surub M8 al suportului de accesorii - 2,1

Reper 3 : Surub al pompei de directie asistata - 2,1

Reper 4 : Surub de alternator - 2,1

Reper 5 : Surub al compresorului de aer conditionat - 2,1

Reper 6 : Surub al galetului infasurator - 2,1

Reper 7 : Surub al galetului intinzator automat - 2,1.


3.6. Fatada de accesorii : K7J 710 / K7M 710, / Alternator Aer conditionat



Cuplurile de strangere exprimate in daN*m si / sau ° :

Reper 1 : Surub M8 al alternatorului -

Reper 2 : Surub M10 al alternatorului - 4,4

Reper 3 : Surub al suportului compresorului de aer conditionat - 4,4

Reper 4 : Surub al compresorului de aer conditionat - 2,1.


IV. PIESE CU MONTARE, DEMONTARE SI CONTROL SPECIALE :


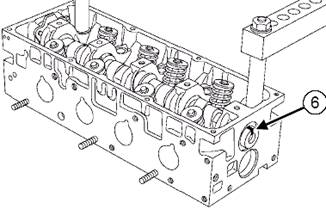
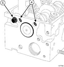
4.1. Arborele cu came :



Remontati arborele cu came pe partea catre distributie.

Remontati suruburile (4) ale bridei arborelui cu came stranganu-le la cuplu (1 daN.m).


ATENTIE !

Surubul (5) astupa un orificiu care comunica cu canalizatia de ulei.

Remontati obligatoriu surubul pentru a impiedica scurgerea uleiului motorului.

Puneti o picatura de LOCTITE FRENETANCHE pe surubul (5) si remontati-l.

Remontati un buson (capac) de etansare nou pe partea cu volantul motor cu ajutorul dispozitivului (Mot. 1488).



Remontati un simering de etansare nou pe partea cu distributia cu ajutorul dispozitivului (Mot. 1127-01).

Rotiti arborele cu came astfel incat crestatura (6) sa fie verticala si catre sus.


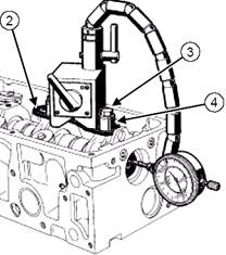
Controlul inaltimii camelor :

Se masoara inaltimea camelor motorului

- K7J/710

Controlul diametrlor fusurilor paliere ale arborelui cu came :

Pentru came :

Masurati diametrul exterior al fiecarui palier al arborelui cu came al motoarelor K7J/710 - K7M/710 :

Masurati diametrul interior al fiecarui palier al chiulasei cu came al motoarelor K7J/710 - K7M/710 :

palier N°1: 38 0 mm,

palier N°2: 41 0 mm

palier N°3: 41,3 0 mm



Controlul jocului longitudinal al arborelui cu came :

Remontati :

arborele cu came,

Examinati starea suprafetelor patinelor si a suruburilor culbutorilor.

Verificati ca gaurile de ungere (5) a ansamblului cama - patina nu sunt obturate.



4.2. Rampa de culbutori :


Remontati :

4.3. Supapele :


Controlul supapelor :

Masurati diametrul cozii supapei (D1) :

Verificarea resorturilor supapelor :

Se verifica tarajul resorturilor supapelor motoarelor : K7J/710 - K7M/710.

Lungimea libera : 46,64 0,3 mm

Lungimea sub o sarcina de :

3 daN : 37 mm

2 daN : 27,5 mm

Lungimea spirelor lipite : 23,63 0,26 mm

Diametrul sarmei : 3,8 mm

Diametrul interior : 21,5 0,1 mm



ATENTIE !

Respectati pozitia de asezare a supapei pe scaunul sau - exista riscul de neetanseitate.

ATENTIE !

Atunci cand inlocuiti supapele, trebuie obligatoriu sa remontati supape noi care au aceeasi referinta (3) ca si cele vechi, pentru a evita distrugerea ansamblului supapa - scaun.

Ridicarea maxima a supapelor :

Admisie : 9,270 mm,

Evacuare: 9,310 mm.

K7M/710,

Admisie: 10,215 mm,

Evacuare: 8,821 mm.


4.5. Jocul termic al supapelor (se masoara si se regleaza la rece) :

Exista doua metode de control al jocului supapelor :

Se regleaza in acelasi mod ca si la motorul E7J, diferind insa valorile de reglaj :

supape de admisie : 0,10 - 0,15 ;

supape de evacuare : 0,25 - 0,30 ;

0,20 - 0,25 in cazul in care avem supape noi.

Strangeti piulita de reglaj a jocului supapelor la cuplul de 0,9 daN.m.

a)      Prima metoda - "supape in balans".


Plasati supapele cilindrului respectiv in pozitia de sfarsit de evacuare si inceput de admisie

Reglati jocul culbutoruilor cilindrului respectiv











b)      A doua metoda - "supapa de evacuare deschisa la maximum" :


Pozitionati supapa de evacuare deschisa complet la cilindrul :

Verificati jocula supapei de admisie la cilindrul :

Verificati jocula supapei de evacuare la cilindrul :














4.6. Scaunele supapelor :



Admisie

Evacuare

Unghiul de etansare, a



Latimea fetei de etansare, x[mm] :



Inaltimea scaunului, H[mm] :



Diametrul exterior al scaunului, D2[mm] :



Diametrul interior al blocului, D1[mm] :





4.7. Ghidurile supapelor :


a - Masurarea ghidurilor :



Admisie

Evacuare

Lungimea ghidului, in mm



Diametrul exterior al ghidului, in mm


Diametrul interior al ghidului, in mm


Diametrul interior al chiulasei, in mm



b - Inclinarea ghidurilor :

Admisie si evacuare : la unghiul a


c - Pozitionarea ghidurilor :

Admisie (X) = 12,34 ± 0,20 mm,

Evacuare (X) = 12,34 ± 0,20 mm.



4.8. Simeringul cozii supapelor :

Este obligatoriu sa se inlocuiasca simeringul cozii supapelor la fiecare demontare a supapelor.

Demontarea se efectueaza cu ajutorul dispopzitivului din figura a) (Mot. 1335).

Montati obligatoriu simeringul cozii supapelor cu ajutorul dispozitivului:

Figura a) - sus + figura b) - jos

Figura c)



4.9. Diagrama de distributie (in grade °) (neverificabila) :


K7J - 710

Calajul teretic pentru o ridicare de 0,7 mm, jocul fiind nul.

K7M - 710

Calajul teretic pentru o ridicare de 0,7 mm, jocul fiind nul.

Nota :

Intarzierea deschidere admisie fiind negativa, deschiderea supapei se face dupa PMS.

** Avansul inchidere evacuare fiind negativ, deschiderea supapei se face inainte de PMS.


Intarziere deschidere admisie*

Intarziere inchidere admisie = 31

Avans deschidere evacuare = 44

Avans inchidere evacuare** = -9


Intarziere deschidere admisie* = -8

Intarziere inchidere admisie = 27

Avans deschidere evacuare = 29

Avans inchidere evacuare** = -2




4.10. Capacul de chiulasa :


Metoda de strangere a unui capac de chiulasa din aluminiu :

Montati capacul chiulasei impreuna cu o garnitura noua.

4.11. Colectorul de evacuare :


Remontati garnitura noua a colectorului de esapament.

Strangeti in ordine si la cuplu piulitele de fixare a colectorului de esapament (2,5 daN.m).


4.12. Suruburile cutiei de iesire a apei din chiulasa :


Aplicati pe cutia de iesire a apei un cordon de LOCTITE 518 cu o latime de la 0,6 pana la 1 mm.

Remontati cutia de iesire a apei.

Strangeti la cuplu suruburile cutiei de iesire a apei (1 daN.m).



4.13. Garnitura de chiulasa :


K7J/710 - K7M/710 :

La aceste motoare avem numai garnituri de chiulasa metalice a caror grosime se masoara in (1) si este de : 0,35 ± 0,05 mm.



4.14. Chiulasa :


Inaltimea chiulasei (X) masoara 113 ± 0,05 mm.

Deformatia maxima a planului garniturii :

- chiulasa : 0,05 mm.

- blocul - cilindrii : 0,03 mm

Verificati chiulasa pentru a detecta eventualele fisuri cu ajutorul unui dispozitiv special (a se vedea catalogul de echipamente de service).


ATENTIE !

Nici-o rectificare nu este autorizata.




4.15. Strangerea chiulasei :


ATENTIE !

Pentru a obtine o strangere corecta a suruburilor, extrageti cu ajutorul unei seringi, uleiul care se poate gasi in gaurile de fixare din chiulasa.

ATENTIE !

Inlocuiti obligatoriu toate garniturile demontate.

Plasati pistoanele la jumatatea cursei pentru a evitaorice contact cu supapele in momentul strangerii chiulasei.

Montati chiulasa impreuna cu o garnitura noua.

Strangere

chiulasa:

ATENTIE !

Nu restrangeti suruburile chiulasei dupa aplicarea acestei proceduri.



4.16 Arborele cotit :

Marcajele de pe arborele cotit :

Detalii de marcaj (A) :



(1) : clasa de diametre a palierelor,

(2) : clasa pentru palierul N°1 dinspre volantul motor,

(3) : clasa de diametre pentru palierul N°5 dinspre distributie,

(4) : clasa de diametre pentru manetonul N°1 dinspre volantul motor,

(5) : clasa de diametre pentru manetonul N°4 dinspre distributie,



Identificarea diametrului palierelor arborelui cotit pe carterul - cilindrii :

Diametrele (X4) ale palierelor arborelui cotit din bloc sunt reperate printr - o inscriptie situata in (T) sau deasupra filtrului de ulei.


Tabel cu diametrele palierelor blocului motor :


Pozitia gaurilor (T) (mm)

Reperul clasei

Diametrul palierelor pe carterul - cilindrii : (mm)

(X5) = 17


inclus pana la 51,942 exclus

(X5) = 27


inclus pana la 51,949 inclus



Sensul de montaj al cuzinetilor de palier :

Pe blocul-cilindrii puneti cuzinetii cu canale pe toate palierele arborelui cotit.

Pe capacele de palier exista doua tipuri de cuzineti :

B sau E

47,997 inclus la 48,003 exclus

C sau F

48,003 inclus la 48,010 inclus


Cuzinetii de biele :

Motorul este echipat cu cuzineti de biela fara canale de ungere.

Montajul cuzinetilor se efecueaza cu ajutorul dispozitivului (Mot. 1492).

Clasa de diametre ale manetoanelor arborelui cotit 

Clasa de

manetoane


Diametrele manetoanelor (mm)


A


B


C


D


E


F


G


H


Clasa de

manetoane

Diametrele manetoanelor (mm)

J


K


L


O


P


R


S


T


U


V


W


Y


Z





Masurarea diametrelor palierelor :


Diametrul palierelor (mm) (X2) trebuie sa fie :

- Clasa A sau D : 47,990 inclus la 47,997 exclus,

- Clasa B sau E : 47,997 inclus la 48,003 exclus,

- Clasa C sau F : 48,003 inclus la 48,010 inclus.

Masurarea diametrelor manetoanelor :


Diametrul manetoanelor (X3) trbuie sa fie de : 43,97 ± 0,01 mm.




Strangerea palierelor arborelui cotit :

Remontati capacele palierelor arborelui cotit punand palierul N°1 pe partea cu volantul motor.

Montati semi - cuzinetii axiali la palierul N° 3.

Strangeti in ordine, la cuplu si apoi unghiular suruburile capacelor de palier ale arborelui cotit (2,5 daN.m + 47°

Verificati ca arborele se invarteste liber si fara diferente de efort.




Controlul jocului lateral (axial) al arborelui cotit :

Ungeti cu ulei cuzinetii arborelui cotit numai pe fata care vine in contact cu arborele cotit.

Verificati jocul lateral al arborelui cotit care trebuie sa fie :

4.17. Blocul motor (carterul - cilindrii) :



ATENTIE !

Respectati neaparat imperecherile de diametre dinre pistoane si alezajul lor din bloc.

Identificarea diametrlor alezajelor blocului :

Pozitia (X3) a gaurilor (T) in raport cu planul garniturii blocului permite identificarea diametrului alezajelor.

Reperul (1) corespunde cilindrului N°1.

Reperul (4) corespunde cilindrului N°4.

Tabel cu diametrele alezajelor blocului :


Pozitia gaurilor (T)

(mm)

Reperul clasei


Diametrul alezajului blocului - motor (mm)

(X3) = 17


A


inclus la

exclus

(X3) = 27


B



inclus la

exclus

(X3) = 37


C

inclus la 79,530 inclus



4.18. Pistoanele :


Marcajele pistoanelor

Primul model :



(1) Sens de montaj al pistonului, sageata catre volantul motor.

(2) Clasa piston (A-B-C).

(3) Serveste unic pentru furnizor.

(4) Tip motorului.

(5) Axa de simetrie a alezajului boltului.

(6) Axa de simetrie a pistonului.

(7) Dezaxare intre axa de simetrie a boltului si axa de simetrie a pistonului este de 0,8 ± 0,15 mm.

(8) Bosaj pe piston in afara de K7J si K7M 710.

Al doilea model :



(1) Sens de montaj al pistonului, L catre volantul motor.

(2) Clasa piston (A-B-C).

(3) Serveste unic pentru furnizor.

(4) Tip motorului.

(5) Axa de simetrie a alezajului boltului.

(6) Axa de simetrie a pistonului.

(7) Dezaxare intre axa de simetrie a boltului si axa de simetrie a pistonului este de 0,8 ± 0,15 mm.

(8) Bosaj pe piston in afara de K7J si K7M 710.




Masurarea diametrului pistonului :

- Piston fara bosajul (8) :

K7J/710

Masurarea diamtrului pistonului  trebuie sa se faca la cota X1 = 47 0,15 mm

K7M/710

Masurarea diamtrului pistonului  trebuie sa se faca la cota X1 = 40,45 0,15 mm


Clase de diametre ale pistoanelor :

- Evolutia diametrului pistoanelor :

Aceasta evolutie a diametrului este aplicata pistoanelor din «al 2 - lea model».

Clasa piston


Diametru piston (mm)

1 - ul model


Diametru piston (mm)

al 2 - lea model


A


79,465 la 79,475 exclus


79,460 la 79,470 exclus


B

79,475 inclus la 79,485 exclus


79,470 inclus la 79,480 exclus


C



79,480 inclus la 79,490 inclus


Jocul termic de montaj

0,025 la 0,045 mm

0,030 la 0,050 mm



4.19. Bielele :


Strangerea capacelor de biela :

Remontati capacele de biele.

Strangeti la cuplu toate piulitele capacelor de biele (1 daN.m prestrangere urmata de o strangere de 4,3 daN.m).

Masurarea bielelor :

Jocul lateral al capului bielei :

- K7J : 0,205 la 0,499 mm,

- K7M : 0,310 la 0,604 mm.

Jocul diametral al capului bielei : 0,022 la 0,045 mm.

Distanta intre axele capului si piciorului bielei : 128 ± 0,035 mm.

Diametrul capului de biela : 47,612 la 47,627 mm.

Diametrul piciorului de biela: 18,953 la 18,966 mm.

Diferenta maxima de greutate a ansamblului piston - segmenti - bolt -biela pentru un motor trebuie sa fie 6 grame.



4.20. Segmentii :


1 - Grosimea segmentilor (mm) :

4.21. Controlul pistoanelor si al segmentilor :


1 - Verificarea jocului intre canalul din piston si segmenti :

Masurati jocul pe verticala cu ajutorul unor cale (1).


Puneti segmentul (3) in cilindru fara a fi asamblat pe piston.

Impingeti segmentul (3) pana la mijlocul cilindrului cu ajutorul pistonului (4).

Masurati jocul dintre segment si peretele cilindrului cu ajutorul unor lere (5).

4.22. Asamblarea laterala a motorului :


Capacul de inchidere al arborelui cotit (spre distributie) :

Remontati capacul de inchidere al arborelui cotit.

Strangeti in ordine si la cuplu suruburile capacului de inchidere al arborelui cotit (1,2 daN.m).

Pompa de apa :

Aplicati una sau doua picaturi de LOCTITE FRENETANCH pe suruburile (1) si (4) ale pompei de apa.

Strangeti in ordine si la cuplu:

4.23. Axul pistonului :

Axul pistonului (boltul) este montat liber in piston si cu strangere in piciorul bielei.

Masurarea axului pistonului :

4.24. Carterul inferior :


Strangerea suruburilor baii de ulei :

Prestrangeti in ordine si la cuplu :

4.25. Presiunea de ulei :


Controlul presiunii de ulei :

Asigurati-va ca nivelul de ulei motor sa fie intre reperele 'MINIM' si MAXIM'.

Utilizati dispozitivul (Mot. 836-05) si o dulie lunga de 22 mm.

Controlul presiunii uleiului trebuie sa fie efectuat cu motorul cald (aproximativ 80°C).

Pentru motorul K7J 710 + motorul K7M 710 piesele : C + E + F

Bransati manometrul in locul contactorului de presiuneulei.

Motor K7J, K7M:

- Ralanti: 1 bar

- 3000 rot/min: 3 bari

Strangeti la cuplu contactorul de ulei (3,5 daN.m).





V. CALAREA DISTRIBUTIEI :


5.1. Demontarea curelei de distributie :


Demontati busonul de calibru tija de Punct Mort

Superior (2).

Demontati:

- carterul de distributie inferior (3),

- carterul de distributie superior (4).



Reinfiletati surubul fuliei de accesorii a arborelui cotit cu o antretoaza.

Rotiti arborele cotit in sens orar pentru a aduce

reperul pinionului arborelui cu came cu un dinte in fata axei verticale a pinionului (punct superior (5)) si reperul pinionului arborelui cotit cu un dinte in fata axei verticale a pinionului (punct inferior (6)).

Montati calibrul tija de Punct Mort Superior (Mot. 1489).

Rotiti arborele cotit in sens orar apasand pe Calibrul Tija de Punct Mort Superior (Mot. 1489), pana lacalajul arborelui cotit.

Demontati:

- piulita (7) de fixare a galetului intinzator,

- cureaua de distributie,

- galetul intinzator.



5.2. Montarea curelei de distributie :


ATENTIE !

Inlocuiti obligatoriu o curea demontata.

ATENTIE !

In momentul inlocuirii curelei, trebuie sa inlocuiti obligatoriu galetul intinzator.

ATENTIE !

Inlocuiti obligatoriu surubul de fixare a fuliei de

accesorii a arborelui cotit.

Remontati galetul intinzator.

Montati cureaua de distributie aliniind reperele

curelei cu cele ale pinioanelor arborelui cu came (8) si ale arborelui cotit (9).

Ordine de rulare:

- fulie arbore cotit,

- galet intinzator,

- fulie arbore cu came,

- fulie pompa de apa.






5.3. Procedura de tensionare :


Puneti galetul intinzator rezemat pe cureaua de distributie.

Strangeti usor piulita de fixare a galetului intinzator.

Demontati calibrul tija de Punct Mort Superior (Mot. 1489).

Montati dispozitivul de pretensionare a curelei de distributie (Mot. 1501) pe pinionul arborelui cu came (10).

Aplicati o pretensionare, pe sectiunea curelei de distributie (11), cu ajutorul unei chei dinamometrice 'cuplu slab' reglata la cuplul de 1 daN.m.

Demontati dispozitivul (Mot. 1501).



Montati dispozitivul intinzator de cureaua de distributie (Mot. 1135-01) (12).

Intindeti cureaua de distributie, rotind galetul intinzator cu ajutorul dispozitivului (Mot. 1135-01) in sens invers acelor de ceasornic.

Reglati tensiunea curelei cu ajutorul dispozitivului (Mot. 1505) sau (Mot. 1715) la valoarea de 165 Hz ± 20, (consultati NT 3786A, Ansamblu motor si parte inferioara motor, 10A, Aparat de control tensiune curele: Utilizare).

Strangeti la cuplu piulita de fixare a galetului intinzator (5 daN.m).

Efectuati doua rotatii ale arborelui cotit in sens orar.

Efectuati calajul motorului la Punctul Mort Superior cu ajutorul dispozitivului (Mot. 1489).

Demontati calibrul tija de Punct Mort Superior (Mot.1489).

Remontati dispozitivul de pretensionare a curelei de distributie (Mot. 1501) pe pinionul arborelui cu came.

Aplicati o pretensionare, pe sectiunea curelei de

distributie, cu ajutorul unei chei dinamometrice

'cuplu slab' reglata la cuplul de 1 daN.m.

Demontati dispozitivul (Mot.1501).

Verificati cu ajutorul dispozitivului (Mot. 1715) sau(Mot. 1489), ca tensiunea curelei de distributie sa fie de 165 Hz ± 20.

Daca valoarea tensiunii este in afara tolerantei, reajustati-o reluand procedura de tensionare de la inceput.


Strangeti la cuplu si la unghi surubul de fixare a fuliei arborelui cotit (3 daN.m + 80° ± 5), blocand volantul motor cu ajutorul unei surubelnite.

Aplicati un strat subtire de LOCTITE FRENETANCH, pe suruburile de fixare a carterului de distributie superior.

Strangeti la cupluri :

VI. Piese care au o inlocuire sistematica :


Surubul fuliei arborelui cu came,

VII. PARTICULARITATI :

Spalarea motorului :

A se proteja diferitele accesorii pentru a evita patrunderea apei si a produselor de spalare in acestea. A nu se introduce apa in colectorii de admisie si de evacuare.

Montarea filetelor adaugate :

Gaurile tarodate ale ansamblului pieselor din componenta motorului poate fi repus in starea de functionare cu ajutorul unui kit de repartie pentru filete adaugate.

Spalarea pieselor motorului :

Atentie !

In timpul curatirii pieselor, este obligatoriu de a nu ciocni sau lovi piesele intre ele, existand riscul de a le deteriora deci adaptarea acestora la conditiile ulterioare de functionare a motor




Document Info


Accesari: 12947
Apreciat: hand-up

Comenteaza documentul:

Nu esti inregistrat
Trebuie sa fii utilizator inregistrat pentru a putea comenta


Creaza cont nou

A fost util?

Daca documentul a fost util si crezi ca merita
sa adaugi un link catre el la tine in site


in pagina web a site-ului tau.




eCoduri.com - coduri postale, contabile, CAEN sau bancare

Politica de confidentialitate | Termenii si conditii de utilizare




Copyright © Contact (SCRIGROUP Int. 2025 )