Am uitat parola
x
Creaza cont nou
Home
Exploreaza
Upload
Tehnologii Electrice Speciale - -
tehnica mecanica
ALTE DOCUMENTE
Interferenta undelor mecanice.Unde stationare
ADVANCED CONVERTERS FOR FUEL CELL POWER SYSTEMS
Electricitate
DEFORMAŢII - Deformatii elastice
SISTEME DE IDENTIFICARE
Lucrator în electrotehnica tema 6
Sprijinirea dezvoltarii microintreprinderilor
AMARAREA MARFURILOR. MIJLOACE SI MATERIALE DE AMARARE
Energia cinetica
Eurocrypt de la A la Z
Profesor
Nicoara Dan Student:
Csenteri-Arjoca Andrei
AnV ET Gr. 1.2
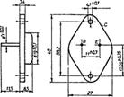
D25N2
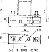
BDX 67A
Document Info
Accesari: 2427
Apreciat:
Comenteaza documentul:
Nu esti inregistrat
Trebuie sa fii utilizator inregistrat pentru a putea comenta
Creaza cont nou
A fost util?
Daca documentul a fost util si crezi ca merita
sa adaugi un link catre el la tine in site
Copiaza codul:
in pagina web a site-ului tau.
Tehnologii Electrice Speciale - -
eCoduri.com - coduri postale, contabile, CAEN sau bancare
Politica de confidentialitate
|
Termenii si conditii de utilizare
Copyright
©
Contact
(
SCRIGROUP Int. 2025
)