Principii de functionare si realizare a centralelor eoliene
2.1. Instalatii eoliene. Principii de functionare. Clasificari
O instalatie eoliana include īn componenta sa un generator, mecanismul actionat, dispozitivul de transmisie mecanica si mai multe sisteme de orientare, stabilizare, reglaj si protectie, alte elemente constructive (fig. 2.1 ).

Fig. 2.1. Elementele componente ale unei centrale eoliene
In aceasta figura se prezinta structura interna a unei turbine eoliene, care consta din urmatoarele elemente:
Nacela (2) - contine componentele cheie ale turbinei, incluzand cutia de viteze si generatorul electric. In fata nacelei este rotorul turbinei cu paletele (1) si hub-ul (9) cuplat la axul principal (8). Cutia de viteze (7) mareste viteza de rotatie de aproximativ 50 de ori fata de viteza redusa a rotorului cu palete. Instalatia este echipata cu o frana mecanica cu disc (6), care poate fi folosita in cazuri de urgenta. Generatorul turbinelor de vant (5) conectat printr-un ax de mare viteza, converteste energia mecanica in energie electrica. El difera fata de generatoarele obisnuite, deoarece trebuie se lucreze cu o sursa de energie primara care furnizeaza o putere mecanica fluctuanta. Pe scara larga, la turbinele de 100-500kW, tensiunea generata este de 690V c.a. trifazat, fiind necesar un transformator ridicator de tensiune de 10 sau 30 kV, pentru a putea fi conectat la reteaua nationala de medie tensiune. Turbinele pot fi construite atat cu generatoare sincrone cat si asincrone si cu diferite tipuri de conectare la retea: direct sau indirect. . Turnul turbinei (3) sustine nacela si rotorul. In general este avantajos un turn inalt deoarece vantul e mai puternic. O turbina de 600kW are turnul de 40-60m.
2.2 Solutii pe plan mondial in realizarea instalatiilor eoliene
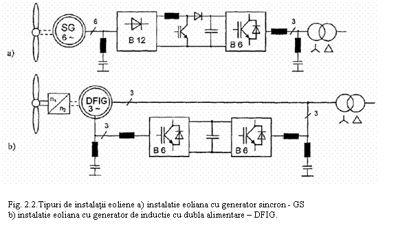
Exista doua tipuri majore de generatoare pentru centralele eoliene si anume: cu viteza constanta sau cu viteza variabila. Generatoarele utilizate pot fi asincrone cu rotorul in scurt circuit sau rotorul bobinat sau sincrone (GS) cu excitatie separata sau cu magneti permanenti.
Instalatia eoliana cu viteza constanta si generatorul asincron cu rotorul in scurt-circuit reprezinta solutia clasica, denumita si metoda daneza. In acest caz trebuie rotita nacela (yaw), 23423o143x precum si unghiul de inclinare a paletelor pentru modificarea unghiului de atac (pitch). Sistemele bazate pe generatoare cu viteza constanta merg in principiu cu viteza mecanica constanta avand masini cu inductie de inalta eficenta ce functioneaza la viteze de super-sincronizare. Variatia vitezei pe unitate este in mod uzual mai mica de 1%. Aceste generatoare de inductie cu viteza constanta sunt simple si nu incorporeaza electronica de putere.
Instalatia eoliana cu viteza variabila, reprezentand metoda moderna, utilizeaza in mod uzual generatoare de inductie cu dubla alimentare (DFIG), avand avantajul utilizarii eficiente a energiei vantului, reducerii partii mecanice (nacela usoara, cutie de viteze redusa sau absenta si turn zvelt), dar avand o parte electrica si electronica complexa, necesitand algoritmi de conducere pretentiosi. Viteza mecanica de rotatie a masinii poate fi controlata prin reglarea frecventei curentului de alimentare a rotorului. Aceste elemente si modul in care se pot interconecta centralele eoliene sunt prezentate in lucrarea - Bringing wind power ashore - (Brian Richardson, Peter Jones), IEE Power Engineer , February/March 2004. Doua tipuri de instalatii eoliene sunt prezentate in figura 2.2:

Un model performant de turbina eoliana cu viteza variabila utilizand un generator de inductie cu dubla alimentare (DFIG - doubly fed induction generator), caracterizat prin cresterea calitatii, eficentei si controlabilitatii a fos prezentat in lucrarea - Modeling of the Wind Turbine With a Doubly Fed Induction Generator for Grid Integration Studies - (Lei Y. Mullane A. Lightbody G. Yacamini R.) IEEE Transactions on Energy Conversion, ISSN: 0885-8969 ,
Turbina, fiind elementul central al instalatiei, efectueaza procesul de conversie a energiei eoliene īn energie mecanica, avānd la baza fortele de interactiune īntre elementele active ale turbinei si curentul de aer care īl ataca cu o anumita viteza. Dintre fortele care apar la aceasta interactiune se vor evidentia doua cele mai importante: forta aerodinamica de ascensiune si forta de presiune frontala.
comprimat (compresor), fie īn alt tip de energie. Dispozitivul de transmisie mecanica are rolul de a acorda parametrii energiei la arborele turbinei cu parametrii acesteia la arborele de intrare a mecanismului actionat si va contine dupa caz un reductor de ridicare a vitezei si cuplaje elastice sau rigide.
Se utilizeaza mai multe principii de clasificare a aeromotoarelor eoliene:
conform principiului de functionare;
conform orientarii axului principal;
conform nivelului de viteza.
Īn cele ce urmeaza se va examina principiul de functionare al celor mai raspāndite tipuri de aeromotoare, fiind clasificate conform principiilor mentionate mai sus.
2.2.1. Turbine cu ax orizontal
La momentul actual sunt cele mai diverse din punct de vedere constructiv si cele mai raspāndite. Motoarele cu ax orizontal, sau altfel numite motoare cu elice sau cu propelor (figura 2.3 a, b, c si d) pot avea de la una pāna la 24 si mai multe pale. Motoarele cu 1-3 pale sunt, de regula, de viteza īnalta si dimpotriva, cele cu mai multe pale dezvolta cupluri motoare sporite la viteze de rotatie mici si sunt destinate pentru viteze reduse ale vāntului.

Fig. 2.3 Aeromotoare cu ax orizontal:
cu una (a); doua (b), trei (c) si multe (d) pale.

Fig. 2.4. Sisteme de orientare dupa vānt:
a - cu stabilizator, b - cu vendroza, c - cu servomotor, d - cu autoorientare (īn spatele turnului)
Palele cu profil aerodinamic, confectionate, de regula, din lemn sau din fibre de sticla,
se monteaza pe un butuc si formeaza rotorul turbinei. Axul principal al rotorului prin dispozitivul de transmisie se uneste cu mecanismul actionat.
Rotorul si celelalte utilaje se monteaza pe o platforma rotitoare (nacela), care este suspendata pe vārful (capul) unei ferme metalice sau a unui turn cu īnaltimea dupa caz de 10-50 m.
Cuplul motor apare ca rezultat al actiunii fortelor aerodinamice de ascensiune.
Pentru o eficienta utilizare a energiei vāntului rotorul generatorului permanent trebuie orientat astfel ca planul de rotire al palelor sa fie perpendicular pe directia vāntului. Pot fi doua cazuri de amplasare a rotorului īn stare de lucru: īn spatele sau īn fata turnului. In primul caz (fig.2.4, d) rotorul singur poate sa se orienteze dupa vānt, poate functiona fara un dispozitiv special de orientare.
Apare īnsa efectul de umbra ca urmare a faptului ca palele periodic se afla īn umbra turnului pentru un timp cānd ele nu sunt actionate, ceea ce rezulta o sarcina dinamica periodica asupra palelor si elementelor constructive, vibratii si zgomote.
Mai efectiv este utilizata energia curentului de aer īn instalatiile cu amplasarea rotorului īn fata turnului, īnsa īn acest caz este necesar un dispozitiv sau sistem special de urmarire si orientare a rotorului īn pozitie de lucru.
Īn instalatiile de putere mica īn acest scop sunt prevazute stabilizatoare (fig. 2.4, a) sau dispozitive multipale cu transmisie melcata, numite vendroze (figura 2.4, b). La puteri mari instalatiile se doteaza cu sisteme hidraulice de orientare cu comanda de la calculator (fig. 2.4, c). Captatorul de semnale de directia si viteza a vāntului, de regula de tip electroanemometric, este amplasat īn afara zonei de influenta a turbinei la īnaltimea respectiva de la sol.
Īn fig. 2.5 este prezentata schema unei instalatii cu mai multe aeromotoare cu ax orizontal, montate pe o singura ferma de suport de mare īnaltime, care poate prezenta interes pentru localitati cu vānt cu o directie preponderenta.
Anumite avantaje pot fi obtinute la folosirea aeromotoarelor cu doua rotoare coaxiale (fig. 2.6). Rotoarele au sens opus de rotatie si sunt cuplate rigid sau prin cuplaje elastice respectiv cu rotorul electrogeneratorului si statorul acestuia care se roteste īn lagare proprii. Daca ambele rotoare ale aeromotului au, de exemplu, turatia nominala de 350 rot/min atunci se va putea utiliza un electrogenerator de viteza īnalta (700 rot/min) fara reductor intermediar.

2.2.2. Turbine cu ax vertical
Din grupul generatoarelor cu ax vertical cele mai importante sunt: generatoarele cu rotor Darrieus, generatorul Evence si generatorul Musgroove.
Aceste tipuri de motoare, dupa cum demonstreaza numeroase investigatii teoretice si īncercari experimentale, pot concura cu motoarele cu ax orizontal, chiar avānd anumite prioritati, fiind folosite īn instalatii de putere mare (ordin sute si mii kW).
Rotorul Darrieus (fig. 2.7, a) cu doua sau trei pale subtiri cu profil aerodinamic, fiind curbate si īncastrate cu ambele capete la un ax vertical, foloseste fortele maxime īn momentul cānd paleta cu viteza mare īntretaie curentul de aer atacant. Acest motor dezvolta un cuplu initial de pornire mic din care cauza lung timp el se considera neperspectiv. Īnsa fiind completat cu un mic motor Savonius, el usor demareaza īn regim fara sarcina.
Rotorul generatorului Evence (fig. 2.7, c) are doua pale cu profil aerodinamic, montate pe o traversa orizontala, care se sprijina pe turnul vertical al instalatiei. Un avantaj deosebit al acestei turbine, ca si īn cazul rotorului Darrieus, consta īn faptul ca reductorul, electrogeneratorul si alte elemente de transmisie mecanica se monteaza jos la baza instalatiei, cuplarea rotorului efectuāndu-se prin prelungirea arborelui principal.
Rotoarele acestor motoare nu trebuie orientate dupa vānt.
O varianta originala de turbina cu doua rotoare Evence este prezentata īn fig. 2.7. La puteri mici instalatia poate fi montata chiar si pe un vehicul.
Motorul Musgroave (figura 2.7,b) are principiul de functionare similar cu cel al motorului Evence, dar el prevede si posibilitatea suprapunerii palelor pe bārna transversala, altfel spus scoaterea acestora de sub actiunea vāntului īn caz de furtuni cu viteze periculoase pentru instalatie.
Aeromotoarele cu tambur si de tip carusel sunt cele mai vechi tipuri de motoare eoliene. Motoarele cu tamburul format din placi radiale functioneaza asemanator rotilor (turbinelor) de apa. Cuplul motor este format de forta de presiune a vāntului.
![]()

Daca la motoarele cu elice sunt active concomitent toate palele, atunci īn cazul motoarelor cu tambur participa la formarea cuplului motor doar acele palete a caror miscare coincide cu directia vāntului. Pentru a reduce rezistenta opusa de palete la miscarea lor īmpotriva curentului de aer, aceasta parte a rotorului se acopera cu un paravan sau paletele se curbeaza.
2.4. Caracteristicile energetice ale vāntului
Energia cinetica a vāntului se transforma īn turbina īn energie mecanica, care apoi se utilizeaza nemijlocit pentru efectuarea lucrului mecanic, sau, dupa caz, se transforma īn energie electrica, pneumatica sau de al tip.
Energia cinetica E a unui curent de aer cu aria sectiunii transversale A se calculeaza din formula:
Masa aerului care trece prin sectiunea A īntr-o secunda se calculeaza cu formula:
M=rAv
Atunci:
E=rAv3/2
unde
reprezinta
densitatea aerului, egala cu 1,23 kg/m3 īn conditiile normale
de temperatura (t=15 °C) si presiune (p = 101,3 kPa) si foarte
putin depinde de variatia factorilor meteorologici.
Din (2.3) se observa ca energia specifica a curentului de aer este proportionala cu cubul vitezei V a acestui curent si la un metru patrat al sectiunii transversale va constitui (tabelul 2.1):
Astfel, cel mai important dintre parametrii energetici ai vāntului este viteza lui. Afara de viteza, pentru a alege tipul centralei eoliene, sau pentru a proiecta o instalatie si a efectua calculul eficientei economice a acesteia, vor fi necesare, de asemenea, informatii privind viteza maxima si frecventa de repetitivitate īn timp a diferitelor gradatii de viteza, date privind durata si frecventa perioadelor de calm.
Tabelul 2.1
|
V, m/s |
|
|
|
|
|
|
|
|
P, W/m2 |
|
|
|
|
|
|
|
Vāntul, dupa cum s-a mentionat deja, reprezinta un proces geofizic foarte complicat, viteza si directia acestuia sunt marimi permanent variabile si pot fi apreciate doar cu o anumita probabilitate, folosind date statistice acumulate pe parcursul unei perioade īndelungate de timp.
2.5 Principiul de functionare al turbinei cu pale
Teoria clasica liniara a generatorului reprezinta rotorul acestuia sub forma de disc cu un numar infinit de pale īnguste si subtiri, transparent pentru curentul de aer care curge fara turbulenta (fig.

Fig. 2.8. Modelul teoretic al turbinei.
Curentul de aer, īn rezultatul interactiunii cu discul transparent, cedeaza o parte din energia sa. Forta de actiune a vāntului asupra rotorului poate fi calculata ca diferenta a cantitatilor de miscare pāna si dupa disc a masei m de aer, care trece īntr-o unitate de timp prin sectiunea baleata de rotor:
(2.17)
Puterea dezvoltata de motor se va determina cu formula
(2.18)
unde V1 reprezinta viteza curentului de aer īn sectiunea A1. Se poate demonstra ca
(2.19)
Introducānd notiunea de factor de frānare a curentului de aer īn motor
si luānd īn consideratie ca
relatia
(2.18) se va aduce la forma:
(2.21)
Īn (2.21) produsul
reprezinta
energia cinetica (puterea) a curentului de aer pāna la
patrunderea lui īn rotor. Deci,
(2.22)
Unde,
(2.23)
Coeficientul Cp reprezinta un important parametru, numit factor de putere, care caracterizeaza randamentul conversiei energetice, scoate īn evidenta partea puterii initiale a curentului de aer, cedata la trecerea acestuia prin discul transparent al rotorului.
Se poate demonstra ca factorul de putere are valoarea maxima
(2.24)
īn cazul īn care factorul de frānare obtine valoarea e=2/3. Deci curentul de aer poate ceda rotorului nu mai mult decāt 59,3 la suta din energia sa initiala PO afirmatie care este cunoscuta ca criteriu Betz, si aceasta teoretic se va realiza, daca curentul de aer va avea dupa rotor viteza V2=1/3.VO. In realitate chiar si cele mai bune motoare eoliene rapide au factorul de putere a carui valoare nu depaseste 0,45 - 0,48, iar la motoarele de turatie joasa Cpmax=0,35
Revenind la formula (2.17), se precizeaza ca FA reprezinta forta de presiune frontala asupra rotorului. Substituind V2 din (2.19) formula (2.17) se aduce la forma:
(2.25)
Unde,
(2.27)
reprezinta factorul fortei de presiune frontala, a carui valoare depinde de tipul rotorului si forma elementelor active ale acestuia.
Factorul fortei presiunii frontale are valoarea maxima CF = l pentru e = l/2, ceea ce corespunde situatiei limita cānd V2 = 0. Daca sa comparam cu criteriul Betz conform caruia factorul de putere are valoare maxima la viteza V1=2/3.V0 putem constata ca factorul fortei de presiune īn aceste conditii va obtine valoarea CF = 8/9.
Factorul
īn (2.26) si,
respectiv, forta de presiune asupra rotorului instalatiei eoliene
creste patratic odata cu majorarea vitezei vāntului. De regula, la viteze de 20-25 m/s
aceasta sarcina poate atinge valori periculoase pentru duritatea mecanica a elementelor
constructive a instalatiei.
Evitarea acestei suprasarcini poate fi efectuata prin diferite modalitati:
la viteze mari ale vāntului rotorul se scoate de sub actiunea acestuia prin rotirea palelor (īn regim de girueta) sau prin fixarea rotorului īn plan paralel cu vectorul vitezei vāntului;
prin reducerea puterii solicitate la arborele motorului si respectiv a presiunii frontale;
folosind pale cu profil variabil dealungul acestora, calculat astfel īncāt la viteze mari sa se asigure autofrānarea rotorului;
frānarea fortata a rotorului.
Cāt priveste cuplul dezvoltat de rotor acesta poate fi calculat pornind de la puterea curentului cedata rotorului care se roteste cu viteza unghiulara Ω:
Sau
(2.29)
Unde,
(2.30)
poate fi numit cuplul maxim si reprezinta o marime de calcul, fiind faptul ca nu exista conditii reale īn care forta FA ar atinge valoarea FAmax si, pe de alta parte, ea reflecta integral fortele elementare de presiune repartizate de-a lungul palei, la diferite valori ale razei de la arborele rotorului. ormula (2.30) poate fi scrisa astfel:
(2.31)
Īn aceasta relatie, Z reprezinta cel mai important parametru de calitate al rotorului cu pale numit factor de rapiditate:
(2.32)
Atāt factorul de putere CP, cāt si factorul cuplului CM=CP/Z sunt functii de parametrul adimensional Z.
Factorul Z, numit altfel pitchi al turbinei, exprima raportul dintre viteza liniara la periferia rotorului si viteza curentului de aer atacant.
Caracteristicile aerodinamice ale turbinei pot fi calculate, īnsa īn majoritatea cazurilor ele se ridica experimental.
De asemenea, se va mentiona ca daca se
doreste ca turbina sa functioneze
permanent cu un randament maxim, atunci trebuie mentinuta
constanta valoarea parametrului Z. De exemplu, daca valoarea
vitezei vāntului Vo este variabila, atunci
turatia rotorului Ω se va regla astfel, īncāt raportul
sa fie constant.
Pentru o mai buna
īntelegere a principiului de functionare al turbinei cu
pale (propeler) vom examina interdependenta dintre viteze si fortele care actioneaza
asupra palei rotorului. Īn fig. 2.9, a este prezentat un element al palei (īn sectiune
transversala cu grosimea dr), īndepartat la distanta r de la axa de rotatie (pe
care este trasata diagrama vitezelor).
Vectorul
reprezinta
viteza vāntului, vectorul
-viteza liniara a elementului evidentiat
al palei si este orientat īn planul de rotatie al palelor. Vectorul
rezultant
reprezinta
viteza relativa a curentului de
aer fata de elementul respectiv al palei si īn raport cu linia
de baza (coarda) a profilului
formeaza unghiul de atac
. Unghiul
dintre planul de rotire al rotorului (axa y)
si linia de baza a profilului reprezinta unghiul de blocare a palei.
Īntre unghiul de atac
, unghiul de blocare
, viteza vāntului V0
si viteza unghiulara
a rotorului
exista urmatoarea relatie:
sau daca r=R, atunci, ![]()
deci unghiul
rezultant
poate fi reprezentat
ca arcctg(Z).
2.6. Centrale aerogeneratoare conectate la reteaua publica
Mai multe turbine eoliene, de regula, īn grup de pāna la 30-50 unitati alcatuiesc o centrala (ferma) eoliana (CE), care prin intermediul unui sau a mai multor transformatoare de ridicare a tensiunii sunt conectate la reteaua publica de putere considerabil de mare īn raport cu puterea totala a instalatiilor eoliene (fig. 1.28).
Aceasta varianta de folosire a energiei este cea mai raspāndita īn localitatile cu conditii eoliene favorabile si īn care exista sisteme energetice publice. Energia generata de CE este completamente cedata sistemului energetic pe baza comerciala. Consumatorii proprii ai CE, de asemenea, sunt conectati la reteaua publica, consumul fiind contorizat.

Fig. 2.10. Schema de conexiuni electrice a unei centrale eoliene:
1 - aerogenerator; 2, 3,4, 6, 7 - īntrerupatoare automate; 5 - transformator 10/35kV; 8 - transformator 10/0,4 V; 9 - consumatori proprii.
Īn aceste conditii cele mai indicate sunt instalatiile cu generatoare asincrone datorita fiabilitatii īnalte, pretului de cost si cheltuielilor de īntretinere minime. In mod automat se rezolva problema sincronizarii.
Nivelul stabilizat al tensiunii si frecventei la bornele generatoarelor este impus si mentinut de reteaua puternica, fara interventia oricarui sistem de reglare. Sistemul de comanda intervine doar cu semnale de deconectare a generatorului de la retea atunci cānd viteza vāntului este prea mica si aerogeneratorul ar putea trece īn regim de ventilator cu consum de energie de la retea.
Turatia practic constanta a generatorului, impusa de frecventa tensiunii īn retea va conditiona o functionare a turbinei īn regim nu totdeauna optim. Īn aceste conditii pot fi utile urmatoarele modalitati de asigurare a regimului optim de conversie a energiei īn turbina:
se utilizeaza un generator asincron cu numar de perechi de poli care se regleaza īn trepte īn functie de viteza instantanee a vāntului;
generatorul functioneaza cu turatie optima variabila īn functie de viteza instantanee a vāntului, energia obtinuta (cu frecventa si tensiunea nestabilizate) se redreseaza, apoi se transforma īn energie de curent alternativ cu parametrii stabilizati, folosind un invertor comandat de retea. Turatia motorului se regleaza īn functie de viteza vāntului, modificānd sarcina invertorului (puterea energiei cedate spre retea);
īn anumite limite poate fi largit domeniul de variatie a turatiei turbinei, modificānd caracteristica electromecanica a generatorului asincron, folosind impendante reglabile īn circuitul static al acestuia.
O varianta de perspectiva reprezinta instalatiile cu generator asincron cu īntrefier axial si rotorul disc, a carui viteza nominala joasa concordeaza favorabil cu viteza aeromotoarelor, pastrānd īn acelasi timp toate avantajele generatoarelor asincrone clasice [53].
2.7. Potentialul energetic eolian al Romāniei. Perspective de utilizare
|