Colegiul Tehnic "Domnul Tudor"
Drobeta Turnu Severin
Calificarea profesionala: tehnician electrotehnist
INDRUMATOR : ELEV :
TEMA
APARATE DE PROTECTIE
CUPRINS
Argument
CAPITOLUL I : Sigurante fuzibile
CAPITOLUL II. : Generalitati, clasificarea si caracteristicile releelor.
CAPITOLUL III. : Tipuri de relee.
CAPITOLUL IV. : Principii de functionare ale releelor.
CAPITOLUL V. : Sisteme de protectie prin relee.
Anexe si bibliografie.
ARGUMENT
O data cu dezvoltarea instalatiilor electrice protejate si a sistemelor energetice a avut loc perfectionarea tehnicii protectiei prin relee, elaborarea unor noi principii de functionare a protectiilor si a unor noi tipuri de relee, care sa satisfaca cerintele impuse de noul stadiu de dezvoltare a instalatiilor protejate.
Protectia prin relee a unei instalatii electrice este formata din totalitatea aparatelor si dispozitivelor destinate sa asigure in mod automat deconectarea instalatiei in cazul aparitiei unui defect sau a unui regim anormal de functionare, periculos pentru instalatie; in cazul defectelor si regimurilor anormale care nu prezinta un pericol imediat, protectia prin relee nu comanda deconectarea instalatiei, ci semnalizeaza aparitia regimului anormal.
Pentru lichidarea optima a defectelor, functionarea protectiilor prin relee trebuie sa satisfaca o serie de performante ca: rapiditatea, selectivitatea, siguranta, sensibilitatea si independenta 616j95g fata de conditiile exploatarii.
In structura sistemelor automate se intalneste o mare varietate de elemente electrice si electronice de comutatie, utilizate la comutarea circuitelor electrice in scopul realizarii comenzilor si a stabilirii, respectiv intreruperii curentului electric in circuitele energetice.
CAPITOLUL I.
SIGURANTE FUZIBILE
Sigurantele fuzibile sunt aparate pentru protectie atat la suprasarcina, cat si
la scurtcircuit. Au in constructia lor un fuzibil strabatut de curentul
supravegheat si care intrerupe circuitul prin topire. Legatura dintre curentul
electric si timpul in care are loc topirea fuzibilului se numeste caracteristica sigurantei
fuzibile I=f(t).
Sigurantele fuzibile de joasa tensiune se executa in 2 variante constructive:
cu filet (pana la 100 A) ;
cu mare putere de rupere (de la 100 la 630 A).
Sigurantele cu filet sunt formate din 3 elemente principale:
soclul;

Sigurantele cu mare putere de rupere se mai numesc si sigurante cu maner
datorita manerului cu care se poate monta fuzibilul in soclul sigurantei.
Aceste sigurante, inca mult raspandite, constau dintr-un corp de ceramica,
format din cilindri de diametre diferite. La ambele capete se gasesc contacte
metalice, legate printr-un fir amplasat intr-o camasa de nisip cuartos. La o
anumita depasire a curentului nominal (suprasarcina) acest fir se topeste si se
intrerupe circuitul, inainte sa apara defectiuni in retea. Timpul de reactie
variaza - dupa intensitatea curentului - intre cateva fractiuni de secunda si
mai multe secunde.
La exterior se recunoaste o siguranta arsa dupa pastila de identificare cazuta sau topita. Aceasta este o placuta mica metalica amplasata pe centrul capacului de contact exterior. Capacele soclurilor sunt prevazute cu un vizor de sticla pentru observarea starii sigurantelor dintr-o privire. Pentru o verificare precisa trebuie demontat elementul de siguranta, deoarece se poate intampla ca si dupa topirea firului, pastila sa adere in continuare la corpul ceramic.
Elementele fuzibile au diametre diferite la capatul subtire; cu cat este mai mare curentul nominal, este mai mare si diametrul. Pentru a evita montarea unor elemente fuzibile prea puternice, care sa fie ineficiente in cazul unei suprasarcini, soclurile acestora sunt prevazute cu suruburi de reglaj care corespund diametrelor corecte ale fiecarui element de siguranta.
Daca in caz de urgenta se foloseste un element mai slab (mai subtire), aceasta nu prezinta risc pentru protectie. In cel mai rau caz se arde siguranta la punerea in functiune a consumatorului.
Utilizare
-sigurantele cu element fuzibil se utilizeaza astazi de regula inaintea
contorului, intre rampa de alimentare si tabloul de distributie al locuintei.
La echipamentele mai vechi se intalnesc si in tablourile de distributie ale
locuintelor, domeniu in care predomina de multa vreme sigurantele automate si
intrerupatoarele automate de protectie. Ocazional se instaleaza sigurante
fuzibile si la constructii noi. Acestea se utilizeaza de regula la circuite
destinate alimentarii unor masini sau utilaje de putere mare pe o perioada
scurta.
CAPITOLUL II.
GENERALITATI, CLASIFICAREA SI CARACTISTICILE RELEELOR
Releul este un aparat care comuta, sub actiunea marimii de intrare, unul sau mai multe elemente de comutatie de mica putere in scopul comenzii altor elemente. Releele de protectie pot realiza contacte electrice ducand la intreruperea instalatiei cu energie electrica, deci la protectia acesteia.
Cele mai simple relee se compun dintr-un element de intrare I, denumit uneori si element sensibil, un element comparator K si un element de executie E cu una sau mai multe iesiri (anexa 1 fig.1).
1.1.Clasificarea releelor
Releele folosite in sistemele electrice functioneaza dupa aceleasi principii ca si aparatele de masurat; de aceea ele pot fi clasificate, in general, dupa aceleasi criterii.
a) Dupa principiul de functionare, releele pot fii: electromagnetice (magnetoelectrice, de inductie, magnetice,electrodinamice, termice) si electronice.
b) Dupa felul parametrului la care actioneaza, releele pot fii: de curent, de tensiune, de putere, de temperatura, etc.
c) Dupa valoarea marimii de intrare la care actioneaza, releele pot fii: maximale, a caror actionare are loc cand valoarea marimii de intrare devine egala sau depaseste o anumita valoare maxima, dinainte stabilita; minimale, care actioneaza in momentul cand valoarea marimii de intrare devine egala sau mai mica decat o anumita valoare minima, dinainte stabilita si relee diferentiale, a caror actionare are loc cand diferenta valorilor a doua marimi aplicate la intrare devine, in valoare absoluta, mai mare decat o valoare dinainte stabilita.
d) O clasificare specifica a releelor se obtine daca se ia in consideratie modul conectarii in circuitul elementului protejat, deosebindu-se: relee primare si relee secundare.
e) Tinand seama de modul de actionare asupra interupatoarelor, releele pot fii: cu actiune directa sau directe si cu actiune indirecta sau indirecte.
f) In functie de durata de
actionare: relee ultra rapide ( t
< 0.0 s), relee rapide (t
<0.05 s), relee normale (t
-0.05-0.15 s ), relee lente (t
-0.15-1 s), de temporizare (t
>1 s)
g) In fuctie de marimea de intrare: releu de tensiune, releu de curent, releu de putere, releu de fregventa, releu de timp.
h) Cele mai utilizate relee: relee termice, relee electromagnetice, relee electronice, relee mecanice, relee ferodinamice, declansatoare.
i) Dupa natura elementului de executie: relee cu contacte si relee fara contacte (statice).
Releele primare sunt conectate direct in circuitul elementului protejat. De aceea ele trebuie sa aiba o constuctie robusta, pentru a suporta supracurentii sau supratensiunile care apar in exploatare. Releele secundare sunt conectate in circuitele secundare ale transformatoarelor de masura si au o constructie mai putin robusta.
Releele directe actioneaza asupra clichetului de declansare al intrerupatoarelor, adica ele joaca rolul bobinei de declansare. De acea mecanismul lor trebuie sa efectueze un lucru mecanic relativ mare. Releele indirecte efectueaza un lucru mecanic redus, deoarece ele actioneaza numai asupra unor contacte intermediare, prin care se inchid circuitele bobinelor de declansare ale intrerupatoarelor.
Cele mai simple relee sunt releele prmare cu actiune directa (fig. 5-8) Ele se folosesc numai pentru protectia motoarelor electrice de mica putere.
Atunci cand curentul prin bobina 1 depaseste o anumita valoare, miezul de otel 2 este atras an interior , parghia 3 se roteste, iar tirantul 4 actioneaza asupra parghiei 5, care elibereaza clichetul de blocare, astfel incat intrerupatoruldeclanseaza sub actiunea resortului 6.
Cele mai perfectionate relee sunt releele secundare cu actiune indirecta.Ele se folosesc in mod curent in instalatiile electrice de mare putere.Curentul operativ necesar pentru circuitul bobinei de declansare a intrerupatorului se obtine fie prin intermediul unui transformator special de curent, fie de la o sursa separata de curent continu (fig. 5-9).
Atunci cand curentul primar si implicit cel secundar al trasformatorului 1 depasesc o anumita valoare, bobina 2 atrage miezul de otel si inchide contactul releului; in acest fel se inchide circuitul operativ alimentat de la sursa de curent continu si bobina de eclansare 3 deblocheaza clichetul; o data cu declansarea intrerupatorului se deschide contactul auxiliar 4 al intrerupatorului, stfel icat circuitul operativ ramane si el deschis.
Calitatea unui releu, indiferent de tipul sau, poate fi apreciata dupa siguranta functionarii contactelor, puterea absobita de bobine, stabilitatea termica si electomagnetica, eroarea cu care actioneaza, timpul minim de revenire a mecanismelor si coeficientul de revenire.
Stabilitatea dinamica este determinata de curentul maxim de soc pe care-l suporta releul fara ca fortele electomagnetice sa-i provoace defectiuni mecanice.
Stabilitatea termica este determinata de curentul maxim de durata (1 sau 5 s ) pe care-l suporta releul fara ca temperatura bubinei sa depaseasca volorile admisibile.
Eroarea unui releu este data in procente
fata de valoarea marimii de actionare(curentul de actionare a releului I
sau tensiunea de actionare a releului U
) inscrisa pe placuta releului. Cu cat aceasta eroare
este mai mica, cu atat sensibilitatea releului este mai mare.
Timpul minim de revenire a mecanismelor releului in pozitia initiala trebuie sa fie cat mai mic, pentru ca sietemul de protectie sa fie pregatit sa actioneze corect la un nou defect care ar putea sa intervina.
Coeficientul de revenire a releului Krev se exprima prin raportul dintre curentul de revenire (valoarea limita pentru care revine in pozitia initiala) si curentul de actionare a releului.
Coeficientul de revenire are valori subunitare la releele maximale si supraunitare la releele minimale. Cu cat coeficientul de revenire este mai apropiat de uitate, cu atat calitatea releului este mai buna.
1.2.Caracteristicile releelor
Principalele caracteristici ale releelor sunt: caracteristica intrare-iesire si caracteristica de timp.
Ca
pentru orice dispozitiv, prin caracteristica intrare-iesire se intelege functia
x
= f(x
), unde x
este marimea de intrare, iar x
marimea de iesire.
Caracteristica
intrare-iesire a releelor este o caracteristica discontinua (anexa 1,
fig. 2) pana la o anumita valoare a marimii de intrare numita valoare
de actionare x
, valoarea marimii de iesire
este egala cu zero in cazul releelor cu contacte si cu x
=0 in cazul releelor fara contacte. Pentru x
x
, valoarea marimii de iesire se
modifica brusc la valoarea x
si ramane practic constanta daca marimea de
intrare continua sa creasca. La micsorarea marimii de
intrare, marimea de iesire ramane la valoarea x
pana la x
= x
, cand se modifica brusc la valoarea zero
sau x
=0. Valoarea x
se numeste valoare de revenire . La releele cu contact normal inchis, pentru x
< x
, x
= x
si x
pentru x
> x
, iar la micsorarea marimii de intrare,
revenirea la starea initiala are loc pentru x
= x
> x
Se defineste factorul de revenire , prin raportul dintre valoarea de revenire si valoarea de actionare:
Valoarea acestuia este subunitara la releele maximale si supraunitara la cele minimale. Calitatea releelor este cu atat mai buna cu cat valoarea factorului de revenire este mai apropiata de unitate.
Un alt parametru important al releelor este factorul de comanda definit prin raportul:
unde Pc este puterea comandata de contactele releului (puterea de rupere, capacitatea de rupere), iar Pa este puterea de actionare (puterea consumata).
Prin timp propriu de actionare a releelor se intelege intervalul de timp de la aplicarea marimii de intrare si momentul inchiderii sau deschiderii depline a contactelor.
CAPITOLUL III.
TIPURI DE RELEE
2.1.Relee electromecanice
Sfera de aplicabilitate a acestor relee a inceput sa se reduca substantial, ca urmare a progreselor realizate in domeniul releelor statice.
Cele mai simple relee electromecanice constau dintr-un dispozitiv care produce forta sau cuplul activ, un element care produce cuplul rezistent si unul sau mai multe elemente de executie (contacte electrice). Dupa natura dispozitivului pentru producerea fortei sau a cuplului activ, deosebim: relee electromagnetice, magnetoelectrice, de inductie, electrodinamice, termice, cu contact reed. In continuare se prezinta cateva dintre cele mai utilizate.
Releele electromagnetice sunt aparate de protectie care asigura protectia la curenti de scurtcircuit sau la scaderea tensiunii cu actiune instantanee sau temporizata.
Releele electromagnetice pot functiona atat in curent continu cat ai in curent alternativ.
Ele pot fi relee electromagnetice de curent si relee electromagnetice de tensiune.
Releeele electromagnetice mai pot fii:
Releul electromagnetic de curent maxim (RC) este constituit dintr-un electromagnet ,pe care sunt dispuse bobinele de curent si dintr-un sistem mobil format din armatura de fier, fixata pe un ax prevazut cu un resort spiral, care asigura cuplul antagonisz.
Releul electromagnetic de timp (RT) este constituit dintr-un electromagnet si un miez de fier, solidar cu surubul fara sfarsit.
Releul electromagnetic de semnalizare (RdS) are drept scop sa semnalizeze daca protectia unui anumit circuit a actionat.
Releul electromagnetic intermediar (RI) este folosit pentru a se evita trecerea curentilor mari prin contactele sensibile ale releelor obisnuite(cum sunt curentii bobinelor de aclansare a intrerupatoarelor) .
Releele electromagnetice sunt constituite din electromagneti la care atunci cand curentul prin bobina depaseste o anumita valoare este atrasa armatura mobila aceasta actionand asupra unor contacte electrice, deci functionarea releelor electromagnetice se bazeaza pe forta de atractie a elecromagnetului (anexa 2, fig 3.).
Releele termice
La baza functionarii releelor termice sta modificarea proprietatilor fizice ale corpurilor datorita incalzirii. Cel mai simplu releu termic consta dintr-un tub de sticla inchis, prevazut cu doi electrozi, in interiorul tubului gasindu-se mercur. Inchiderea contactului are loc ca urmare a dilatatiei mercurului, in momentul in care nivelul mercurului aduce in contact electric cei doi electrozi.
Cele mai raspandite relee termice sunt releele cu bimetal. Dupa modul in care se realizeaza incalzirea bimetalului se deosebesc relee cu incalzire
directa, indirecta si mixta. La cele cu incalzire directa curentul electric trece prin bimetal, iar la cele cu incalzire indirecta bimetalul este incalzit de la un rezistor, prin care trece curentul electric. Releele termice sunt utilizate, in special, la protectia motoarelor electrice impotriva supracurentilor de durata.
Releele reed
Constau dintr-un tub de sticla inchis in care se gasesc doua lamele elastice; in zona contactului, pe suprafata lamelelor este dispus un strat de iridiu, platina sau aliaje ale acestora (anexa 2, fig 4.). Tubul de sticla este vidat sau este umplut cu un gaz inert. Actionarea contactului se face cu ajutorul unui camp magnetic creat de o bobina parcursa de curent. Aceste relee se realizeaza sub forma de elemente capsulate paralelipipedice, din mase rasinoase in care se introduce tubul si bobina releului, la exterior aflandu-se doar terminalele metalice pentru conexiuni. Releele reed au consum neglijabil, timp de actionare mic (1 2 msec), frecventa de comutare mare (500 comutari/sec), durata de viata ridicata (10 comutari).
Aceste relee se utilizeaza cand este necesara o viteza de comutare ridicata si o durata de functionare mare. Nu au piese mecanice in miscare, elementul de executie fiind realizat cu tranzistoare, tiristoare sau triace. Realizeaza o izolare galvanica intre circuitul de comanda si circuitul de comutare. Pentru aceasta pot fi utilizate transformatoare de separare, optocuploare sau relee reed. Supratensiunile sunt reduse, datorita principiului de functionare, curentii si tensiunile trec periodic prin zero. Au un consum redus de energie si pot fi cuplate cu circuite integrate.
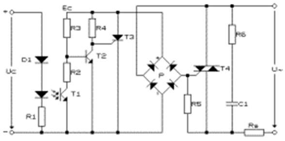
Schema de principiu a unui releu static este data in anexa 5, figura 9.
Dispozitivul optocuplor este compus in dioda LED, D2 si fototranzistorul T1, incapsulate ermetic. In serie cu dioda D2, sunt conectate rezistenta R1 pentru limitarea curentului si dioda de protectie D1, pentru protectia la polarizari inverse. Un curent mic, (circa 1 mA) pentru LED este suficient pentru a comanda releul static; circuitul comandat (T2, T3, etc.) este alimentat separat, prin sursa de putere. Intrarea releului este compatibila cu circuitele TTL, (Uc = 5 V). Comutarea sarcinii in circuitul de iesire este asigurata de triacul T4 sau de doua tiristoare conectate antiparalel.
In paralel cu iesirea releului este conectat un circuit RC (R6, C1) care permite comutarea sarcinilor inductive si atenueaza tensiunile tranzitorii.
Cand se aplica tensiunea de comanda Uc, se amorseaza tiristorul auxiliar, T3, acesta asigura la randul sau amorsarea triacului, T4 si deci aplicarea tensiunii pe sarcina. Dupa intreruperea tensiunii de comanda, curentul continua sa treaca prin sarcina, pana la trecerea prin zero a tensiunii de retea. In continuare triacul T4 ramane blocat, pana la aplicarea unei noi comenzi.
Triacul T4 se amorseaza numai la trecerea prin zero a tensiunii de retea si conduce un numar intreg de semiperioade. In absenta tensiunii de comanda Uc , fototranzistorul T1 este blocat. Tranzistorul T2 este in conductie si circuitul nu mai poate furniza curentul de poarta necesar amorsarii tiristorului T3 . In aceasta situatie triacul T4 este blocat si deci sarcina nu primeste tensiune de la retea.
La
aplicarea tensiunii de comanda pot aparea doua situatii corespunzatoare
momentului care se aplica in raport cu un timp t
. Acest timp reprezinta momentul deschiderii fototranzistorului
T1, care este alimentat cu tensiunea redresata dubla alternanta; este de
valoare mica in raport cu perioada tensiunii de retea conform caracteristicii
statice i
= f(V
, i
Cele doua situatii sunt:
a) daca
tensiunea de comanda se aplica inainte de momentul t
, ca urmare a deschiderii fototranzistorului T1,
scade curentul de baza al tranzistorului T2 pana la blocarea acestuia. Se
amorseaza tiristorul T3 si triacul T4 . Conductia acestora continua pana in
momentul trecerii prin zero a semialternantei tensiunii de retea
corespunzatoare incetarii tensiunii de comanda.
b) daca
tensiunea de comanda se aplica dupa momentul t
, tranzistorul T2 continua sa se afle in
conductie, deoarece curentul de baza are valori mai mari, ca urmare a cresterii
tensiunii de alimentare, Ec .
In aceasta situatie circuitul nu mai poate furniza curentul de poarta necesar pentru amorsarea tiristorului T3, acesta ramane blocat ca si triacul T4 pana la terminarea semialternantei tensiunii de alimentare.
Daca comanda persista, dispozitivele T3 si T4 se deschid la inceputul semialternantei urmatoare ca la punctul a.
In
concluzie, daca tensiunea de alimentare se aplica mai tarziu de momentul t
deschiderea releului static se produce cu o
intarziere, care se poate apropia de durata unei semiperioade, a tensiunii de
alimentare.
In comparatie cu releele electromecanice, releele statice sunt mult mai robuste. Durata de viata a releelor statice este mult mai mare, deoarece in timpul functionarii lor nu apar arcuri electrice, ca la releele electromecanice. In plus, absenta acestor arcuri electrice, nu mai creeaza probleme de interferente cu alte instalatii invecinate.
Releele statice pot comanda sarcini rezistive sau inductive. In cazul sarcinilor rezistive, curentul comutat creste sinusoidal, de la zero. Deci regimul tranzitoriu este redus la minim. Aceasta calitate se mentine si daca sarcina este constituita din lampi de iluminat cu filament. In aceasta situatie curentul initial este de 5 ori mai mare decat valoarea de regim permanent fata de o crestere de 11 ori pentru alte tipuri de relee sau comutatoare.
Sarcinile inductive, comandate de releele statice, sunt de mai multe tipuri:
a) Transformatoare - cand este conectat un transformator apare un supracurent, a carui valoare depinde de defazajul dintre tensiune si curent, si de structura circuitului magnetic. Aceasta valoare poate fi de 50 ori mai mare decat cea de regim permanent. Desi acest curent scade intr-un timp foarte scurt, trebuie tinut seama de el la dimensionarea releului static.
b) Dispozitive actionate magnetic - acestea sunt reprezentate de contactoare, ventile magnetice, cuplaje magnetice, etc. In cazul acestor sarcini supracurentul initial nu depinde de defazajul dintre curent si tensiune. In plus, valoarea supracurentului initial este substantial mai mica decat in cazul transformatoarelor si se amortizeaza in cateva semiperioade. De exemplu, in cazul contactoarelor, acest supracurent este de 6 ori mai mare fata de valoarea de regim permanent. Din acest motiv si problemele de dimensionare a releului static sunt mai usoare.
In schimb, contactele mecanice ale sarcinii provoaca regimuri tranzitorii care pot afecta buna functionare a releului static. Pentru diminuarea regimului tranzitoriu se conecteaza un circuit RC pe sarcina.
c) Motoare - supracurentul care apare la pornirea motorului este determinat de defazajul curentului si sarcina la ax; are o durata considerabil mai mare decat in cazul celorlalte cazuri inductive.
Pentru dimensionarea releelor statice trebuie tinut seama de mai multi factori: tipul motorului, numarul de faze, sistemul de conectare, conditiile de functionare.
De exemplu pentru un motor trifazat sunt posibile 2 moduri de conectare. Pentru un motor fara punct neutru (anexa 5, fig. 10.) sunt suficiente 2 relee statice. Pentru un motor cu punct neutru (anexa 5, fig. 11.) sunt necesare 3 relee statice, dar cu tensiuni mai mici.
Releele de timp actioneaza cu o anumita intarziere, obtinuta cu un element de temporizare.
Releele de timp electronice, prin posibilitatile lor de miniaturizare si a gradului lor ridicat de fiabilitate sunt din ce in ce mai mult utilizate in echipamentele profesionale. In acest fel, ele inlocuiesc vechile tipuri de relee de timp: mecanice, pneumatice, hidraulice etc.
Dupa principiul care sta la baza functionarii lor, deosebim doua mari clase de relee electronice de timp: analogice si digitale.
In varianta analogica, releele electronice de timp au structura din anexa 6, fig 12.
Elementul de temporizare ET se dispune de regula intre circuitul de intrare I si detectorul de polaritate DP.
Relee de timp analogice cu tranzistoare - releele de timp analogice functioneaza pe baza incarcarii sau descarcarii unui condensator printr-o rezistenta. In cazul releului de timp tranzistorizat (anexa 6, fig 13), pentru pozitia 1 a contactului K, tranzistorul T este blocat. La trecerea pe pozitia 2 tranzistorul trece in conductie, iar timpul de conductie al tranzistorului, si deci temporizarea releului, este determinat de timpul de descarcare al condensatorului C prin rezistenta R. Constanta de timp poate fi modificata in limitele a catorva zeci de secunde prin modificarea componentelor R si C.
Pentru marirea temporizarii se construiesc relee cu integrator Miller (anexa 7, fig 14.). Pentru K inchis, T1 si T2 se blocheaza, T3 intra in saturatie, releul anclanseaza, iar C se incarca prin R1 la tensiunea Ec . La deschiderea contactului K incepe temporizarea. Plasarea condensatorului intre iesirea inversorului format de T1 si T2 si intrarea sa determina scaderea liniara a tensiunii in colectorul lui T2, montajul integrand tensiunea de alimentare aplicata pe intrare prin R. Cand tensiunea in colectorul lui T2 atinge valoarea de saturatie, T3 se blocheaza. Datorita grupului R2, D1 care introduce o reactie pozitiva blocarea tranzistorului T3 se face rapid.
Releu de timp analogic, integrat - Circuitul integrat tipic utilizat la releele de timp este b E555. Este un circuit integrat monolitic bipolar care poate realiza numeroase functii de temporizari sau oscilatii libere. Toate aceste aplicatii au la baza acelasi principiu: incarcarea si descarcarea controlata a unui condensator extern. Descrierea circuitului se face pe baza schemei logice echivalente (anexa 7, fig 15.). Pentru explicarea functionarii se va utiliza o logica pozitiva (1 pentru high si 0 pentru low ).
Blocul central de care depinde functionarea circuitului integral este un circuit basculant bistabil (CBB), de tip RS, a carui iesire Q ataca etajul final de iesire si tranzistorul T2 de descarcare a condensatorului de temporizare exterior circuitului.
Etajul de iesire este inversor. In absenta comenzilor la intrare, bistabilul este in starea 0, deci iesirea este in starea 1. Tranzistorul de descarcare este blocat. Cand = 1, iesirea este in starea zero, iar tranzistorul T2 se deschide, putand prelua curentul de descarcare al condensatorului.
Circuitul bistabil are 2 intrari obisnuite S, R si o intrare speciala, de fortare r. Starile acestui circuit sunt date de tabelul de adevar. Qn reprezinta starea initiala, iar Qn+1 starea finala.
Tabelul de adevar
|
Valorile variabilei r se stabilesc de catre semnale aplicate la intrarea ALO (aducere la zero), prin intermediul tranzistorul T1. Pentru r = 0 se conecteaza ALO la o tensiune mai mare de 1 V, iar pentru r = 1 se conecteaza ALO la o tensiune mai mica de 0,4 V. Intrarile R si S sunt comandate de catre comparatoarele SUS si JOS . Acestea compara tensiunea aplicata lor din exterior pe una din intrari cu nivele de tensiune 0,66 E, respectiv 0,33 E, unde E este tensiunea de alimentare a circuitului. In raport cu marimile de intrare, U PRAG SUS (U PS ) si U PRAG JOS (U PJ ), circuitul bistabil va avea urmatoarele stari: U PJ < 0,33 E ® S = 1 ® Q = 1, U PJ > 0,33 E ® S = 0, U PS < 0,66 E ® R = 0, U PS > 0,66 E ® R = 1 ® Q = 0. Pentru realizarea unui releu de timp se conecteaza circuitul integrat ca in anexa 8, fig 16. Comutatorul K este in pozitie normal inchisa, asigurand descarcarea condensatorului. Prin deschiderea lui K se initiaza temporizarea. In acest moment, condensatorul C este descarcat, iar tensiunea de iesire U0 este aproximativ E. In aceasta situatie, releul este actionat. Tensiunea pe condensatorul C incepe sa creasca de la zero si tinde catre
E. Dupa un timp t Valoarea duratei t t Releul ramane actionat cat timp este deschis K. Prin inchiderea lui K, releul nu mai este actionat, schema fiind pregatita pentru un nou ciclu. Pentru obtinerea unor timpi mari trebuie marite R si C. Marirea valorii lui C conduce la utilizarea condensatoarelor electrolitice. Pentru a se asigura incarcarea lor cu un curent de 10 ori mai mare decat curentul de fuga, valoarea maxima a rezistentei este Rmax = 500 k W . Daca nu se utilizeaza condensatoare electrolitice Rmax = 10 M W . In acest caz limitarea este determinata de necesitatea de a asigura curentul minim de declansare a comparatorului SUS . Relee de timp digitale - releele de timp digitale functioneaza pe baza numararii unor impulsuri (anexa 8, fig 17.). Schema emite un semnal cand numarul de impulsuri atinge o valoare predeterminata, stabilita prin configuratia decodorului. Reglajul timpului se poate face in doua moduri: - prin modificarea frecventei bazei de timp; - prin modificarea decodarii semnalelor de la iesirea numaratorului. Releele de timp digitale permit, fara probleme, sub un volum redus, obtinerea unor timpi foarte mari, de ordinul zecilor de ore. 2.3.Relee magneticeRelee de proximitate cu oscilator - este realizat pe baza unui comutator static inductiv. Circuitul foloseste ca element exterior un grup LC care formeaza impreuna cu etajul de intrare un oscilator de inalta frecventa. Prin apropierea unei piese metalice standard de o bobina, oscilatiile se amortizeaza si marimile de iesire sunt comutate. Starile logice ale iesirilor sunt date de tabelul de adevar. Tabelul de adevar
|