Documente online.
Zona de administrare documente. Fisierele tale
Am uitat parola x Creaza cont nou
 HomeExploreaza
upload
Upload




Procesul arderii in motorul cu ardere interna

tehnica mecanica


Cuprins



Procesul arderii în motorul cu ardere interna .......... ..... ...... .......... ..... ...... ................. 2






















Compozitia produsilor arderii si temperatura flacarii .......... ..... ...... ........................... 2

Stoichiometria arderii.......... ..... ...... .......... ..... ...... .......... ..... ...... ...... 2

Gazele arse rezultate.......... ..... ...... .......... ..... ...... .......... ..... ...... ........ 3

Caldura de reactie.......... ..... ...... .......... ..... ...... .......... ..... ...... ............ 4

Calculul temperaturii flacarii .......... ..... ...... .......... ..... ...... ......................... 5

Caracteristici generale de oxidare. Elemente de teorie cinetica.......... ..... ...... ............ 5

Propagarea flacarii.......... ..... ...... .......... ..... ...... .......... ..... ...... ........... 6

Arderea în m.a.s. .......... ..... ...... .......... ..... ...... .......... ..... ...... ..................... 8

Arderea normala.......... ..... ...... .......... ..... ...... .......... ..... ...... .............. 9

Aprinderea prin scânteie.......... ..... ...... .......... ..... ...... .......... ..... ...... 10

Influentele unor factori asupra arderii normale.......... ..... ...... ........................... 14

Arderea anormala .......... ..... ...... .......... ..... ...... .......... ..... ...... .......... 17

Arderea în motorul cu aprindere prin comprimare.......... ..... ...... .............................. 19

Particularitati. Procedee de formare a amestecului .......... ..... ...... ..................... 19

Camera de ardere unitara.......... ..... ...... .......... ..... ...... .............................. 19

Camerele de ardere divizate.......... ..... ...... .......... ..... ...... ......................... 20

Injectia combustibilului.......... ..... ...... .......... ..... ...... .......... ..... ...... . 21

Vaporizarea si amestecarea.......... ..... ...... .......... ..... ...... .......................... 22

Întârzierea la autoaprindere.......... ..... ...... .......... ..... ...... .......................... 23

Desfasurarea procesului si perioadele arderii.......... ..... ...... .............................. 24

Influentele unor factori asupra arderii.......... ..... ...... .......... ..... ...... .......... 26


Procesul de destindere.......... ..... ...... .......... ..... ...... .......... ..... ...... ................... 30


PROCESUL ARDERII ÎN MOTORUL CU ARDERE

INTERNĂ

Compozitia produsilor arderii si temperatura flacarii

Stoichiometria arderii

Aerul necesar arderii este cantitatea de aer necesara pentru arderea combustibilului respectându-

se principiul conservarii masei pentru fiecare component în parte. În general, pentru o hidrocarbura


cu compozitia generala C mH n reactia globala de oxidare are forma:


C mH n aO 2 = bCO 2 cH O


Daca se face echilibrul molar al reactiei va rezulta:


n n

C m H + m O mCO + H O



Aerul atmosferic uscat are circa 20.95 % O 2, 78,09 N 2 0,93% Ar, ceilalti componenti fiind în


proportii neglijabile. Se poate considera ca aerul are 21% O , si 79% N 2 astfel la un mol de O


rezulta 3,77 moli N . Ecuatia completa a arderii va avea forma:

n





C m H + m O + 3,773N mCO +

n






n

n


H O

s

m N




n

Daca combustibilul utilizat contine oxigen în molecula sa, acesta trebuie luat în considerare


si se poate stabili cantitatea teoretica pentru arderea combustibilului C mH nO 2 care este

A

s =


m

n t

2


La etanol C H 5OH rezulta cantitatea de oxigen necesara este de 3 moli/mol combustibil sau

14.286 mol aer/mol comb.



Combustibilii de natura petroliera reprezinta amestecuri de diverse hidrocarburi, în proportii

variabile, a caror componenta este greu de stabilit. Pentru a 252h73c usura definirea cantitatii de aer necesar

pentru ardere se poate determina cantitatea de aer necesare pentru ardere se poate determina

proportia masica a principalelor componente ale combustibilului: (carbon c (kg/kg comb), hidrogen

h   (kg/kg comb). O alta aproximare care se poate face este aceea benzina=octan C 8H


cetan C H 34 ,gaz natural (~ metan) CH

motorina

Se mai poate face aproximatia pentru benzina c= 0.854 h=0.142 o=0,004 si motorina

c=0.857, h=0,123 si o=0,01 pentru aerul necesar arderii este 14,8 si 14,5 kg/kg. Cu ajutorul acestor

proportii se poate determina cantitatea de oxigen arderii cu relatia:

h

o


c

h

o

O

s =

c


,iar aerul necesar arderii A s

32


) kmol / kg .

32


Aceste relatii sunt valabile în cadrul notiunii de ardere stoichiometrica, ceeace ce înseamna

ca tot aerul aflat în amestec cu combustibilul este utilizat pentru ardere.

Amestecul dintre aerul existent în motor si cantitatea de combustibil este definita cu ajutorul

excesului de aer. Acesta este raportul dintre aerul aflat în cilindru si aerul minim necesar arderii si

are relatia l = L/Lmin

. Daca l<1 aerul din cilindru este mai putin decât aerul necesar arderii si

amestecul este definit ca fiind bogat. Pentru l=1 amestecul este stoichiometric, aerul aflat în

cilindru fiind utilizat în totalitate pentru arderea combustibilului. Daca l>1 atunci exista aer în exces

în raport cu cantitatea de combustibil care se gaseste în cilindru, iar amestecul este definit ca sarac.

Pentru fiecare tip de combustibil utilizat se pot determina o limitele de inflamabilitate ,respectiv

excesele de aer minim si cel maxim la care amestecul dintre aer si combustibil se poate aprinde.

Daca amestecul se gaseste în afara acestui interval aprinderea nu este posibila, fie ca exista prea

mult, fie prea putin combustibil. Pentru un anumit tip de benzina zona de inflamabilitate se gaseste

pentru l cuprins între 0,4 si 1,86.

Gazele arse rezultate


Arderea combustibililor se face în doua moduri, din punct de vedere al gazelor de ardere:


Arderea amestecurilor sarace, cu producere de CO 2, H 2O, N 2 si O


Arderea amestecurilor bogate cu producere de CO, CO 2, H 2O, N 2 si O


Pentru a 252h73c calcula compozitia gazelor de ardere se pot utiliza relatiile:

Component


CO

CO

H 2O

O

N

Cantitate

totala

de gaze

Ardere completa

Kmol/kg

c/12


h/2

l-1)Lmin

lLmin

Lmin l

+c/12+h/2

Kg/kg

11/3 c


9h

l-1)Lmin

lLmin

Kmol/kg

1/12(c-5.04(1-l)Lmin

l)Lmin

h/2


lLmin

lLmin+c/12+h/2

Ardere incompleta

Kg/kg

11/3(c-0.173(1-l)Lmin

l)Lmin

9h


lLmin

O formula aproximativa pentru determinarea cantitatii de aer admisa în cilindru prin analiza

gazelor de ardere permite determinarea excesului de aer din concentratiile de gaze de ardere:

ma

mc


C

8C

co

co

1 5.C C O

C o

C hc

11C CO

4C o

86C hc + 84Q

cu m a masa aerului, m c masa de combustibil, C concentratia gazelor specifice în gazele arse uscate,


iar Q = (97,7 -C co2-1.5C o2 -C o2-C hc

Disocierea este un fenomen întâlnit la temperaturi ridicate, atunci când moleculele se

descompun în atomi si grupuri de atomi. Acest fenomen este endotermic si se întâlneste mai ales la

MAS. Reactiile se pot întâlni în ambele sensuri.

2CO 2CO O

2H O 2H + O

Aparitia disociatiei poate conduce la reducerea randamentului, dar în general ponderea acestui

fenomen este redusa, putându-se neglija.

Caldura de reactie


Reactiile chimice sunt însotite de degajare sau absorbtie de caldura. Se considera un calorimetru

deschis, în care se dezvolta reactii complete ale arderii. Reactantii (combustibilul si oxidantul) intra

în calorimetru la temperatura T si presiunea p iar produsii ies în aceiasi stare. Caldura cedata în

aceste conditii de produsii arderii sistemului de racire al calorimetrului se numeste caldura de reactie

la presiune constanta.

Caldura cedata calorimetrului este egala cu variatia de entalpie

Qp

H H DH

p

r

reactie unde p si H se refera la produsi, respectiv reactanti.

O alta marime care caracterizeaza un combustibil este caldura de reactie la volum constant.

Aceasta este cantitatea de energie care se produce din reactia unui combustibil cu un oxidant într-o



bomba la volum constant.Aceste cantitati se pot calcula din tabele cu entalpiile de formare sau se

gasesc direct în tabele.

Calculul temperaturii flacarii

Temperatura flacarii adiabate se poate determina prin rezolvarea ecuatiei:

h   T h T

p p


p


p

s

h T h T Q =

r r r r s p

unde cu p s-au notat produsii, iar cu r reactantii si reprezinta diferentele de entalpie între cele doua


zone. Q p este caldura de reactie la presiune constanta. Aceasta ecuatie se poate rezolva pentru un

exces de aer si o presiune data la un exces de aer dat. Astfel pentru octan rezulta la l=1,0 , p=3MPa

->T=2600 K.

1.2 Caracteristici generale de oxidare. Elemente de teorie cinetica

Ecuatiile de ardere ale carbonului, hidrogenului reflecta doar stadiul initial si cel final al

reactiilor, dar acestea trec printr-o serie de stadii intermediare. Cinetica arderii pune în evidenta

mecanismul desfasurarii acestor stadii si factorii de influenta care permit controlul si dirijarea

reactiilor de ardere.

Conform teoriei cinetice a arderii viteza de desfasurare a unei reactii este proportionala cu

numarul ciocnirilor dintre moleculele activate, care participa la reactie, în unitatea de timp. Viteza

de reactie este variatia în timp a concentratiei substantelor participante la reactie. Considerând C

concentratia unei substante initiale viteza de reactie este:

2 i

w

=

dc

dt

w = k


Ci

sau w = f ,C, p,T sau k constanta de reactie.

E




Exista catalizatori care accelereaza reactiile, dar nu participa la reactie. Pentru motoare sunt

caracteristice reactiile înlantuite cu lanturi ramificate.Reactiile înlantuite se produc la orice ciocnire

a elementelor reactive (atomi sau radicali liberi care au una sau doua valente libere) cu substante

initiale sau intermediare. Un lant de reactii se întrerupe când elementul reactiv se ciocneste cu o

molecula inerta, cu un alt element reactiv sau cu peretele.



Propagarea flacarii


Momentul aparitiei flacarii si modul în care se propaga au o influenta decisiva asupra eficientei

ciclului, prin propagarea acestuia în amestecul combustibil aer. Flacara este zona în care au loc

reactiile de ardere fiind însotite de luminozitate.

Figura 1 Schema propagarii flacarii laminare si turbulente

În amestecuri cu miscare laminara reactiile de ardere se desfasoara pe o zona îngusta numita

front de flacara care se propaga dupa normala la suprafata. Daca miscarea este turbulenta exista un

front de aprindere în care zona cu reactii are o adâncime mai mare. Flacara laminara se propaga cu o

viteza care este determinata mai ales de miscarea turbulenta a gazelor în cilindru. În figura 1 se

prezinta schematic modul de propagare al flacarii laminare, cu o grosime de reactie practic nula si

varianta flacarii turbulente, cu o adîncime de reactie, în care apar variatii de temperatura si

concentratii ale compusilor.


Flacara laminara


O flacara laminara poate fi considerata ca fiind formata din trei zone distincte: o zona de

preîncalzire în general neluminoasa cu un gradient pronuntat de temperatura, o zona de reactii, în

general luminoasa si o a doua zona de reactii în general mai putin luminoasa, cu temperaturi

ridicate, dar gradienti redusi în care se produc reactii de recombinare.

Viteza de propagare este numita si viteza de ardere. Aceasta depinde de mai multi parametrii:


viteza de ardere depinde de starea amestecului combustibil (p 0, T 0), de natura combustibilului si de

dozaj. Viteza de reactie si coeficientul de difuzivitate termica au influente opuse asupra grosimii

flacarii. Viteza flacarii va prezenta un maxim de dozaje usor îmbogatite pentru care viteza de

reactiei si temperatura flacarii sunt maxime. Aceasta propietate face ca puterea maxima atinsa la un

m.a.s. sa se faca la dozaje subunitare.


Limite de inflamabilitate


Propagarea stabila a flacarii este posibila daca fluxul de caldura si de elemente reactive din zona

reactiilor chimice aduce succesiv straturile adiacente din zona de preîncalzire în starea în care se

declanteaza aprinderea.

Conditia autosustinerii flacarii este satisfacuta într-un interval limitat numit amestec de

inflamabilitate. Valorile concentratiei minime si maxime au fost stabilite:

Dozaj

Alcool etilic

Hidrogen

Normal octan

Propan

lmax





lmin





Flacara turbulenta


Flacara turbulenta apare la interactiunea între o reactie chimica de ardere peste care se suprapune

o miscare de tip turbulent. Aceasta conduce la deplasarea particulelor în câmpul de viteze si

propagarea elementelor active în afara zonei propriu-zise de reactie.

Viteza flacarii turbulente se defineste prin masa medie de substanta consumata în unitatea de

timp si pe unitatea de suprafata raportata la densitatea amestecului proaspat. Aria suprafetei de

flacara nu mai poate fi determinata.


Flacari difuzive

Reactiile chimice se desfasoara sub forma gazoasa. O categorie deosebita de sisteme de ardere se

caracterizeaza prin amestecarea în flacara a combustibilului cu aerul. Combustibilul, introdus sub

forma unui jet de gaz sau în faza lichida pulverizata, se amesteca cu aerul prin difuziune moleculara

si turbulenta. Procesul de amestecare este relativ lent în comparatie cu reactiile chimice ale arderii,

viteza de amestecare devine factorul care controleaza viteza de ardere. În functie de natura

proceselor amestecarii, cu rol determinant în viteza arderii, flacara se numeste difuziva.


Un model ideal prezinta flacara difuziva ca pe o zona de grosime foarte mica, datorita

vitezelor relativ mari ale reactiilor chimice, în care fluxurile de combustibil în faza gazoasa si de

oxigen se afla în raport stoichiometric. Combustibilul si oxigenul difuzeaza spre zona de reactie, iar

în zona de reactie acestea se combina. Caldura de reactie întretine vaporizarea combustibilului

lichid. Combustibilul este introdus sub forma de picaturi. Acestea au dimensiuni variate, descrise

statistic. În functie de caracteristicile pulverizarii, de densitatea particulelor din jet si de proprietatile

combustibulului, arderea difuziva este controlata de arderea particulelor elementare.

1.3 Arderea în m.a.s.

Pentru motorul conventional cu aprindere prin scânteie este caracteristica arderea turbulenta a

unui amestec omogen de combustibil, aer si gaze arse reziduale. Formarea amestecului combustibil

cu aerul este initiata de sistemul de admisie prin carburatie sau injectie si se termina în cilindru.

Chiar daca mai sunt introduse picaturi în cilindru prin carburatie sau injectie în cursa de comprimare

acestea se vor amesteca cu aerul formând un amestec omogen.

În conditii normale arderea este initiata înainte de sfârsitul cursei de comprimare, în general

cu ajutorul unei scânteii electrice; acum amestecul se poate considera omogen. Dupa aprindere se

formeaza o flacara turbulenta, care se propaga în amestec cu viteze moderate de 25-50 m/s pâna la

contactul cu peretii camerei de ardere.

Anumite conditii speciale fac posibila arderea anormala. Aceasta manifestare se poate defini

fie sub forma detonatiei sau a ardeii cu aprinderi secundare. Arderea cu detonatie se caracterizeaza

prin autoaprinderea unei parti din amestec din fata flacarii turbulente normale, înainte de terminarea

procesului. Arderea aprinderii secundare este initiata de diverse puncte calde aflate în camera de

ardere (depuneri de calamina) care fac ca sa existe în camera de ardere mai multe zone de aprindere,

ca si cum ar fi mai multe bujii.



Arderea normala


Perioadele arderii

Arderea normala se studiaza cu ajutorul diagramei indicate.

Figura 2 Diagrama indicata la m.a.s. cu fazele arderii

Pe diagrama se indica pozitia în care are loc declansarea scânteii electrice cu un avans fata de p.m.i.


Prima perioada a arderii


Faza initiala care începe cu formarea nucleului de flacara. Se considera ca în punctul s areloc

declansarea scânteii electrice, iar din momentul c în care au loc desprinderea fata de curba antrenata

în care se considera ca s-a format un nucleu de flacara suficient de mare pentru a porni arderea.

Durata primei perioade (de formare a nucleului de flacara) este dependenta de factorii fizico-chimici

(presiune, dozaj, natura combustibilului), care influenteaza viteaza reactiilor chimice. Modificarea

favorabila a acestor factori va conduce la cresterea vitezei de reactie si scurtarea arderii.



Perioada a doua

A doua perioada a arderii numita si perioada principala a arderii în care viteza de propagare a

flacarii atinge valori mari (25-50 m/s). Durata perioadei principale se desfasoara din momentul în

care se termina prima perioada pâna când flacara atinge peretii cilindrului. În aceasta perioada

factorii fizici au o importanta redusa, efectul turbulentei fiind determinant. Viteza de propagare a

flacarii este determinata decisiv de miscarea aerului în cilindru (turbulenta) si atinge valori cuprinse

între 20...40 m/s.


Perioada a treia

Cea care se desfasoara între punctul de presiune maxima si zone în care reactiile chimice

înceteaza. Aceasta zona nu este favorabila, deoarece arderea are loc în destindere, cu randamente

scazute si este controlata în special de natura chimica a combustibilului si de factorii fizico-chimici

care controleaza viteza de reactie. Arderea se poate studia pe baza diagramei indicate sau cu ajutorul

înregistrarilor rapide din camera de ardere.

Aprinderea prin scânteie

La motorul cu aprindere prin scânteie declansarea arderii normale este comandata prin scânteie

electrica. Jetul de plasma format între electrozii bujiei initiaza reactiile chimice ale aprinderii, care

genereaza în continuare o flacara capabila sa se propage în masa de amestec omogen inflamabil.

Dezvoltarea flacarii depinde de multi parametri, viteza locala a fluidului, calitatea acestuia, etc care

pot genera la un moment dat si probleme de neaprindere.

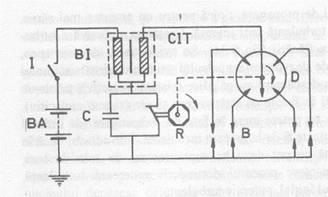
Sisteme de aprindere

Figura 3 Sistem de aprindere conventional



Sistemul de aprindere conventional, cu bobina de inductie si ruptor, include bateria BA,

întrerupatorul I, bobina de inductie BI, ruptorul R, distribuitorul D, bujiile B, conductoarele de înalta

tensiune CIT, condensatorul C. În situatia în care întrerupatorul I si ruptorul R sunt închise, curentul

furnizat de baterie trece prin înfasurarea primara a bobinei si contactele ruptorului la masa. Curentul

stabileste un câmp magnetic în miezul de fier al bobinei. Atunci când cama ruptorului comanda

desfacerea contactelor ruptorului si implicit întreruperea curentului primar se produce variatia

fluxului magnetic; în consecinta se induce o tensiune între înfasurarile primare si secundare ale

bobinei. Tensiunea indusa în secundar este condusa de distribuitor la bornele unei bujii, unde se

declanseaza scânteia.

Sistemul de aprindere tranzistorizat, comandat prin ruptor

Figura 4 Sistem tranzistorizat, cu ruptor

Tranzistorul T este utilizat ca ruptor în locul ruptorului cu contacte din circuitul primar al

variantei clasice. Întru-cât tranzistorul are caracteristica de releu trebuie sa realizeze comutarea la fel

ca un releu si pentru aceasta se introduce comutatorul de control comandat de cama R. Când

contactul este închis un curent de control I trece de la baza BT si tranzistorul conduce între emitorul

ET si colectorul CT. Daca contactul ruptorului este deschis, nu trece curent la baza si tranzistorul nu

conduce electric; circuitul primar este întrerupt, corespunzator unui întrerupator în pozitia deschis.

Sistemul are doua avantaje importante: se obtine o crestere a curentului din circuitul primar

si ca o consecinta o crestere în secundar. Un al doilea avantaj este modificarea rolului ruptorului

mecanic care nu mai trebuie sa întrerupa curenti mari, ceea ce îi confera o durata mai mare de

functionare.



Sistemul de aprindere tranzistorizat, fara ruptor mecanic

Figura 5 Sistem tranzistorizat, fara ruptor


Acesta realizeaza controlul unghiului de închidere a circuitului primar al sistemului de

aprindere cu ajutorul unui generator de impulsuri prin inductie.În prima varianta dispozitivul este

format dintr-un stator cu dinti- unitati cu magnet permanent si bobina cu miez -si un rotor cu dinti

montat pe axul distribuitorului. Numarul de dinti corespunde cu numarul de cilindri ai motorului.

Modul de functionare se bazeaza pe variatia fluxului magnetic prin miezul bobinelor. Momentul de

declantare a scânteii este stabilit pe partea cazatoare a semnalului de tensiune, când bobina induce.

Sistemele de aprindere cu performante ridicate sunt echipate cu bobine cu inductie ohnica mica a

înfasurarii primare (sub 1 W). De aceea devin necesare doua sisteme de reglaj: a)un regulator de

curent pentru limitarea curentului în bobina de inductie si a energiei acumulate b) sistem de control

în bucla închisa a unghiului de închidere a circuitului primar.



Sistem de aprindere cu descarcare capacitiva, fara ruptor

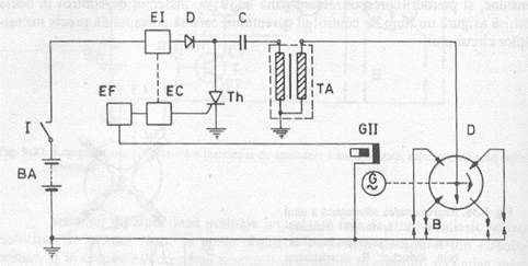
Figura 6 Sistem cu descarcare capacitiva, fara ruptor


În figura 6 legenda este urmatoarea: EI etaj de încarcare EC etaj de control EF etaj de formare a

semnalului GII generator de impulsuri prin inductie Th tiristor C condensator TA transformator de

aprindere. Aceasta varianta are drept caracteristica distincta acumularea energiei de aprindere iar


câmpul unui condensator C. Nivelul energiei acumulate este determinat de relatia E

cu



Acumularea energiei se face la 400 V; pentru aceasta circuitul primar cuprinde un mic

transformator TA. În momentul aprinderii se declanteaza tiristorul Th si condensatorul C se descarca

în înfasurarea transformatorului de aprindere TA. Sistemul se caracterizeaza printr-o frecventa

proprie ridicata a circuitului de medie si înalta tensiune a sistemului cu bobina de inductie si

cresterea tensiunii este extrem de rapida. Energia descarcata este foarte mare si este utila pentru



amestecuri sarace.

Sisteme neconventionale de aprindere


O varietate de sisteme care asigura descarcari electrice de putere mare, energia mare cu o durata

mare sau care realizeaza declansarea procesului principal de ardere cu jet de înalta temperatura si

chimic activ - jet de flacara si jet de plasma. Sistemele neconventionale de descarcare utilizeaza

bujii speciale cu electrozi sau cu geometrie speciala, cu jocul electrozilor modificat. Acestea au o

influenta speciala mai ales în utilizarea acestora pentru amestecuri sarace, la care aprinderea este

instabila si este necesara o energie suplimentara. La aprinderea cu jet de flacara arderea se

declanseaza mai întâi într-o anticamera care comunica cu camera principala prin unul sau mai multe

ajutaje. Odata cu cresterea presiunii în aceasta zona sa amorseze curgerea gazelor în camera

principala sub forma unor jeturi turbulente de flacara.




1.3.3 Influentele unor factori asupra arderii normale


1.3.3.1 Calitatea amestecului

Figura 7 Influenta dozajului asupra arderii

Studiile suplimentare au evidentiat influenta dozajului asupra arderii din motor. Prin metoda

înregistrarilor rapide s-au evidentiat duratele fazei initiale (0 -10%) si cea a arderii rapide (10-95%)

din parcursul flacarii se evidentiaza o dependenta puternica fata de calitatea amestecului, ambele

durate fiind minime pentru un dozaj bogat (l=0,83). Prin saracirea amestecului pâna la l Da

creste de 1,4 ori. Influentele diverse în raport cu dozajul definesc o dependenta puternica a

marimilor caracteristice ale motorului. Daca toti factorii caracteristici., inclusiv avansul se mentin

constante. Se obtine o astfel de dependenta. De aceea exista un dozaj de putere maxima si un dozaj

de economicitate maxima. La dozajul de economicitate puterea scade cu 7..12% iar randamentul

scade cu 12..22% la putere maxima.

Figura 8 Influenta dozajului asupra performantelor motorului



1.3.3.2 Avansul la producerea scânteii electrice


Influenta avansului a s asupra duratei arderii reflecta dependenta lor fata de parametrii de

stare ai amestecului proaspat si caracteristicile turbulentei din cilindru, care sunt variabile pe ciclu.


Astfel, durata fazei initiale, Da i depinde de conditiile de presiune si temperatura. La un avans mai

mare nivelul de presiune si temperatura este mai coborât, deci durata fazei se mareste. Pentru faza

urmatoare este de asteptat ca influenta turbulentei sa fie hotarâtoare astfel încât pozitionarea acesteia

în zona de turbulenta maxima sa conduca la valorile cele mai reduse.

Figura 9 Influenta avansului asupra diagramei indicate

În diagrama sunt prezentate diagramele suprapuse ale presiunii, la diverse avansuri. La

trecerea spre avansuri mai mari, degajarea de caldura este mai rapida si se concentreaza în jurul

PMI, în zone cu variatii mici ale volumului cilindrului; diagrama tinde sa se apropie de diagrama

ciclului teoretic de referinta; se mareste astfel lucrul mecanic indicat, dar si presiunile si

temperaturile. Acestea se vor mari si deci va apare un avans care va avea lucru mecanic maxim. La

micsorarea avansului aceste presiuni vor scadea, iar la crestere presiunile cresc, dar si în cursa de

comprimare.


1.3.3.3 Turatia motorului


Daca este asigurata mentinerea neschimbata a tuturor celorlalti factori, marirea turatiei

antreneaza o crestere frânata a duratei fazelor arderii exprimate în grade de rotatie a arborelui cotit.



Figura 10 Influenta turatiei asupra arderii normale

Din datele prezentate în figura la o crestere a turatiei de circa trei ori , Da i creste cu circa 70/ iar ,


Da cu circa 15%. Durata în timp ale arderii se micsoreaza. Aceste tendinte sunt explicabile daca se

ia în considerare interventia combinata a mai multor efecte: a) intensitatea turbulentei creste

aproximativ proportional cu turatia b) temperatura amestecului creste proportional cu turatia ca

urmare a scaderii transferului de caldura la pereti c) presiunea la admisie scade. Se stabileste ca

odata cu turatia avansul trebuie majorat.


1.3.3.4 Sarcina motorului


Pentru motorul cu aprindere prin scânteie micsorarea sarcinii se obtine prin închiderea partiala a

obturatorului si astfel rezulta mai multe efecte defavorabile asupra arderii: a) scaderea presiunii de

admisie si implicit a presiunilor în timpul arderii b) cresterea continutului de gaze arse reziduale c)

scaderea intensitatii turbulentei.

La un avans nemodificat acesti factori determina cresterea duratei initiale a arderii. De asemenea

micsorarea turbulentei conduce la cresterea duratei pentru cea de-a doua faza. Aceasta se poate

combate prin marirea avansului .



1.3.4 Arderea anormala


1.3.4.1 Arderea cu detonatie


Detonatia a aparut ca un fenomen care are o influenta negativa asupra arderii. Originea

detonatiei a ramas o perioada lunga de timp controversata: autoaprinderea amestecului proaspat din

fata flacarii turbulente normala; formarea unei unde de detonatie care se propaga în regim

supersonic; accelerarea frontului flacarii turbulente normale; declansarea de reactii într-o portiune de

încarcatura care a fost traversata de flacara, dar nu a ars complet. În prezent se accepta teoria

autoaprinderii amestecului în fata flacarii turbulente normale, în ultima parte a procesului arderii.

Figura 11 Manifestarea arderii cu detonatie

În afara de zgomotul metalic ascutit, principalele manifestari ale acestui fenomen sunt: a)

scaderea puterii si a randamentului de racire, tendinta de supraîncalzire a motorului c) functionarea

cu trepidatii d) scaderea durabilitatii motorului. Influenta detonatiei este prezentata în figura si se pot

face urmatoarele observatii:diagramele au o portiune initiala, ceea ce indica faptul ca arderea

debuteaza normal.La un moment dat, în cursul arderii când apare fenomenul detonatiei intervine o

crestere brusca a presiunii. Dupa atingerea presiunii maxime apar oscilatii care se atenueaza în timp.


1.3.4.2 Arderea cu aprinderi secundare


O alta forma de manifestare anormala este provocata de aprinderea necontrolata a amestecului

de combustibil de la surse calde din camera de ardere. Fiecare aprindere de acest fel genereaza o

flacara turbulenta care se propaga în camera de ardere cu viteze tipice pentru a ardere normala.

Sursele de aprindere se numesc surse secundare si arderea este cu aprinderi secundare. Pot aparea


preaprinderi (înainte de scânteia de la bujie) sau post aprindere dupa scânteia de la bujie. Fenomenul

ramâne în vigoare si dupa oprirea scânteii.


1.3.4.3 Influenta combustibilului asupra tendintei la detonatie.Evaluarea rezistentei la

detonatie


Rezistenta la arderea anormala, la detonatie reprezinta o caracteristica extrem de importanta a unui

combustibil pentru utilizarea sa într-un m.a.s. Pentru combustibilii destinati motoarelor de automobil

prima apreciere a proprietatilor antidetonante a fost metoda raportului critic de comprimare. Pe baza

acestor metode se determina raportul de comprimare, la care în anumite conditii de încercare se

poate înregistra o detonatie incipienta, determinata mai ales dupa zgomot. Aceasta era o metoda

foarte relativa.

Stabilirea scarii relative pentru definirea detonatiei a fost realizata cu impunerea a patru

conditii:

motor de constructie standard

conditii standard de functionare

metoda standard de determinare a intensitatii detonatiei

pereche de combustibili standard de referinta

Cei doi combustibili standard au proprietati opuse: unul detoneaza usor, celalalt greu. Cifra

octanica procentul în volume de izooctan, care în amestec cu normal heptanul are aceiasi

comportare la detonatie cu combustibilul încercat. Motorul de încercat este standard, dar functie de

conditiile de încercare se pot determina doua variante:Research si Motor. Pentru combustibilii

gazosi rezistenta la detonatie este definita prin cifra de metan. Acesta se face cu rapoarte volumice

între metan CM =100 si hidrogen cu CM=0.

Îmbunatatirea rezistentei la detonatie a benzinelor se face prin doua metode: prin prelucrarea

chimica si prin aditivi cu proprietati antidetonante. O varianta este legata de prelucrarea chimica a

benzinelor. O a doua varianta este legata de adaugarea unor mici cantitati de agenti antidetonanti


cum ar fi tetraetilul de plumb Pb(C H 5 4) notat cu TEP. Alte variante sunt legate de utilizarea de

combustibili neconventionali. Printre acestia se pot mentiona alcoolii, produsi organici oxigenati etc.


1.4 Arderea în motorul cu aprindere prin comprimare


1.4.1 Particularitati. Procedee de formare a amestecului


La motorul cu aprindere prin comprimare (m.a.c.) combustibilul lichid este injectat în ultima

parte a cursei de comprimare. Combustibilul se autoaprinde în general înainte de terminarea

injectiei, arderea se dezvolta în jeturile de combustibil. Exista mai multe particularitati:

Arderea unui amestec eterogen face posibila aplicarea, la motorul cu aprindere prin

comprimare, a principiului reglajului calitativ al sarcinii motorului; coeficientul global de dozaj

variaza între l 2.0 la sarcina plina pânp la 6..8 la mers în gol. De aceea dispare necesitatea

obturarii admisiei.

Timpul disponibil pentru formarea amestecului este de 40..80ş RAC de 5-9 ori mai

scurt decît la motorul cu aprindere prin scânteie. Din acesta cauza exista dificultati în formarea

amestecului si pentru aceasta este necesara existenta unei rezerve de aer, în raport cu conditiile

globale stoichiometrice. Problema unei bune amestecari si vaporizari este esentiala pentru m.a.c.

Plasarea arderii în jurul PMI este dirijata în momentul când se declanseaza injectia si prin controlul

întârzierii la autoaprindere.

Pentru desfasurarea normala a arderii, întârzierea trebuie sa fie suficient de

reproductibila.În prezenta unui câmp eterogen de concentratie, autoaprinderea combustibilului

imediat dupa începutul injectiei nu poate conduce la detonatie, spre deosebire de m.a.s. De aceea

este posibila adoptarea de rapoarte mult mai ridicate, cu cresterea randamentului ridicat.

Controlul formarii amestecului si arderii în M.A.C. se realizeaza prin corelarea

arhitecturii camerei de ardere si distributia combustibilului în camera, asigurata de procesul de

injectie si miscarea organizata a fluidului motor. S-au dezvoltat diferite forme ale camerei de ardere.

1.4.2 Camera de ardere unitara

Este reprezentata de incinta constituita între piston, cilindru si chiulasa, în care se injecteaza

combustibilul. Dupa modul de distributie al combustibilului se definesc doua variante: injectia în

volum si cea în pelicula.



Figura 12 Camere de ardere unitare

Prima varianta reprezinta solutia traditionala în care combustibilul este injectat în volumul de

ace din camera, evitându-se depunerea acestuia pe perete. Pentru favorizarea formarii amestecului,

se mareste uniformizarea repartizarii combustibilului în camera de ardere, prin mai multe masuri:

adoptarea unei camere de ardere a carei geometrie urmareste formarea jeturilor de

combustibil (camera de ardere deschisa); se utilizeaza un injector cu mai multe orificii de injectie,

dispus pe axa camerei de ardere.

2. realizarea unei injectii cu caracteristicile generale necesare uniformizarii distribuirii

combustibilului penetratie si dispersie mare, pulverizare fina a combustibilului în jet. La motoarele

rapide cu alezaje mai mici se poate organiza o miscare de rotatie a aerului.

Procedeul cu distributia combustibilului în pelicula (figura 13c) pe peretele camerei s-a aplicat

tot la motoarele rapid cu alezaje mici si mijlocii. Camera de ardere este amenajata în piston, iar

injectorul, de tipul cu un singur orificiu de injectie, dirijeaza combustibilul spre pereti. Aerul din

camera, antrenat în miscare de rotatie, realizeaza întinderea combustibilului pe perete sub forma de

pelicula si controleaza vaporizarea si amestecarea.

Camerele de ardere divizate

Sunt caracterizate prin prezenta a doua compartimente:camera separata, de volum constant si

plasata în chiulasa, în care se injecteaza combustibilul si camera principala, de volum variabil,

constituita între piston, cilindru si chiulasa. Cele doua compartimente comunica prin unul sau mai

multe canale. Spre deosebire de camerele de ardere nedivizate, la care miscarea principala a aerului

se desfasoara în camera pornind de la admisie si este o miscare de rotatie, la acest tip de motor

miscarea este de translatie si se desfasoara de la camera principala spre camera secundara.

Combustibilul este injectat printr-un injector cu un singur orificiu în sensul de miscare al aerului.




Figura 13 Motoare cu camere separate


La procedeul cu camera separata de ardere canalele de legatura cu camera de ardere au o

sectiune totala relativ mica, dispuse convenabil pentru ca în cursul comprimarii sa genereze o

miscare turbulenta convenabila. Declansarea arderii provoaca curgerea gazelor spre camera

principala, determinând pulverizarea suplimentara a combustibilului. De aceea injectia se poate face

la presiuni relativ reduse. Camerele de ardere separate au avantajul de a asigura fie o functionare

mai linistita a motoarelor, fie o functionare la turatii mai ridicate.

Injectia combustibilului

Injectia se face prin injectia care asigura o anumita forma a jetului de combustibil pulverizate, în

functie de constructia pulverizatorului, presiunea de injectie, contrapresiunea aerului si natura

combustibilului.

Figura 14 Jetul de combustibil




Jetul de combustibil este caraterizat prin distanta maxima strabatuta (penetratia), latimea

maxima l, unghiul de dispersie d .Injectia optima se poate considera ca are loc atunci când

combustibilul este astfel pulverizat, încât fiecare particula este înconjurata de o cantitate de aer

suficienta, care sa-i permita o ardere rapida si completa.

Pe baza înregistrarilor fotografice este pus în evidenta jetul care este alcatuit dintr-o zona

centrala (hasurata) sub forma unor picaturi mari si zona laterala înconjurata de zona de picaturi

neuniforme în sectiune transversala si de-a lungul jetului. Modul de injectie este definit de diametrul

picaturilor si frecventa lor de aparitie. În functie de presiunea de injectie, picaturile devin tot mai

mici odata cu cresterea presiunii.

Figura 15 Variatia diametrului picaturilor în raport cu pozitia sectiunii (a) si presiunea de injectie (b)


Cercetarile experimentale au aratat ca procesul formarii picaturilor depinde si de

contrapresiunea din camera de ardere.Calitatea optima a injectiei pentru formarea corespunzatoare a

amestecului depinde de corelarea adecvata a penetratiei, dispersiei finetii si omogenitatii

pulverizarii. În general este necesara evitarea contactului jetului cu peretii, ceea ce ar genera o

asezare a picaturilor pe perete.

Vaporizarea si amestecarea

Procesul de amestecare a unui jet tranzitoriu de picaturi care se evapora este controlat de

fenomenele vaporizarii combustibilului si amestecarii turbulente cu aerul. Înregistrarile fotografice

indica prezenta miezului care este înconjurata de vapori si picaturi fine. Acestea avanseaza spre

camera de ardere. Jetul are tendinta de a se vaporiza,iar zona lichida se micsoreaza permanent.

În zona de jet se amesteca combustibilul cu aerul. În studiile actuale se face demonstratia ca

vaporizarea este un proces relativ rapid în conditii normale, viteza formarii amestecului în limitele

inflamabilitatii fiind limitata de viteza amestecarii turbulente a vaporilor cu aerul.



Întârzierea la autoaprindere


Întârzierea fizica si chimica


Autoaprinderea la motorul diesel se produce la capatul unui proces care transforma

combustibilul lichid în amestec inflamabil format din vaporii combustibilului cu aerul.

Combustibilul se pulverizeaza, iar picaturile rezultate se încalzesc si vaporizeaza pentru ca vaporii

sa se amestece prin difuziune turbulenta cu aerul antrenat în jet. În unele zone se formeaza

amestecuri cu concentratii favorabile se produc transformari care evolueaza în lant pâna la

autoaprindere.

Fenomenele de natura fizica au o durata definita, în general, ca întârziere fizica la aprindere

si depind de factori de ordin constructiv si functional care controleaza formarea amestecului în jet de

proprietatile fizice ale combustibilului si de conditiile de stare.

Cercetarile experimentale arata ca vaporizarea combustibilului este accelerata de temperatura

aerului în care se face injectia, marirea excesului de aer, cresterea temperaturii peretilor si de viteza

relativa aer-combustibil

Transformarile de natura chimica au ca durata întârzierea chimica la autoaprindere. Fata

de autoaprinderea la m.a.s. caracterul acesteia este mai complex, polistadial. Când combustibilul

vine în contact cu oxigenul (la temperatura relativ joasa 600 1000 K) are loc un proces endotermic

de oxidare al moleculelor, cu formare de peroxizi. În stadiul urmator, la o anumita concentratie a

peroxizilor are loc descompunerea acestora în aldehide si radicali, apare o crestere usoara a presiunii

si o luminozitate stadiul flacarilor reci. Oxidarea în continuare a aldehidelor conduce la aparitia

radicalilor si a oxidului de carbon, respectiv zona flacarilor albastre. La sfârsitul acestei zone apare

zona propriu-zisa de reactie, respectiv zona flacarilor calde. Aparitia acestui stadiu conduce la reactii

de formare a bioxidului de carbon si vaporilor de apa, degajare a caldurii si cresterea sensibila a

presiunii si temperaturii. Viteza globala a reactiilor care se încheie prin autoaprindere poate fi

exprimata cu relatia:

E

wr

k C c C O exp( RT

m            n


unde C c si CO2

reprezinta concentratiile de combustibil, respectiv de oxigen, E energia aparenta de

activare pentru reactiile globale ale autoaprinderii.



1.4.7 Desfasurarea procesului si perioadele arderii

Formarea amestecului la MAC începe cu injectia combustibilului (punctul i) cu avansul la


injectie b i si dureaza pâna la sfârsitul arderii (punctul Z) injectia combustibilului este necesar sa se

termine cam pâna în punctul de presiune maxima. Temperatura aerului trebuie sa fie ridicata pentru

a facilita autoaprinderea, de aceea se creste raportul de comprimare.

Figura 16 Analiza ciclului la m.a.c.

Pe durata intervalului ic se realizeaza injectia combustibilului în aerul din cilindru, în care

exista si gaze arse. În punctul c se realizeaza autoaprinderea si flacara cuprinde întreaga camera.

Injectia continua pâna undeva în jurul punctului Z sau Z΄. Din acest considerent exista patru

perioade ale arderii:

1. Perioada întârzierii la autoaprindere începe din momentul injectiei si dureaza pâna

în punctul c (momentul de desprindere al curbei de ardere fata de cea fara ardere). În aceasta


perioada se desfasoara fenomene de amestecare si de consumare a întârzierii chimice a

autoaprinderii. Aceasta perioada se poate evalua cu ajutorul unei relatii de calcul de tipul:

t aa

K p

n

A

exp ;unde A, n, aconstante p, T u temperatura din camera de ardere.

T

Cifra cetanica reprezinta usurinta autoaprinderii, caracterizata prin întârzierea la

autoaprindere, reprezinta o proprietate principala a combustibilului diesel. În conditii normale de

lucru, aceasta durata este cea mai importanta în controlul arderii. La temperaturi ambiante aceasta

caracteristica usureaza pornirea la rece. Pentru evaluarea calitatii de autoaprindere a combustibililor

se utilizeaza cifra cetanica, care se determina pe un motor standard în conditii bine precizata. Cifra

cetanica este definita de amestecul a doua hidrocarburi pure (n-cetan si heptametilonan)


(C c=100+Cc=15) care prezinta calitati de autoaprindere identice cu cele ale motorului testat.

Cc = (%n cetan ) + 0.15 (% HMN)


2. Perioada a doua: arderea rapida care urmeaza autoaprinderii si dureaza pâna în

punctul y este caracterizata prin dezvoltarea rapida a arderii în întreaga camera de ardere prin

degajarea unei cantitati importante de caldura într-un interval redus de timp, ce determina o crestere

rapida a presiunii si temperaturii. Viteza rapida de crestere a presiunii va determina un fenomen

numit detonatie diesel, cu zgomote specifice si mers dur. Pentru a putea regla aceasta crestere a

presiunii este necesara realizarea unei corelatii între legea de injectie, avans si viteza de amestecare.

Aceasta perioada se mai numeste si arderea amestecurilor preformate.

3. Perioada a treia: arderea difuziva este prezenta în zona aratata cu yz si se

manifesta printr-o variatie relativ mai redusa a presiunii. Aceasta se explica prin aportul mai redus al

caldurii degajate si prin marirea volumului camerei de ardere la deplasarea pistonului. Arderea are

un caracter difuziv (este controlata mai ales de amestecarea vaporilor cu aerul) si în aceasta zona

este prezenta aparitia funinginii. Acest fenomen se datoreaza imperfectiunii amestecului si existentei

unor zone cu o importanta lipsa de oxigen în anumite zone ale jetului. Pentru reducerea fumului la

evacuare exista câteva procedee importante: marirea excesului de aer, intensificarea miscarii

organizate a gazelor, corelate cu injectia optima a jetului de combustibil.

4. Perioada a patra: post arderea sau arderea întârziata dureaza din punctul 7 pâna când

reactiile de ardere înceteaza datorita efectului de scadere al temperaturii. În aceasta perioada arderea

se desfasoara în conditii grele, cu relativ putin oxigen, conducând la formarea de

funingine.Reducerea acestei perioade este benefica din punctul de vedere al cresterii randamentului

si reducere al fumului.





1.4.8 Influentele unor factori asupra arderii

1.4.8.1 Influenta factorilor constructivi


Alegerea raportului de comprimare e constituie o modalitate eficienta de influentare a perioadei

de întârziere la autoaprindere. La cresterea lui e se micsoreaza durata de întârziere la autoaprindere

datorita cresterii presiunii si temperaturii. Cresterea e lui este limitata de cresterea puternica a

presiunilor si aparitia unor solicitari mecanice suplimentare. Odata cu cresterea raportului de

comprimare duce la cresterea presiunii si temperaturii la sfârsitul comprimarii si reducerea

întârzierii la autoaprindere.

Figura 17 Influenta raportului de comprimare asupra parametrilor motorului diesel


Caracteristicile injectiei (diametrele orificiilor pulverizatorului, presiunea si legea de injectie)

influenteaza durata întârzierii la autoaprindere si durata totala a desfasurarii arderii.

Figura 18 Influenta legii de injectie asupra arderii


Cresterea finetii de pulverizare, prin marirea presiunii de injectie conduce la reducerea

întârzierii la autoaprindere. Acelasi efect îl are si reducerea diametrului orificiilor.Legea de injectie

nu afecteaza întârzierea de autoaprindere, dar va influenta considerabil fazele arderii. Prin injectarea

unei mai mari cantitati la început arderea amestecurilor preformate devine mai importanta. Pentru

functionarea linistita a motorului se recomanda legi de injectie cu debite mici la început si mai mici

catre sfârsit, astfel ca amestecurile preformate sa fie mai putine. În figura 18 sunt prezentate doua

variante de diagrame indicate, la acelasi motor, în care s-a modificat forma legii de injectie. Pentru

legea 1 se injecteaza o cantitate mai mare de combustibil în zona initiala si astfel se obtine o

presiune maxima mai mare.

Arhitectura camerei de ardere este deosebit de importanta pentru modul de realizare al

procesului de ardere. Exista doua grupe mai nedivizate si divizate.

Camerele de ardere unitare sunt caracteristice motoarelor cu injectie directa. Ele sunt formate

într-un unic compartiment. În general injectia se face prin orificii multiple cu o repartizare relativ

uniforma în camera de ardere a combustibilului.Accelerarea formarii amestecului este asigurata prin

miscarea dirijata a aerului, imprimata fie în timpul admisiei fie spre sfârtitul cursei de comprimare.

Injectia în curent radial si circular care permite o buna amestecare. Camerele de ardere unitare sunt

foarte sensibile la calitatea combustibilului utilizat si la calitatea pulverizarii. Se arata ca o uzura a

injectorului cu 25% conduce la înrautatirea puternica a performantelor.

Camerele de ardere divizate sunt de doua tipuri : cu camera de vârtej si cu camera de preardere. La

camera de vârtej camera de ardere este constituita din doua compartimente : camera de vârtej va

genera o miscare importanta a aerului în aceasta pentru grabirea amestecarii. Injectorul are un singur

orificiu asezat tangential spre miscarea aerului. Injectia combustibilului se face în camera separata,

aceasta se va aprinde în ea si va trece cu putere spre camera principala unde exista aer în exces

pentru continuarea arderii. Pozitia jetului de aer este foarte importanta si poate genera probleme

daca nu este bine aranjata. Particularitatile camerelor de ardere cu vârtej sunt: asigurarea unor

conditii favorabile pentru amestecare, reducerea întârzierii la autoaprindere, arderea în ambele

camere cu viteze relativ reduse cu mers mai linistit. Functionarea este mai linistita, cu presiuni mai

reduse, dar cu randament mai scazut.

La motoarele cu camera separata de preardere se utilizeaza circa 20% din doza, pentru

accentuarea pulverizarii restului de combustibil în camera principala. Camera de preardere are un

volum de 20..40% din volumul total. si în acest caz în cursa de comprimare aerul este dirijat în

camera de preardere. Aici are loc injectia urmata de expulzarea amestecului spre camera principala.



Comparatie între camere









Economicitate

Pornire

Dependenta de turatie

Calitatea arderii

Sistem injectie

Calitatea combustibilului

Poluare

Pret cost

Camera

unitara

Mare

Usoara

F. mare

Violenta

Complicat

Superioara

Ridicata

ridicat

Camera separata vârtej Camera separata

de preardere

Medie

Dificila

Redusa

Linistita

Simplu

Medie

Medie

mediu

Redusa

f. dificila

Redusa

f. linistita

Simplu

Medie

Medie

mediu

1.4.8.2 Influentele factorilor de exploatare


Presiunea si temperatura


La începutul arderii depind foarte mult de valorile initiale (la admisie) ale acestor marimii. Odata

cu cresterea presiunii si temperaturii întârzierea la autoaprindere se micsoreaza. O temperatura

scazuta (motor rece) conduce la pierderi de caldura mari cu cresterea întârzierii la autoaprindere si

eventual o pornire dificila. Pentru a asigura o pornire mai usoara se pot utiliza bujii de

incandescenta, combustibili volatili etc.

Avansul la injectie

Trebuie ales astfel încât sa se asigure o putere si economicitate maxima. Valorile reduse ale

avansului la injectie vor conduce la deplasarea arderii în destindere, diminuarea puterii motorului.

Figura 19 Influenta avansului asupra arderii la m.a.c.

Cresterea avansului duce la marirea presiunii în camera de ardere, ceea ce va conduce la

marirea presiunilor din camera înainte de p.m.i. si reducerea lucrului mecanic. Daca avansul este

prea mic arderea se deplaseaza în destindere, conducând de asemenea la o reducere a lucrului

mecanic efectuat si a randamentului obtinut.


Turatia





Turatia influenteaza procesul de ardere prin intermediul perioadei de întârziere la

autoaprindere (r= 6 nt).Pentru MAC cu injectia directa la cresterea turatiei va creste si durata

întârzierii la autoaprindere (exprimat în grade RAC). La cresterea turatiei presiunile si temperaturile

cresc, dar nu de ajuns de mult pentru a pastra durata de întârziere constanta în ˚ RAC.

Figura 20 Influenta turatiei asupra arderii la m.a.c.

Toate celelalte faze ale arderii îsi maresc durata, în special arderea difuziva. De aceea turatia

motorului diesel cu injectie directa este limitata. La M.A.C. cu injectie indirecta aceste efecte sunt

mai putin evidente si de aceea turatia poate creste. Ca masura de combatere a acestui fenomen se va

mari avansul odata cu cresterea turatiei.

Sarcina si dozajul


La M.A.C. modificarea sarcinii se realizeaza prin reglarea cantitatii de combustibil si ca urmare

sarcina si dozajul sunt echivalente.

Figura 21 Influenta sarcinii asupra parametrilor la m.a.c.

Durata întârzierii la autoaprindere se micsoreaza putin odata cu cresterea sarcinii datorita

cresterii regimului termic (variatia este redusa). Durata arderii creste, mai ales pentru faza arderii



difuzive, care devine din ce în ce mai mult faza principala. Odata cu scaderea întârzierii la

autoaprindere, din cauza cresterii regimului termic, este necesara reducerea avansului odata cu

cresterea sarcinii.


Natura combustibilului


La M.A.C. sensibilitatea combustibilului este data de cifra cetanica care trebuie sa asigure

calitati de autoaprindere conforme cu cerintele motorului.O cifra cetanica mica duce la o întârziere

la autoaprindere mare cu functionare dura. Motoarele cu camera unitara sunt mai sensibile la

calitatea amestecului.

2 PROCESUL DE DESTINDERE

Teoretic, destinderea este timpul motor numarul 4 si corespunde cu deplasarea pistonului de la

pmi la pme. Din punct de vedere al realizarii de lucru mecanic, destinderea este ciclul în care se

produce putere. Temperatura în aceasta perioada este foarte ridicata, ceea ce face ca sa existe tot

timpul un transfer de caldura dinspre gaz spre pereti. Valoarea exponentului politropic mediu este

mai mic decât la comprimare, variind între 1.2 si 1.3.

Calculul parametrilor la sfârsitul destinderii se face admitând ca destinderea se face politropic


cu exponentul constant n d. Pentru aceasta se pot aplica legile de transformare politropice,

considerînd ca desfasurarea destinderii începe din momentul în care se atinge punctul de presiune

maxima din ciclu:


md                                                        md

pb p z p b p

V z

V

a

T z


Ta

z

Cu b s-a notat punctul de final al destinderii aflat la pme, iar p z si V z corespund punctului de

presiune maxima, care depinde de tipul ciclului motor si de parametrii functionali ai motorului. Din

punctul de vedere al influentelor asupra destinderii se mentioneaza dozajul, care face ca arderea sa

se prelungeasca mult în destindere, modificând transferul de caldura spre pereti scazând exponentul

politropic. Turatia are doua efecte contrare: reduce timpul de desfasurare al procesului, dar creste

durata arderii, împingând-o în destindere.





Document Info


Accesari: 9097
Apreciat: hand-up

Comenteaza documentul:

Nu esti inregistrat
Trebuie sa fii utilizator inregistrat pentru a putea comenta


Creaza cont nou

A fost util?

Daca documentul a fost util si crezi ca merita
sa adaugi un link catre el la tine in site


in pagina web a site-ului tau.




eCoduri.com - coduri postale, contabile, CAEN sau bancare

Politica de confidentialitate | Termenii si conditii de utilizare




Copyright © Contact (SCRIGROUP Int. 2025 )