Secventierul JOUCOMATIC
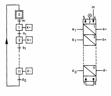
Registrul secventier este utilizat in automatizarile pneumatice, fiind un adevarat creier al acestora.
Aceste aparate modulare permit tratarea, intr-un mod foarte usor si cu o securitate optima in function 939o1415j area, a tuturor automatelor pneumatice care pot fi descompuse in etape si in secvente elementare.
Receptionand informatiile de la diversi captori, secventierul elibereaza ordine pentru asigurarea unei derulari corecte a ciclului de functionare.
Functiile logice SAU plasate la iesirile din registrul-secventier permit reunirea ordinelor identice provenite dela faze diferite.
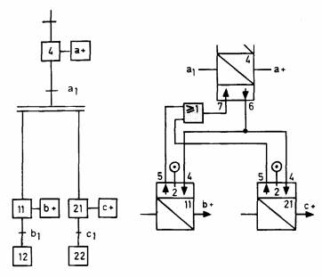
Ciclul cuprinde miscari simultane : a- si b+ in faza 6 ;
Functiile logice SI plasate pe returul de la registrul-secventier permit reunirea informatiilor ( a0 b1) care asigura aaceiasi tranzitie (de la faza 6 la faza 7).
Sisteme de comanda compacte ;
Punerea in functiune si intretinere usoara ;
Preturi scazute.
Ciclu cu o singura secventa

Plecare ciclu ;
Tranzitia de la o faza la alta
Final de ciclu
Tranzitia de la o faza la mai multe faze
Distributia simultana « SI »

Distributia selectiva « SAU »
Tranzitia de la mai multe faze la o singura faza urmatoare
Convergenta « SI »
Fig.15a
Convergenta « SAU »
Plecarea ciclului cu mai multe secvente cu derularea lor selectiva (SAU)
Plecarea ciclului cu mai multe secvente cu derularea lor simultana (SI)
Final de ciclu a mai multor secvente ce functioneaza simultan (SI)
Final de ciclu a mai multor secvente ce functioneaza selectiv (SAU)
11.5 Gama complementara si avantajele
11.5.1Gama complementara
11.5.2 Avantajele utilizarii registrul-secventier JOUCOMATIC
Rezolvarea imediata a problemelor secventiale.
Instalare si intretinere usoara, vizualizare permanenta a fiecarei faze a cicluilui prin semnalele luminoase ale memoriei de pe fiecare modul.
Posibilitatea motarii elementelor de detectie, de temporizare, de adaptare pe modulul de baza pentru realizarea functiilor de tranzitie, ceea ce determina compactitatea elementelor de comanda.
Inexistenta unei comenzi manuale de armare, ceea ce confera siguranta in functionare.
Securitate in derularea ciclului : o singura faza poate fi activa o data.
Semnalul "in ciclu 5" permite integrarea registrului intr-un automat complex.
Posibilitatea montarii unui registru secventier cu mai putin de 3 module.
Placile de baza permit si cablarea unor semnale exterioare.
Alimentarea cu tuburi Ø 4/6 permite realizarea unui registru-secventier cu un numar mare de module.
Pe module sunt indicate prin sageti sensul de desfasurare al ciclului.
Modulele sunt echipate cu amortizoare de zgomot.
Numarul de legaturi intre module este redus.
|