Sistemul de ungere al motorului cu piston
Sistemul de ungere are rolul de a aduce lubrifiantul (uleiul) in zona in care exista piese in miscare relativ 838b17i 259;, preintampinand contactul direct intre piese, care ar presupune degajarea de energie prin frecare, care conduce la incalzire, dislocari de material si temperaturi excesive (ceea ce ar putea provoca chiar topirea pieselor aflate in miscare relativ 838b17i 259;).
Zonele in care piesele se afla in miscare relativ 838b17i 259; se numesc lagare.
Clasificarea lagarelor:
cu carter UMED – la care lubrifiantul este pastrat in motor in baia de ulei;
cu carter USCAT – la care lubrifiantul este pastrat intr-un rezervor exterior motorului.
UNGERE CU SISTEM CU CARTE UMED


UNGERE CU SISTEM CU CARTER
USCAT
La motoarele cu carter umed, segmentii se ung cu ceata de ulei, rezultata din barbotarea de catre arborele cotit a uleiului aflat in baia de ulei. La motoarele cu carter uscat, uleiul este pulverizat in spatele pistoanelor cu ajutorul unor pulverizatoare (conducte cu diametrul mic).

SCHEMA SISTEMULUI DE
ALIMENTARE CU CARTER USCAT, PENTRU AVIATIE
In componenta sistemului de ungere intra si pompele de ulei.
Acestea pot fi:
- cu angrenaj exterior;
- cu angrenaj interior;
- cu palete.
Pompele de ulei pot avea un etaj sau doua etaje in serie (in cascada).
SISTEME DE ANGRENAJE PENTRU POMPE DE ULEI

TOLERANTE PENTRU ROTI CU ANGRENAJ INTERIOR ANSAMBLU
POMPA DE ULEI


POMPA DE ULEI CU PALETE CU ANGRENAJ EXTERIOR

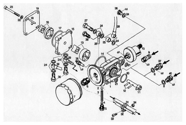
POMPA DE ULEI A MOTORULUI ROTAX 912 (AVION IAR46)

POMPA DE ULEI A MOTOARELOR
M137/M337 (AVIOANE ZLIN 726/526/142)

POMPA DE ULEI A MOTORULUI AI14RA (AVION PZL104 WILGA)

SCHEMA SISTEMULUI DE
UNGERE PENTRU AVIOANELE DE ACROBATIE
|