Documente online.
Zona de administrare documente. Fisierele tale
Am uitat parola x Creaza cont nou
 HomeExploreaza
upload
Upload




PMOS Common-Source Amplifier

technical


PMOS Common-Source Amplifier

P5.1 SPICE Equations and Pin Diagram 212t1912c

P5.2 PMOS Common-Source Amplifier DC Setup



P5.3 Amplifier Gain at One Bias Current

P5.4 Amplifier Gain versus Bias Current

Exercises and Analysis Exercise05.mcd - Project05.mcd

P5.1 SPICE Equations and Pin Diagram 212t1912c

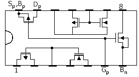
CD4007 Pin Diagram 212t1912c

SPICE Equation

Description

(NMOS)

DC drain current voltage relation (PMOS).

Gain versus ID.

Gain versus ID, Veffp.

P5.2 PMOS Common-Source Amplifier DC Setup

LabVIEW Computations

Components

Procedure

Install RD value. Adjust VSG in SetVSD.vi and run the VI to find the value for IDMAX = 500 mA ± 50 mA. VSS is ramped up from 10 V (default value) to find the value for VD = -4 V. Note that if RD is too large, VD will be > -4 V initially (for VSS = -10 V) at IDmax. Default and save the Front Panel.

P5.3 Amplifier Gain at One Bias Current

LabVIEW Computations

Components

Same as SetVSD.vi



SubVI's

SetVSD.vi (Set Bias)

FG1Chan.vi (Function Generator)

SR.vi (Send-Receive Function)

Oscilloscope.vi (Chan1_in Read Waveform)

Procedure

Sub VI FG1Chan.vi sends out the bias VSG and, in series, a sine-wave signal equal to VSG/20. Set VSGinit as determined with SetVSD.vi as the VSG required to obtain ID mA. This is the initial VSG in the sweep of the next part. Run the VI to obtain the gain for this bias current. Obtain a data log of the Front Panel. Default and save. Re-run with a new VSGnew = VSG - 0.5 V to obtain the gain at a lower bias current. Obtain a data log.

P5.4 Amplifier Gain versus Bias Current

LabVIEW Computations

Components

Same as SetVSD.vi

Sub VI's

GainSub.vi

SetVSD.vi (Set Bias)

FGsine.vi (Function Generator)

SR.vi (Send-Receive Function)

Oscilloscope.vi (Chan1_in Read Waveform)

Procedure

Run Gain.vi to run GainSub.vi over a range of currents. Set VSGinit(V) to the value obtained above for ID mA (defaulted in SetVSD.vi). The VI automatically halts (decreasing) at ID mA. Default and save the Front Panel. Now obtain a data file as follows.

Open GraphToDataFile.vi (copy of XYtoDataFile.vi) in Project05.llb. Copy the data from the graph ID versus VSG of Gain.vi. (Right Click on the graph, then Data Operations>>Copy Data.) Then paste the data into the Control Graph of GraphToDataFile.vi. (Right Click on the graph and then Data Operations>>Paste Data.) Type the data file path and name the data file. Run the VI to obtain a data file to be read by the Mathcad evaluation file. Repeat for the gain plot, av versus ID. Recall: The data files must be in the folder with the Mathcad file. The file name must have a *.prn extension.




Document Info


Accesari: 2683
Apreciat: hand-up

Comenteaza documentul:

Nu esti inregistrat
Trebuie sa fii utilizator inregistrat pentru a putea comenta


Creaza cont nou

A fost util?

Daca documentul a fost util si crezi ca merita
sa adaugi un link catre el la tine in site


in pagina web a site-ului tau.




eCoduri.com - coduri postale, contabile, CAEN sau bancare

Politica de confidentialitate | Termenii si conditii de utilizare




Copyright © Contact (SCRIGROUP Int. 2025 )