Aplicatiile vaste de proiectare necesita stocarea unor informatii în baze de date. O parte din aceste informatii sunt utile # 16316i89q 1;i în partea grafica a unui proiect, în desene. AutoCAD este capabil sa conlucreze bine cu aplicatii soft de tip baze de date, pentru utilizarea în comun a unor informatii. AutoCAD accepta asocieri sau legaturi ale datelor stocate într-o baza de date cu obiectele grafice proprii. Toate tipurile cunoscute de baze de date sunt recunoscute de AutoCAD, care poate beneficia de majoritatea facilitatilor oferite de acestea: sortari, filtrari, cautari, etc. Structura tabelara a bazelor de date cu care poate conlucra AutoCAD permite definirea unor legaturi ("links") clare si simple.
Pe lânga definirea unor legaturi, AutoCAD accepta crearea în desen a unor etichete, "labels", al caror continut se regaseste într-un tabel al unei baze de date. Aceste etichete sunt obiecte de tip text multilinie.
Conectivitatea AutoCAD - baza de date implica existenta urmatoarelor elemente:
o aplicatie utilitara externa de configurare, care abiliteaza AutoCAD sa acceseze date dintr-o anumita baza de date;
un manager de tip "dbconnect", prin care se pot asocia legaturi, etichete si interogari cu desenele AutoCAD;
o fereastra pentru vizualizarea datelor ("Data View Window") care afiseaza în cadrul sesiunii AutoCAD înregistrarile dintr-un tabel al unei baze de date;
un editor de interogari, prin care se pot construi, executa si stoca interogari de tip SQL;
un instrument de migrare, care converteste legaturile si atributele afisabile create în versiuni anterioare AutoCAD, la versiunea 2000;
o operatie de selectare a legaturii care sa creeze iterativ seturi de selectie, atât pe baza interogarilor cât si pe baza obiectelor grafice selectate.
Accesarea unei baze de date din interiorul AutoCAD necesita în prealabil configurarea bazei, folosind Microsoft ODBC sau programe OLE DB. Utilizând ODBC sau OLE DB, AutoCAD poate manipula date din baze de date externe, indiferent de formatul în care sunt stocate în baza sau de modul în care a fost creata baza.
Procesul de configurare a conectivitatii implica crearea unei noi surse formale de date care trebuie sa indice spre un tip de colectie de date si sa prevada informatii despre driver-ele necesare accesarii tipului vizat de baza de date.
O sursa de date poate fi un tabel individual, o colectie de tabele, un catalog, o schema. Cataloagele, schemele, tabelele sunt elemente ierarhice utilizate în organizarea datelor de catre majoritatea sistememlor pentru managementul bazelor de date. Ele se aseamnana cu o structura de directoare din Windows.
Procesul de configurare variaza usor pentru diferite sisteme de baze de date. De aceea, sunt prevazute proceduri individuale pentru fiecare tip de baza de date acceptat de AutoCAD.
Caracteristica de conectivitate accepta urmatoarele aplicatii externe: Microsoft Access 97 si 2000, dBASE V si III, Microsoft Excel 97 si 2000, Oracle 8.0 si 7.3, Paradox 7.0 , Microsoft Visual FoxPro® 6.0, SQL Server 7.0 and 6.5.
AutoCAD 2000 include mai multe mostre de tabele de baza de date de tip Access ("jet_dbsamples") si un driver preconfigurat care poate fi utilizat pentru lucrul cu aceste tabele, fara a fi obligatorie prezenta aplicatiei Microsoft Access pe sistemul de calcul (vezi folder-ul "Sample").
"DbConnect Manager" este o fereastra care contine un set de butoane si un arbore de vizualizare (fig. 16.1).


Pentru a deschide DbConnect
Manager-ul, se utilizeaza comanda DBCONNECT
sau se selecteaza linia dbConnect din meniul "Tools".
Bara de instrumente "Standard" contine de asemenea un buton
pentru lansarea rapida a comenzii DBCONNECT:
.
Din DbConnect Manager, se poate deschide fereastra "Data View" pentru a vedea si/sau a edita tabelul bazei de date asociat desenului. Diferite obiecte specifice bazelor de date, cum ar fi sabloane de legaturi - "link templates", "sabloane de etichete" -"label templates", "interogari" - "queries" pot fi asociate în DbConnect Manager cu desenul curent AutoCAD.
DbConnect Manager prezinta un arbore de vizualizare, cu doua tipuri de noduri:
noduri Drawing, care afiseaza fiecare desen deschis; fiecare nod al desenului evidentiaza toate obiectele de tip baza de date asociate cu desenul;
noduri Data Sources, care afiseaza toate sursele de date configurate, recunoscute de AutoCAD.
În DbConnect Manager pot fi executate interogari SQL.
La lansarea comenzii DBCONNECT, AutoCAD deschide DbConnect Manager si adauga meniul "dbConnect" pe bara de meniuri.
Comanda DBCLOSE închide DbConnect
Manager. O manevra similara se realizeaza prin butonul
,
care executa doua operatii opuse.
Dupa configurarea unei surse de date, tabelele acesteia pot fi accesate din interiorul AutoCAD, prin fereastra "Data View" (fig. 16.2). Tabelele pot fi deschise în mod "read-only" (numai la citire) sau în mod "edit" (pot fi adaugate, sterse sau modificate înregistrari din baza; nu pot fi adaugate sau sterse câmpuri ale tabelelor, nu poate fi modificata natura câmpurilor).

Figura 16.2 Fereastra "Data View" utila în vizualizarea si editarea tabelelor dintr-o baza de date conectata cu AutoCAD
În fereastra "Data View" se creaza legaturi între înregistrarile din baza de date si obiectele grafice din desenele AutoCAD.
Functia primara a caracteristicii de conectivitate este asocierea unei baze de date externe cu obiecte grafice din AutoCAD. Nu se pot crea legaturi cu obiecte negrafice (layer-e, tipuri de linie, stiluri de scriere).
Când se creaza o legatura, se stabileste o relatie dinamica între înregistrarea din baza de date si obiectul grafic asociat. Daca se muta sau se copiaza un obiect având o legatura asociata, legatura este mutata sau copiata si ea. Daca se sterge obiectul, legatura se sterge si ea.
Crearea unei legaturi este obligatoriu precedata de definirea unui sablon pentru legaturi, numit "link template".
Unui obiect grafic i se pot atasa mai multe legaturi, utilizând diferite sabloane; în acest fel, se pot asocia date din baze de date diferite la un acelasi obiect grafic.
Un sablon pentru legaturi necesita declararea unuia sau mai multor câmpuri din baza de date ca fiind câmpuri-cheie ("Key Fields") pentru acel sablon; astfel se poate identifica în mod unic înregistrarea din baza de date care corespunde acelei legaturi a obiectului prin sablonul considerat.
Algoritmul de creare efectiva a unei legaturi ("link") este urmatorul:
În DbConnect Manager, se selecteaza si se deschide un tabel pentru care exista cel putin un sablon de legaturi definit.
În fereastra "Data View", se selecteaza din lista sabloanelor de legaturi, sablonul necesar legaturii preconizate.
Se selecteaza apoi rândurile corespunzatoare uneia sau mai multor înregistrari din tabel pentru care urmeaza sa se defineasca legaturi.
Din meniul ferestrei, se deschide prin sageata ▼rubrica Link and Label Settings si se opteaza pentru Create Links.
Din meniul ferestrei "Data View",
se apasa butonul Link:
.
Fereastra "Data View" se închide temporar, pentru a permite selectarea unuia sau mai multor obiecte din desenul AutoCAD, care devin obiecte asociate în legatura respectiva.
Din AutoCAD se pot exporta legaturi continute într-un desen, facilitate remarcabila atunci când mai multe obiecte grafice sunt legate la un singur rând de baza de date.
Legaturile prevad un
mecanism puternic pentru a asocia date externe cu obiecte grafice din AutoCAD.
Selectând o înregistrare a bazei, se pot usor vedea la dorinta
obiectele din desen asociate ei, prin apasarea butonului
al ferestrei "Data View".
Reciproc, selectând un obiect din desen asociat bazei de date, se pot
evidentia înregistrarile (rândurile) din baza de date asociate lui,
prin utilizarea butonului
.
La plotarea unui desen, legaturile sale cu o baza de date nu pot fi tiparite. Trebuie definite etichete, denumite "labels".
Etichetele sunt texte multilinie care afiseaza în desenul AutoCAD date preluate dintr-un tabel al bazei de date externe.
Etichetele pot fi independente - "Freestanding labels" sau pot fi atasate - "Atached labels" în raport cu obiectele grafice. Etichetele independente nu sunt asociate unor obiecte grafice. Etichetele atasate la un obiect grafic sunt strâns conectate cu acesta. Daca se muta/ copiaza/ sterge obiectul grafic, eticheta sufera aceeasi operatie. Daca se copiaza în Clipboard obiectul grafic, eticheta sa este de asemenea copiata. Etichetele asociate cu un obiect grafic sunt afiste prin intermediul unui leader.
Pentru a lucra cu etichete, trebuie creat mai întâi un sablon pentru etichete - "label template", care definieste ce câmpuri din tabelul din baza de date sunt afisate în eticheta si cum este formatat textul în eticheta. În sablonul pentru etichete se poate adauga un text static care sa preceada sau sa urmeze textul implicit (vezi exemplul din fig. 16.3 b pentru sufixele mp. si cam.).
Pentru a crea o eticheta
independenta, se deschide un tabel care are definite cel putin un
sablon pentru legaturi ("link template") si un sablon
pentru etichete ("label template"). Se aleg cele doua sabloane
si apoi se selecteaza în fereastra "Data Window"
înregistrarea care va genera eticheta. În meniul Link and Label Settings,
apasând butonul ▼, se opteaza pentru Create Freestanding
Labels. Se apasa butonul
al meniului ferestrei "Data View"
si alege o zona în desen unde sa fie inserata eticheta.
Pentru a crea o eticheta
atasata, se procedeaza la fel, dar se opteaza pentru Create
Attached Labels. Apoi se apasa butonul
al meniului din "Data View Window"
si se selecteaza în desen obiectul la care se asociaza eticheta.
Utilizatorul poate opta în orice moment pentru afisarea sau ascunderea etichetelor din desen.
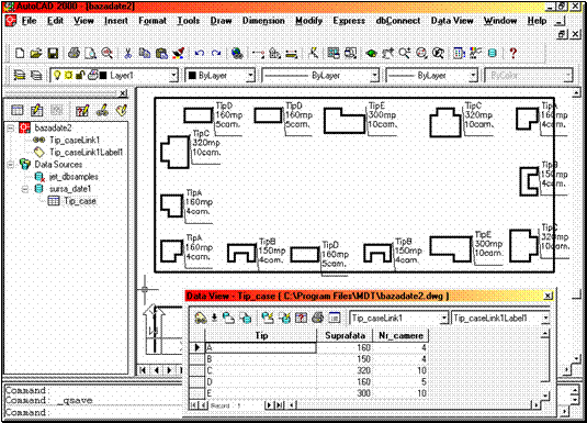
În fig. 16.3 a se prezinta un exemplu de utilizare a etichetelor atasate într-un desen. Exemplul reda partial un cartier de locuinte cu case individuale tipizate. Tipurile de case si caracteristicile lor sunt stocate într-o baza de date. Prin procedurile adecvate, sunt definite în desen etichete atasate fiecarei case, cuprinzând caracteristicile ei, asa cum sunt nominalizate în baza de date asociata. În fig. 16.3 b se prezinta un detaliu pentru tipul A de casa. Sunt evidentiate înregistrarea din baza de date care corespunde legaturii si eticheta atasata. Aceasta reproduce, conform sablonului ales, continutul câmpurilor din înregistrarea asociata. O parte din ele au sufixe adecvate ("mp", "cam."). Imaginea 16.3 c reda acelasi desen, dupa ascunderea etichetelor atasate si ascunderea muchiilor nevizibile, într-o afisare spatiala.

Figura 16.3 a Desen AutoCAD, cu baza de date asociata si etichete atasate obiectelor din desen; pe bara de meniuri sunt prezente titlurile "dbConnect" si "Data View"


Fiura 16.3 b Detaliu pentru tipul A de casa

Figura 16.3 b Vizualizarea spatiala hidden-line a desenului din cazul a), cu ascunderea etichetelor atasate
O caracteristica fundamentala a sistemelor de baze de date este abilitatea lor de a prezenta un subset de înregistrari bazat pe un criteriu de cautare sau interogare aplicat setului total.
Editorul de interogare a bazelor de date asociat mediului AutoCAD, "Query Editor", consta dintr-o serie de 4 panouri care pot fi folosite pentru a dezvolta iterativ interogari (fig. 16.4). Editorul se poate lansa din oricare din ofertele "New Query." ale meniului pull-down "dbConnect", ale ferestrei "Data View" sau din "DbConnect Manager".
"Link Select" este o implementare avansata a editorului de interogare, care construieste iterativ seturi de selectie cuprinzând obiecte din desenele AutoCAD. Nu prezinta al patrulea panou din editorul e interogare, si anume panoul "SQL Query". "Link Select" se activeaza din meniul pull-down "dbConnect", linia Links.
"Link Select" creaza din mers un set de selectie, care poate fi rafinat cu informatii aditionale printr-un proces iterativ. Se începe fie prin construirea unei interogari sau prin selectarea unor obiecte grafice din AutoCAD. Acest set initial este referit ca setul A. Apoi se pot selecta obiecte grafice aditionale sau se poate defini o interogare care va fi setul B. În pasul urmator se stabileste relatia dintre setul A si setul B pentru a rafina setul de selectie. Urmatoarele relatii sau seturi de opratii sunt disponibile în acest scop:
Select: stabileste o interogare initiala sau un set de selectie initial. Acesta poate fi rafinat prin operatii succesive;
Intersect: returneaza intersectia booleana dintre setul A si setul B;
Subtract A - B: returneaza diferenta booleana A-B;
Subtract B - A: returneaza diferenta booleana B-A.
Rezultatul operatiilor anterioare devine noul set A. Se poate continua iterativ. Se defineste un nou set B si se reiau pasii corespunzatori.

Figura 16.4 Editorul de interogari "Qeury Editor" din mediul AutoCAD, cu panoul al III-lea, "Query Builder" activ
|