
AutoCAD-ul va permite sa setati c 121f51b onfiguratii diferite pentru variabilele de cotare,permitându-va astfel definirea diferitelor moduri de cotare ce urmeaza a fi folosite în desen. Acest exercitiu urmareste sa va familiarizeze cu încarcarea unor stiluri existente si crearea unora noi.
style
Procedura de desenare
1. Deschideti desenul "Slide. Creati un nou layer numit "DIMS" si setati-l ca layer curent.
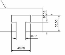
2. Mariti partea din dreapta a canalului "T" folosind comanda zoom si cotati detaliul (ca în figura 1) folosind optiunea Linear din meniul Dimension.
Figura 1

Figura 2

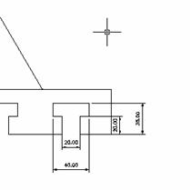
3. Folosind modul Grip si
selectând dimensiunea 20.00 a canalului "T" puteti repozitiona
textul. Selectând unul din capetele liniilor specificati o noua
pozitie a textului, ca în figura 2. Aceasta metoda va
adauga automat linia de cota sub text. Repetati aceasta
procedura pentru cota verticala de 20.00 mm. Tastati "Esc" de doua ori pentru a iesi din modul Grip.
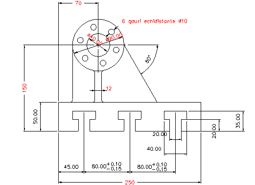
4. Mariti întregul desen cu comanda Zoom all, apoi folositi optiunea Linear si Continue din meniul Dimension pentru a adauga cele trei cote (45.00, 80.00 si 80.00), ca în desenul de referinta.
5. Adaugati cota de gabarit (250 mm) folosind optiunea Baseline, si tastati S pentru aselecta cota de 45.00, capatul din stînga. Astfel se recunoaste punctul de început al liniei de cota ca fiind extremitatea din stânga a cotei de 45.00 mm deja existenta.
6. Completati toate dimensiunile liniare ramase, ca în desenul de referinta.
7. Selectati comanda Center Mark din meniul Dimension din pull down menu, apoi selectati diametrul exterior al flansei pentru a adauga automat axele.
|
|
|
Figura 3 |
8. Selectati optiunea Angular si tastati <Return>. Marcati punctele 2 si 3 în ordinea aratata în figura 3 creând cota de 60 grade.
9. Folositi optiunea Curent din Style. din meniul Dimension pentru a încarca modul de dimensionare "ovall". Acest mod are setari diferite pentru înaltimea textului, culoarea si pozitia cotei facând distincte cotele de celelalte entitati din desen. Folositi comanda Update din meniul Dimension pentru a corecta toate cotele de gabarit existente conform noului mod setat ca în desenul final.
10. Utilizati Curent si încarcati stilul "tol". Utilizând comanda Update aplicati tolorante celor doua cote de 80.00 mm ale canalului "T".
11. Utilizati Curent si încarcati stilul "circle". Selectati optiunea Diameter si marcati cercurile respective ale flansei si cotati cercurile de diametre 40 si 90 ca în desenul de referinta.
12. Selectati Style. din meniul Dimension din pull down menu. Scrieti în dreptul Name numele Leader si apoi apasati Rename. Veti vedea ca noul nume este introdus în lista de cotare fiind un nou stil. Pentru al modifica punctati cu cursorul pe Annotation. si apoi alegeti Color care va permite sa schimbati culoarea textului cotei. În fereastra Overall Scale din Geometry. introduceti o noua valoare: 2.
Având definit noul mod de cotare, selectati fereastra OK si apoi din nou OK penru a iesi din fereastra.
NOT{: Atunci când cotele sunt editate cu dimensionarea asociativa activata (reala), modificând entitatea cotata, de exemplu cu comanda stretch, AutoCAD-ul actualizeaza valoarea cotei la noua dimensiune a entitatii.
13. Folosind optiunea Leader adaugati note pentru orificiile flansei ca în desenul de referinta.
14. Salvati desenul si iesiti din editorul de desenare cu comanda Quit.
|