ELECTRICE
TITLUL TEMEI : « APARATE ELECTRICE DE JOASA TENSIUNE »
STUDENT : CUTAR ELENA
GRUPA : 2305 CHE
Notiuni generale. Clasificare
Aparatele electrice de joasa tensiune sunt aparatele ce se construiesc pentru tensiuni nominale ce nu depasesc 1000 V curent alternativ, 1200 V curent continuu.Se folosesc nu numai in centrale si statii electrice, ci si in industrie si sectorul casnic pe scara foarte larga. Toate aparatele electrice folosite in sectorul casnic sunt aparate de joasa tensiune ;la fel-o mare parte a aparatelor electrice folosite in industrie. Capitolul de fata se va ocupa cu precadere de aparatele electrice de joasa tensiune folosite in centrale si statii cu observatia ca domeniul de aplicatie al acestor aparate nu este strict al centralelor si statiilor,ele folosindu-se pe scara larga si in industrie.
In centrale si statii electrice, aparatele electrice de joasa tensiune se foloosesc atat de partea de circuite primare, cum e cazul instalatiilor electrice de distributie si utilizare cu tensiune nominala mai mica de 1000 V, cat si pe partea de circuite secundare unde, prin prezenta lor, asigura functionarea circuitelor primare de inalta tensiune. In special, pe partea de circuite secundare, a caror tensiune nominala este sub 1000 V , rolul aparatelor de joasa tensiune este foarte imp 656m124g ortant, fara ele nefiind posibila functionarea corecta a circuitelor primare de forta.
Clasificarea aparatelor electrice de joasa tensiune se poate face dupa mai multe criterii : dupa felul curentului, dupa tensiunea nominala, dupa curentul nominal, dupa numarul de poli etc.
Dupa felul curentului, aparatele sunt de curent alternativ sau de curent continuu, cele de curent alternativ fiind de curent alternativ monofazat sau de curent alternativ trifazat.
Tensiunile nominale standardizate sub 1000V curent alternativ si 1200V curent continuu sunt : in curent alternativ - 24, 48,127,220,380,660,1000V, iar in curent continuu - 24,48,125,400,800, 1200V.
Curentii nominali standardizati sunt :3,6,10,16, 32,40 ,63,80,100,160 , 200 ,315 ,400, 630,1600, 2000, 2500 si 3150 A. Pentru secundarul transformatoarelor de masura este standardizat curentul de 5 A.
Aparatele de joasa tensiune se construiesc monopolare, bipolare, tripolare si tetrapolare. Primele doua variante sunt destinate pentru a functiona in curent alternativ monofazat sau curent continuu. Variantele tri- si tetrapolare se construiesc pentru a functiona in curentul alternativ trifazat.
In acest capitol vor fi prezentate numai tipurile reprezentative de aparate de joasa tensiune, folosite in centrale si statii si anume :
n contactoarele-elemente folosite in schemele electrice de actionari si automatizari in domeniul curentilor tari ;
n intreruptoarele automate de putere-aparate cu sarcini atat de comutatie, cat si de protectie.
2.Contactorul
Contactorul se poate defini ca un aparat de comutatie cu o singura pozitie de repaus, actionat in alt mod decat manual, capabil de a inchide, a suporta si a intrerupe curentii in conditii normale,inclusiv cerentii de serviciu si de suprasarcina.
Contactoarele sunt cele mai raspandite aparate din instslatiile de comanda si automatizare.Prezinta avantajele ca pot fi actionate de la distanta la primirea unui impuls ce poate fi dat manual sau automat,au o frecventa mare de conectare si o rezistenta mare de uzura electrica si mecanica.
Principalele elemente ale unui contactor sunt :
--elementul motor care asigura deplasarea contactelor mobile.Acest element poate fi un electromagnet (contactoare electromagnetice), un piston actionat cu aer comprimat (contactoare pneumatice) sau un ax motor prevazut cu came (contactoare mecanice).Cele mai raspandite sunt contactoarele electromagnetice,mai ales cele ce actioneaza in circuite de curent alternativ (contactoare de curent alternativ). Electromagnetul poate fi alimentatcu tensiune alternativa(in cea mai mare parte a cazurilor) sau continua;
--polii principali constituiti din bornele de intrare si iesire,puntea conductoare care asigura continuitatea circuitului principal, contactele si camera de stingere.Numarul polilor principali este de trei, in cazul utilizarii contactorului in curent alternativ trifazat si de doi-in cazul utilizarii in curent alternativmonofazat sau continuu ;
--polii auxiliari care sunt de fapt contactelle auxiliare care servesc la mentinerea sub tensiune a bornei electromagnetului, la semnalizare sau blocare.
Contactorul poate fi realizat cu contacte normal inchise sau normal deschise. Contactul normal deschis este contactul care se afla deschis cand aparatul se afla in pozitie de repaus.Contactul normal inchis este acel contact care se afla inchis cand aparatul se afla in pozitie de repaus.
Contactorul cu contactele principale normal inchise se numeste ruptor.
Carcasa aparatului este formata din piese izolante si metalice care asigura izolarea, ghidajul pieselor la miscare si fixarea aparatului in pozitia de functionare.
Din punct de vedere al cinematicii, contactoarele se pot clasifica in :
--contactoare cu miscare de rotatie a contactelor mobile si electromagnetului ;
--contactoare cu miscare de translatie a contactelor si electromagnetului ; Miscarile contactoarelor si electromagnetului pot fi paralele si contactorul are o miscare de translatie simpla, sau perpendiculara una pe cealalta, si contactorul are o miscare combinata.
Contactoarele cu miscare de translatie sunt cele mai raspandite. In figura 1 este reprezentata constructia unui contactor cu miscare de translatie simpla. Soclul 1 permite montarea aparatului pe suport si pe el se fixeaza restul subansamblurilor. Pe miezul magnetic fix 2 se monteaza bobina de actoinare. Contactele fixe se monteaza pe corpul izolant 3. In partea de sus se afla echipajul mobil 4 ce contine miezul magnetic mobil si contactele mobile. Tot in partea superioara se afla si camerele de stingere 5 si contactele auxiliare 6.
In figura 2 este reprezentat schitat un contactor cu miscare combinata. Contactele fixe 5 se afla montate pe suportul 2 . Contactele mobile 6 exacuta o miscare de translatie, orizontala, perpendiculara pe miscarea de translatie executata de armrtura magnetica mobila cand este atrasa de miezul magnetic fix 7. Transformarea miscarii intre cele doua elemente se face cu ajutorul bratului 9 ce se roteste in jurul axului 10. Resortul 11 realizeaza revenirea armaturii magnetice 8 atunci cand inceteaza actiunea miezului 7 .Camera de stingere a arcului 3 contine placutele 12 ce fragmentarea arcului si stingerea sa pe baza efectlui de electrod (arcul scurt).
Contactoarele cu miscare de translatie se utilizeaza pentru instalatiile de curent alternativ cu tensiuni nominale pana la 500 V si curenti nominali pana la 30-60 A.Pentru curenti mai mari, camerele de stingere folosesc principiul arcului scurt pentru stingera arcului electric.

Fig.1. Constructia unui contactor cu miscare de translatie simpla

Fig.2. Contactoare din seriile TCA
Dupa felul sarcinii ,contactoarelor se clasifica in urmatoarele tipuri :
--in curent alternativ :
--tip AC 1-utilizat la comanda diferitelor receptoare cu sarcini electrice neinductive sau slab inductive (cuptoare electrice cu rezistente) ;
--tip AC 2-utilizat la pornirea motoarelor cu inele de contact si la franarea in contracurent ;
--tip AC 3 ---utilizat la pornirea motoarelor cu rotorul in scurtcircuit si la oprirea motoarelor in plin mers ;
--tip AC 4 ---utilizat la pornirea motoarelor cu rotorul in scurtcircuit, la mersul cu socuri si la inversarea sensului de rotatie al motoarelor;
--in curent continuu :
--tip DC 1---utilizat la comanda diferitelor receptoare cu sarcini neinductive sau slab inductive (cuptoare cu rezistenta) ;
--tip DC 2---utilizat la pornirea motoarelor cu excitatie in derivatie si la oprirea acestor motoare in plin mers ;
--tip DC 3---utilizat la pornirea motoarelor cu excitatie in derivatie,la mersul cu socuri si la inversarea sensului de rotatie al motoarelor
--tip DC 4---utilizat la pornirea motoarelor cu excitatie serie si oprirea motoarelor cu excitatie serie in plin mers ;
--tip DC 5---utilizat la pornirea motoarelor cu excitatie serie, la mersul cu socuri si la inversarea sensului de rotatie al motoarelor.
In ultimul timp, datorita cresterii parametrilor dispozitivelor semiconductoare, s-au realizat contactoare statice, fara elemente mecanice in miscare, fara camere de stingere.
Contactoarele statice prezinta o serie de avantaje cum ar fi absenta arcului electric, fiabilitate ridicata etc. Ca dezavantaj, in afara de costul ridicat, se poate indica capacitatea extrem de redusa de a rezista la suprasarcini si scurtcircuite, datorita capacitatii temice extrem de reduse a tiristoarelor. Din acest motiv ele necesita o protectie impotriva scurtcircuitelor si suprasarcinilor prin sigurante fuzibile ultrarapide sau prin alte mijloace.
3. Intreruptorul automat
3.1. Notiuni generale. Elemente constructive
Intreruptoarele automate de joasa tensiune sunt aparate de comutatie capabile sa inchida, si sa intrerupa curentii atat in conditii normale de functionare ale circuitului , cat si in conditii anormale, cum ar fi cele de scurtcircuit.
Intreruptoarele automatedeci, pe langa functia de comutatie a circuitelor in regim normal, mai indeplinesc si functia de protectiea acestor circuite in conditii anormale, cum ar fi in cazul suprasarcinilor si in special in cazul scurtcircuitelor.
Dupa destinatia lor intreruptoarele se pot clasifica in urmatoarele tipuri constructive :
--intreruptoare automate pentru instalatii de interior, de curent alternativ, de tensiuni 120-220 V, curenti nominali 6-25 A si curenti de rupere de circa 1500 A ;
--intreruptoarele automate pentru instalatii de forta, de curenti alternativi nominali mari (25-2000 A tensiuni 220-550 V si curenti de rupere de 10-50 kA ;
--intreruptoare automate pentru linii electrice de curent alternativ cu curenti de rupere pana la 100 kA ;
--intreruptoare automate ultrarapide pentru instalatii de curent continuu.
Dupa constructia lor intreruptoarele se pot clasifica in doua mari categorii :
--intreruptoare automate in carcasa izolanta
--intreruptoare automate universale in executie deschisa
Din punct de vedere constructiv un intreruptor automat de joasa tensiune cuprinde urmatoarele parti principale :
b. Organul motor cu ajutorul caruia se produce energia necesara actionarii intreruptorului. Acesta poate fi manual ,dispozitiv electromagnetic, dispozitiv pneumatic, servomotor.
c. Polii principali construiti de caile de curent, contacte si camere de stingere.
d. Polii auxiliari sau contactele auxiliare se folosesc la circuitele secundare de comanda, semnalizare si blocaj ale intreruptorului.
e. Dispozitivele de protectie sunt construite din declansatoare sau relee. Deosebirea dintre declansatoare si relee este aceea ca declansatorul determina un proces mecanic de dezavorare a unei forte, in timp ce releul determina un proces electric de stabilire sau intrerupere a unui contact electric. Ambele sunt organe sensibile la o marime electrica.
3.2. Tipuri constructive
Intreruptoarele automate de joasa tensiune se construiesc intr-o mare varietate de tipuri constructive.Dintre tipurile de intreruptoare in carcasa izolanta la noi in tara se fabrica seria USOL.
Seria de intreruptoare automate USOL se fabrica pentru curenti nominali de 100, 110, 250, 500, 630, 800 A, curent alternativ si continuu.
Un intreruptor automat tip USOL este format din urmatoarele parti principale : baza, intreruptorul propriu-zis, cutia cu declansatoare termice si electromagnetice, carcasa.
La montarea unui intreruptor USOL trebuie verificate urmatoarele :
--corespondenta pozitiilor manetei de actionare cu pozitia contactelor mobile ;
--declansarea automata a intreruptorului la extragerea din baza (cazul executiei debrosabile) ;
--functionarea corecta a declansatoarelor de tensiune nula sau de curent ;
--anclansarea in gol (fara tensiune la contactele principale) cu ajutorul motorului de actionare de la distanta pentru verificarea functionarii acestuia.
Dintre tipurile de intreruptoare universale in constructie deschisa, la noi in tara se construiesc tipurile OROMAX , DITA, AMT si intreruptoare monopolare licenta BBC-STOTZ KONTAKT.
Seria de intreruptoare automate AMT fabricate de Electroaparataj se realizeaza pentru curenti nominali de 200 si 400 A si se utilizeaza la protectia motoarelor si a liniilor electrice.
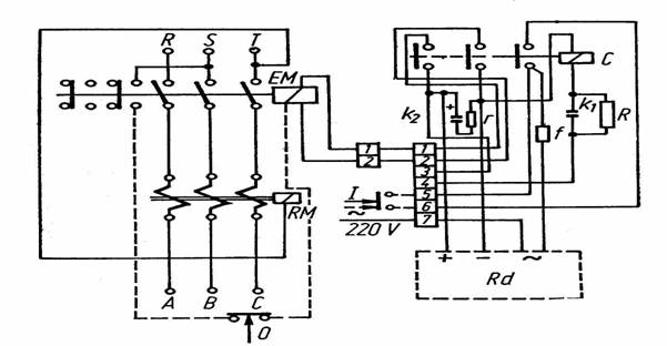
In figura 3 este reprezentata schema electrica a unui intreruptor AMT in care EM este electromagnetul de actionare ; RN-declansatorul de tensiune minima ; C-contactorul de comanda ;R si r-rezistente de descarcare ; k1-condensator de temporizare ; k2-condensator de descarcare ; Rd-redresorul de alimentare ;f-siguranta fuzibila.

Fig.3. Schema electrica a intreruptorului AMT
Aparatele din seria AMT sunt prevazute cu declansator termic si electromagnetic pe fiecare faza si declansator de tensiune nula. De asemenea, se pot prevedea si cu un sistem de actionare de la distanta prin electromagnet alimentat in curent continuu.
Intreruptoarele ATM se pot livra in executie neprotejata sau in executie capsulata. In ultima varianta camerele de stingere sunt prevazute cu un racitor de gaze.
Din prezentarea tipurilor constructive de pana acum se poate remarca tendinta de a se fabrica un tip de intreruptor de baza adaptabil la numeroase utilizari(deconectarea transformatoarelor, condensatoarelor, motoarelor liniilor electrice) cu ajutorul declansatoarelor termice si electromagnetice constituite in blocuri separate ce pot fi schimbate si reglate pentru a servi scopul propus.
In afara de tipurile constructive prezentate, care se construiesc la noi in tara, o alta clasa de intreruptoare o constituie intreruptoarele de curent alternativ ultrarapide.
Se considera ca un intreruptor este ultrarapid daca durata sa de actionare este de ordinul 3-15ms. Pentru a se putea realiza astfel de timpi de actionare aceste intreruptoare sunt prevazute cu dispozitive de zavorarea fortei de declansare si declansatoare adecvate capabile, de durate reduse de declansare.
Astfel la dispozitivele de zavorare, tinand seama de faptul ca la curenti de 500 - 5000 A forta de declansare necesara actionarii atinge cateva tone forta, este necesar sa se realizeze piese in miscare cu masa cat mai mica si frecari cat mai mici. Dintre dispozitivele de zavorare folosite la intreruptoarele ultrarapide se pot enumera :
n semiax, cu miscare de rotatie si montaj pe rulmenti
n genunchi, cu axe pe rulmenti
n parghii cu role si axe pe rulmenti
n role excentrice de diametre diferite
n fir fuzibil
Tot in clasa intreruptoarelor ultrarapide pot fi incluse si intreruptoarele limitatoare de curent. Principiul de functionare a acestor intreruptoare consta in diminuarea valorii de varf a curentului de scurtcircuit prin introducerea unei rezistente mari a arcului electric mult lungit in camera de stingere.Prin functionarea unui declansator rapid se separa contactele inainte de o noua crestere a valorii instantanee a curentului.
In afara de folosirea unor dispozitive de zavorare si declansatoare adecvate asa cum s-a aratat, la intreruptoarele ultrarapide se mai utilizeaza in acest caz si eforturile electrodinamice si de repulsie a contactelor.
Pentru actionarea si protectia circuitelor de curent continuu se folosesc intreruptoare ultrarapide de curent continuu. Deoarece aceste intreruptoare de curent continuu s-au dezvoltat mai ales pentru protectia surselor de curent continuu impotriva efectelor termice ale curentilor de scurtcircuit a fost necesara o durata de actionare redusa. Intr-adevar, tinand seama de capacitatea termica redusa a redresoarelor cu vapori de mercur si mai ales cu dispozitive semiconductoare, durata de deconectare a curentilor de scurtcircuit trebuie sa fie extrem de redusa.
Ca o caracteristica a intreruptoarelor de curent continuu este folosirea dispozitivului de suflaj magnetic necesar pentru introducerea arcului electric in camera de stingere.
BIBLIOGRAFIE
I.N. CHIUTA , AL. SELISCHI < Echipamente electrice > E.D.P. BUCURESTI - 1981
AL.SELISCHI <Curs de echipamente electrice>
|