Universitatea " Politehnica" din Bucuresti
Catedra: Material Rulant de Cale Ferata
a) locomotiva este echipata cu boghiuri static determinate a cate 3 osii pe fiecare boghiu. Actionarea o 313c22d siilor se va face cu motoare electrice de tractiune (MET) si reductoare semi-suspendate si actionare bilaterala ;
b) cutiile de osie sunt ghidate cu ajutorul ghidajelor cilindrice ;
c) legatura dintre cutie si boghiu se face prin leagan cu penduli divergenti ;
d) timoneria de frana este cu saboti cu actiune bilaterala.
Se cunosc :
Vmax=120 [km/h] ; masa locomotivei mL=116-n=107[ t] ; masa suspendata a boghiului msb=6990 [kg] ; masa nesuspendata a boghiului mnb=9120 [kg] ; greutatea MET Gm=3200 [N] ; diametrul rotii D=1100 [mm] ; cota h=400 [mm] ; raza coroanei dintate r2=500 [mm] ; raza pinionului r1=123 [mm] ; raportul de transmitere iT=4,06 ; cota l=890 [mm] ; rigiditatea arcurilor din suspensia fusului de osie : i=nr de osii ; j=nr de fusuri K1j=1200 [N/mm] ; K2j=800 [N/mm] ; K3j=1300 [N/mm] ; distanta dintre 2 fusuri ale aceleiasi osii 2b0=1980 [mm] ; distanta dintre planurile cercurilor de rulare 2s=1500 [mm] ; ampatamentul locomotivei aL=10000 [mm]; cota centrului de greutate al locomotivei hc=1700 [mm] ; cota centrului de greutate a partii suspendate a cadrului de boghiu hsb=600 [mm] ; cota punctului de legatura intre cutie si boghiu hr=hp=700 [mm] ; bratele balansierului longitudinal articulat m=1000[mm] ; n=1200 [mm] ; cota centrului geometric al cutiei hcv=1800 [mm] ; cota centrului geometric al cadrului boghiului hbv=650 [mm] ; cota carligului de tractiune H=1050 [mm] ; lungimea pendulului lp=550 [mm] ; unghiul de inclinare al suspensorului fata de verticala bs=13o; latimea cadrului de boghiu 2b=2100 [mm] ; a=200 [mm] ; b=700 [mm] ; a=13 o ; b=20 o.
raza curbei Rc=250 [m] ; hs=150 [mm] ; Vc=50+n=55 [km/h] ; coeficientul de suplete S=0,2 ; deplasarea transversala a locomotivei l=30[mm] ; suprafata laterala a locomotivei Sc=40 [m2] ; forta specifica a vantului W=500 [N/m2] ; forta normala de apasare a sabotului pe roata N=100 [kN] ; distanta dintre atarnatori d=1100 [mm] ; coeficientul de suprasarcini dinamice Ks=3+0,n=3,5 ; rigiditatea arcurilor din suspensia cutiei Kc=800 [N/mm].
Punct
X
Y
E1
E2
E3
1. Trasarea caracteristicii de tractiune :
In functie de numarul de ordine, se va determina tonajul locomotivei :
mL=118-n=118-5=113 [t]
Determinarea fortei de aderenta :
ma 0,161+7,5/(44+V)
; se variaza viteza de la "0
35 km/h".
ma0=
;
ma5=
;
ma10=
;
ma15=
;
ma20=
;
ma25=
;
ma30=
;
ma35=
.
Fa=mL. g. ma 103 [N]
Fa0=
[N] ;
Fa5=
[N] ;
Fa10=
[N] ;
Fa15=
[N] ;
Fa20
[N] ;
Fa25
[N] ;
Fa30
[N] ;
Fa35
[N] .
PLDE=F0.V=1550
[kW]
F0=PLDE.103/(0,27.V)
; se
variaza V de la 5
120 km/h din 5 in 5 km/h..
F05=
[N] ; F025=
[N] ;
F010=
[N] ; F030=
[N] ;
F015=
[N] ; F035=
[N] ;
F020=
[N] ; F040=
[N] ;
F045=
[N] ; F085=
[N] ;
F050=
[N] ; F090=
[N] ;
F055=
[N] ; F095=
[N] ;
F060=
[N] ; F0100=
[N] ;
F065=
[N] ; F0105=
[N] ;
F070=
[N] ; F0110=
[N] ;
F075=
[N] ; F0115=
[N] ;
F80=
[N] ; F0120=
[N] .
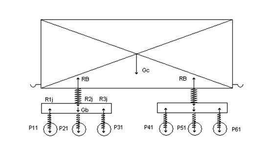
Gc = greutatea cutiei ; 
Gb = greutatea suspendata a cadrului de boghiu ;
Pij = sarcinile pe fusuri ;
mc = mL-2(msb+mnb)=113-2(6,889,12)=81 [t] ;
Gc=mc.g=81000.9,81=794610 [N] ;
P1c=Gc/2=397305 [N] ;
Gnb=mnb.g=9,12.9,81.103=89467,2 [N] ;
Gsb=msb.g=6,88.9,81.103=67492,8 [N] ;
PB,P=P1C+Gsb=397305+67492,8=464797,8 [N] - sarcina de la nivelul cadrului de boghiu ;
Kp=2(K1j+K2j+K3j)=2(1200+800+1300)=6600 [N/mm] ;
Sageata
statica a suspensiei : f=
[mm] ;
Reactiunile
la nivelul fusurilor vor fi :
[N] ;
Sarcinile
pe fusuri vor fi :
[N] .
;
;
Sageata
din etajul secundar va fi :
[mm] ;
[mm] ;
Coeficientii dinamici ( pentru Vmax=120 km/h ) :
Kdc=ac+F
;
[N] ;
[N] ;
[N] ;
[mm] ;
[N] ;
[N] ;
Coeficientii dinamici ( pentru Vc=55km/h ) :
;
;
;
[N] ;
[N] ;
[N] ;
[mm] ;
[N] ;
[N] ;
2.Determinarea sarcinilor introduse de actionarea osiilor :
Calculul se va efectua pentru trei viteze :
Vd=5 km/h (viteza de demaraj ) ;
Vc=55 km/h (viteza de circulatie in curba ) ;
Vmax=120 km/h (viteza maxima de circulatie ) ;
F0locd=1148148,148 [N] ;
F0locc=104377,104 [N] ;
Flocmax=47839,506 [N] ;
F0osied=F0locd/6=191358,024 [N] ;
F0osiec=F0locc/6=17396,184 [N] ;
F0osiemax=F0locmax/6=7973,251 [N].
2.1.Echilibrul osiei :

2.2.Echilibrul carcasei :




2.1.a.Echilibrul
osiei pentru Vd=5 km/h ( F0=
[N] ) :
[N] ;
[N] ;
[N] ;
[N] ;
[N] ;
2.2.a.Echilibrul carcasei pentru Vd=5 km/h ( F0=58013,07 [N] ) :
[N] ;
[N];
[N] ;
[N] ;
[N] ;
![]()
[N] ;
![]()
[N] ;
;
;
![]()


[N] ;
![]()
[N] ;
2.1.b.Echilibrul
osiei pentru Vc=55 km/h ( F0=
[N] ) :
[N] ;
[N] ;
[N] ;
[N] ;
[N] ;
2.2.b.Echilibrul carcasei pentru Vc=55 km/h ( F0=17396,184 [N] ) :
[N] ;
[N] ;
[N] ;
![]()
[N] ;
![]()
[N] ;
![]()
[N] ;
;
;
![]()

-
[N] ;
![]()
7643,777 [N] ;
2.1.c.Echilibrul
osiei pentru Vmax=120 km/h ( F0=
[N] ) :
[N] ;
[N] ;
[N] ;
[N] ;
[N] ;
2.2.c.Echilibrul carcasei pentru Vmax=120 km/h ( F0=7973,251 [N] ) :
[N] ;
[N] ;
[N] ;
[N] ;
[N] ;
![]()
[N] ;
![]()
[N] ;
;
;
![]()

[N] ;
![]()
[N] ;
3.Sarcini redistribuite pe fusuri ca urmare a actionarii osiilor:

m=1000 [mm];
n=1200 [mm].
Pentru :
v=5
[km/h]
F0L=1148148,148 [N]
F0=58013,07 [N] ;
v=vc=55
[km/h]
F0L=104377,104 [N]
F0=17396,184 [N] ;
v=vmax=120
[km/h]
F0L=47839,506 [N]
F0=7973,251 [N] .
K1=1200 [N/mm] ; K2=800 [N/mm] ; K3=1300 [N/mm].
l12=1950 [mm] ; l23=2150 [mm] ; l13=4100 [mm].
Ke=
[N/mm] ;
[mm] ;
ar=l13-lf1=4100-1063,63=3036,37 [mm] ;
Coordonatele CMRB :
Xof=
[mm]
X0=X0f+lf1=
=1257,90+1063,63=2321,53 [mm] ;
Y0=b0=990 [mm] ;
Rigiditatile unghiulare :
[Nmm] ;
Pentru v=5 [km/h] :
Pv=
[N] ;


;
Fortele care actioneaza in punctele f1 si f2 :
Pfi=
;
f1![]()
; f2![]()
;
Pf1=1837,97.[5,71-9,04.10-3.(1063,63-2321,53)-3,43.10-3.(0-990)]=37623,24 [N];
Pf2=1837,97.[5,71-9,04.10-3.(1063,63-2321,53)-3,43.10-3.(1980-990)]=
=25161,80 [N];
P11=
[N] ;
P21=
[N] ;
P12=
[N] ;
P22=
[N] ;
Solicitarile care apar pe fusurile osiei 3 :
P3i=K3.[fz+jy (x3i-x0)+ jx (y3i-y0)] ;
X3i=l13 ; y31=0 ; x32=l13 ; y32=2b0 ;
P31=1300.[5,71-9,04.10-3.(4100-2321,53)-3,43.10-3.(0-990)]=-9061 [N] ;
P32=1300.[5,71-9,04.10-3.(4100-2321,53)-3,43.10-3.(1980-990)]=-17875 [N] ;
Pentru v=vc=55 [km/h] :
F0=17396,184 [N] ;
Pv=
[N] ;
fz=
[mm] ;
jy=
[rad] ;
jx=
[rad] ;
Pf1=1837,97.[1,71-2,7.10-3.(1063,63-2321,53)-1,03.10-3.(0-990)]=11229,99 [N] ;
Pf2=1837,97.[1,71-2,7.10-3.(1063,63-2321,53)-1,03.10-3.(1980-990)]=
=7517,29 [N] ;
P11=
[N] ; P21=
[N] ;
P12=
[N] ; P22=
[N] ;
P31=
[N] ;
P32=
[N] ;
Pentru v=vmax=120 [km/h] :
F0=7973,251
[N]
Pv=
[N] ;
fz=
[mm] ;
jy=
[rad] ;
jx=
[rad] ;
Pf1=1837,97.[0,78-1,23.10-3.(1063,63-2321,53)-4,72.10-4.(0-990)]=5109,55 [N] ;
Pf2=1837,97.[0,78-1,23.10-3.(1063,63-2321,53)-4,72.10-4.(1980-990)]=
=3418,62 [N] ;
P11=
[N] ; P21=
[N] ;
P12=
[N] ; P22=
[N] ;
P31=
[N] ;
P32=
[N] ;
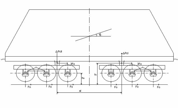
4. Influenta fortei de tractiune asupra solicitarii ramei boghiului si a fusurilor de osie :


H=1050 [mm] ; hr=hp=700 [mm] ; al=10000[mm] ; h0=D0/2=550 [mm] ;
Pentru vd=5 [km/h] :
Cuplul de rotire al cutiei :
Cyc=6F0.(H-hr)=6.58013,07.(1050-700)=121827,44 [Nm] ;
Unghiul de rotire al cutiei :
jyc=
[rad] ;
DPcI=
[N] ;
DPcII=-DPcI ;
Cuplul de rotire al cadrului de boghiu :
Cyb=3F0.(hp-h0)=3.58013,07.(700-550)=26105,88 [Nm] ;
Constanta echivalenta a arcului :
Ke=
[N] ;
[mm] ;
ar=l13-lf1=4100-1063,63=3036,37 [mm] ;
Unghiul de rotire a cadrului de boghiu :
jyb=
[rad] ;
Deplasarea pe verticala a cadrului de boghiu :
fz=
[mm] ;
Fortele din punctele f1 si f2 :
Pf1=Pf2=
=-3F0.
P11=P12=Pf1
[N] ;
P21=P22=Pf1
[N] ;
P31=P32=-3F0
Reactiunile orizontale :
RHij=
[N] ; ng=2 - avem ghidaje cilindrice ;
Fortele orizontale la fusurile de osie :
Tij=
;
Pentru vc=55 [km/h] :
Cuplul de rotire al cutiei :
Cyc=6F0.(H-hr)=6.17396,184.(1050-700)=36531,98 [Nm] ;
Unghiul de rotire al cutiei :
jyc=
[rad] ;
DPcI=
[N] ;
DPcII=-DPcI ;
Cuplul de rotire al cadrului de boghiu :
Cyb=3F0.(hp-h0)=3.17396,184.(700-550)=7828,28 [Nm] ;
Constanta echivalenta a arcului :
Ke=
[N] ;
[mm] ;
ar=l13-lf1=4100-1063,63=3036,37 [mm] ;
Unghiul de rotire a cadrului de boghiu :
jyb=
[rad] ;
Deplasarea pe verticala a cadrului de boghiu :
fz=
[mm] ;
Fortele din punctele f1 si f2 :
Pf1=Pf2=
=-3F0.
P11=P12=Pf1
[N] ;
P21=P22=Pf1
[N] ;
P31=P32=-3F0
Reactiunile orizontale :
RHij=
[N] ; ng=2 - avem ghidaje cilindrice ;
Fortele orizontale la fusurile de osie :
Tij=
;
Pentru vmax=120 [km/h] :
Cuplul de rotire al cutiei :
Cyc=6F0.(H-hr)=6.7973,251.(1050-700)=16743,82 [Nm] ;
Unghiul de rotire al cutiei :
jyc=
[rad] ;
DPcI=
[N] ;
DPcII=-DPcI ;
Cuplul de rotire al cadrului de boghiu :
Cyb=3F0.(hp-h0)=3.7973,251.(700-550)=3587,96 [Nm] ;
Constanta echivalenta a arcului :
Ke=
[N] ;
[mm] ;
ar=l13-lf1=4100-1063,63=3036,37 [mm] ;
Unghiul de rotire a cadrului de boghiu :
jyb=
[rad] ;
Deplasarea pe verticala a cadrului de boghiu :
fz=
[mm] ;
Fortele din punctele f1 si f2 :
Pf1=Pf2=
=-3F0.
P11=P12=Pf1
[N] ;
P21=P22=Pf1
[N] ;
P31=P32=-3F0
Reactiunile orizontale :
RHij=
[N] ; ng=2 - avem ghidaje cilindrice ;
Fortele orizontale la fusurile de osie :
Tij=
;
|