Rugozitatea influenteaza in mod deosebit comportarea in exploatare a pieselor si de aceea este necesar ca in 333h74d desenele de executie ale pieselor sa se prescrie cit mai corect rugozitatea suprafetelor in functie de conditiile concrete de functionare. La prescrierea rugozitatii trebuie avut in vedere si costul prelucrarii fiind cunoscut faptul ca, rugozitatile mici se obtin cu costuri mari si cu timpi de prelucrare mari.
Rugozitatea suprafetelor prelucrate prin aschiere influenteaza comportarea pieselor in exploatare in urmatoarele directii: asupra rezistentei la uzare, asupra rezistentei la oboseala, asupra rezistentei la coroziune si asupra caracterului ajutajelor pieselor.
a) Influenta asupra rezistentei la uzura.
Conform curbei experimentale de evolutie in timp a uzurii (figura 8.12), se disting trei portiuni distincte:
Viteza cu care se desfasoara procesul de uzura depinde de suprafata de contact dintre asperitati, repectiv de coeficientul de portanta R dintre suprafetele in contact si a carui valoare este data de relatia:[1]
(8.7)
unde l1..lm sunt suprafetele portante elementare ale microasperitatilor si L lungimea de asamblare a suprafetelor (figura 8.11.b).
Marimea suprafetelor
portante elementare depinde de forma microneregularitatilor.
Daca acestea sunt ascutite si au pasul Sr mic (figura
8.12.a) [1] uzura se produce rapid pina la nivelul Un dupa
care urmeaza uzura normala (figura
La suprafetele generate prin procedee de finisare, microasperitatile au un palier initial (figura 8.13c) care elimina portiunea de rodaj din curba de variatie a uzurii (figura 8.12 c), astfel ca piesele asamblate vor realiza de la inceput ajustajul prescris.
Fig. 8.12 Fig. 8.13
b) Influenta asupra rezistentei la oboseala
Rezistenta la oboseala a pieselor este determinata si de starea suprafetelor prelucrate, in special de forma si marimea microasperitatilor.
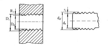
In figura 8.15 se prezinta diametrele efective obtinute prin masurare dupa prelucrare (Def. si def.) si dupa o anumita perioada de functionare (Dr si dr).
Daca se considera o anumita inaltime a rugozitatii Ri ( figura 8.15) diametrele dupa o anumita perioada de functionare vor avea valorile:
Dr = def + 2RI dr = def – 2ri (8.9)
Daca se considera un ajustaj cu joc (figura 8.15), marimea acestuia se determina cu relatia:
Jr = Dr – dr = (Def. – def.) + 2(RI + ri) (8.10)
sau:
Jr = Jef + 2(RI + ri) (8.11)
In cazul in care Jef. Jmax., rezulta ca dupa o scurta
perioada de functionare se poate ajunge

a b
|