Nanomaterialele- domeniu economic de mare interes
Cresterea activitatilor de cercetare in domeniul nanomaterialelor, sustinuta de marile investitii in nanotehnologii realizate de companii statale sau interstatale, vine sa ofere o multitudine de noi proprietati pe care acestea le au. Foarte importanta in domeniu este si depasirea nivelului de laborator la obtinerea nanomaterialelor pentru asigurarea unui volum de productie corespunzator cerintelor comerciale viabile. Activitatile din 343c25d domeniul nanomaterialelor sunt tot mai frecvent supuse si unor analize de etica privind efectele lor in sanatate, mediu si economie in general.
Evolutia de-a dreptul exponentiala a cercetarilor in domeniu este clar redata de evolutia lucrarilor stiintifice publicate. Astfel pentru perioada 1992-2002 in fig 1. se observa acesta tendinta de crestere.

Fig. 1. Evolutia numarului de brevete si publicatii in domeniul nanomaterialelor
Eforturile financiare, peste 50% din surse guvernamentale, sunt justificate de extraordinarele oportunitati pe care aceste materiale le deschid pentru industriile clasice, in sensul cresterii performantelor produselor, asociat unor avantaje competitive si valori noi create.
Cu toate ca nanotehnologia nu este un termen nou (a fost utilizata inca din anii 1960) a inceput sa fie argumentata ca domeniu in stiinta materialelor si in chimie mai tarziu. In fapt nanoparticule au fost utilizate cu peste 2000 ani inainte(clustere de Au folosite de romani la colorarea vaselor, sau mai tarziu in secolul al X-lea in acelasi scop la ceramice)
O reala schimbare in domeniul utilizarii nanoparticulelor a aparut abia in secolul XX cu producerea carbonului negru prin anii 1940. Descoperirea carbonului C60 (fullerene) in 1985 (ulterior au fost puse in evidenta peste 30 de tipuri de C2n din aceeasi familie) si a nanotuburilor de carbon in 1991, a dat un stimul real dezvoltarii nanomaterialelor. Evolutia spectaculoasa a puterii calculatoarelor si a modelarii materialelor, cuplata cu avansul semnificativ al tehnicilor de caracterizare a materialelor la scara atomica cum sunt microscopia bazata pe forta atomica (AFM- atomic force microscopy) si cea bazata pe scanarea efectului tunnel (STM- scanning tunneling microscopy), etc. au constituit factori aditionali de dezvoltare a nanomaterialelor pentru o serie de obiective specifice.
1.3.1. Ce sunt nanomaterialele?
Nanostiinta este studiul asupra fenomenelor si manipularii materialelor la scara atomica, moleculara sau macromoleculara, la care proprietatile difera essential de cele de la scara macro.
Nanotehnologiile reprezinta proiectarea, caracterizarea, producerea si utilizarea de structuri, produse finite si sisteme prin controlul formei si dimensiunilor la scara nano.
Nanomaterialele marcheaza limitele dintre nanostiinte si nanotehnologii, asa ca definirea lor este apropiata de a acestora. In principiu, majoritatea cercetatorilor accepta ideea ca nanoparticulele sunt particule materiale care au un diametru de cel mult 250 nm.
Pentru a intelege ce inseamna asta in realitate este suficient sa se recurga la unele date statistice. Spre exemplu, 2 g de nanoparticule de Al cu diametrul mediu de 100 nm, contin suficiente nanoparticule incat sa se poata da fiecarui locuitor al planetei cam 300 000 de particule.
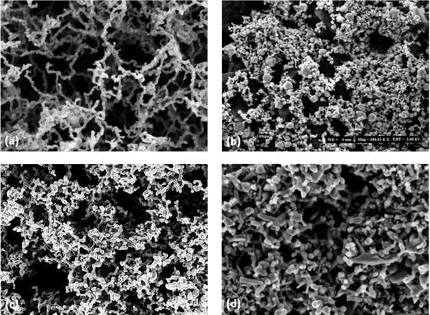
Nanomaterialele acopera, din fericire o arie larga de materiale : polimeri, metale, ceramice. Ele pot avea de asemenea morfologii foarte variate :sfere, fibre, palete, structuri dendritice, tuburi, etc. (vezi fig.2) Tehnicile de producere in laborator si conditiile speciale de sinteza a lor pot determina uneori forme foarte sofisticate pentru nanomateriale (vezi fig 3).

Fig. 2. Aspectul unor nanomateriale (nanoparticole-nanopudre) : (a) Co; (b) oxid de cupru;
(c) ZnO; (d) Ag.
Fig. 3. Nanostructuri de ZnO sintetizate in conditii controlate prin evaporarea termica a pulberilor solide.
1.3.2. De ce prezinta interes nanomaterialele?
Nanomateriale prezinta interes pentru o serie de domenii datorita proprietatilor lor foarte speciale (vezi tab 1)
Tabelul 1 . Domenii de interes pentru nanomateriale
|
Domeniul |
Scara dimensionala |
|
Produse electronice |
1100 nm |
|
Produse magnetice |
1100 nm |
|
Optica |
1100 nm |
|
Superconductibilitate |
0.1100 nm |
|
Mecanica |
0.11000 nm |
|
Cataliza |
110 nm |
|
Supramolecule |
11000 nm |
|
|
110 nm |
Nanomaterialele la dimensiuni cuprinse intre 1nm si 250nm fac o legatura intre proprietatile atomilor si moleculelor cu cele ale grupurilor de particule materiale. Majoritatea proprietatilor fizice sunt controlate prin fenomene care au un domeniu critic de manifestare la scara nano. Proprietatile electronice care pot fi controlate la aceasta scara prezinta un interes deosebit . In acelasi timp o serie de alte caracteristici cum ar fi cele chimice, mecanice, optice, etc. sunt de un foarte mare interes.
1.3.3. Evolutia in activitatea comerciala cu nanomateriale
Adaugarea de particule in alte matrici de materiale a fost o tehnica uzuala de schimbare a proprietatilor materialelor inca de la inceputul producerii materialelor sintetice. In mod firesc primele particule utilizate in acest scop aveau dimensiuni mai mari decat de ordinal nano.
Prima productie industriala de nanomateriale a inceput in secolul 20 cu producerea carbunelui negru si derivatilor in anii 1940. De-a lungul anilor urmatori au aparut noi companii multinationale. O reala comercializare a productiei de nanoparticole a aparut abia in ultimul deceniu al secolului trecut. O crestere extraordinara s-a resimtit in domeniul produselor electronice si a industriei optoelectronice. Odata cu dezvoltarea tehnologiilor s-a reusit obtinerea de produse din ce in ce mai mici cu componente din ce in ce mai miniaturizate. O evolutie pe parcursul secolului trecut a numarului companiilor producatoare de nanomateriale este redata in fig.4
Marea majoritate a acestor companii au avut ca pornire mici companii initiate pe langa universitati, laboratoare guvernamentale sau antreprenoriale bazate pe finantare guvernamentala. Se estimeaza ca aproape jumatate din companiile producatoare de nanomateriale au inca un asemenea statut. Exista programme de cercetare specifice zonelor mari economice ale lumii in care nanomaterialele se regasesc ca directii prioritare. In Comunitatea Europeana, Programul Cadru 7, are nanomaterialele incadrate ca directie prioritara de cercetare (in clasificarea prezentata in paragraful 1.2.). La acest program Romania a aderat prin structurarea Programului National 2 de cercetare intr-o varianta compatibila cu cea a PC7 european.
Primele tipuri de nanomateriale produse si pietele lor de desfacere sunt prezentate in tabelul 2.

Fig. 4. Evolutia numarului companiilor in domeniul nanomaterialelor
Tabelul 2 Primele tipuri de nanomateriale produse si pietele lor de desfacere
|
Tipul produsului |
Domeniu de piata vizat |
Pondere |
|
Nanoparticule |
Medical/farmaceutic |
|
|
Nanotuburi |
Chimie si materiale avansate(noi) |
|
|
Materiale nanoporoase |
Tehnologia informatica si comunicatii (ITC-Information and communication technology ) |
|
|
Fulerene |
Energie |
|
|
Dispozitive de control-cuantificare |
Pentru motoare auto |
|
|
Materiale nanostructurate |
Industria aerospatiala |
|
|
Nanofibre |
Textile |
|
|
Nanocapsule |
Agricultura |
|
|
Nanofibre |
|
|
|
Dendrimeri |
|
|
1.3.4. Piata nanomaterialelor
Intrebarea de baza este: care este piata nanomaterialelor ce face acest domeniu atat de atractiv si determina o crestere atat de rapida a numarului companiilor producatoare?
In mod cert exista o asemenea piata. Exista un numar mare de aplicatii in care posibilitatea reprocesarii materialelor existente la scara nano poate oferi noi performante produselor obtinute. Exemplele pot fi multiple, de la sculele de taiere, la care particolele de mici dimensiuni duc la performante sporite, la componentii de lustruire si polizare care utilizeaza particole in jur de 90nm, astfel incat calitatea suprafetelor obtinute e asigurata , respectiv la dispozitivele magnetice la care marea densitate a depunerilor magnetice cu particule foarte fine creste mult capacitatea de stocare a informatiei.
O estimare a productiei diverselor nanomateriale pentru periada actuala si viitoare este redata in tabelul 3.
Taelul 3 Productia globala estimata pentru diferite tipuri de nanomateriale (estimare realizata in perioada 2003-2004)8
|
Aplicatii |
Material/produs |
Productia estimata (tone/an) |
||
|
|
|
|
|
|
|
StructuralStructural |
Ceramice, composite catalitice, straturi de acoperire, filme subtiri, pulberi metalice (Ceramics, catalysts composites, coatings, thin films, powders, metals) |
|
|
|
|
Skincare products |
Oxizi metalici (Metal oxides) (TiO2, ZnO, Fe2O3) |
|
|
103 sau mai putin |
|
Tehnologia informatiei si comunicatiei (ICT) |
Nanotuburi monostrat, nanoelectronice, materiale optoelectronice, diode organice luminiscente [Single-walled nanotubes, nanoelectronics, optoelectronic materials (TiO2, ZnO, Fe2O3), organic light-emitting diodes (OLEDs)] |
|
|
103 sau mai mult |
|
Biotehnologie |
Nanocapsule, materiale biocompatibile, stimulatori, composite, biosenzori (nanoencapsulates, biocompatible materials, quantum dots, composites, biosensors) |
less than 1 |
|
|
|
Instrumente, senzori, caracterizare |
Sisteme microelectronice sisteme nanomecanice, microscopie prin scanarea probelor litografie, (Microelectromechanical systems (MEMS), nanoelectro-mechanical systems (NEMS), scanning probe microscopy (SPM), dip-pen lithography, direct-write tools) |
|
|
|
|
Mediu |
Nanofiltrare, membrane (Nanofiltration, membranes) |
|
|
|
Apar mereu noi aplicatii ale nanomaterialelor si
produse care seduc atentia atat a producatorilor cat si a utilizatorilor. Noile produse
optoelectronice, produsele de mici dimensiuni mult mai eficiente energetic,
nanotubirile de carbon cu extraordinarele lor aplicatii, atrag tot mai multe
fonduri in cercetare si productie. Din acest motiv au aparut si apar companii
care pot sa produca asemenea materiale in cantitati de ordinul sutelor de tone
anual. Cifrele de afaceri care se deruleaza in domeniu de ordinul sutelor de milioane
de dolari la nivelul anilor 2004-2005 se estimeaza sa ajunga la zeci de
miliarde in 2010. Aceasta se datoreaza
in special aplicatiilor nelimitate pe care aceste nmateriale si le regasesc
actual, dar mai ales in perspectiva tehnologiilor si produselor viitoare (vezi
tabelul 4)
![]()
Tabelul 4. Aplicatii actuale si viitoare ale
nanomaterialelor.
|
Domeniul |
In curs de dezvoltare |
In faza incipienta |
Produse confirmate |
|
Putere/ energie |
Celule solare utilizand TiO2 |
Ni nanocristalin si hidruri metalice pentru baterii |
Catalizatori pentru motoare |
|
|
Stocare de H2 storage utilizand hidruri metalice |
|
|
|
|
Materiale pentru anozii si catozii celulelor solare |
Catalizatori pentru mediu |
|
|
|
Fluide pentru control termic utilizand Cu |
|
|
|
Sanatate/ medicina |
Medicamente nanocristaline pentru absorbtie usoara |
Molecular tagging using CdSe quantum dots |
Elemente de stocare antibacterial ape baza de Ag, fungicide pe baza de ZnO |
|
|
Insulina inhalabila |
Drug carriers for drugs with low water solubility |
Au for biolabeling and detection |
|
|
Nanosfere pentru medicamente inhalabile injectate current utilizand Si biocompatibil |
Scule pentru implanturi ca hydroxyapatita |
Agenti pentru imagine prin rezonanta magnetica de contrast pe baza de Fe2O3 |
|
|
Bone growth promoters |
Marker particles for use in assays |
Sunscreens using ZnO and TiO2 |
|
|
Virus detection using quantum dots |
|
|
|
|
Anticancer treatments |
|
|
|
|
Magnetic particles for the repair of the human body with prosthetics or artificial replacement parts |
|
|
|
|
Antioxidant drugs based on fullerenes |
|
|
|
Engineering |
Improved thermal barrier coatings |
Abrasion-resistant coatings using alumina, Y-Zr2O3 |
Structural enhancement of polymers and composites |
|
|
Spark plugs using nanoscale metal and ceramic powders |
Nanoclay reinforced polymer composites |
Thermal spray coatings based on TiO2, TiC-Co, etc. |
|
|
Nanoporous silica based on aerogels for high-efficiency insulators |
Lubricant/hydraulic additives: Cu MoS2 |
Nanostructured Al alloys incorporating nanoparticles |
|
|
Controlled delivery of herbicides and pesticides |
Pigments |
Inks: conducting, magnetic, etc. using metal powders |
|
|
Improved moisture barrier films for packaging |
Improved scratch-resistant coatings |
Processing catalysts |
|
|
Chemical sensors |
Self-cleaning glass using TiO2 |
Cutting tool bits: WC, TaC, TIC, Co |
|
|
Molecular sieves |
Propellants using Al |
Automotive tires |
|
Consumer goods |
|
Anticounterfeit devices |
Packaging using silicates |
|
|
|
Nano-starch-based adhesives for cardboard packaging |
Glass coatings for antiglare, antimisting mirrors using TiO2 |
|
|
|
|
White goods with easy-clean coatings |
|
|
|
|
Ski wax |
|
|
|
|
Sports goods: tennis balls, rackets using nanoclays |
|
|
|
|
Water/stain-repellent textiles |
|
Environmental |
More sensitive sensors |
Alumina fibers for water treatment |
Tiles coated using alumina and other sanitary ware |
|
|
Environmentally friendly antifouling paints and coatings |
Photocatalyst water treatments using TiO2 |
Self-cleaning glass using nanostructured coatings based on TiO2 |
|
|
Soil remediation using Fe |
Pollution-destroying paints using TiO2 |
Antireflection coatings |
|
Electronics |
EMI shielding using conducting and magnetic materials |
Ferrofluids using magnetic materials |
Chemical-mechanical planarization alumina, ceria |
|
|
Electrically conductive plastics |
Optoelectronics devices such as switches using rare-earth-doped ceramics |
Coatings and joining materials for optical fibers based on Si |
|
|
Light-emitting Si LED nanoparticles for displays |
Smaller multilayer capacitors (MLCs) using Ni and Cu nanopowders |
|
|
|
Electronic circuits, nonvolatile random access memory (NRAM) using Cu, Al |
Conductive coatings and fabrics using rare-earth-doped ceramics |
|
|
|
Display technologies including field-emission devices using conducting oxides and carbon nanotubes |
Nanoscale magnetic particles for high-density data storage |
|
1.3.5. Viitorul nanomaterialelor si a companiilor care le produc
The use of nanoparticles is set to escalate and the market has the potential to increase dramatically over the next ten years, as more uses for these materials are developed and commercialized.
A major impact will be in the medical and pharmaceutical markets as new treatments using nanoparticles obtain licenses for use. But there are many other applications where the time to market is considerably less than the pharmaceutical market, particularly in consumer goods. However, there are still many challenges for nanomaterials companies to overcome before the potential is fully realized. These include:
Health, safety, and environment the profile of nanotechnology has increased in recent years with a focus on the potential long-term effects of nanotechnology and, more immediately, nanomaterials on people and the environment8, 44, 45, 46, 47, 48, 49, 50 and 51. As with any high-profile technology, questions will be asked, but some nanomaterials have been with us for many years without causing concern. However, it is very important to the success of this industry that any concerns are addressed. The key aspect is: are there any detrimental effects over and above those already identified purely from the fact that these materials are in the nano form? It is also highly unlikely that nanomaterials will be used without being incorporated into some other media, such as a composite or liquid. Research is underway into the effects of nanomaterials, and it is difficult to draw any firm conclusions to date, but there is evidence that there may be positive benefits from these types of material both for humans and the environment50 and 52.
Bibliogfrafie
1 The Nanotech Report 2004 Investment Overview and Market Research for Nanotechnology (3rd edition) Lux Research Inc., New York 2004 www.luxresearchinc.com/TNR2004.
2 R.A. Bleeker et al., Materials Today 7 (2004) (2), p. 41.
3
B. Corish, CIPA Congress Nanotechnology Workshop, Thomson Scientific,
4 www.thebritishmuseum.ac.uk/.
5 D. Erhardt, Nat. Mater. 2 (2003), p. 509.
H.W. Kroto et al., Nature 318 (1985), p. 162.
7 S. Iijima, Nature 354 (1991), p. 56.
8
Nanoscience and nanotechnologies: opportunities and uncertainties, The Royal
Society & The Royal Academy of Engineering,
9 L.W. Zhong, Materials Today 7 (2004) (6), p. 26.
10 J.S. Murday, AMPTIAC Newsletter 6 (2002) (1), p. 5.
11 P. Moriarty, Rep. Prog. Phys. 64 (2001), p. 297.
12 The MicroJetReactor for Producing Nanoparticles, Synthesechemie GmbH, home.t-online.de/home/penth/ebesch.htm.
13 Kava Technology (2004), www.kavatechnology.com/index.html.
14 E.L. Mayes, J. Mag. Soc. Jap. 26 (2002) (8), p. 932.
15
K.L. Choy, Process principles and applications of novel and cost-effective
ESAVD based methods, Innovative
Processing of Films and Nanocrystalline Powders, World Scientific
Publishing,
16
M.S. Dresselhaus et al., Carbon
nanotubes Synthesis, Structure, Properties and Applications, Springer-Verlag,
Berlin/
17
P. Holister and T.E. Harper, The Nanotechnology Opportunity Report, CMP
Cient'fica,
18
A. Jones and M. Mitchell, Nanotechnology: Commercial Opportunity, Evolution Capital
Ltd,
19
Rittner, M., Opportunities in
Nanostructured Materials, GB-201, Business Communications Co. Inc.,
20
D.K. Rodham et al., A Technology Road
Map for Colloid and Interface Science in the
21
Technology Alert Nanotechnology,
22
Opportunities for Industry in the
Applications of Nanotechnology, DTI Foresight Materials Panel Report,
23
Nanophase materials innovative
developments mould a thriving industry, D212,
24
Kobayashi, N., Nanotechnology,
Hitachi Research Institute Report, Toyo Keizai Shimpo-sha,
25
Nanotechnologies, Technanogy merge assets, Small
Times (
26 Konarka acquires Siemens' organic photovoltaic research activities, www.konarkatech.com/.
27
Degussa Investing 25 Million in Advanced
Nanomaterials, Degussa Press release, (
P. Short, From small things, big things will come, Chemical and Engineering News 82 (2004) (28), p. 17.
29
Nanophase technologies announces
exclusive partnership with and $10m investment by Altana Chemie AG (
Y. Wang et al., Appl. Phys. Lett. 85 (2004), p. 2607.
31
Fried, J., Japan Sees Nanotech as Key to Rebuilding its Economy, Small Times (
32
Third European Report on Science &
Technology Indicators EUR 20025 European Commission,
33
Dunn, S., and Whatmore, R. W., Nanotechnology
advances in Europe, Working Paper STOA 108 EN, European Commission,
34
The Nanotech Report 2003, Investment
Overview and Market Research for Nanotechnology (Vol II), Lux Capital,
35 Institute for Soldier Nanotechnologies, Massachusetts Institute of Technology, https://web.mit.edu/isn.
36 Nanotechnology information sheet, Ministry of Defence, 2001, www.mod.uk/linked_files/nanotech.pdf.
37 W. Babcock, AMPTIAC Newsletter 6 (2002) (1), p. 1.
38 D. Chung, Nanoparticles have health benefits too New Scientist 179 (2003) (2410), p. 1616.
39 L. Kabacoff, AMPTIAC Newsletter 6 (2002) (1), p. 37.
40
P. Holister, Nanotech the tiny revolution, CMP
41 D. Draper, World Sports Activewear (Spring 2003), p. 16.
42 D. Graham-Rowe, Bad breaks fixed fast by bone printer, New Scientist 178 (2003) (2400), p. 20.
43 D. Graham-Rowe, Nano-coated implants cut MRI scan dangers, New Scientist 179 (2003) (2402), p. 13.
44 Nanotechnologies: a preliminary risk analysis, based on a workshop on 12 March 2004 by the Health and Consumer Protection Directorate General of the European Commission, Brussels, 2004 https://europa.eu.int/.
45
Malsch,
46 Luther, W., (ed.), Industrial applications of nanomaterials chances and risks, VDI Technologiezentrum GmbH under EU Nanosafe project.
47 Hett, A., Nanotechnology, Small matter, many unknowns, Swiss Reinsurance Company, 2004.
48
S. Wood et al., The Social and Economic
Challenges of Nanotechnology, EPSRC,
49 A.H. Arnall, Future Technologies, Today's Choices Nanotechnology, Artificial Intelligence and Robotics; A Technical, political and institutional map of emerging technologies, Greenpeace Environmental Trust, London (2003).
W-X. Zhang and T. Masciangioli, Environ. Sci. Technol. 37 (2003) (5), p. 102A.
51 J. Ryan, Physics World 17 (2004) (8), p. 16.
52
Rzigalinski, B., and Seal, S., Science
Daily (
|