Piesa turnata

EXERCIŢIUL NR 6:Piesa turnata
AutoCAD-ul furnizeaza o gama larga de posibilitati de cotare a desenelor. Īn acest exercitiu vor fi folosite facilitati de cotare pentru piesa turnata din desenul prototip "Casting".
Comenzi noi
dim
linear si aligned
diameter
continue si baseline
angular
leader
radius
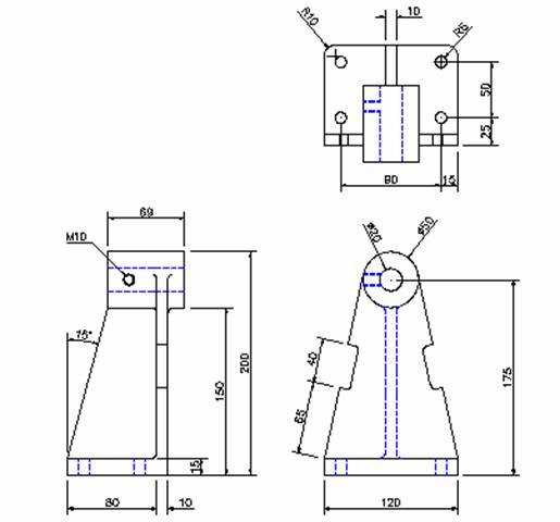
1. Din meniul File selectati Open si deschideti desenul "Casting". Selectati Save din meniul bara File si pentru numele fisierului ce va fi salvat tastati DIM1 dupa care selectati butonul Save. Pe ecran vor fi observate trei proiectii ale unei piese turnate ce a fost īncarcata. Asigurati-va ca modurile grid si snap au fost activate "ON".
2. Mariti zona proiectiei frontale a piesei turnate ca īn figura 1, folosind comanda zoom. Lasati suficient spatiu īn jurul proiectiei pentru a putea adauga cotele.
Figura 2 Figura 1

3. Selectati Linear din meniul Dimension. Īn editorul de desenare, vor trebui indicate doua puncte ce determina dimensiu 444c28e nea orizontala ce va fi cotata. Īn afara de aceste puncte trebuie specificat si un punct prin care trece linia de cota corespunzatoare. Punctati coltul din stīnga jos al piesei turnate ca prim punct al dimensiunii de cotare si coltul din dreapta jos reprezentīnd a doua extremitate a originii liniei. AutoCAD-ul cere locul īn care va fi plasata linia de cota. Specificati cu ajutorul mouse-ului un punct la aproximativ 30 mm sub limita inferioara a piesei tunate. AutoCAD-ul calculeaza automat valoarea dimensiunii ce va fi scrisa pe linia de cota si va fi afisata ca valoare implicita. Oricum, puteti schimba acest text atribuindu-i orice alta valoare.
4. Selectati Linear din meniul Dimension. AutoCAD-ul va furniza aceleasi cereri ca īn cazul operatiei de dimensionare orizontala, cu deosebirea ca linia de cota va fi creata īn plan vertical.
Selectati prima extremitate a liniei īn coltul din dreapta jos al piesei turnate si a doua īn centrul celor doua cercuri, acest lucru fiind specificat cu ajutorul modulului snap. Plasati dimensiunea liniei de cota la aproximativ 30 mm īn partea dreapta a ultimei linii din aceasta proiectie. Dimensiunea verticala va fi creata ca in figura 2.
5. Selectati Aligned din meniul Dimension. Aceasta va permite sa adaugati dimensiuni (cote) liniare īnclinate. Se dimensioneaza acum cavitatea din partea stanga a piesei turnate, ca in figura 3, folosind osnap intersection pentru a selecta extremitatile liniei. Setati locatia liniei de cota la aproximativ 30 mm de marginea proiectiei si dati click (butonul din stanga mouse-ului) pentru incheierea comenzii.
Figura 3

Pentru a completa dimensionarea acestei proiectii trebuie adaugate cotele celor doua cercuri.
6. Selectati Diameter din meniul Dimension. In linia de comanda va apare cererea de selectare a arcului sau cercului ce urmeaza a fi cotat. Trebuie mentionat ca īn locul īn care va fi punctat cercul pentru a fi selectat corespunde punctului prin care va fi trasata linia de cota. Selectati cercul exterior al piesei intr-o pozitie corespunzatoare orei 1 pe cadranul unui ceasornic.
Cotarea unui cerc este in mod obisnuit precedata de simbolul Ų insemnīnd ca dimensiunea urmatoare este aplicata pe un diametru. Acest caracter nu poate fi tiparit direct de la tastatura, dar AutoCAD furnizeaza o serie de fisiere shape ce pot fi invocate in linia de introducere a textului cotei. Pentru a adauga simbolul diametrului Ų unei cote tastati %%c unde "c" corespunde cotei circulare (pe diametru).
Alte caractere speciale pot fi adaugate folosind o sintaxa asemanatoare:
%%d - simbolul gradului ("d" - degrees)
%%p - simbolul tolerantei ("p" - plus sau minus)
Se observa ca puteti regla textul dinamic. Plasati textul la aproximativ 30 mm distanta fata de limita piesei asa cum este aratat in figura 4.
Figura 4

7. Cotati cercul cel mic in acelasi mod, selectīndu-l intr-un mod corespunzator pozitiei 11 a unui ceasornic. Modificati in mod dinamic locul de plasare at textului cotei la aproximativ 30 mm distanta fata de piesa (vezi figura 5).
8. Folositi comanda zoom all ca sa vizualizati intregul desen dupa care cu comanda zoom optiunea "w" (window) mariti proiectia laterala a piesei turnate asa cum este aratat in figura 6. Lasati suficient spatiu in jurul proiectiei pentru a adauga cotele.

Figura 5 Figura 6
Folosirea optiunii Continue
9. Folosind Linear din meniul Dimension trasati cota de 80 mm din coltul din stīnga jos al piesei turnate pīna la baza nervurii, asa cum este aratat in figura 7.
Figura 7

10. Reveniti īn meniul Dimension si selectati Continue. In linia de comanda va apare cererea de selectare a celei de-a doua extremitati a liniei de cota. Nu este nevoie sa specificati prima extremitate a cotei deoarece aceasta este atribuita implicit de AutoCAD ultimului punct al cotei trasate anterior. Selectati coltul din dreapta jos al piesei turnate.
11. Revenind la proiectia cotata initial, selectati Continue dupa care selectati cota liniara de 40 mm. Alegeti a doua extremitate a cotei īn punctul īn care nervura inclinata intīlneste baza piesei turnate, asa cum este ilustrat in figura 8.
Figura 8

Folosirea optiunii Baseline
12. Trasati cota verticala de 15 mm (vezi figura 9) punctīnd coltul din stānga jos al piesei turnate ca prima extensie a liniei de cota. Selectati pozitia liniei de cota la aproximativ 30 mm de corpul piesei turnate.
Figura 9

13. Selectati Baseline din meniul Dimension.
Figura 10

Rutina baseline va considera ca prima extensie a cotei ce trebuie trasata extensia corespondenta a cotei precedente, implicīnd modificarea primului prompter al comenzii "Select second line extension". Selectati coltul din dreapta jos al bosajului piesei turnate dupa care selectati partea de sus, ca in figura 10. Selectati din nou baseline si alegeti al doilea punct in partea superioara a bosajului piesei (vezi figura 11).
Figura 11

15. Trasati cota orizontala de 69 mm ce reprezinta lungimea bosajului ca in figura 12, folosind modul osnap intersection pentru selectarea precisa a celor doua limite.
Trasarea cotelor unghiulare
16. Selectati optiunea Angular din meniul Dimension. La prima cerere din linia de comanda apasati tasta "Enter" pentru a putea specifica punctele necesare cotei unghiulare. La prima cerere a punctelor ce definesc unghiul selectati punctul in care nervura inclinata intīlneste baza piesei turnate. Daca este necesar, urmariti figura 6 pentru a identifica punctele ce trebuiesc selectate.
La cererea primei extremitati a unui brat al unghiului tastati coordonatele @90<75. Acest punct va fi plasat de-a lungul nervurii inclinate a piesei. Introduceti extremitatea celui de-al doilea brat al unghiului tastīnd cooordonatele @0,23, determinīnd un punct pe verticala. Setati locatia arcului ce marcheaza cota tiparind coordonatele 130,170 la urmatorul prompter si introduceti coordonatele punctului de plasare a textului 130,160. Cota unghiulara va fi trasata ca in figura 12.
Figura 12

Cotarea (leader)
17. Dati comanda zoom window pentru a obtine vederea din figura 13.
Figura 13

18. Selectati optiunea Leader din meniul Dimension. Aceasta permite sa introduceti note despre anumite entitati din desen, indicīndu-le printr-o sageata.
Dezactivati modul snap (off) si la cererea "from point" selectati un punct de pe cercul exterior in pozitia corespunzatoare orei 10 de pe cadranul unui ceas folosind optiunea nearest a modului osnap. Tastati coordonatele punctului de sfīrsit al liniei leader 130,290 dupa care apasati tasta "Enter" pentru a completa detaliile liniei leader. La cererea textului introduceti "M10" pentru a specifica gaura filetata din figura 14, dupa care selectati butonul "OK".
Figura 14

19. Mariti intregul desen cu comanda zoom all.
Cotarea razelor
20 Folositi zoom window pentru a crea o imagine similara celei din figura 15.
21. Selectati optiunea Radius din meniul Dimension. Optiunea radius lucreaza in acelasi mod cu diameter. La cererea arcului sau cercului ce trebuie dimensionat, selectati cercul din dreapta sus intr-un punct corespunzator orei 1 de pe cadranul unui ceas. Specificati dinamic locatia textului la aproximativ 30 mm in exteriorul piesei turnate, ca in figura 16.
figura 16 figura 15

22. Selectati din nou optiunea radius si alegeti raza de rotunjire a coltului din stanga sus a piesei turnate. Pozitionati textul la aproximativ 30 mm īn afara piesei (vezi figura 17). Se observa ca se marcheaza automat centrele cercurilor si axele de simetrie.
23. Completati dimensiunile proiectiei plane, folosind tehnicile de cotare Linear si Continue, ca in figura 17.
Figura 17

24. Folositi comanda zoom all pentru a vedea intregul desen. Salvati desenul si iesiti din editorul de desenare.
|